Yamaha SY85 power board 220v or 110v?

Collapse
X
 
  • Time
  • Show
Clear All
new posts
  • maleksa
    Senior Member
    • Jul 2017
    • 50
    • Malaysia

    #1

    Yamaha SY85 power board 220v or 110v?

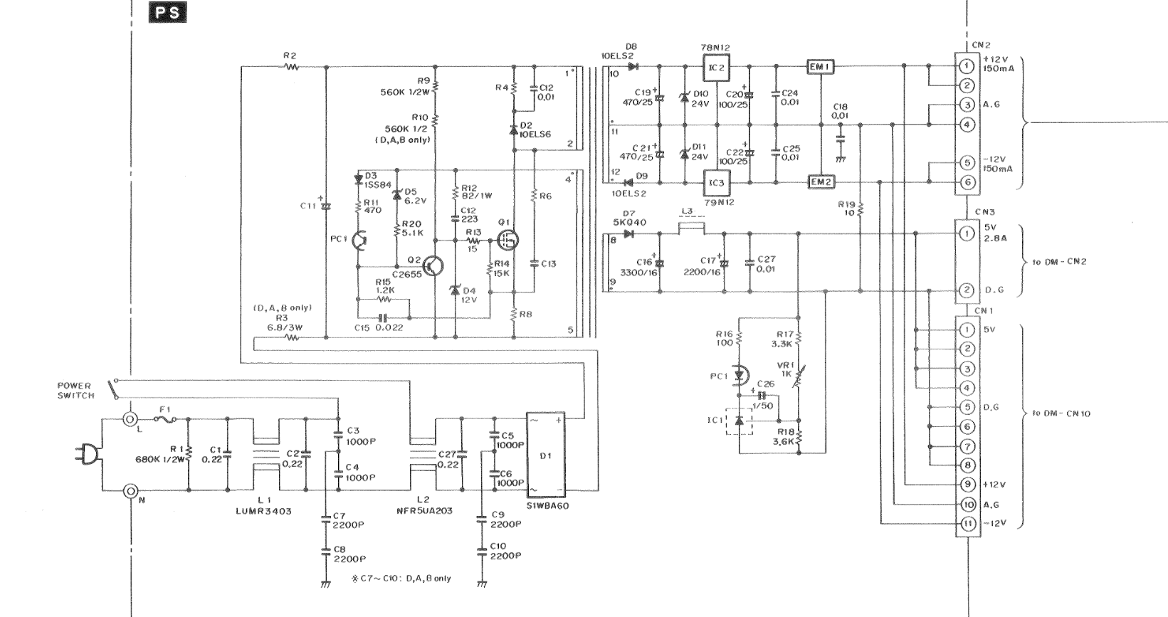
    I need help to ascertain if the power supply on my Yamaha SY85 keyboard is 110v or 220v or both.

    I have attached the schematics below.
    Attached Files
  • R_J
    Badcaps Legend
    • Jun 2012
    • 9609
    • Canada

    #2
    Re: Yamaha SY85 power board 220v or 110v?

    What is the voltage rating on C11? From a picture I found it is 150µf/200v which would suggest the power supply is for 110v ac input only
    Attached Files
    Last edited by R_J; 07-01-2023, 11:11 PM.

    Comment

    • stj
      Great Sage 齊天大聖
      • Dec 2009
      • 31260
      • Albion

      #3
      Re: Yamaha SY85 power board 220v or 110v?

      does it have R3 fitted? i suspect that is used for 220-240v regions.

      btw, typical japanese shit - they fitted the wrong fuse!
      it should be ceramic for mains use - not glass

      Comment

      • maleksa
        Senior Member
        • Jul 2017
        • 50
        • Malaysia

        #4
        Re: Yamaha SY85 power board 220v or 110v?

        Originally posted by R_J
        What is the voltage rating on C11? From a picture I found it is 150µf/200v which would suggest the power supply is for 110v ac input only
        Yes it is rated at 200v. You are right, the power supply is for 110v AC.

        Comment

        • maleksa
          Senior Member
          • Jul 2017
          • 50
          • Malaysia

          #5
          Re: Yamaha SY85 power board 220v or 110v?

          Originally posted by stj
          does it have R3 fitted? i suspect that is used for 220-240v regions.

          btw, typical japanese shit - they fitted the wrong fuse!
          it should be ceramic for mains use - not glass
          No R3 is not fitted. I have also got confirmation from another Yamaha SY85 owner that my keyboard model is for 110v AC.

          Comment

          Related Topics

          Collapse

          Working...