macbook 820-00239 20v no power missing pp3v3_s5

Collapse
X
 
  • Time
  • Show
Clear All
new posts
  • manusg
    Member
    • Mar 2021
    • 14
    • uruguay

    #1

    macbook 820-00239 20v no power missing pp3v3_s5

    hello everyone
    this is my first time posting
    i want to thank everyone for everything because i found a lot of solutions in here
    i have repaired a lot of macbook logic boards and i consider i have some experience but a lot to learn still

    this time i couldnt find the solution anywhere so here i am
    this a1706 logic board i have was taking 20v and 120mA stucked

    i opened it up and did a visual inspection and it was all good except from U7650 which had some corrosion between the ic and C7651 i tested C7651 and shorted
    so i removed C7651 and U7650 and replaced with new ones
    now i have 20v and 20mA so i started testing that area
    I have:
    pp5v_s5 - 5V
    pp5v_s4 - 0V
    pp3v3_s5 - 0V
    pp3v3_sus - 0V
    p5vs5_en - 3.4V
    p3v3s5_en - 3.4v
    PPBUS_HS_OTH3V3 - 13v

    i know i must have all my s5 in order to have s4 so since i dont have pp3v3_s5 i dont have pp5v_s4

    what im not understanding is why if im having power Vin in U7650 also i have p3v3s5_en why im not having the output of pp3v3_s5 ?
    any help would be really appreciated
    i have osciloscope so i can test anything you suggest
    thanks!
  • mon2
    Badcaps Legend
    • Dec 2019
    • 14673
    • Canada

    #2
    Re: macbook 820-00239 20v no power missing pp3v3_s5

    What is the voltage at PPBUS_G3H ?

    Comment

    • manusg
      Member
      • Mar 2021
      • 14
      • uruguay

      #3
      Re: macbook 820-00239 20v no power missing pp3v3_s5

      Originally posted by mon2
      What is the voltage at PPBUS_G3H ?
      ppbus_g3h is ok - 13V

      i also forgot to mention pp3v3_s5 is not shorted

      Comment

      • mon2
        Badcaps Legend
        • Dec 2019
        • 14673
        • Canada

        #4
        Re: macbook 820-00239 20v no power missing pp3v3_s5

        Are you confident of the replacement and soldering of U7650 ? They commonly fail -> consider to flux the device -> low air pressure but high heat and allow the part to swim onto the pads. 'Make it dance' to confirm the device is properly seated onto the pads.

        Do so with patience so that no parts go flying or any SMD pads get damaged. Use a tweezer to slightly nudge the part when the solder is liquid. The part should bounce away with the small push but will bounce back, naturally. This creates a good bonding onto the PCB.

        Comment

        • manusg
          Member
          • Mar 2021
          • 14
          • uruguay

          #5
          Re: macbook 820-00239 20v no power missing pp3v3_s5

          Originally posted by mon2
          Are you confident of the replacement and soldering of U7650 ? They commonly fail -> consider to flux the device -> low air pressure but high heat and allow the part to swim onto the pads. 'Make it dance' to confirm the device is properly seated onto the pads.

          Do so with patience so that no parts go flying or any SMD pads get damaged. Use a tweezer to slightly nudge the part when the solder is liquid. The part should bounce away with the small push but will bounce back, naturally. This creates a good bonding onto the PCB.
          yes yes i know how to solder properly
          i been doing boards repairs iphone and mac for 5 years
          and i tried two different u7650
          that is not the problem

          Comment

          • mon2
            Badcaps Legend
            • Dec 2019
            • 14673
            • Canada

            #6
            Re: macbook 820-00239 20v no power missing pp3v3_s5

            Good.

            Measure and post the voltage values of the following:

            P3V3S5_CSN2
            P3V3S5_CSP2


            Remove all power. Meter in resistance mode. Confirm the resistance of the network for the P3V3S5_VFB2 are matching the schematic.

            Specifically, confirm the resistance of:

            R7697
            R7698
            R7699


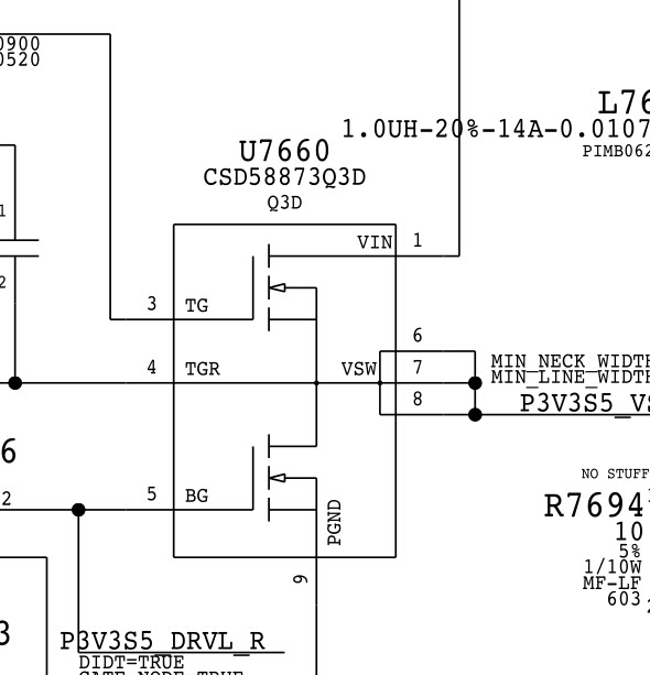
            Still with no power to the logic board, meter in resistance mode, check the resistance of the switching dual mosfet @ U7660.

            Check the resistance of U7660 as follows:

            pin #1 & pins # 6-7-8
            pin #1 & pin # 3
            pin #3 & pin # 6-7-8



            pin #4 & pin # 9
            pin #4 & pin # 5
            pin #5 & pin # 9


            Post the readings.
            Attached Files

            Comment

            • manusg
              Member
              • Mar 2021
              • 14
              • uruguay

              #7
              Re: macbook 820-00239 20v no power missing pp3v3_s5

              Originally posted by mon2
              Good.

              Measure and post the voltage values of the following:

              P3V3S5_CSN2
              P3V3S5_CSP2


              Remove all power. Meter in resistance mode. Confirm the resistance of the network for the P3V3S5_VFB2 are matching the schematic.

              Specifically, confirm the resistance of:

              R7697
              R7698
              R7699


              Still with no power to the logic board, meter in resistance mode, check the resistance of the switching dual mosfet @ U7660.

              Check the resistance of U7660 as follows:

              pin #1 & pins # 6-7-8
              pin #1 & pin # 3
              pin #3 & pin # 6-7-8



              pin #4 & pin # 9
              pin #4 & pin # 5
              pin #5 & pin # 9


              Post the readings.
              Ok thank you! Will do that tomorrow and come back with the info you requested

              Comment

              • manusg
                Member
                • Mar 2021
                • 14
                • uruguay

                #8
                Re: macbook 820-00239 20v no power missing pp3v3_s5

                Originally posted by mon2
                Good.

                Measure and post the voltage values of the following:

                P3V3S5_CSN2
                P3V3S5_CSP2


                Remove all power. Meter in resistance mode. Confirm the resistance of the network for the P3V3S5_VFB2 are matching the schematic.

                Specifically, confirm the resistance of:

                R7697
                R7698
                R7699


                Still with no power to the logic board, meter in resistance mode, check the resistance of the switching dual mosfet @ U7660.

                Check the resistance of U7660 as follows:

                pin #1 & pins # 6-7-8
                pin #1 & pin # 3
                pin #3 & pin # 6-7-8



                pin #4 & pin # 9
                pin #4 & pin # 5
                pin #5 & pin # 9


                Post the readings.
                ok this is becoming a nightmare
                i have a fully working 820-00239 board so i compared all the measurement you asked me and everything was ok

                when i was taking all those measurement you asked i noticed something weird on U7660 so i changed it after that i powered up the board again and it was taking 20 mA more than before but still not booting of course

                i unplugged and measure PP3v3_S5 again and now its shorted to ground
                i removed u7660 and the short is still there
                so out of the blue now PP3v3_S5 is shorted giving me 1 ohm to ground

                so now i know if i have a short i inject voltage and look with the thermal camera for the hot spot the problem is nothing get warm

                im injecting 1.5v in PP3v3_S5 and my power supply is consuming 2amps so i should get some heat somewhere in the board but im not

                i even removed the heat sink thinking that maybe cpu was getting hot but no its cold as a stone

                so now this is my problem PP3v3_s5 shorted injecting 1.5v getting 2amps but NOTHING gets warm

                i looked for shorts many times ago and everytime something gets warm i never had a case like this before
                Last edited by manusg; 05-11-2022, 07:19 PM.

                Comment

                • mon2
                  Badcaps Legend
                  • Dec 2019
                  • 14673
                  • Canada

                  #9
                  Re: macbook 820-00239 20v no power missing pp3v3_s5

                  Remove (carefully) UB600 and check the resistance of this rail again. It is a DFN package so should be ok to return back if it is not the fault.

                  UB600 is a load switch for this rail.

                  This same rail is also used to power the SSD. Are you able to check the thermals of the SSD devices?

                  Another thought is to remove the LIFEBOAT connector @ J9600 which will then isolate the connection from pins 45 to 46. With this 'top hat' shunting jumper block removed, you can check the resistance to ground again to sub-divide the vicinity of the short.
                  Attached Files

                  Comment

                  • Pedro147
                    Senior Member
                    • Sep 2016
                    • 168
                    • Australia

                    #10
                    Re: macbook 820-00239 20v no power missing pp3v3_s5

                    Hi @mon2, I just wanted to thank you for the info in this thread. It just helped me fix an 820-00923 board that I was having trouble with. I looked at U7650 because of what you said here and after measuring the PP3V3_S5 and PP5v_S5 outputs and the enables for those outputs, I thought that it might well have a faulty U7650 which it did. So thanks again for all the help that I have seen you give to people in here, I for one greatly appreciate it
                    My YouTube channel - https://www.youtube.com/channel/UCiD...5d6OgizDqoi_SA

                    Comment

                    • mon2
                      Badcaps Legend
                      • Dec 2019
                      • 14673
                      • Canada

                      #11
                      Re: macbook 820-00239 20v no power missing pp3v3_s5

                      Excellent ! Thanks for positive feedback.

                      Comment

                      Related Topics

                      Collapse

                      • Adogabriel100
                        Macbook A1278 (820-2936) No power. missing SMC_BC_ACOK
                        by Adogabriel100
                        Hey! This is a A1278 macbook 2011.

                        Problem: Not turning on / No green light

                        Im using by3200s charger.

                        Voltajes:

                        PPBUS_G3H = 12.26v

                        SMC_RESET_L = 3.3v
                        PP3V42_G3H = 3.42v

                        U7000 =

                        Pin 1 CHGR_AGATE = 0v
                        Pin 2 CHRG_DCIN = 19v
                        Pin 3 CHRG_ACIN = 4.6v
                        Pin 10 SMBUS_SMC_BSA_SDA = 3.3V
                        Pin 11 SMBUS_SMC_BSA_SCL = 3.3V
                        Pin 12 PP3V42_G3H = 3.42v
                        Pin 13 CHRG_RST_L = 3.3V
                        Pin 14 SMC_BC_ACOK = 0.8V
                        Pin 19 PP5V1_CHRG_VDD = 5.05V
                        Pin 20 PP5V1_CHRG_VDDP = 5.03V...
                        04-01-2024, 01:02 PM
                      • envym
                        MacBook Pro 2018 with Activation Lock
                        by envym
                        Hi everyone!

                        I have a 2018 MacBook Pro (with Sequoia OS) that I've been using for years with no problem. I recently received an M2 MacBook Pro so I'm mostly using it and not the 2018 one, but since a friend of mine needs a computer, I thought I could restore my 2018 and give it brand-new-like to my friend.

                        I tried using the built-in tool to restore the MacBook (Settings > General > Transfer or restore > Delete) but it got stuck when trying to remove the Find Device configuration (it asked me for the password for my old Apple ID -now I use the same account but...
                        06-27-2025, 08:54 AM
                      • salopian
                        Macbook Pro Retina 13” 820-3476-A (A1502) - missing PM_SLP_S4_L
                        by salopian
                        Hello. I would need some advice please.

                        My son's MBP suddenly stopped working and is now only getting the green-then-orange light on Magsafe and no fan spin.
                        He brought the MBP into the house (22 deg C) from a very cold conservatory (-3 deg C) and turned it on straight away. The Mac suddenly died a few minutes later.

                        I examined the logic board and couldn't find any signs of water damage, corrosion, blown up components etc. Nothing was ever spilt on it, and the logic board looks immaculate.

                        I have already replaced the logic board with another...
                        02-27-2021, 07:30 AM
                      • mferna14
                        Apple MacBook A1398 820-00138-A missing 5V
                        by mferna14
                        HI all, I am working on Apple MacBook A1398 logic board # 820-00138-A. The problem is that it does not turn on & no fan spin. Board is very clean & no sign of liquid spill. Upon checking the initial troubleshooting power rails, I found that its missing 5V (Absolute 0V on the Coil L7720, no pulsing at all, it's just 0V). 3.3V is PERFECT & across all points on the logic board. Checked the IC U7501 pin 4, this pin should have the ENABLE volts to turn on the 5v rail, & P5VS4_EN is missing. This signal generated from U8170 pin 4. PM_SLP_S5_L is also not present & ALL_SYS_PWRGD is...
                        01-16-2023, 01:35 PM
                      • fajfelek
                        Macbook Pro M1 a2338 after liquid damage - Need help with identify missing part on trackpad logic board
                        by fajfelek
                        Hello, First of all thanks you for reading this topic.
                        I need your help with identify missing parts on trackpad logic board (661-18430).

                        The liquid got into the orange area, but I found that the green area had some parts missing or burnt.
                        Please help me with identity parts from blue and red area .
                        06-15-2024, 01:41 PM
                      • Loading...
                      • No more items.
                      Working...