XPS 15 9570 will not charge but battery works

Collapse
X
 
  • Time
  • Show
Clear All
new posts
  • mon2
    Badcaps Legend
    • Dec 2019
    • 14659
    • Canada

    #41
    Re: XPS 15 9570 will not charge but battery works

    Which mosfets were used for the replacements? These must be P-channel mosfets so the GATE voltage must be LOWER than the voltage being passed between source / gate.

    Respectively to LOWER the voltage on the gate pin, the resistor based voltage divider muset be enabled by turning ON the mosfet that is south of the gate pins. So PQ204 & PQ205 must be ON to create the voltage divider that will then offer a lower voltage onto gate pins # 4 of each mosfet.

    Then these DCin mosfets will enable.

    What is the voltage to ground on pin #4 (Gate) of each of these mosfets with the power adapter connected?

    Remove all power -> meter in resistance mode.

    Check the resistance of each mosfet to confirm that they are ok.

    Source (1-2-3) & Drain (5-6-7-8)
    Source (1-2-3) & gate (4)
    Gate (4) & Drain (5-6-7-8)

    ]
    Post each measurement.

    Comment

    • madjid911
      Badcaps Veteran
      • Dec 2016
      • 410
      • France

      #42
      Re: XPS 15 9570 will not charge but battery works

      Originally posted by mon2
      Which mosfets were used for the replacements? These must be P-channel mosfets so the GATE voltage must be LOWER than the voltage being passed between source / gate.

      Respectively to LOWER the voltage on the gate pin, the resistor based voltage divider muset be enabled by turning ON the mosfet that is south of the gate pins. So PQ204 & PQ205 must be ON to create the voltage divider that will then offer a lower voltage onto gate pins # 4 of each mosfet.

      Then these DCin mosfets will enable.

      What is the voltage to ground on pin #4 (Gate) of each of these mosfets with the power adapter connected?

      Remove all power -> meter in resistance mode.

      Check the resistance of each mosfet to confirm that they are ok.

      Source (1-2-3) & Drain (5-6-7-8)
      Source (1-2-3) & gate (4)
      Gate (4) & Drain (5-6-7-8)

      ]
      Post each measurement.
      Yes I replaced all (PQ200 PQ201 PQ207 PQ208 PQ209) aon 7409 P-chanel

      For pq200:
      RED Alimentation (1-2-3) & MASSE Vidange (5-6-7-8) : 0,673 MOHMS
      MASSE Alimentation (1-2-3) & RED Vidange (5-6-7-8) : 1,3 MOHMS

      RED Source (1-2-3) & MASSE gate (4) 1 MOHMS
      MASSE Source (1-2-3) & RED gate (4) 1MOHMS

      RED Gate (4) & MASSE Drain (5-6-7-8) 1,6MOHMS
      MASSE Gate (4) & RED Drain(5-6-7-8) 2,6 MOHMS

      pq200 SOURCE 19V5 Gate 17V7 but Drain is 0V

      the mosfets are new I don't think that's the problem
      Attached Files
      Last edited by madjid911; 12-08-2022, 11:48 AM.

      Comment

      • mon2
        Badcaps Legend
        • Dec 2019
        • 14659
        • Canada

        #43
        Re: XPS 15 9570 will not charge but battery works

        Resistance readings are good.

        What are the voltage checks on the mosfets?

        Comment

        • madjid911
          Badcaps Veteran
          • Dec 2016
          • 410
          • France

          #44
          Re: XPS 15 9570 will not charge but battery works

          Originally posted by mon2
          Resistance readings are good.

          What are the voltage checks on the mosfets?
          pq200 SOURCE 19V5 Gate 17V7 mais Drain est 0V

          Comment

          • madjid911
            Badcaps Veteran
            • Dec 2016
            • 410
            • France

            #45
            Re: XPS 15 9570 will not charge but battery works

            Originally posted by mon2
            Resistance readings are good.

            What are the voltage checks on the mosfets?
            pq200 SOURCE 19V5 Gate 17V7 Drain is 0V
            pq201 SOURCE 0V Gate 0V Drain is 0V
            pq208 SOURCE 0V Gate 0V Drain is 0V
            pq207 SOURCE 0V Gate 0V Drain is 0V

            Comment

            • mon2
              Badcaps Legend
              • Dec 2019
              • 14659
              • Canada

              #46
              Re: XPS 15 9570 will not charge but battery works

              See attached. The GATE pin must be lower to enable.

              Attach a ground wire to the bottom pin of the bottom resistor.

              Test with one mosfet first and see if the top replaced mosfet enables or not.
              Attached Files

              Comment

              • madjid911
                Badcaps Veteran
                • Dec 2016
                • 410
                • France

                #47
                Re: XPS 15 9570 will not charge but battery works

                Originally posted by mon2
                See attached. The GATE pin must be lower to enable.

                Attach a ground wire to the bottom pin of the bottom resistor.

                Test with one mosfet first and see if the top replaced mosfet enables or not.
                PQ200 SOURCE 19V5 Gate 9V3 Drain 19V5
                PQ201 SOURCE 19V5 Gate 1V7 Drain 19V5
                PQ209 SOURCE 19V5 Gate 19V5 Drain 0V2
                Attached Files

                Comment

                • mon2
                  Badcaps Legend
                  • Dec 2019
                  • 14659
                  • Canada

                  #48
                  Re: XPS 15 9570 will not charge but battery works

                  So these 2 DCin mosfets do enable if the gate are at a lower voltage. Good.

                  To enable on their own, the mosfets @ PQ204 and PQ205 must enable.

                  PQ205 is enabled by the EC (MEC5105). Confirm that it is being powered.

                  Specifically, without our manual jumper, the voltage of VBUS2_ECOK must be a high enough voltage to enable the mosfet @ PQ204. Only then will the 2nd mosfet @ PQ201 enable.

                  Respectively, the dual-input AND gate must have BOTH inputs at a logic '1' (PU201) to enable the mosfet @ PQ205.

                  Measure the voltage to ground on each pin of the gate @ PU201.

                  Comment

                  • madjid911
                    Badcaps Veteran
                    • Dec 2016
                    • 410
                    • France

                    #49
                    Re: XPS 15 9570 will not charge but battery works

                    Originally posted by mon2
                    So these 2 DCin mosfets do enable if the gate are at a lower voltage. Good.

                    To enable on their own, the mosfets @ PQ204 and PQ205 must enable.

                    PQ205 is enabled by the EC (MEC5105). Confirm that it is being powered.

                    Specifically, without our manual jumper, the voltage of VBUS2_ECOK must be a high enough voltage to enable the mosfet @ PQ204. Only then will the 2nd mosfet @ PQ201 enable.

                    Respectively, the dual-input AND gate must have BOTH inputs at a logic '1' (PU201) to enable the mosfet @ PQ205.

                    Measure the voltage to ground on each pin of the gate @ PU201.
                    You are really very strong

                    PQ204 0V
                    PQ205 16V22 PIN 1; 0V PIN 2 AND 3
                    PU201 PIN 1 0V15; PIN 2 3V26; PIN 3 0V; PIN 4 0V; PIN 5 3V29
                    PR17 PIN 1 (VBUS2_ECOK) 0V

                    Comment

                    • mon2
                      Badcaps Legend
                      • Dec 2019
                      • 14659
                      • Canada

                      #50
                      Re: XPS 15 9570 will not charge but battery works

                      Confirm the (EC) MEC5105 is being powered.

                      See attached.
                      Attached Files

                      Comment

                      • madjid911
                        Badcaps Veteran
                        • Dec 2016
                        • 410
                        • France

                        #51
                        Re: XPS 15 9570 will not charge but battery works

                        Originally posted by mon2
                        Confirm the (EC) MEC5105 is being powered.

                        See attached.
                        Hello to you,

                        here are the measurements:

                        +3VALW 0V
                        +RTC_CELL_VBAT 0V
                        +3VALW_5105 0V
                        +1.8V_3V3_ALW_VTR3 0V

                        so it is not powered, NO short all on the MEC5105

                        Comment

                        • mon2
                          Badcaps Legend
                          • Dec 2019
                          • 14659
                          • Canada

                          #52
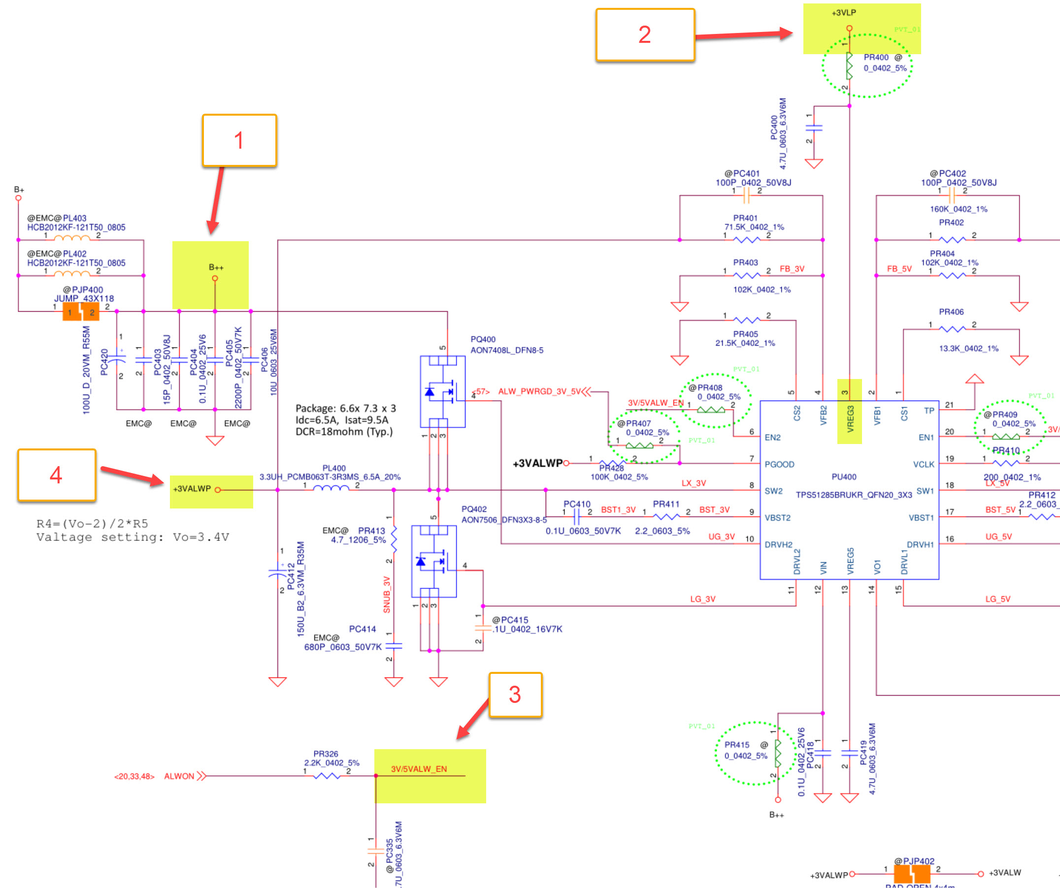
                          Re: XPS 15 9570 will not charge but battery works

                          Ok. See attached. Check the voltage to ground for these 4 points of interest and post your measurements.
                          Attached Files

                          Comment

                          • madjid911
                            Badcaps Veteran
                            • Dec 2016
                            • 410
                            • France

                            #53
                            Re: XPS 15 9570 will not charge but battery works

                            Originally posted by mon2
                            ok. See attached. Check the voltage to ground for these 4 points of interest and post your measurements.
                            b++ 3v29
                            +3vlp 0v
                            +3valwp 0v
                            3v/5valw_en 0v035

                            Comment

                            • mon2
                              Badcaps Legend
                              • Dec 2019
                              • 14659
                              • Canada

                              #54
                              Re: XPS 15 9570 will not charge but battery works

                              Was the external power adapter connected when taking these latest voltage checks?

                              Comment

                              • mon2
                                Badcaps Legend
                                • Dec 2019
                                • 14659
                                • Canada

                                #55
                                Re: XPS 15 9570 will not charge but battery works

                                Measure the voltage to ground of RTCVCC.

                                This voltage rail is critical and is the first rail that must be present as shown on
                                Attached Files
                                Last edited by mon2; 12-09-2022, 03:12 PM.

                                Comment

                                • madjid911
                                  Badcaps Veteran
                                  • Dec 2016
                                  • 410
                                  • France

                                  #56
                                  Re: XPS 15 9570 will not charge but battery works

                                  Originally posted by mon2
                                  Measure the voltage to ground of RTCVCC.

                                  This voltage rail is critical and is the first rail that must be present as shown on
                                  yes the power adapter connected

                                  I hadn't connected the battery 3V, but it is discharged 0V5 instead of 3V.
                                  do i need to find a 3v battery?
                                  Attached Files

                                  Comment

                                  • mon2
                                    Badcaps Legend
                                    • Dec 2019
                                    • 14659
                                    • Canada

                                    #57
                                    Re: XPS 15 9570 will not charge but battery works

                                    The power up rail sequence notes that this battery is critical to the power up of the logic board so yes, do apply an external battery.

                                    If you have a DC power supply that you can dial up to 3v, that will work as well.

                                    CR2032 should be ok to use but not sure if you can solder to the package. Is the battery inside of a coin cell holder under that shrink wrap ?

                                    You must also watch the polarity of the battery with respect to the red and black wires when you are ready to apply onto the logic board.

                                    Comment

                                    • madjid911
                                      Badcaps Veteran
                                      • Dec 2016
                                      • 410
                                      • France

                                      #58
                                      Re: XPS 15 9570 will not charge but battery works

                                      Originally posted by mon2
                                      The power up rail sequence notes that this battery is critical to the power up of the logic board so yes, do apply an external battery.

                                      If you have a DC power supply that you can dial up to 3v, that will work as well.

                                      CR2032 should be ok to use but not sure if you can solder to the package. Is the battery inside of a coin cell holder under that shrink wrap ?

                                      You must also watch the polarity of the battery with respect to the red and black wires when you are ready to apply onto the logic board.
                                      b++ 0V3
                                      +3vlp 0v628
                                      +3valwp 0v
                                      3v/5valw_en 0v

                                      RTCVCC 2V8 with 3v battery connected (the battery is good at 3v if it is not connected)
                                      Attached Files

                                      Comment

                                      • madjid911
                                        Badcaps Veteran
                                        • Dec 2016
                                        • 410
                                        • France

                                        #59
                                        Re: XPS 15 9570 will not charge but battery works

                                        With 11V4 battery it starts without problem
                                        Attached Files

                                        Comment

                                        • mon2
                                          Badcaps Legend
                                          • Dec 2019
                                          • 14659
                                          • Canada

                                          #60
                                          Re: XPS 15 9570 will not charge but battery works

                                          Connect the laptop battery pack -> attach the power adapter -> turn on the unit -> does the BIOS report the power adapter is connected ?

                                          The power adapter must have the PS_ID (single wire) communication working to detect the power of the adapter.

                                          See attached. Measure the voltage to ground of the power adapter pins.
                                          Attached Files
                                          Last edited by mon2; 12-10-2022, 11:10 AM.

                                          Comment

                                          Related Topics

                                          Collapse

                                          • techfreak9356
                                            Vostro 3400 (LA-K033P) won't charge battery, everything else ok
                                            by techfreak9356
                                            I bought a Vostro 3400 motherboard (LA-K033P) to upgrade over my damaged Inspiron 5593 (LA-J091P) board. Everything else is ok except for the battery. This battery I am using now is already a replacement one since I disposed of the bloated original one. Back in the Inspiron 5593 motherboard, the battery charges fine and is identified just fine. However, with the upgraded motherboard, suddenly the replacement battery is labeled as "Not a dell battery". When I borrow a similar battery from my colleague (which did not have replacements yet), it is identified and charges just fine.
                                            ...
                                            09-14-2023, 11:10 PM
                                          • razenxd
                                            How can I charge that battery pack?
                                            by razenxd
                                            Hello,
                                            it's not a laptop/desktop related question but I figured that someone here will have the right knowledge.
                                            At work we use a few Aldebaran(now Softbank/United Robotics group) Nao Robots which they use some custom 6S li-on battery packs.
                                            Nao robots tends to draw from the battery even if they are shut down, and the BMS tends to be a little aggresive, if the pack stays on a turned off robot for 3 months it's gonna lock and will refuse to charge.

                                            Now, I have noticed a few things.
                                            The "dead" battery, while connected to charger and NOT Charging will...
                                            12-05-2024, 06:11 AM
                                          • sam_sam_sam
                                            NTE Electronics “NTE5251K” Zener Diode 9.1V @ 50W Do-5.5% Want to build a 9.1 output from a 9.6 lipo4 battery pack
                                            by sam_sam_sam
                                            I have bought this Zener Diode for this project what size and wattage resistor value do I need to use to get near 50 watt output
                                            I bought this from an eBay seller but unfortunately they only had one

                                            I bought three from Vetco Electronics these are Sylvania ECG5185A 9.1@10w A to Stud what size and watt resistor do I need to use to get near 10 watt output
                                            I bought three of from them to also make battery packs with this output power limit in mind

                                            I want to use this battery pack and turn it into a 9.1 output battery pack output to eliminate using 9 volt battery...
                                            04-23-2025, 05:50 AM
                                          • Klevjetack
                                            Charge a L19D3PDA battery externally from the laptop
                                            by Klevjetack
                                            Is there a way to externally charge a L19D3PDA battery from the laptop. I have a broken charging port on my laptop and am trying to find a way to charge the battery for it. I have been doing some research and I have found that there is a module, TP4056, that can be used to charge Li-ion batteries. It says it is used to charge single cell Li-ion batteries. The L19D3PDA battery is a three cell battery. Is it possible to use the module to charge my battery and it would just be very slow? Or would that be a bad idea. Is there a different kind of module I can use to charge my Li-ion three cell battery?...
                                            03-05-2024, 07:26 AM
                                          • gadgettree
                                            Acer Nitro AN517-52 FH51M LA-J871P Works on battery only. Won't charge.
                                            by gadgettree
                                            Hi there,

                                            I am having trouble diagnosing this gaming laptop.
                                            The laptop does not power on with AC Power only. The battery also does not charge. The laptop turns on when the battery is plugged in, regardless of whether or not the charger is plugged in until the battery dies of course.
                                            So something is stopping adapter power from getting to the laptop. I checked Adapdet to make sure that the motherboard knows when the adapter is plugged in. That works fine.



                                            I suspect the first Mosfet isn't turning on but I am unsure how to properly diagnose that...
                                            02-28-2024, 05:27 PM
                                          • Loading...
                                          • No more items.
                                          Working...