820-00840 no backlight after sleep

Collapse
X
 
  • Time
  • Show
Clear All
new posts
  • luckydip
    Senior Member
    • Aug 2016
    • 165
    • uk

    #1

    820-00840 no backlight after sleep

    Came in dead, the backlight area and both rows of backlight caps were misaligned and fluxed.Got it working but has a sleep/backlight issue. When you close the lid, display darkens but when you open the lid the backlight doesn't restart - dim display as if no backlight. No other obvious liquid damage.

    If you put it to sleep via the Apple menu then it wakes up fine with backlight.

    Things I've tried - replaced hall sensor, replaced U5255 and given the SMC a light reflow - still no change. U5255 area resitors all ok. Any other ideas?

    thanks
    Attached Files
  • piernov
    Super Moderator
    • Jan 2016
    • 4437
    • France

    #2
    Re: 820-00840 no backlight after sleep

    Smc_lid_left, smc_lid_right, lid_open?
    OpenBoardView — https://github.com/OpenBoardView/OpenBoardView

    Comment

    • luckydip
      Senior Member
      • Aug 2016
      • 165
      • uk

      #3
      Re: 820-00840 no backlight after sleep

      lid open with backlight

      Smc_lid_left, smc_lid_right, lid_open all 3.4v

      Using a magnet to trigger hall sensor - no backlight

      Smc_lid_left, smc_lid_right, lid_open all 3.4v

      Comment

      • luckydip
        Senior Member
        • Aug 2016
        • 165
        • uk

        #4
        Re: 820-00840 no backlight after sleep

        Tried the board with a known working display - same result.

        Clutching at straws - is it worth changing u8400 and finally the SMC?

        Comment

        • mon2
          Badcaps Legend
          • Dec 2019
          • 14634
          • Canada

          #5
          Re: 820-00840 no backlight after sleep

          What is the voltage reading of EDP_BKLT_EN with the lid open and backlight ON ?

          What is the voltage reading of EDP_BKLT_EN with the lid open and backlight is OFF ?

          Comment

          • luckydip
            Senior Member
            • Aug 2016
            • 165
            • uk

            #6
            Re: 820-00840 no backlight after sleep

            Thanks for that -
            backlight on EDP_BKLT_EN 3.3v
            no backlight EDP_BKLT_EN 0v

            This signal comes from GFX/PCH, can I use a 3v supply to keep the backlight on all the time so the machine is usable?

            Comment

            • mon2
              Badcaps Legend
              • Dec 2019
              • 14634
              • Canada

              #7
              Re: 820-00840 no backlight after sleep

              This signal comes from GFX/PCH, can I use a 3v supply to keep the backlight on all the time so the machine is usable?
              Technically, yes. You could remove resistor @ R8442 (so the SMC does not challenge your next move).

              Then solder a wire from R8442 pad # 2 (be sure it is the pad going to the backlight enable pin # 17) and mate this wire to +3v3.

              Do note that this means that the backlight will ALWAYS be on when the laptop is powered - including when the lid is closed so this will deplete the battery much faster.

              It is a 'hack' but should work. The real question stands as to why this signal (from the SMC) is not sending out the '1' (+3v3) for the enable when it should do so.

              Q: What is the voltage level of LID_OPEN when the lid is open ?

              What is the voltage level of LID_OPEN when the lid is closed ?

              If you see +3v3, when open and 0V when the lid is closed then you could apply the EN of the backlight directly onto the LID_OPEN rail.

              The same logic level will then turn OFF the backlight, due to the logic low when the lid is closed.

              Post your update.
              Last edited by mon2; 09-07-2021, 12:45 PM.

              Comment

              • luckydip
                Senior Member
                • Aug 2016
                • 165
                • uk

                #8
                Re: 820-00840 no backlight after sleep

                Thanks for the pointers. This is begining to feel like a rabbit hole:

                Checked LID_OPEN - voltage behaves as expected. Ran a wire to R8442 pin 2 (removed resistor). The voltage on EN is 3.3v when lid is open but still not waking/no backlight. I changed U8400 from a donor board but still the same result.

                Comment

                • mon2
                  Badcaps Legend
                  • Dec 2019
                  • 14634
                  • Canada

                  #9
                  Re: 820-00840 no backlight after sleep

                  Given that you have replaced U8400 already, the issue could be elsewhere.

                  Also when the backlight is working, what is the voltage on R8410 ? This is the resistor that drives the mosfet @ Q8401.

                  When the backlight is not working, what is the voltage on R8410 ?

                  Power down, remove battery (if present). Meter in resistance mode.

                  Check the mosfet @ Q8401 for shorts.

                  Resistance between source & drain ?

                  Resistance between source & gate ?

                  Resistance between gate & drain ?

                  Comment

                  • luckydip
                    Senior Member
                    • Aug 2016
                    • 165
                    • uk

                    #10
                    Re: 820-00840 no backlight after sleep

                    what is the voltage on R8410 ? 2.7v

                    When the backlight is not working, what is the voltage on R8410 ? 0v

                    No shorts on Q8401

                    LCDBKLT_FB 50v when wake after sleep (no backlight)

                    Comment

                    • mon2
                      Badcaps Legend
                      • Dec 2019
                      • 14634
                      • Canada

                      #11
                      Re: 820-00840 no backlight after sleep

                      1) Check on the resistor values of R8401 (80k6) & R8402 (63k4).

                      2) Check that mosfet Q8400 is not shorted.

                      3) What is the value of LCDBKLT_EN_L when backlight is working & not-working?

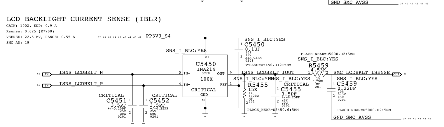
                      4) Monitor and post the OUTPUT voltage of U5450 (pin 6)(current sense for the backlight rail; ISNS_LCDBKLT_N and ISNS_LCDBKLT_P) when backlight is working & not-working.

                      Comment

                      • luckydip
                        Senior Member
                        • Aug 2016
                        • 165
                        • uk

                        #12
                        Re: 820-00840 no backlight after sleep

                        R8401 (72k) & R8402 (64k)

                        Q8400 ok - not shorted

                        Backlight on

                        LCDBKLT_EN_L 7.2-8.4v

                        U5450
                        4 13v
                        5 13v
                        6 1.2-1.3v

                        Backlight off

                        LCDBKLT_EN_L 11v

                        U5450
                        4 13v
                        5 13v
                        6 1.8-2v

                        There is physically no U5450 on the board (no stuff?)

                        Comment

                        • mon2
                          Badcaps Legend
                          • Dec 2019
                          • 14634
                          • Canada

                          #13
                          Re: 820-00840 no backlight after sleep

                          As far as I can tell, U5450 is required to operate the logic board correctly. Perhaps someone can check as well.

                          Review the U5450 support parts and region again. This could be the show stopper.
                          Attached Files

                          Comment

                          • piernov
                            Super Moderator
                            • Jan 2016
                            • 4437
                            • France

                            #14
                            Re: 820-00840 no backlight after sleep

                            U5450 is no stuff on production, BOM option SNS_I_BLC for development only.
                            OpenBoardView — https://github.com/OpenBoardView/OpenBoardView

                            Comment

                            Related Topics

                            Collapse

                            • triplefour
                              UN65TU700DF picture and sound but no backlight. BL tests ok but repl. PSU didnt fix!
                              by triplefour
                              this tv is throwing me for a loop. do samsung tvs no longer have the backlight self test feature built into the power supply?
                              i tested the backlight with my LED tester and it lights up both strips. one of them reads 100v and the other reads 63.7v.
                              unplugged mainboard from power supply but left backlight plugged in, and then plugged psu wall power in. expected to see backlights light up but see nothing.
                              according to how ive diagnosed in the past, this would almost always be a bad power supply. replacement power supply was cheap like 20$ from ebay. but still i get not even...
                              09-13-2023, 10:43 PM
                            • kingskie
                              820-01987 no backlight when wake up from sleep
                              by kingskie
                              Hello,

                              I have a problem with 820-01987 that has no backlight when wake up from sleep. before there was water damage around U6903 and backlight caps. no corrosion found so i just clean it up. is there any component that in charge for enable backlight after wake up from sleep mode?

                              any suggestion would be appreciated.
                              08-05-2022, 02:51 AM
                            • DanPoka
                              Guide me through repairing a Dell p2210f LCD ccfl backlight monitor
                              by DanPoka
                              I bought this p2210f dell monitor to fix. Schematic is the same as p2210.
                              Behaviour is that monitors comes on but then backlight switches off almost instantly. If I look with flashlight I can still find the "No signal message". So definitely a backlight issue. Trying to advance the issue I proved that the protection circuit is switching off the backlight by shorting out C3 and resistor to disable the INL chip then re enable by removing the short.
                              This is where it gets interesting. When I disassembled the monitor to solder leads on c3 capacitor I noticed the backlight flickered...
                              02-15-2025, 05:05 AM
                            • Comp_Pro
                              No Backlight Macbook A1990 820-01041
                              by Comp_Pro
                              Hello all,

                              Am trying to figure out this backlight issue with this A1990 Macbook Pro.

                              Tests performed:

                              There is no backlight even with a good screen.
                              Backlight IC is receiving the correct support voltages.
                              Fuse F8400 ok
                              Current sense resistor R8400 ok
                              Backlight IC is receiving 3.3V on enable pin.
                              Backlight IC receiving voltage from PPBUS_G3H, aprox 12.5V.
                              Backlight IC receiving 5V from PP5V_G3S
                              Backlight IC BKLT_SCL and BKLT_SDA both measure 0.545V diode mode to ground
                              I2C_BKLT_SCL and I2C_BKLT_SDA both measure...
                              05-06-2024, 10:23 PM
                            • cheebster
                              iPad Pro 12.9 5th Gen Backlight Issue
                              by cheebster
                              Hello, got an iPad Pro A2378 12.9 5th gen with no backlight. Got another test unit without screen, tested the screen, still no backlight with the test unit.
                              Figured out the backlight on the screen was bad, ordred a new backlight from mobilesentrix, *carefully replaced it* without damaging the lcd, oh well.
                              Final result, issue is still there, the screen has no back lights. So i'm back to square one, with 3 hours less and 100$ out, issue still on the screen.
                              The panel is still ok, i can see the apple in the middle of the screen when it kicks in, just no backlight.
                              Anyone...
                              05-20-2025, 09:17 AM
                            • Loading...
                            • No more items.
                            Working...