Laptop MSI model MS-16P5 restarts with power supply

Collapse
X
 
  • Time
  • Show
Clear All
new posts
  • Jane
    Senior Member
    • Aug 2010
    • 189

    #1

    Laptop MSI model MS-16P5 restarts with power supply

    Laptop MSI model MS-16P5, with installed Windows 10, restarts whenever I connect power supply - within a second or two the laptop restarts.
    (Without a charger the laptop works OK.) Another charger behaves in the same way.


    However when windows starts in SAFE MODE, laptop does NOT restart even with connected charger.

    Stop error log is not generated by Windows.

    So I have:
    BugcheckCode 0
    BugcheckParameter1 0x0
    BugcheckParameter2 0x0
    BugcheckParameter3 0x0
    BugcheckParameter4 0x0
    SleepInProgress 0
    PowerButtonTimestamp 0
    BootAppStatus 0
    Checkpoint 0


    Do you think it can be Memory problem?
    Anyone solved such a problem? What to do?




    Thank you
    Lad.
  • mon2
    Badcaps Legend
    • Dec 2019
    • 14764
    • Canada

    #2
    Re: Laptop MSI model MS-16P5 restarts with power supply

    Suggest to review the charger IC.

    Attach the power adapter. Meter in DC volts (30V or higher is ok) scale.

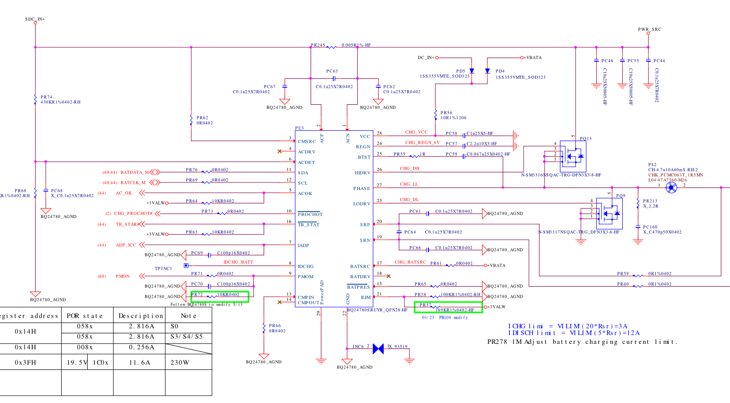
    Carefully, measure the voltage to ground of each pin on the charger IC @ PU3.

    Post your readings and their pin numbers.
    Attached Files

    if you find these attachements useful please consider making a small donation to the site

    Comment

    • Jane
      Senior Member
      • Aug 2010
      • 189

      #3
      Re: Laptop MSI model MS-16P5 restarts with power supply

      Thank you for your reply.
      Do you think it can be charger IC problem?
      The laptop is being charged without a problem when the laptop is in SAFE mode.
      Also is being charged without a problem when the laptop is OFF.
      Why do you think it can be charger IC problem?
      Thank you for help

      Comment

      • piernov
        Super Moderator
        • Jan 2016
        • 4439
        • France

        #4
        Re: Laptop MSI model MS-16P5 restarts with power supply

        Always exclude software issue first. Could be crashing while switching power modes (for GPU or something else).
        OpenBoardView — https://github.com/OpenBoardView/OpenBoardView

        Comment

        • mon2
          Badcaps Legend
          • Dec 2019
          • 14764
          • Canada

          #5
          Re: Laptop MSI model MS-16P5 restarts with power supply

          It is only a thought but after the normal mode of Windows is loaded, the smbus / I2C bus driver will be operational. It is possible that a defective smbus interconnect is raising the fault.

          Often the charger IC is a root cause so best to review it to at least eliminate this part as a suspect. Symptoms like yours usually lead to a defective mosfet but the mosfet is driven by the charger IC so best to review the charger IC.

          Comment

          • Jane
            Senior Member
            • Aug 2010
            • 189

            #6
            Re: Laptop MSI model MS-16P5 restarts with power supply

            @piernov: Yes, but how to exclude software issue regarding Windows 10? I know it works in Safe mode, but how to find out the culprit when running in normal mode?
            Thank you for help

            Comment

            • mon2
              Badcaps Legend
              • Dec 2019
              • 14764
              • Canada

              #7
              Re: Laptop MSI model MS-16P5 restarts with power supply

              To confirm, Windows boots in normal mode when using only the battery as the power source ?

              Comment

              • Jane
                Senior Member
                • Aug 2010
                • 189

                #8
                Re: Laptop MSI model MS-16P5 restarts with power supply

                Yes, the windows boots in normal mode and Laptop works properly if only battery is used

                Comment

                • mon2
                  Badcaps Legend
                  • Dec 2019
                  • 14764
                  • Canada

                  #9
                  Re: Laptop MSI model MS-16P5 restarts with power supply

                  Remove all power. Meter in diode mode.

                  Check if PD4 and PD5 are ok.

                  Comment

                  • Jane
                    Senior Member
                    • Aug 2010
                    • 189

                    #10
                    Re: Laptop MSI model MS-16P5 restarts with power supply

                    Why do you think that PD4 or PD5 could be faulty?
                    Tha laptop charges when it is OFF or in SAFE mode.
                    If PD4 or PD5 were faulty could the laptop be ever charged ?
                    Do you think it is hardware problem and not software problem?
                    Thanks again for help

                    Comment

                    • piernov
                      Super Moderator
                      • Jan 2016
                      • 4439
                      • France

                      #11
                      Re: Laptop MSI model MS-16P5 restarts with power supply

                      Originally posted by Jane
                      @piernov: Yes, but how to exclude software issue regarding Windows 10?
                      Disable everything running at boot, update drivers, remove drivers, try fresh install, try Linux, etc…
                      OpenBoardView — https://github.com/OpenBoardView/OpenBoardView

                      Comment

                      • ktmmotocross
                        Boardkiller
                        • Feb 2014
                        • 3634
                        • slovakia

                        #12
                        Re: Laptop MSI model MS-16P5 restarts with power supply

                        i will check all mosfets on powerline from dcin to battery. seems like issue when switch from battery power to charger power

                        Comment

                        • Vesko356
                          VIP Moderator
                          • Aug 2018
                          • 4386
                          • Bulgaria 🇧🇬

                          #13
                          Re: Laptop MSI model MS-16P5 restarts with power supply

                          Originally posted by ktmmotocross
                          i will check all mosfets on powerline from dcin to battery. seems like issue when switch from battery power to charger power
                          It's possible, yes. I agree - first two mosfets and the battfet must be checked too.
                          @Jane - does the laptop work normally when it is only with the charger plugged in (no battery connected)?

                          .
                          ----------------------------------------------------------------------------------------------------------------------------------------------------------
                          All donations to Badcaps are welcome.
                          Become a Badcaps supporter
                          >>>>> click on this link to donate <<<<<
                          Thanks to all supporters.​
                          ----------------------------------------------------------------------------------------------------------------------------------------------------------
                          Doctrina est fructus dulcis, radicis amarae.
                          .

                          Comment

                          • Jane
                            Senior Member
                            • Aug 2010
                            • 189

                            #14
                            Re: Laptop MSI model MS-16P5 restarts with power supply

                            Originally posted by ktmmotocross
                            i will check all mosfets on powerline from dcin to battery. seems like issue when switch from battery power to charger power
                            @ktmmotocross: But how can you explain that the laptop charges when it is OFF or in SAFE mode?

                            @Vesko356:Without battery it restarts too

                            Comment

                            • mon2
                              Badcaps Legend
                              • Dec 2019
                              • 14764
                              • Canada

                              #15
                              Re: Laptop MSI model MS-16P5 restarts with power supply

                              A rechargeable battery can be charged with a dc power supply.

                              A leaky mosfet can supply the voltage to recharge the battery pack.

                              https://www.youtube.com/watch?v=4VDtMUxIvow

                              Comment

                              • Vesko356
                                VIP Moderator
                                • Aug 2018
                                • 4386
                                • Bulgaria 🇧🇬

                                #16
                                Re: Laptop MSI model MS-16P5 restarts with power supply

                                Originally posted by Jane
                                @ktmmotocross: But how can you explain that the laptop charges when it is OFF or in SAFE mode?

                                @Vesko356:Without battery it restarts too
                                That being the case, it's worth checking the DC IN charging jack - poor contact, cracked soldering etc, also the power adapter itself. This laptop consumes a lot of amps, so poor contact at the DC IN jack or/and faulty power brick can be the cause of such a behavior.

                                .
                                ----------------------------------------------------------------------------------------------------------------------------------------------------------
                                All donations to Badcaps are welcome.
                                Become a Badcaps supporter
                                >>>>> click on this link to donate <<<<<
                                Thanks to all supporters.​
                                ----------------------------------------------------------------------------------------------------------------------------------------------------------
                                Doctrina est fructus dulcis, radicis amarae.
                                .

                                Comment

                                • ktmmotocross
                                  Boardkiller
                                  • Feb 2014
                                  • 3634
                                  • slovakia

                                  #17
                                  Re: Laptop MSI model MS-16P5 restarts with power supply

                                  Originally posted by mon2
                                  A rechargeable battery can be charged with a dc power supply.

                                  A leaky mosfet can supply the voltage to recharge the battery pack.

                                  https://www.youtube.com/watch?v=4VDtMUxIvow
                                  what this guy show is from mine experience MINOR laptop batteries, mostly older and he dont show variable overcurrent protection. if u have depleted battery and u try charging with 2A, protection cut off terminals. so u must use 0.5A to be not cutting off until battery have maybe 10% to start accept higher charging current. And many of newer batteries dont even connect terminals until charging ic told to battery ic that can charge
                                  Last edited by ktmmotocross; 05-03-2023, 10:14 AM.

                                  Comment

                                  Related Topics

                                  Collapse

                                  • flat-earther
                                    ASUS X54H laptop thinks it's always charging even with charger unplugged
                                    by flat-earther
                                    The charging indicator light on my ASUS X54H laptop is always on even when the charger is disconnected.

                                    Windows also shows ''Plugged in'' when charger is not connected.

                                    This problem started year ago gradually, when unplugging the charger the charging light took several seconds to disappear, then minutes, and now almost always on even when unplugged for an entire day.
                                    Strangely, before sometimes immediately when plugging in the charger the charging light went away, and later came back with it connected.
                                    If I let battery run out and say it has 3% Windows will...
                                    06-24-2025, 09:32 AM
                                  • Tynan Dill
                                    Vizio e601i-A3 - Has Sound and Display, But No Backlight - Bad Power Supply Board or Bad LED Bulbs ?
                                    by Tynan Dill
                                    I was given this TV from my great uncle. He said it just wouldn't turn on one day out of nowhere, replaced the TV, and gave it to me to possibly fix and use for myself.

                                    Upon bringing it home and plugging it up, it showed a standby light.

                                    I powered it on and without a flashlight, the display showed the "V" but the lighting is very dim, but visible.

                                    The screen seems to blackout and stay black, but with a flashlight I can see the display.

                                    With my Playstation 4 connected via HDMI, and running a game I can hear sound.

                                    Assuming...
                                    11-22-2024, 01:46 PM
                                  • serious_electron
                                    Strange! Acer laptop not powering on but charging the battery (orange light on when charger and battery plugged in).
                                    by serious_electron
                                    Hello Everyone!

                                    I have an Acer Aspire A315-42 laptop. I generally leave it on for long time by closing down its lid (so it enters the sleep mode). Recently, it rained quite heavily in out area. And the humidity and moisture seem to be high. So one late evening, after I opened the lid and turned on the laptop, it did power on as the blue light turned on but after it booted to the desktop screen, just 5-10 seconds after both the screen and blue light went out and laptop shut down (the blue power light turned orange). And after 2-4 seconds that orange light went off and the laptop died.
                                    ...
                                    06-28-2025, 02:57 PM
                                  • shamsudeen
                                    Hi, Can we use SMPS Bench Power Supply for Laptop troubleshooting?
                                    by shamsudeen
                                    Hi all, I just need to know that, can i use SMPS type power supply to test and short circuit detection on a laptop motherboard?
                                    I saw 95% of repair guys are using only Linear bench power supply. linear bench power supply is pricy, thats why i planned to get one SMPS supply.

                                    i know that in linear power supply the noise will be very low comparing to SMPS supply....
                                    07-19-2025, 07:14 AM
                                  • Document Archive
                                    ISL6257HRZ ISL6257HRZ-T Laptop Battery Charger Datasheet
                                    by Document Archive
                                    ISL6257HRZ ISL6257HRZ-T Laptop Battery Charger Datasheet

                                    Highly Integrated Narrow VDC Battery Charger for Notebook Computers

                                    The ISL6257HRZ ISL6257HRZ-T is a highly integrated battery charger controller
                                    for Li-Ion/Li-Ion polymer batteries. ISL6257 is designed for
                                    Narrow VDC applications where the system power source is
                                    either the battery pack or the regulated output of the charger.
                                    This makes the max voltage to the system equal to the max
                                    battery voltage instead of the max adapter voltage. Operating
                                    at lower system voltage can improve...
                                    11-05-2024, 04:43 PM
                                  • Loading...
                                  • No more items.
                                  Working...