Fixing a laboratory waterbath

Collapse
X
 
  • Time
  • Show
Clear All
new posts
  • vrasp
    Senior Member
    • Nov 2019
    • 194
    • Canada

    #241
    Re: Fixing a laboratory waterbath

    Originally posted by sam_sam_sam
    Okay your voltages are are not what the data sheet says it should be so you have some real issues with this
    Could it be that these voltages are for when the TRIAC is in circuit?

    I bought a new TRIAC, 15A fuses to place before MT1 and 0.1A fuses to place before the Gate. I hope to be able to troubleshoot the issue without having to replace the TRIAC again. Also maybe seeing which fuse blows will help me determine whether the issue is at the Gate of the TRIAC or at MT1 and MT2.

    Originally posted by R_J
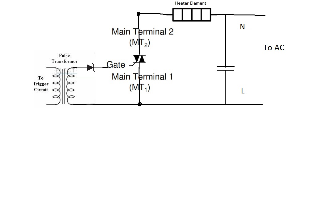
    The triac is pulse controlled. There are control pulses on the primary side (from the control board) the triac has the gate and one MT connected to the secondary of the transformer. With no pulses from the transformer, the gate is effectively turned off, when there are pulses present the triac turns on.
    The pulses are likely to control the temperature of the element and provide zero cross switching to prevent noise on the ac line.
    The triac connection which is connected to the transformer should likely be connected to neutral, and the element should connect between line (120vac) and the other triac connection.
    Nice explanation. Thank you!

    The line with MT1 has a capacitor connected to neutral. I don't know if that counts as being connected to neutral. The heating element is connected to MT2 and MT1 is connected to 120v. MT2 and MT1 are connected within the TRIAC (when activated) but not on the PCB. I hope that makes sense.

    Unless the short messed up with the control PCB via the transformer (if that's possible), everything on this circuit should work. It's only made up of the TRIAC, 2 zener(I m still not sure those are zeners but they look like it), the heating element, and a capacitor which is new. The heating element has a resistance to neutral that is within range of what I read it should be (around 10-15 Ohms I think).
    Last edited by vrasp; 07-23-2021, 06:49 PM.

    Comment

    • R_J
      Badcaps Legend
      • Jun 2012
      • 9605
      • Canada

      #242
      Re: Fixing a laboratory waterbath

      Based on what you said, this seems to be the configuration. You say 2 zener? are there 2 zeners? or only the one?
      It is possible it is not a zener but a diac
      Attached Files
      Last edited by R_J; 07-23-2021, 07:06 PM.

      Comment

      • vrasp
        Senior Member
        • Nov 2019
        • 194
        • Canada

        #243
        Re: Fixing a laboratory waterbath

        Originally posted by R_J
        Based on what you said, this seems to be the configuration. You say 2 zener? are there 2 zeners? or only the one?
        It is possible it is not a zener but a diac
        Yes I think that's exactly it!

        This is what there is between the transformer pin and Gate. It looks like it's touching that terminal in the photo but its not. It connects to the gate on the other side. There is another one between the two primary pins too ( so where you wrote "to trigger circuit").
        Attached Files
        Last edited by vrasp; 07-23-2021, 07:07 PM.

        Comment

        • vrasp
          Senior Member
          • Nov 2019
          • 194
          • Canada

          #244
          Re: Fixing a laboratory waterbath

          That other one might actually be a zener. There is 0.5v across.

          Comment

          • R_J
            Badcaps Legend
            • Jun 2012
            • 9605
            • Canada

            #245
            Re: Fixing a laboratory waterbath

            That is just a 1N4148 small signal diode, neither a zener or a diac

            Comment

            • sam_sam_sam
              Badcaps Legend
              • Jul 2011
              • 6069
              • USA

              #246
              Re: Fixing a laboratory waterbath

              What would the signal transformer purpose be in this circuit
              Is this a way to isolate the triac from the rest of the circuit
              Or am I under the wrong assumption of what it’s purpose is for

              R_J
              Quote

              “The triac is pulse controlled. There are control pulses on the primary side (from the control board) the triac has the gate and one MT connected to the secondary of the transformer. With no pulses from the transformer, the gate is effectively turned off, when there are pulses present the triac turns on.
              The pulses are likely to control the temperature of the element and provide zero cross switching to prevent noise on the ac line.”

              I did not see this until just now

              How common is it to use a signal transformer with a triac setup

              Can you push more current with it pluse-ing the signal is stead of just using a turn on signal to the triac
              Last edited by sam_sam_sam; 07-24-2021, 08:57 AM.

              Comment

              • eccerr0r
                Solder Sloth
                • Nov 2012
                • 8703
                • USA

                #247
                Re: Fixing a laboratory waterbath

                Definitely not DIAC, DIACs do not have bands on them.
                Yes that transformer is there solely for isolation. The whole design probably could be made one heck of a lot simpler with a MOC3041 but probably designed with NIHism...

                Comment

                • sam_sam_sam
                  Badcaps Legend
                  • Jul 2011
                  • 6069
                  • USA

                  #248
                  Re: Fixing a laboratory waterbath

                  Eccerror

                  Was this the word you trying to spell

                  “nihilism”

                  Just curious

                  Comment

                  • eccerr0r
                    Solder Sloth
                    • Nov 2012
                    • 8703
                    • USA

                    #249
                    Re: Fixing a laboratory waterbath

                    Nope
                    N-I-H-ism if I have to spell it out.

                    Comment

                    • vrasp
                      Senior Member
                      • Nov 2019
                      • 194
                      • Canada

                      #250
                      Re: Fixing a laboratory waterbath

                      Should the potential between GATE and MT1 be the same? There is no information of that in the datasheet. Right now it's 1.1v. Maybe due to the 1N4148.

                      This is my plan:
                      1. Solder the new 800v 15A TRIAC.
                      2. Solder a 15A fuse on MT1 and a 0.1A fuse on GATE.
                      3. Plug the waterbath in series with one or a few 100w bulbs.
                      4. Measure the voltages between GATE and MT2 and MT1. It might allow to understand where the issue is coming from.

                      Something I noticed when I had 300w of bulbs to limit the current (before I blew it) - the TRIAC and heatsink never even got warm. At the time I thought it was due to the current being limited, but now I m thinking maybe the TRIAC was not working at all.

                      I dont know where the issue might be coming from. The circuit is basically just a current activating a TRIAC and closing a high current circuit to the heating element. Not sure what is causing the TRIAC to blow. I ve been ignoring the input side of the transformer. It is connected to the control board. Could a wrong voltage/current on the input cause a current high enough on the ouput to blow the TRIAC?

                      I d love to hear some suggestions on how to get to the bottom of this.

                      Thank you!

                      Comment

                      • petehall347
                        Badcaps Legend
                        • Jan 2015
                        • 4440
                        • United Kingdom

                        #251
                        Re: Fixing a laboratory waterbath

                        i suppose you could replace the heating element with a bulb .

                        Comment

                        • eccerr0r
                          Solder Sloth
                          • Nov 2012
                          • 8703
                          • USA

                          #252
                          Re: Fixing a laboratory waterbath

                          ^ this

                          and again how do you know it blew or not, it would need to get hot to blow. It was rated for 15A after all, which would be in the range of tripping upstream fuses, wires, etc.

                          The key thing is that when it's out of circuit, MT1 and MT2 should not conduct in either direction when gate is disconnected. Now some conductivity between G ant MT1 is expected as there's a diode region there.

                          Then the other thing is if you're connecting the gate to the wrong terminal. Hooking gate between what would be MT1 and MT2 would instantly fry it...

                          Comment

                          • sam_sam_sam
                            Badcaps Legend
                            • Jul 2011
                            • 6069
                            • USA

                            #253
                            Re: Fixing a laboratory waterbath

                            When I troubleshoot my battery spot welders that uses a triac ( that uses a high current transformer) and want to test the controller function I will use an incandescent light bulb so I do not trip the breaker because some of these controllers have issues with the programming

                            These battery spot welder machines controller are suppose to control the current going to the transformer but when the controller has issues it will one of two things one turn the transformer fully ON and fry the triac and trip the breaker to the hole house or does not power the transformer at all

                            I have a feeling that your controller is one that is suppose to control the current as well and if this is the case it might not be doing this and just turning it fully ON which might be a problem

                            My suggestion would be try programming the controller with an incandescent light bulbs so you can see if the controller is working correctly and you can heat up the sensor to pretend that it has reached the set point then let it cool down and do this several times this would allow you to see if the triac is functioning correctly or not

                            And when you test it with the heater element you really need to have an amp probe on the heater element to make sure that you are over current-ing the triac you should be unless you have an issue with the controller
                            Last edited by sam_sam_sam; 07-24-2021, 08:00 PM.

                            Comment

                            • eccerr0r
                              Solder Sloth
                              • Nov 2012
                              • 8703
                              • USA

                              #254
                              Re: Fixing a laboratory waterbath

                              And that's why I'd suspect that the TRIAC should be fine as is controlling a shorted heating element, even... and it should end up throwing a breaker before it "instantly fries the TRIAC". With the past history of this thread, I'd highly consider the possibility of the miswiring of the TRIAC when soldering it, causing it to blow. Again connecting the gate terminal and MT1 (the diode drop) across mains voltage will instantly fry the TRIAC. Other miswirings would just cause issues in it turning on or it being always turned on.

                              Seems as typical for all these three terminal devices that aren't high powered RF devices, when facing the TO-220/TO-247 the left pin is the high impedance input (gate for TRIAC, base for BJT, gate for MOSFET), center pin (and thus metal tab) is the "output" (MT2 for TRIAC, collector for BJT, drain for MOSFET) and the right pin the low impedance common input (MT1 for TRIAC, emitter for BJT, source for MOSFET).

                              Oddly enough SCRs seems to not follow this pattern - more like diodes ... and again RF transistors where the center pin is typically emitter/source...

                              Comment

                              • vrasp
                                Senior Member
                                • Nov 2019
                                • 194
                                • Canada

                                #255
                                Re: Fixing a laboratory waterbath

                                Originally posted by petehall347
                                i suppose you could replace the heating element with a bulb .
                                I ll do that too!

                                Originally posted by eccerr0r
                                ^ this

                                and again how do you know it blew or not, it would need to get hot to blow. It was rated for 15A after all, which would be in the range of tripping upstream fuses, wires, etc.

                                The key thing is that when it's out of circuit, MT1 and MT2 should not conduct in either direction when gate is disconnected. Now some conductivity between G ant MT1 is expected as there's a diode region there.

                                Then the other thing is if you're connecting the gate to the wrong terminal. Hooking gate between what would be MT1 and MT2 would instantly fry it...
                                It blew when I went from plugging with the bulbs to without them, thinking it was working fine. The bulbs were bright but I thought this to be normal as there is up to 15A pulled to the heating element. When I say I blew it I mean it actually went and is physically damaged. I m pretty sure they re soldered to the right terminals but I ll double check. One thing I can think of is that I dont know the exact size of the screw I used to mount it. It was definitely quite smaller than the TRIAC hole and fit the washer. There was also no continuity with the screw or heatsink. This time I m gonna get an M4 just to make sure.

                                There is no upstream fuse. Just the lab circuit breaker.

                                Originally posted by sam_sam_sam
                                When I troubleshoot my battery spot welders that uses a triac ( that uses a high current transformer) and want to test the controller function I will use an incandescent light bulb so I do not trip the breaker because some of these controllers have issues with the programming

                                These battery spot welder machines controller are suppose to control the current going to the transformer but when the controller has issues it will one of two things one turn the transformer fully ON and fry the triac and trip the breaker to the hole house or does not power the transformer at all

                                I have a feeling that your controller is one that is suppose to control the current as well and if this is the case it might not be doing this and just turning it fully ON which might be a problem

                                My suggestion would be try programming the controller with an incandescent light bulbs so you can see if the controller is working correctly and you can heat up the sensor to pretend that it has reached the set point then let it cool down and do this several times this would allow you to see if the triac is functioning correctly or not

                                And when you test it with the heater element you really need to have an amp probe on the heater element to make sure that you are over current-ing the triac you should be unless you have an issue with the controller
                                I dont know if there is a controller but there might be. Is it a chip? How do I find it?

                                I might have to get a better multimeter or an amp probe. Mine only goes up to 10A.

                                Thanks guys!

                                Comment

                                • eccerr0r
                                  Solder Sloth
                                  • Nov 2012
                                  • 8703
                                  • USA

                                  #256
                                  Re: Fixing a laboratory waterbath

                                  Did it blow when the heater wasn't supposed to be on, or was the heater supposed to be on at that point?

                                  This is specifically to trigger the heater right? How is the chiller supposed to be turned on?

                                  Comment

                                  • petehall347
                                    Badcaps Legend
                                    • Jan 2015
                                    • 4440
                                    • United Kingdom

                                    #257
                                    Re: Fixing a laboratory waterbath

                                    your triac should have one of these in the hole ...

                                    Comment

                                    • eccerr0r
                                      Solder Sloth
                                      • Nov 2012
                                      • 8703
                                      • USA

                                      #258
                                      Re: Fixing a laboratory waterbath

                                      I think he does, https://www.badcaps.net/forum/attach...4&d=1626717671 but M4 is too big (should be M3 or #4), and the plastic shoulder washers for #6 screws seems rare.

                                      Again something really wrong is here that's not being described. In the off state, according to the PCB, gate is shunted to MT1 through the diode/isolation transformer and therefore should be off. Unless MT2 reaches above the isolation voltage limit it won't heat up until it's forced to turn on. So therefore unless there's a wiring mistake somewhere, this makes no sense and not worth investigating further. Based on history, wiring mistakes are abound and has been extremely annoying to work through.

                                      Comment

                                      • vrasp
                                        Senior Member
                                        • Nov 2019
                                        • 194
                                        • Canada

                                        #259
                                        Re: Fixing a laboratory waterbath

                                        Originally posted by eccerr0r
                                        Did it blow when the heater wasn't supposed to be on, or was the heater supposed to be on at that point?

                                        This is specifically to trigger the heater right? How is the chiller supposed to be turned on?
                                        It blew when the heater was on. The heater turns on with the waterbath because the set temperature is above the water temperature. If I want to turn it off I have to set the temperature to below the water temp.

                                        The chiller is turned on with another switch. There is no PCB for that. The switch just closes the circuit to the compressor and it stays on as long as the switch is activated. So one could turn on the heating and cooling at the same time if they wanted to.


                                        Originally posted by petehall347
                                        your triac should have one of these in the hole ...
                                        Yes I have those. They're supplied with the TRIAC. It s the screw I m unsure of. Although I think it was small enough.

                                        Comment

                                        • sam_sam_sam
                                          Badcaps Legend
                                          • Jul 2011
                                          • 6069
                                          • USA

                                          #260
                                          Re: Fixing a laboratory waterbath

                                          “ I dont know if there is a controller but there might be. Is it a chip? How do I find it?”
                                          You just have to Google the part numbers to find what each part number

                                          Comment

                                          Related Topics

                                          Collapse

                                          • ohren
                                            Original Xbox 1.0 PSU: Foxlink FTPS-0002 Rev. B. — 12 V low, 5 V high — transformer?
                                            by ohren
                                            Hello!

                                            I'm looking at an original Xbox PSU: Foxlink ftps-0002 rev. B. The 12 V output is too low, and the 5 V output is too (?) high. Unfortunately I don't have an oscilloscope but only a DMM for diagnosis.

                                            Measured voltages with no load:

                                            After rectifier diodes
                                            12V: 6.17 V
                                            5V: 5.67 V

                                            Secondary transformer pins AC measurement (really don't know if this says anything)
                                            12V: 2-2.5 V
                                            5V: 1.04 V


                                            I also have another (working) Xbox psu from Delta. The same measures there, in order, being: 10.79,...
                                            03-18-2023, 10:33 AM
                                          • mikey5791
                                            Is it possible for transformer substitution?
                                            by mikey5791
                                            Hi all,
                                            Got this local made DC power supply (12/14V) given free as the transformer has melted. There is no marking or indication to identify what type or rating of transformer used.
                                            Fyi,. I had a busted autogate mainboard with transformer with marking 13-0-13 . Is this the 13v dc type transformer?
                                            My questions are
                                            1. How do i test to see if the transformer is in good working condition?
                                            2. Can this transformer (marking 13-0-13) be used to replace the melted transformer on the DC power supply?
                                            Hope you guys understand what i was asking. My intention is...
                                            11-03-2022, 02:11 AM
                                          • dennis_elx33
                                            3PHASE STEP-DOWN Transformer in Check
                                            by dennis_elx33
                                            Hello All,

                                            i would like to post an interesting topic regarding 3-phase stepdown transformer which we suspect to cause an overcurrent (138A) which resulted to power tripped off of the HV power supply (80KV output).


                                            Problem statement: Power tripped Off

                                            Initial Problem: Found 2 IGBT and 2 rectifier diodes shorted (burnt).

                                            Action Done:
                                            1) Replaced the faulty parts with good spare.
                                            2) Measured impedance of the 3phase input lines and found that L2 to L3 has 23.3ohm while other pairs are 51Kohm. This pins will...
                                            12-02-2024, 06:52 AM
                                          • Document Archive
                                            ASUS Transformer T101HA - X5DHD Hybrid (2-in-1) Book Specification for Upgrade or Repair
                                            by Document Archive
                                            This specification for the ASUS Transformer T101HA - X5DHD Hybrid (2-in-1) can be useful for upgrading or repairing a laptop that is not working. As a community we are working through our specifications to add valuable data like the T101HA - X5DHD boardview and T101HA - X5DHD schematic. Our users have donated over 1 million documents which are being added to the site. This page will be updated soon with additional information. Alternatively you can request additional help from our users directly on the relevant badcaps forum. Please note that we offer no warranties that any specification, datasheet,...
                                            09-06-2024, 04:40 PM
                                          • Document Archive
                                            ASUS Transformer T304UA-P71SP-CA Hybrid (2-in-1) Pro Specification for Upgrade or Repair
                                            by Document Archive
                                            This specification for the ASUS Transformer T304UA-P71SP-CA Hybrid (2-in-1) can be useful for upgrading or repairing a laptop that is not working. As a community we are working through our specifications to add valuable data like the T304UA-P71SP-CA boardview and T304UA-P71SP-CA schematic. Our users have donated over 1 million documents which are being added to the site. This page will be updated soon with additional information. Alternatively you can request additional help from our users directly on the relevant badcaps forum. Please note that we offer no warranties that any specification, datasheet,...
                                            09-06-2024, 12:00 PM
                                          • Loading...
                                          • No more items.
                                          Working...