Way of testing LG main board to find odd issue with it not turning on.

Collapse
X
 
  • Time
  • Show
Clear All
new posts
  • Xandros
    Senior Member
    • Dec 2014
    • 66
    • England

    #1

    Way of testing LG main board to find odd issue with it not turning on.

    I have this Apple display, it's an ADC display, connects to a Mac using a special ADC connector gets it's power from the computer via the same connector. I'm trying to troubleshoot it's mainboard which is made by LG model LA291Z.

    The odd problem is, that when the monitor is plugged into the Mac, the Mac won't turn on (nor will the monitor of course). I've ascertained this is because of the mainboard in the monitor as I swapped the mainboard with another and that one works fine, I just don't know what on the board is causing it to happen. If I unplug the monitor and then plug it back in it "trips" the Mac and causes it to switch on by itself but it ends up in open firmware (essentially the Mac version of a BIOS) which is not normal of course. After this it all seems to work fine.

    I can't really get my head around what could cause such an issue? There's two pins of 28v input and two pins 28v return that go to mainboard of the monitor. Here's a picture of where the power input is on the board. I'm guessing, that the reason it won't let the Mac turn on is because there's something wrong with returns?



    First off, a very technical question: What's that black thing with the white dot on it?
    Attached Files
    Last edited by Xandros; 07-12-2016, 05:22 AM.
  • budm
    Badcaps Legend
    • Feb 2010
    • 40746
    • USA

    #2
    Re: Way of testing LG main board to find odd issue with it not turning on.

    Are you getting 28V between A & B, C & D? IF you do, then nothing wrong with that returns.
    How about the pictures of the whole board?
    Since you have good working board then you can do the Voltage reading comparison.
    Attached Files
    Never stop learning
    Basic LCD TV and Monitor troubleshooting guides.
    http://www.badcaps.net/forum/showthr...956#post305956

    Voltage Regulator (LDO) testing:
    http://www.badcaps.net/forum/showthr...999#post300999

    Inverter testing using old CFL:
    http://www.badcaps.net/forum/showthr...er+testing+cfl

    Tear down pictures : Hit the ">" Show Albums and stories" on the left side
    http://s807.photobucket.com/user/budm/library/

    TV Factory reset codes listing:
    http://www.badcaps.net/forum/showthread.php?t=24809

    Comment

    • Xandros
      Senior Member
      • Dec 2014
      • 66
      • England

      #3
      Re: Way of testing LG main board to find odd issue with it not turning on.

      Thanks for the response. Sorry I forgot to upload the full shot of the board.

      Between those points I'm getting 25.1v on both sets, which I believe is OK since although the pinout for the ADC states it's 28V the service manual for the monitor states anywhere between 24 and 28 is OK when testing.

      Though while I was putting it back together to test those points I seem to have inadvertently found (or rather narrowed it down to) why the Mac won't switch on. The monitor has built in USB and as you can see I left the cable for USB (coming from the Mac end) unplugged by accident and low and behold the Mac booted up. So whatever is wrong with the board, it's something to do with the USB.
      Attached Files

      Comment

      • knoxrebel
        Senior Member
        • Oct 2009
        • 168

        #4
        Re: Way of testing LG main board to find odd issue with it not turning on.

        Through the proprietary connector ADC (which is essentially a dvi-D only with use of some extra communication pins.) The cinema displays can be used to power on and put to sleep the machines so if there is a problems with the monitors i wouldn't be surprised if it was causing other issues with the desktop.

        Comment

        • Xandros
          Senior Member
          • Dec 2014
          • 66
          • England

          #5
          Re: Way of testing LG main board to find odd issue with it not turning on.

          Whatever is wrong with it, it's the USB circuitry on this mainboard. I need to test the pins later of the plug that wasn't connected. It goes from left to right if I'm to understand USB wiring correctly, Ground (black) Data + (green) Data - (white) +5V (red) +5V (orange) Data - (blue) Data + (yellow) Ground (brown).

          I can only assume that in order to actually prevent the Mac turning on, it must be shorting out the 5v.

          Comment

          • Xandros
            Senior Member
            • Dec 2014
            • 66
            • England

            #6
            Re: Way of testing LG main board to find odd issue with it not turning on.

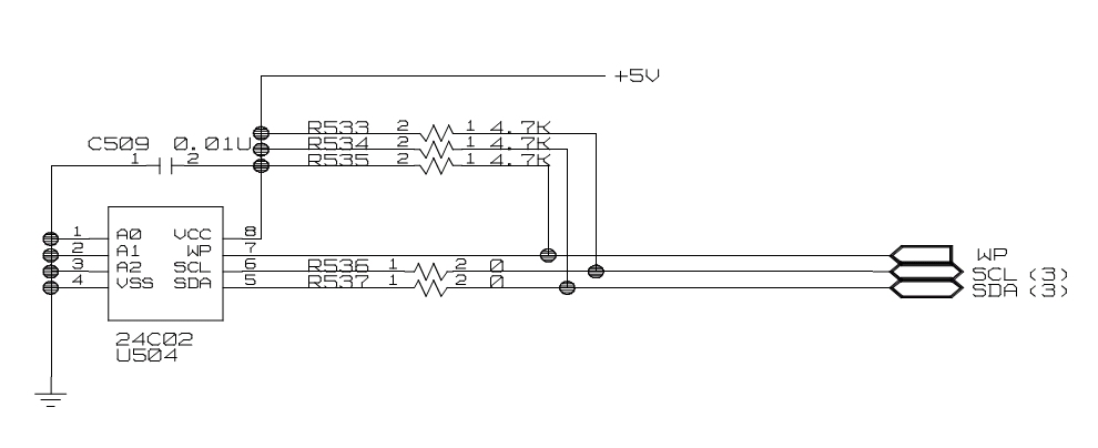
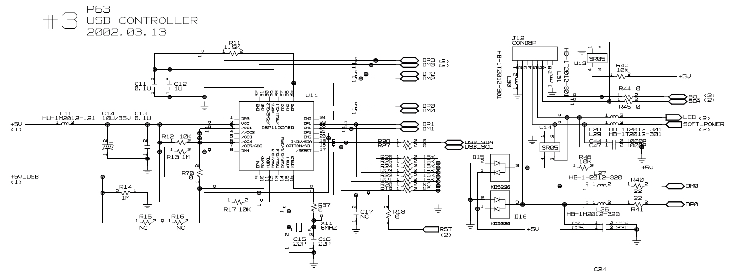
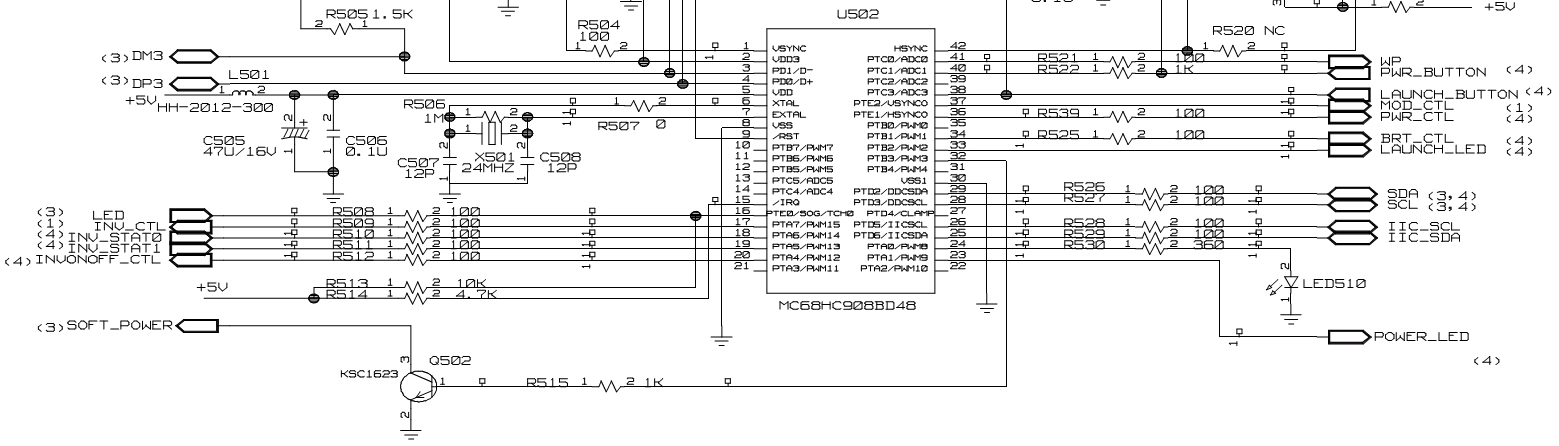
            OK so I was mostly wrong in my assumptions about that plug, turns out it does carry the USB wires, but only three of them (ground, d+, d-), the rest are other things to do with the monitor. I took the cable off and looked at a pin out for the ADC connector and then used a continuity test to find out which pin on the ADC plug corresponded to the wire in the plug that went in the mainboard, and here they are. I also tested the voltages of each wire while the computer was plugged in (but not turned on, as it won't turn on with this plug connected to the mainboard):

            black = pin 23 USB return = 0.000v
            green = pin 21 USB Data + = 0.813v
            white = pin 22 USB Data - = 0.003v
            red = pin 13 Soft Power = 1.142v
            orange = pin 3 LED = 0.000v
            blue = pin 9 DDC Data = 0.219v
            yellow = pin 19 DDC Clock = 0.219v
            brown = pin C5 Analogue video/DDC return = 0.000v

            Does anything there ring any alarm bells to anyone? Also if there's nothing out of the ordinary about that, does anyone have any suggestions as to why the computer might not turn on when this monitor is connected, now we know it's something to do with one of those pins?

            Thanks.

            Comment

            • fzabkar
              Badcaps Veteran
              • Mar 2009
              • 772
              • Australia

              #7
              Re: Way of testing LG main board to find odd issue with it not turning on.

              I would disconnect the USB, DDC, and LED signals in turn until you find which signals, if any, are hanging up the boot process. You may find that one or more signals are shorted to ground or to the supply rail.

              BTW, I found the schematics for the LA291Z PCB in the service manual for the M8536. See pages 25 and 26 of the PDF.

              "Soft_Power" is an open collector output from the mainboard, so I can't imagine that this could be the culprit (although it could stop the monitor from powering on).



              (The component with the white dot is an inductor.)
              Attached Files
              Last edited by fzabkar; 07-18-2016, 02:34 PM.

              Comment

              • fzabkar
                Badcaps Veteran
                • Mar 2009
                • 772
                • Australia

                #8
                Re: Way of testing LG main board to find odd issue with it not turning on.

                A more direct link to the service manual ...

                https://cdn.badcaps-static.com/pdfs/...3ed0d109d3.pdf

                Comment

                Related Topics

                Collapse

                • Soulzink
                  Samsug washing machine. Power supply DC41-00189a board issue
                  by Soulzink
                  Hi everyone,

                  I am trying to fix a samsung washinmachine power supply main board.
                  I already replaced it with another one to fix the machine but i want to try understand the issue with the old board.
                  Therefore i hope to be able to get some help to explain what to check in order to troubleshoot.
                  The power supply board reference is the following: DC41-00189a
                  I have followed one thread (https://www.badcaps.net/forum/troubl...ingmachine-rel...
                  04-19-2025, 06:26 AM
                • Tynan Dill
                  Vizio e601i-A3 - Has Sound and Display, But No Backlight - Bad Power Supply Board or Bad LED Bulbs ?
                  by Tynan Dill
                  I was given this TV from my great uncle. He said it just wouldn't turn on one day out of nowhere, replaced the TV, and gave it to me to possibly fix and use for myself.

                  Upon bringing it home and plugging it up, it showed a standby light.

                  I powered it on and without a flashlight, the display showed the "V" but the lighting is very dim, but visible.

                  The screen seems to blackout and stay black, but with a flashlight I can see the display.

                  With my Playstation 4 connected via HDMI, and running a game I can hear sound.

                  Assuming...
                  11-22-2024, 01:46 PM
                • notallbad
                  TCL 55RP620K power board issue
                  by notallbad
                  Originally the tv arrived with dimmed backlights (not failed leds) but everything else worked ok. Adjusting backlight in menu did nothing but voltage changed on dimming control pins,
                  0% p_dim at 1.65v and a_dim at 1v
                  50% p_dim at 3.3v and a_dim at 1.65v
                  100% p_dim at 3.3v and a_dim at 2.88v

                  Changed backlight leds anyway as always like to have complete peace of mind they wont fail shortly after selling the tv. No change as expected!

                  Leds are 2 rows of 15 6v leds.

                  On inspection of the power board found diode MBR3200 shorted so replaced with...
                  07-12-2025, 05:45 AM
                • momaka
                  HannStar Hanns-G HC194d LCD monitor repair
                  by momaka
                  Normally, I never post repairs this quick after I do them, because… I am usually very slow. But today, I’m making an exception here. Why? No idea. Perhaps only because the repair details are still “fresh” in my head… which is ironic, given this is a 16 year old monitor that hardly anyone will care about today. It is new to me, though. I picked it up last November from someone on my local Craigslist. It wasn’t very close to where I live, but was close to a family friend that I had to go visit anyways. So after watching the posting on Craigslist for a few weeks and seeing it getting...
                  03-15-2023, 10:17 PM
                • howardc64
                  TCL 55S425 few horizontal lines, potential failure on both side of panel/buffer board
                  by howardc64
                  All left and right refers to looking from rear of TV (or looking from front with TV upside down)
                  • TV came with vertical bars and no image. Found faulty TVS on left buffer board. Also replaced T-Con (may have damaged the original while hot air removing components, board has slight warp) and have full image but few horizontal lines on the screen. Some of the lines appears to be 2 pixel tall while others are 1 pixel tall.
                  • Disconnecting left and right buffer board potentially reveals problems on both sides with different signals (unless this T-Con require jumper like Samsung FB_TRDY1&3) Fault
                  ...
                  07-24-2025, 05:17 PM
                • Loading...
                • No more items.
                Working...