Pioneer VSX-523-K Amplifier - Identify resistors

Collapse
X
 
  • Time
  • Show
Clear All
new posts
  • jason123
    Badcaps Legend
    • Oct 2015
    • 1134
    • USA

    #1

    Pioneer VSX-523-K Amplifier - Identify resistors

    Hi folks,
    New audio equipment repair and I could use some help.
    Picked up VSX-523-K Surround sound amplifer.

    Upon power up for the first time (been sitting for a while) loud popping noise and smoke..

    Disconnected, opened up and found many popped caps on the amplifier board.
    Replaced all, replaced A992 BJT, and pre-amp transistor and power transistor. I found 0.47 Ohm resistors that are blown or have gone High impedance and I'd like to replace.

    On the service manual, it shows these as 0R47(2) (assuming this is a 0.47 Ohm, 2W?)

    Question is .. what type of resistors are these? Flame proof, coated, .. ?? I see the leads have insulation of some kind. Just making sure I replace with appropriate resistors.

    Thank you
    Attached Files
  • tibimakai
    Badcaps Legend
    • Jan 2012
    • 3680
    • USA

    #2
    Re: Pioneer VSX-523-K Amplifier - Identify resistors

    If the 0.47ohms are blown, then the final transistors are as well.

    Comment

    • petehall347
      Badcaps Legend
      • Jan 2015
      • 4442
      • United Kingdom

      #3
      Re: Pioneer VSX-523-K Amplifier - Identify resistors

      q6c and q7c will likely be toast .. i guess the resistors will likely be wirewound non inductive .
      also other components could be blown .

      Comment

      • jason123
        Badcaps Legend
        • Oct 2015
        • 1134
        • USA

        #4
        Re: Pioneer VSX-523-K Amplifier - Identify resistors

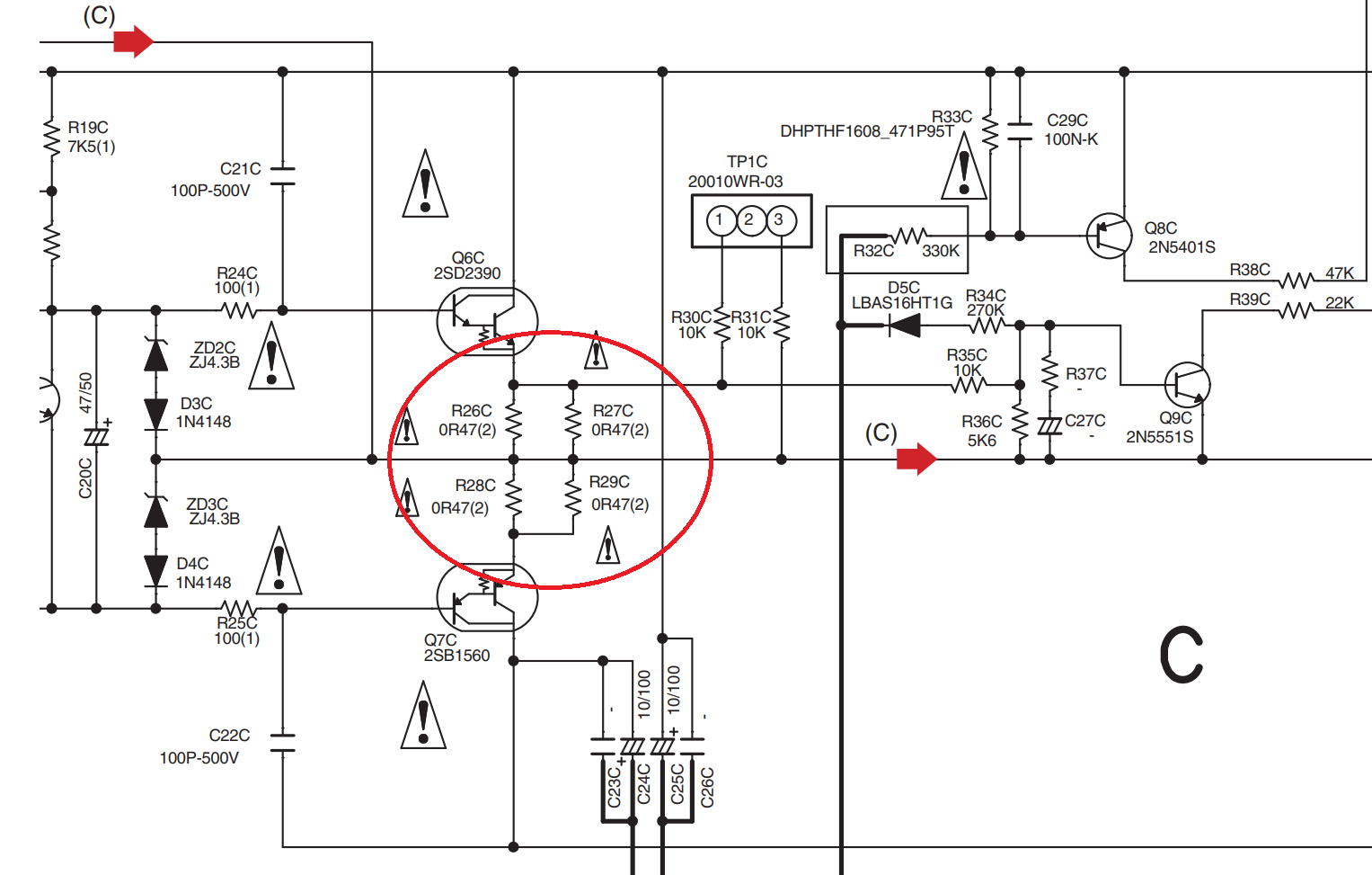
        So, Channel C seems to have the issuse (Had the blown transistors and output caps)

        In addition to all the Electrolytic caps being replaced, I replaced all the components in Red circuit.

        Then I found the items in Blue circles blown and these are on order.

        After replacing the components in Red, I'm getting "OVERHEATING" and OL 19 errors.
        Does ZD2C being shorted explain this? or could there be more components that are / could be bad? I tested as many components as I can on this channel

        Thank you
        Attached Files

        Comment

        • petehall347
          Badcaps Legend
          • Jan 2015
          • 4442
          • United Kingdom

          #5
          Re: Pioneer VSX-523-K Amplifier - Identify resistors

          maybe best to renew all diodes in that string .

          Comment

          • petehall347
            Badcaps Legend
            • Jan 2015
            • 4442
            • United Kingdom

            #6
            Re: Pioneer VSX-523-K Amplifier - Identify resistors

            those ksa992 that make up the diff amp need to be closely matched for vbe and hfe .

            Comment

            • jason123
              Badcaps Legend
              • Oct 2015
              • 1134
              • USA

              #7
              Re: Pioneer VSX-523-K Amplifier - Identify resistors

              Originally posted by petehall347
              maybe best to renew all diodes in that string .
              Planning on it. Can't find the original zener part (zj4.3b), replacing with NZX4V3B.. hope that would do it

              Comment

              • jason123
                Badcaps Legend
                • Oct 2015
                • 1134
                • USA

                #8
                Re: Pioneer VSX-523-K Amplifier - Identify resistors

                Originally posted by petehall347
                those ksa992 that make up the diff amp need to be closely matched for vbe and hfe .
                I tried, bought the a992, 10 taped and i used 2 of them. Hfe is within range of original, though not exact. That wouldn't cause the overheat issue, would it?
                Last edited by jason123; 09-19-2021, 02:16 PM.

                Comment

                • petehall347
                  Badcaps Legend
                  • Jan 2015
                  • 4442
                  • United Kingdom

                  #9
                  Re: Pioneer VSX-523-K Amplifier - Identify resistors

                  no it would alter dc offset .
                  shorted diode and bias transistor would .
                  Last edited by petehall347; 09-19-2021, 03:31 PM.

                  Comment

                  • tibimakai
                    Badcaps Legend
                    • Jan 2012
                    • 3680
                    • USA

                    #10
                    Re: Pioneer VSX-523-K Amplifier - Identify resistors

                    Maybe all it needs, is a reset.

                    Comment

                    • jason123
                      Badcaps Legend
                      • Oct 2015
                      • 1134
                      • USA

                      #11
                      Re: Pioneer VSX-523-K Amplifier - Identify resistors

                      I tried the reset...unfortunately same result. HDMI flashing shortly after power up. I clear it "pwr + Adv..." then the same. If i disconnect the center vertical connector cable to the amplifier it's fine no HDMI blinking. No overheat message now after replacing zeners and diodes

                      I have dumped a lot of money into this stupid thing. Any thoughts?

                      Comment

                      • budwich
                        Badcaps Legend
                        • Jul 2015
                        • 3097
                        • Canada

                        #12
                        Re: Pioneer VSX-523-K Amplifier - Identify resistors

                        can you provided a connector reference number / label so the forum can understand what you are referring to?

                        do some selective resistance measurements (at some strategic points... example: at the testpoints to AGND) on the worked on C channel and compare those same measurements against one or more of the "working" channels". Go from the results.
                        Last edited by budwich; 10-03-2021, 06:05 PM.

                        Comment

                        • jason123
                          Badcaps Legend
                          • Oct 2015
                          • 1134
                          • USA

                          #13
                          Re: Pioneer VSX-523-K Amplifier - Identify resistors

                          Sorry. I will get a better set of photos but the cable i am referring to is unplugged in the photos
                          Attached Files

                          Comment

                          • R_J
                            Badcaps Legend
                            • Jun 2012
                            • 9607
                            • Canada

                            #14
                            Re: Pioneer VSX-523-K Amplifier - Identify resistors

                            That plug is CP402, it connects the amp board to the relay contacts that connect to the speaker out terminals, It also connects DC_DET3 and DC_DET4. There is likely DC voltage on one of the outputs causing the amp to detect the fault.
                            Check the DC voltage on the pins of CP402, I suspect there is Dc voltage on pin3 (Center channel you repaired)
                            Did you check/adjust the idle current on the center channel?
                            Last edited by R_J; 10-03-2021, 06:18 PM.

                            Comment

                            • jason123
                              Badcaps Legend
                              • Oct 2015
                              • 1134
                              • USA

                              #15
                              Re: Pioneer VSX-523-K Amplifier - Identify resistors

                              No I haven't yet. Can it be done with this connector off?

                              Comment

                              • R_J
                                Badcaps Legend
                                • Jun 2012
                                • 9607
                                • Canada

                                #16
                                Re: Pioneer VSX-523-K Amplifier - Identify resistors

                                If you operate the amp with the plug off, you are bypassing the protection, so the channel with the problem could destroy itself again. You can check the bias on TP1C but I suspect the voltage will be way off.
                                If CP402 is connected, check the voltage on any of the pins when the amp is turned on and before it goes into protection, All the pin voltages should be less than +-1 volt, I suspect pin 3 will be higher

                                You marked the transistors you replaced but which Capacitors were "popped"?
                                Did you check all the resistors in that circuit like R24C, R25C, R19C, R20C etc.
                                Last edited by R_J; 10-03-2021, 06:39 PM.

                                Comment

                                • budwich
                                  Badcaps Legend
                                  • Jul 2015
                                  • 3097
                                  • Canada

                                  #17
                                  Re: Pioneer VSX-523-K Amplifier - Identify resistors

                                  IF I understand the OP correctly and indeed he has disconnected the output connection from the main that goes to the amp board (CP402 which only has the fr,fl,c,sl,sr channel signals in it) AND the fault indicator goes away, I think that means the fault... the thing that is providing the DC is coming from the main section possibly associated with the input / switch section.
                                  Last edited by budwich; 10-04-2021, 07:54 AM.

                                  Comment

                                  • jason123
                                    Badcaps Legend
                                    • Oct 2015
                                    • 1134
                                    • USA

                                    #18
                                    Re: Pioneer VSX-523-K Amplifier - Identify resistors

                                    Originally posted by R_J
                                    If you operate the amp with the plug off, you are bypassing the protection, so the channel with the problem could destroy itself again. You can check the bias on TP1C but I suspect the voltage will be way off.
                                    If CP402 is connected, check the voltage on any of the pins when the amp is turned on and before it goes into protection, All the pin voltages should be less than +-1 volt, I suspect pin 3 will be higher

                                    You marked the transistors you replaced but which Capacitors were "popped"?
                                    Did you check all the resistors in that circuit like R24C, R25C, R19C, R20C etc.
                                    Hi R_J
                                    Attached shows the 4 caps that were popped. I replaced all these caps in addition to all the caps on the lower part of the board, near the large transistors.

                                    It turns out the C channel seems off when I check the bias voltage (With center connector disconnected, as I didn't know how else to measure, since the amp goes into immediate HDMI blink with the cable connected.) The bias voltage on that channel is 0.xx mV. All other channels except for the SR channel (See below) read 1.7 mV.

                                    The channel that has DC bias is the SR channel, it's showing over 318 mV (Manual says below 2 mV.) I checked all the components on the SR channel and no apparent bad parts. Replaced the A992 transistor and the KTA1024 and KSA3206, since I bought enough for channel C. Upon replacing these, I power up the amp, and a spark / smoke from that SR transistors sections I replaced. Took apart, replaced again, but haven't powered up. awaiting any suggestions.

                                    Back to channel C, I see that R25C is open (should be 100 Ohm, and reading 1.3 Meg Ohm) One on order. On schematic it says 100 (1), does that mean 1 Watt? seems very small for 1 W resistor. all other resistors seem to check out.
                                    Attached Files
                                    Last edited by jason123; 10-04-2021, 08:05 AM.

                                    Comment

                                    • jason123
                                      Badcaps Legend
                                      • Oct 2015
                                      • 1134
                                      • USA

                                      #19
                                      Re: Pioneer VSX-523-K Amplifier - Identify resistors

                                      Originally posted by budwich
                                      IF I understand the OP correctly and indeed he has disconnected the output connection from the main that goes to the amp board (CP402 which only has the fr,fl,c,sl,sr channel signals in it) AND the fault indicator goes away, I think that means the fault... the thing that is providing the DC is coming from the main section possibly associated with the input / switch section.
                                      did you have a subwoofer hooked up to this unit before the problem?
                                      I'm not sure. I don't know the history of this unit, I bought it as is.

                                      Comment

                                      • budwich
                                        Badcaps Legend
                                        • Jul 2015
                                        • 3097
                                        • Canada

                                        #20
                                        Re: Pioneer VSX-523-K Amplifier - Identify resistors

                                        you might try doing some resistance measurements at the main board connector (representing the other end of the cable) checking against each channel.... and do the same at the cp402 connector. They should mostly compare with each other IF the subtending circuits are "equal" in design and OK.

                                        Comment

                                        Related Topics

                                        Collapse

                                        Working...