Oven broiler stuck on!!!!

Collapse
X
 
  • Time
  • Show
Clear All
new posts
  • junktv
    Badcaps Legend
    • Nov 2010
    • 3065
    • USA

    #1

    Oven broiler stuck on!!!!

    Was getting ready to cook dinner and turned the oven on and the display said clean except the door didn't lock and only the broiler element came on. Nothing would turn it off so I hit the breaker. After a few minutes turned it back on and the same so I waited a few hours to try again. This time all looked normal so I hit the bake button and looked normal so shut it off. Well again the broiler came on but the display showed the oven was turned off.

    Oven is a 2000ish whirlpool super capacity 465 mod: GR399LXGQ2

    Tested temp sensor and it was 1100 so should be good.
    Tested for a short in the broiler element and it was good.

    I do see some dry joints on the control board which I assume is why the lock didn't work. They are on wires that do all run over to the limit switch and drive deal for the door lock.

    The broil contact looks rough but was open.

    I'm not sure how any of this would kick the broiler on element on. Any tips?

    Caps are
    Nichicon PR(M) 1000uf 50v brown
    Nichicon KL(k) 10uf 16v orange
    Surge ??? 4.7uf 50v blue
    Surge ??? 33uf 16v blue

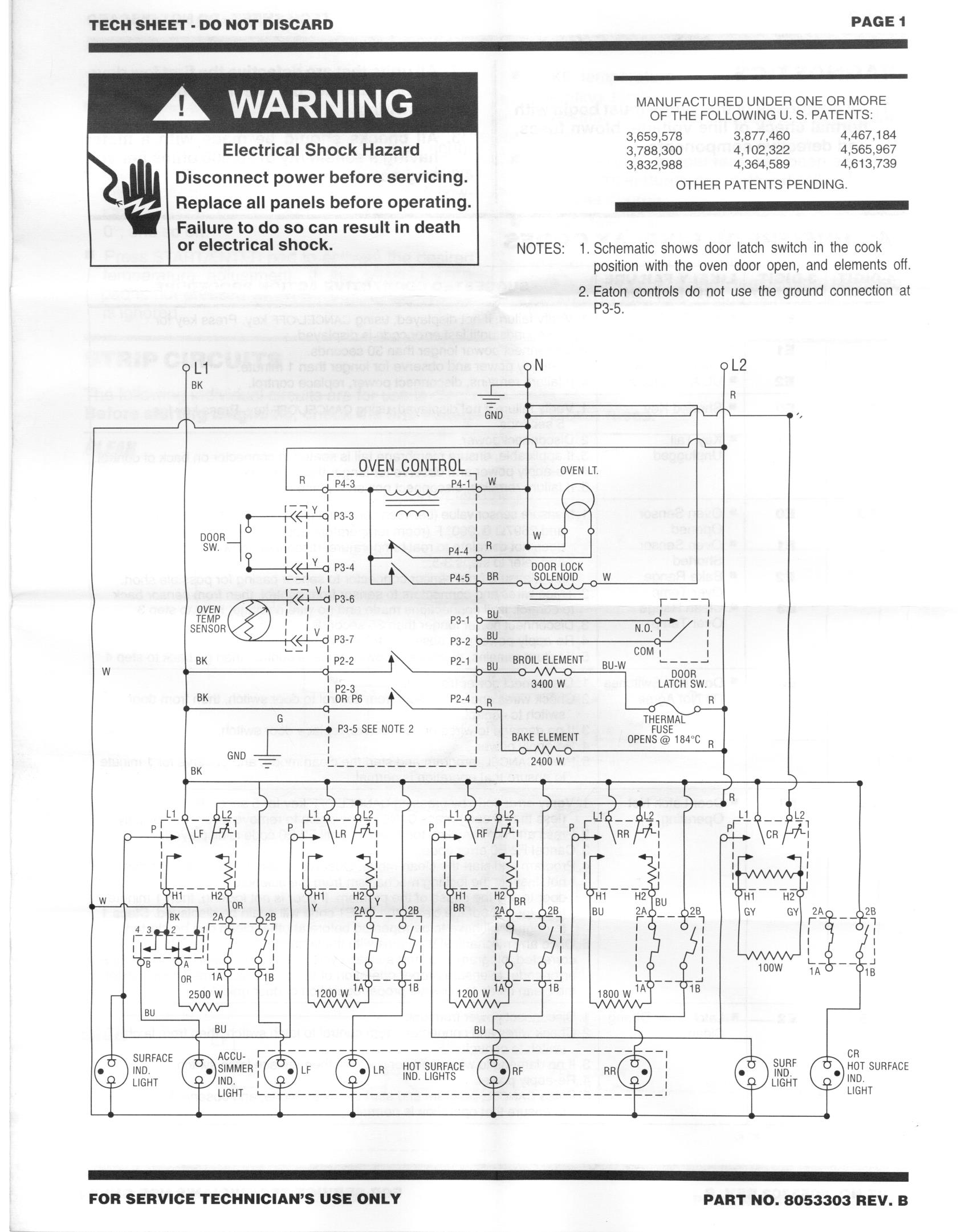
    Has schematics on the back.
    Attached Files
  • R_J
    Badcaps Legend
    • Jun 2012
    • 9594
    • Canada

    #2
    Re: Oven broiler stuck on!!!!

    I would start by resoldering those bad solder connections, was the broiler element actually on or was it just the display saying that?
    That P3 plug does connect to the oven temp sensor
    Last edited by R_J; 12-02-2017, 05:33 PM.

    Comment

    • junktv
      Badcaps Legend
      • Nov 2010
      • 3065
      • USA

      #3
      Re: Oven broiler stuck on!!!!

      Display showed it was off the second time and first time said clean. It was definitely on both times.

      Resoldered and found another dry joint but washed the board so waiting on it to dry to test.

      Comment

      • junktv
        Badcaps Legend
        • Nov 2010
        • 3065
        • USA

        #4
        Re: Oven broiler stuck on!!!!

        After soldering it came on and said cln again. Then gave a EO F2 which should mean shorted key or key tail unplugged.

        I did wash it but let it dry a couple days by the heater vent. Also reseated the ribbon.

        On the plus side the broiler didn't come on.
        Attached Files
        Last edited by junktv; 12-04-2017, 06:24 PM.

        Comment

        • petehall347
          Badcaps Legend
          • Jan 2015
          • 4440
          • United Kingdom

          #5
          Re: Oven broiler stuck on!!!!

          what is a broiler ? couldn't see it in manual .

          Comment

          • dmill89
            Badcaps Legend
            • Dec 2011
            • 2534
            • USA

            #6
            Re: Oven broiler stuck on!!!!

            Originally posted by petehall347
            what is a broiler ?
            A setting on an over that turns on the top element/burner (only) at a very high temperature (usually 500F/260C+).

            Comment

            • junktv
              Badcaps Legend
              • Nov 2010
              • 3065
              • USA

              #7
              Re: Oven broiler stuck on!!!!

              Well I may be back in business. Reseated the ribbon but instead of pushing it all the way in I pulled it back a smidgen and all looks good although I still get a EO F2 if I hold the off/cancel button.

              I also notice a tick and a constant buzz when I open the door now. No power should be being used since the bulb is burnt. On the plus side the broiler isn't on.

              Comment

              • momaka
                master hoarder
                • May 2008
                • 12175
                • Bulgaria

                #8
                Re: Oven broiler stuck on!!!!

                Originally posted by junktv
                Caps are
                Nichicon PR(M) 1000uf 50v brown
                While this may not be your problem, I suggest you replace all Nichicon PR caps, as they are known to leak electrolyte from the bottom of their bungs without bulging at all. Once the leakage gets bad enough, it will corrode and/or even destroy traces on the board. So definitely get all Nichicon PR caps replaced.

                As for Nichicon KL, I don't know if those have any known problems or not, but you might replace them as well if you do replace the Nichicon PR.
                My personal recommendation would be to go with Panasonic FC. I think those recently got certified for automotive use, so probably your best bet for a hot oven/stove controller board.

                Comment

                • junktv
                  Badcaps Legend
                  • Nov 2010
                  • 3065
                  • USA

                  #9
                  Re: Oven broiler stuck on!!!!

                  Dry joints were the issue I guess. It's working fine now.

                  Good to know though I'll add them to the list for next digikey order.

                  Comment

                  • stj
                    Great Sage 齊天大聖
                    • Dec 2009
                    • 31214
                    • Albion

                    #10
                    Re: Oven broiler stuck on!!!!

                    white connector P3 looks like the soldering may be cracking

                    Comment

                    • Longbow
                      Badcaps Veteran
                      • Jun 2011
                      • 623
                      • USA

                      #11
                      Re: Oven broiler stuck on!!!!

                      The broiler element draws high and constant current. It is likely that the broiler relay needs to be replaced. I imagine that the relay contacts welded themselves together and it will happen again soon. The relays are common and inexpensive. Replace both of them together.
                      Is it plugged in?

                      Comment

                      • clearchris
                        Badcaps Veteran
                        • Dec 2013
                        • 687
                        • United States

                        #12
                        Re: Oven broiler stuck on!!!!

                        Originally posted by Longbow
                        The broiler element draws high and constant current. It is likely that the broiler relay needs to be replaced. I imagine that the relay contacts welded themselves together and it will happen again soon. The relays are common and inexpensive. Replace both of them together.
                        I concur with longbow. I repair more kitchen equipment than I'd like to, and relay/contactor failure is fairly common in ovens. I'd replace all the caps too while I was at it just because I had the board out.

                        Comment

                        • junktv
                          Badcaps Legend
                          • Nov 2010
                          • 3065
                          • USA

                          #13
                          Re: Oven broiler stuck on!!!!

                          It's worked for a couple months so I'd say it was the dry joints. Not really sure how that caused it but it seems to have been the issue.

                          Btw I think the noise was because the back cover was off and it was away from the wall.
                          Last edited by junktv; 02-13-2018, 03:16 AM.

                          Comment

                          • junktv
                            Badcaps Legend
                            • Nov 2010
                            • 3065
                            • USA

                            #14
                            Re: Oven broiler stuck on!!!!

                            Well it's done it again. This time I pulled the back and looked at the contacts. The bottom K2 contact was stuck shut so you 2 were right. Is there anything I can do to that to keep it from sticking?

                            If I remember correctly I didn't see any part numbers on this.
                            Attached Files
                            Last edited by junktv; 07-30-2018, 01:32 PM.

                            Comment

                            • stj
                              Great Sage 齊天大聖
                              • Dec 2009
                              • 31214
                              • Albion

                              #15
                              Re: Oven broiler stuck on!!!!

                              put an arc supressor across the contacts.
                              they look like a film capacitor, but they have a series resistor in them to limit the current.

                              i used to use them in hifi gear to stop them making a big click through the amplifier.

                              Comment

                              • momaka
                                master hoarder
                                • May 2008
                                • 12175
                                • Bulgaria

                                #16
                                Re: Oven broiler stuck on!!!!

                                Or maybe upgrade the relay to a SSR (Solid State Relay) of appropriate current rating. Probably going to be an expensive "upgrade", though. If not, then maybe just bigger relay / contactor.

                                I still wonder if those PR caps are somehow making the relay switch intermittently and thus the reason behind the relay going bad so often.

                                Comment

                                • junktv
                                  Badcaps Legend
                                  • Nov 2010
                                  • 3065
                                  • USA

                                  #17
                                  Re: Oven broiler stuck on!!!!

                                  Not sure but it does arc pretty good when you turn the oven off and on. I don't have a file small enough to fit in there so made a couple passes with fine wet/dry sandpaper.
                                  Last edited by junktv; 07-30-2018, 03:22 PM.

                                  Comment

                                  • petehall347
                                    Badcaps Legend
                                    • Jan 2015
                                    • 4440
                                    • United Kingdom

                                    #18
                                    Re: Oven broiler stuck on!!!!

                                    will keep sticking as coating will be gone .. new contacts is the only way in my opinion . a capacitor across the contacts should reduce arcing but not too sure if the capacitors are a good idea if those relays are for AC as current will likely pass through them when contacts are open ..
                                    Last edited by petehall347; 07-30-2018, 03:28 PM.

                                    Comment

                                    • stj
                                      Great Sage 齊天大聖
                                      • Dec 2009
                                      • 31214
                                      • Albion

                                      #19
                                      Re: Oven broiler stuck on!!!!

                                      waste of time,
                                      you need a relay with bigger contact gaps to break the arc faster or you need to supress it.

                                      Comment

                                      • junktv
                                        Badcaps Legend
                                        • Nov 2010
                                        • 3065
                                        • USA

                                        #20
                                        Re: Oven broiler stuck on!!!!

                                        I was mistaken it is labeled. It's a T90N1D42-24 and newark and mouser has them.

                                        What size suppressor?
                                        Attached Files

                                        Comment

                                        Related Topics

                                        Collapse

                                        • Stunt
                                          Hp Laptop Stuck on Hp protected by hp sure start screen
                                          by Stunt
                                          Hi guys i've got an Hp laptop Zbook 17 g5 Stuck on Hp protected by hp sure start screen.
                                          I have tried almost every bios available on various platforms about this laptop but the problem is still the same.
                                          I even successfully build my own bios using the one from the Hp website but the problem the laptop still getting stuck there.
                                          Even if i try to press Esc key nothing happens. I tried f10 it doesn't go to bios still stuck there i just saw entering setup menu on the bottom left corner of the
                                          screen that's it and stuck there. I left it until the following day and i still...
                                          09-02-2025, 01:51 PM
                                        • sam_sam_sam
                                          Lift Master garage door opener with WiFi capability application through your phone
                                          by sam_sam_sam
                                          I had a lot of trouble with the WiFi connection from my router inside of the house into a ( new ) metal garage I had to run a 150 ft cat6 patch cord so the WIFI connection would be strong enough for the WiFi connection on the garage door opener would work correctly ( my son has a work out area in the garage as well and he was having to put his phone near the door to be able to stream music ) ( so I was going to eventually put WiFi out there anyway )

                                          This garage door opener WiFi is very touchy if you lose the power it does not remember the password for the router which is weird or...
                                          01-21-2023, 08:31 PM
                                        • wnlewis
                                          New wire for my RDE3340 Whirlpool electric range
                                          by wnlewis
                                          OK. I got the rocker switch figured out thanks to the good advice on this forum.

                                          Now I need to figure out the correct wire to go to the switch from the broiler element and from the oven element.

                                          This is a Whirlpool RDE3340 electric range.

                                          The common wire on the switch appears to have a high temperature insulating material. I am guessing that both the wire to the broiler and the wire to the oven elements also need relatively high temperature insulation. What do I need to look for? The broiler is rated at about 2400 watts.

                                          Where may I find parts...
                                          01-08-2025, 11:21 PM
                                        • flysky
                                          Gigabyte H610M S2H V2 help to identify the element.
                                          by flysky
                                          There is a motherboard Gigabyte H610M S2H V2 (DDR5), I can't find boardview
                                          Help to identify the element, marking on the element - C31PH. It stands next to the USB 3.0 and it looks like it is ESD Protect chip. We need a datasheet to this element. Maybe someone has already identified such an element. Help please.​






                                          ...
                                          01-23-2025, 07:21 PM
                                        • stormanimal83
                                          Gigabyte B450 Aorus Pro stuck at VGA LED, burning hot LED Controller MCU 1 under PCI slot...
                                          by stormanimal83
                                          Hey....

                                          Board as written in description was stuck at VGA LED. common Problem wit these type of bords.... tried all the "standard stuff" like resettin... reseatin.... found out the LED Controller MCU1 = IT8295FN-56A geting burning hot under the last PCI Slot.. now i desoldered it cause there were only 18 ohms at the caps arround.... another aorus x470 in working condition with similar part and nearly same layout had arround 280 ohms...

                                          my question is: why doesnt the board start know without this chip.... worked myself through the boardview but i can´t understand...
                                          01-18-2024, 02:15 PM
                                        • Loading...
                                        • No more items.
                                        Working...