Headphone Jack Repair assistance needed

Collapse
X
 
  • Time
  • Show
Clear All
new posts
  • jstiene
    Senior Member
    • Feb 2013
    • 148
    • USA

    #1

    Headphone Jack Repair assistance needed

    Hello. I recently received a TCL TV with a damaged/missing earphone jack. I would like to see if there is a way I can jump the connections on the main board to make it think the jack is installed. Currently, the TV is locked in earphone audio mode thus no sound. Otherwise I will have to install a new jack. I thought I would see if there is a way to jump the pins to make it bypass. Any help would be appreciated. Earphone Jack normally is located on bottom left corner of board in pictures...thanks for your assistance..

    Thanks
    Attached Files

    if you find these attachements useful please consider making a small donation to the site

  • R_J
    Badcaps Legend
    • Jun 2012
    • 9623
    • Canada

    #2
    Re: Headphone Jack Repair assistance needed

    Do you still have the original jack? some of the jacks do have an internal switch to tell the processor if a plug is pluged into it. Likely it takes one of the pins to ground when the plug is out.
    Post the model, there might be a schematic around
    Last edited by R_J; 10-23-2018, 08:19 PM.

    Comment

    • jstiene
      Senior Member
      • Feb 2013
      • 148
      • USA

      #3
      Re: Headphone Jack Repair assistance needed

      RJ

      I managed to find it inside the chassis. Here are pictures of it...

      thanks for your help...looks like ground wrap went to one post and also looks like other side may be broke off
      Attached Files

      if you find these attachements useful please consider making a small donation to the site

      Comment

      • stj
        Great Sage 齊天大聖
        • Dec 2009
        • 31285
        • Albion

        #4
        Re: Headphone Jack Repair assistance needed

        the pads at the rear end, link them left>right on the board.

        Comment

        • jstiene
          Senior Member
          • Feb 2013
          • 148
          • USA

          #5
          Re: Headphone Jack Repair assistance needed

          There are 2 pads on one rear side and 1 on the other rear side. I assume you mean to simply jumper the two furthest rear pads on the main board with a wire, not including the 3rd pad, correct? Just want to be sure..and appreciate your help!

          Thanks..

          Comment

          • petehall347
            Badcaps Legend
            • Jan 2015
            • 4448
            • United Kingdom

            #6
            Re: Headphone Jack Repair assistance needed

            check the socket with your meter . its the 2 pins that disconnect from each other with a jack plug inserted

            Comment

            • R_J
              Badcaps Legend
              • Jun 2012
              • 9623
              • Canada

              #7
              Re: Headphone Jack Repair assistance needed

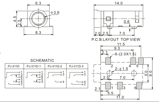
              It looks like a PJ-311D, this might help. I will ask again.... Whats the MODEL NUMBER?
              Or resolder the jack back in
              Attached Files

              if you find these attachements useful please consider making a small donation to the site

              Last edited by R_J; 10-24-2018, 10:17 AM.

              Comment

              • budwich
                Badcaps Legend
                • Jul 2015
                • 3097
                • Canada

                #8
                Re: Headphone Jack Repair assistance needed

                but I think you have more of a problem than the jack.
                Look at the supplied diagram and of course, check / confirm that your jack is similar (ie. use a meter). Notice in the diagram, the jack when just sitting there makes NO connection with any portion of the circuit.... ie. its not a "break / make" type connection, just a "make" connection. That means that if there is no jack currently in the tv, it is just like having "no headphones". so your problem is not likely a missing jack, it is more. Something in the circuit going from the wiring of the jack toward the board / tv is shorted.

                Its hard to tell from the board photo what connections are in the "little box".
                Last edited by budwich; 10-24-2018, 10:14 AM.

                Comment

                • jstiene
                  Senior Member
                  • Feb 2013
                  • 148
                  • USA

                  #9
                  Re: Headphone Jack Repair assistance needed

                  RJ...if you mean the model number of the TV, it is a TCL 55R617. 2018 new model..

                  I will check and compare the images you sent to me this evening and let you know if it is a match...

                  thank you for your assistance as well

                  Comment

                  • jstiene
                    Senior Member
                    • Feb 2013
                    • 148
                    • USA

                    #10
                    Re: Headphone Jack Repair assistance needed

                    Hello R_J and others,

                    So I verified that the jack is indeed the PC-311D. The problem I have is that the jack was somehow ripped from the main board, taking the solder pads with it. So I am not sure how to jumper the two rear pads or even replace the jack with a new one. Am I out of luck and need a new main board or is there a way to jumper those connections? I have soldering skills but these new boards seem to be a challenge for a problem like this..

                    Thanks

                    Comment

                    • budwich
                      Badcaps Legend
                      • Jul 2015
                      • 3097
                      • Canada

                      #11
                      Re: Headphone Jack Repair assistance needed

                      relooking at the schematic and confirming your plug is as posted, your plug IS a "break/make" type setup. Look at the first two schematics "blocks" in the post. You just need to solder a wire from pin 5 to 4 which are the two closest pads at the "top/ back" portion of the board and are still there.

                      Comment

                      • R_J
                        Badcaps Legend
                        • Jun 2012
                        • 9623
                        • Canada

                        #12
                        Re: Headphone Jack Repair assistance needed

                        You would need to connect thin wires to the closest component. Pin 3 seems to go to D1303, Pin 4 seems to go to D1304 BUT there is also a feedthru at pin 4 pad, that feedthru also needs to be traced to where it goes. Pin 5 goes on a longer trip but could also be traced but seems to go to a feedthru to the other side then likely comes back up to this side and goes out of picture

                        It is hard to do but can be done.
                        Attached Files

                        if you find these attachements useful please consider making a small donation to the site

                        Last edited by R_J; 10-25-2018, 09:19 AM.

                        Comment

                        • jstiene
                          Senior Member
                          • Feb 2013
                          • 148
                          • USA

                          #13
                          Re: Headphone Jack Repair assistance needed

                          Budwich / R_J,

                          Thanks to both of you for your help.

                          Just to confirm, Budwich you are suggesting that I contact pins 4 and 5 together and that should do it.

                          R_J, I believe you are in agreement with Budwich, although you call out pins 3,4,5 in your example. I assume you are suggesting that if I cant find solder pads for 4 and 5, to simply trace the circuit from damaged pad to nearest component, which would also apply if I were to install a new jack, requiring 6 traces to be mapped.

                          Am I correct? easy fix = connect 4 and 5 together? and for new jack install option, trace all 6 connections and solder wire from nearest component to jack ID?

                          Thanks

                          Comment

                          • budm
                            Badcaps Legend
                            • Feb 2010
                            • 40746
                            • USA

                            #14
                            Re: Headphone Jack Repair assistance needed

                            Jump 4 & 5 (switch) for the Tip connection (Left channel), when phone plug is inserted, pin 4 & 5 go open circuit.
                            Jump 3 & 6 (switch) for the Ring connection (Right channel), when phone plug is inserted, pin 3 & 6 go open circuit.
                            Pin 1 (Sleeve, GND) & 2 is closed circuit when phone plug is inserted, pin 2 is basically grounded when phone plug is inserted.
                            Last edited by budm; 10-25-2018, 10:28 AM.
                            Never stop learning
                            Basic LCD TV and Monitor troubleshooting guides.
                            http://www.badcaps.net/forum/showthr...956#post305956

                            Voltage Regulator (LDO) testing:
                            http://www.badcaps.net/forum/showthr...999#post300999

                            Inverter testing using old CFL:
                            http://www.badcaps.net/forum/showthr...er+testing+cfl

                            Tear down pictures : Hit the ">" Show Albums and stories" on the left side
                            http://s807.photobucket.com/user/budm/library/

                            TV Factory reset codes listing:
                            http://www.badcaps.net/forum/showthread.php?t=24809

                            Comment

                            • budwich
                              Badcaps Legend
                              • Jul 2015
                              • 3097
                              • Canada

                              #15
                              Re: Headphone Jack Repair assistance needed

                              unless there is some hidden track in your board, your picture shows that 6 is not connected to anything anyways, so connecting 3 and 6 isn't going to offer much.

                              Comment

                              • budm
                                Badcaps Legend
                                • Feb 2010
                                • 40746
                                • USA

                                #16
                                Re: Headphone Jack Repair assistance needed

                                But 3 and 6 are for the audio right channel. There should be VIAs on those pads..
                                The headphone jack has T/R/S connections.
                                Last edited by budm; 10-25-2018, 10:31 AM.
                                Never stop learning
                                Basic LCD TV and Monitor troubleshooting guides.
                                http://www.badcaps.net/forum/showthr...956#post305956

                                Voltage Regulator (LDO) testing:
                                http://www.badcaps.net/forum/showthr...999#post300999

                                Inverter testing using old CFL:
                                http://www.badcaps.net/forum/showthr...er+testing+cfl

                                Tear down pictures : Hit the ">" Show Albums and stories" on the left side
                                http://s807.photobucket.com/user/budm/library/

                                TV Factory reset codes listing:
                                http://www.badcaps.net/forum/showthread.php?t=24809

                                Comment

                                • R_J
                                  Badcaps Legend
                                  • Jun 2012
                                  • 9623
                                  • Canada

                                  #17
                                  Re: Headphone Jack Repair assistance needed

                                  Pin 6 of the jack may not be used, audio signal is on pins 3 & 4, HP detect pin is likely pin 5, connecting pins 4 to 5 should (maybe?) restore audio

                                  It is likley the audio to the main speakers is switched in an ic and not run through the jack itself. that way only one switch is required to detect if a plug is in the jack
                                  Last edited by R_J; 10-25-2018, 10:28 AM.

                                  Comment

                                  • budm
                                    Badcaps Legend
                                    • Feb 2010
                                    • 40746
                                    • USA

                                    #18
                                    Re: Headphone Jack Repair assistance needed

                                    If the left audio is routed through switched pin 4 & 5 for left channel, then I expect it to be true for the Right channel as well to be routed through the switched pin 3 & 6. He will find out when he jumps the pads.
                                    Never stop learning
                                    Basic LCD TV and Monitor troubleshooting guides.
                                    http://www.badcaps.net/forum/showthr...956#post305956

                                    Voltage Regulator (LDO) testing:
                                    http://www.badcaps.net/forum/showthr...999#post300999

                                    Inverter testing using old CFL:
                                    http://www.badcaps.net/forum/showthr...er+testing+cfl

                                    Tear down pictures : Hit the ">" Show Albums and stories" on the left side
                                    http://s807.photobucket.com/user/budm/library/

                                    TV Factory reset codes listing:
                                    http://www.badcaps.net/forum/showthread.php?t=24809

                                    Comment

                                    • budwich
                                      Badcaps Legend
                                      • Jul 2015
                                      • 3097
                                      • Canada

                                      #19
                                      Re: Headphone Jack Repair assistance needed

                                      I don't think you are looking at the schematic and board correctly. at the board, 5 goes somewhere into the board, probably for "no phone plug detect"... because 4 and 5 are shorted in the plug when no plug is inserted. The right / left are carried on 3 and 4 when the plug is inserted and the tracks from those go into the board, likely for audio. 6 is not used as the "detect circuit" only needs "one path". The phone jack is basically a "break / make relay" in this operation.
                                      Last edited by budwich; 10-25-2018, 10:59 AM.

                                      Comment

                                      • budm
                                        Badcaps Legend
                                        • Feb 2010
                                        • 40746
                                        • USA

                                        #20
                                        Re: Headphone Jack Repair assistance needed

                                        That may be correct if the Headphone insert detector only needs to detect the absent of just one audio channel.
                                        Never stop learning
                                        Basic LCD TV and Monitor troubleshooting guides.
                                        http://www.badcaps.net/forum/showthr...956#post305956

                                        Voltage Regulator (LDO) testing:
                                        http://www.badcaps.net/forum/showthr...999#post300999

                                        Inverter testing using old CFL:
                                        http://www.badcaps.net/forum/showthr...er+testing+cfl

                                        Tear down pictures : Hit the ">" Show Albums and stories" on the left side
                                        http://s807.photobucket.com/user/budm/library/

                                        TV Factory reset codes listing:
                                        http://www.badcaps.net/forum/showthread.php?t=24809

                                        Comment

                                        Related Topics

                                        Collapse

                                        • Document Archive
                                          Acer Chromebook CB714-1WT-32N5 + Earphone 300 Chromebook 714 Specification for Upgrade or Repair
                                          by Document Archive
                                          This specification for the Acer Chromebook CB714-1WT-32N5 + Earphone 300 Chromebook can be useful for upgrading or repairing a laptop that is not working. As a community we are working through our specifications to add valuable data like the CB714-1WT-32N5 + Earphone 300 boardview and CB714-1WT-32N5 + Earphone 300 schematic. Our users have donated over 1 million documents which are being added to the site. This page will be updated soon with additional information. Alternatively you can request additional help from our users directly on the relevant badcaps forum. Please note that we offer no...
                                          09-06-2024, 06:50 PM
                                        • Document Archive
                                          Acer Chromebook CP713-2W-38CB + Earphone 300 Chromebook Specification for Upgrade or Repair
                                          by Document Archive
                                          This specification for the Acer Chromebook CP713-2W-38CB + Earphone 300 Chromebook can be useful for upgrading or repairing a laptop that is not working. As a community we are working through our specifications to add valuable data like the CP713-2W-38CB + Earphone 300 boardview and CP713-2W-38CB + Earphone 300 schematic. Our users have donated over 1 million documents which are being added to the site. This page will be updated soon with additional information. Alternatively you can request additional help from our users directly on the relevant badcaps forum. Please note that we offer no warranties...
                                          09-06-2024, 06:50 PM
                                        • Document Archive
                                          Acer Chromebook CB714-1W-P502 + Earphone 300 Chromebook 714 Specification for Upgrade or Repair
                                          by Document Archive
                                          This specification for the Acer Chromebook CB714-1W-P502 + Earphone 300 Chromebook can be useful for upgrading or repairing a laptop that is not working. As a community we are working through our specifications to add valuable data like the CB714-1W-P502 + Earphone 300 boardview and CB714-1W-P502 + Earphone 300 schematic. Our users have donated over 1 million documents which are being added to the site. This page will be updated soon with additional information. Alternatively you can request additional help from our users directly on the relevant badcaps forum. Please note that we offer no warranties...
                                          09-06-2024, 06:50 PM
                                        • Document Archive
                                          Acer Chromebook CP713-1WN-316P + Earphone 300 Hybrid (2-in-1) Spin 13 Specification for Upgrade or Repair
                                          by Document Archive
                                          This specification for the Acer Chromebook CP713-1WN-316P + Earphone 300 Hybrid (2-in-1) can be useful for upgrading or repairing a laptop that is not working. As a community we are working through our specifications to add valuable data like the CP713-1WN-316P + Earphone 300 boardview and CP713-1WN-316P + Earphone 300 schematic. Our users have donated over 1 million documents which are being added to the site. This page will be updated soon with additional information. Alternatively you can request additional help from our users directly on the relevant badcaps forum. Please note that we offer...
                                          09-06-2024, 06:50 PM
                                        • Document Archive
                                          Acer Chromebook CB714-1WT-50LX + Earphone 300 Chromebook 714 Specification for Upgrade or Repair
                                          by Document Archive
                                          This specification for the Acer Chromebook CB714-1WT-50LX + Earphone 300 Chromebook can be useful for upgrading or repairing a laptop that is not working. As a community we are working through our specifications to add valuable data like the CB714-1WT-50LX + Earphone 300 boardview and CB714-1WT-50LX + Earphone 300 schematic. Our users have donated over 1 million documents which are being added to the site. This page will be updated soon with additional information. Alternatively you can request additional help from our users directly on the relevant badcaps forum. Please note that we offer no...
                                          09-06-2024, 06:50 PM
                                        • Loading...
                                        • No more items.
                                        Working...