Dead 42pfl3605/h12 but some voltages

Collapse
X
 
  • Time
  • Show
Clear All
new posts
  • anna1980
    Member
    • Mar 2016
    • 40
    • holland

    #1

    Dead 42pfl3605/h12 but some voltages

    i got here a 42pfl3605/h12 which is not quite dead
    When plugged in to power the blue led on de power board comes on then dims en blinks until off

    I measured the different voltages on the connector to the mainbord and only measured a good 12v
    the 5v rails measured 3 volts , the s/b voltage 1 volt and the 24v measured 21 volts.

    When the powerboard is disconnected from the mainboard, i only get an steady 5 volts. No other voltages.

    How can i further determine what the problem could be. I can only find two faults with the pfl3605 type tv and those are replacement of DC-DC converter U7106 or replacement of the IC905

    And second question. what is the standy (S/B) voltage of this powerboard
  • dick_barton
    Badcaps Legend
    • Aug 2015
    • 6643
    • Wales

    #2
    Re: Dead 42pfl3605/h12 but some voltages

    Is this your power supply?

    If it is then disconnect the main board and connect the pin with 5V to CN903 Pin 10 (SB) then power up and measure the 12V and 24V voltages
    Last edited by dick_barton; 05-08-2018, 04:15 AM.
    Willing to help but I'm no expert.

    Comment

    • anna1980
      Member
      • Mar 2016
      • 40
      • holland

      #3
      Re: Dead 42pfl3605/h12 but some voltages

      Originally posted by dick_barton
      Is this your power supply?

      If it is then disconnect the main board and connect the pin with 5V to CN903 Pin 10 (SB) then power up and measure the 12V and 24V voltages
      I've taken the board out of the tv. So it's disconnected from the tv itself
      After that applied power to it. Got 5 volt on the +5v rail. Disconnected it. Jumped a wire from +5v to S/B and applied power it. Got 5v on the +5v (ofcourse) and 5v on S/B but nothing on the 12v and the 24 volt.

      Powerboard is a Z15G3812-P02-H20-003D but the connector CN903 is still the same as yours

      Comment

      • dick_barton
        Badcaps Legend
        • Aug 2015
        • 6643
        • Wales

        #4
        Re: Dead 42pfl3605/h12 but some voltages

        Can you post a clear sharp picture of your power supply board and also the legend alongside the connector.
        Attached Files

        if you find these attachements useful please consider making a small donation to the site

        Last edited by dick_barton; 05-08-2018, 05:32 AM.
        Willing to help but I'm no expert.

        Comment

        • anna1980
          Member
          • Mar 2016
          • 40
          • holland

          #5
          Re: Dead 42pfl3605/h12 but some voltages

          Originally posted by dick_barton
          Can you post a clear sharp picture of your power supply board and also the legend alongside the connector.
          Ofcourse I can
          Attached Files

          if you find these attachements useful please consider making a small donation to the site

          Comment

          • dick_barton
            Badcaps Legend
            • Aug 2015
            • 6643
            • Wales

            #6
            Re: Dead 42pfl3605/h12 but some voltages

            With the mainboard disconnected what voltage do you have on the SB pin and is the +5V at 5V?
            Last edited by dick_barton; 05-08-2018, 09:09 AM.
            Willing to help but I'm no expert.

            Comment

            • anna1980
              Member
              • Mar 2016
              • 40
              • holland

              #7
              Re: Dead 42pfl3605/h12 but some voltages

              Originally posted by dick_barton
              With the mainboard disconnected what voltage do you have on the SB pin and is the +5V at 5V?
              On both +5v I get 5.32V so that looks okay. On the SB nothing

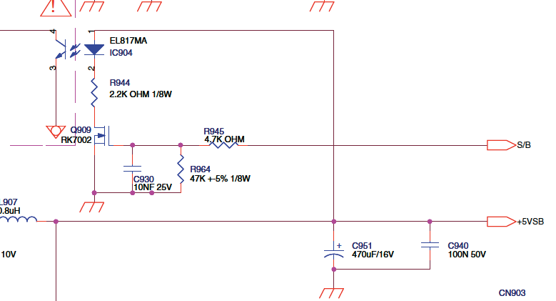
              I tried to trace back the voltage. I assume the SB gets the voltage from the 5v rail so on the back I trace the 5v line. It goes through IC904 (EL817 opto) and then R944 (2.2kOhm resistor). On the drain of q909 (rk7002 transistor) there is still 5v (sometimes somewhat lower) But it ends there. There is no voltage on gate or source.
              Shouldn't there be any voltage on gate and source? I could be a bad diode but I have my doubts,; but I could be wrong.
              Attached Files

              if you find these attachements useful please consider making a small donation to the site

              Comment

              • dick_barton
                Badcaps Legend
                • Aug 2015
                • 6643
                • Wales

                #8
                Re: Dead 42pfl3605/h12 but some voltages

                I believe the SB pin to be the Standby pin and when the +5V is connected to it should bring up the 12V and 24V supplies. It's normal to use a 1K resistor to short the +5V to SB (for safety) to bring the set out of standby.

                So with the main board disconnected and the jumper resistor in place at the power supply connector, if you switch on the set the 12V and 24V supplies should be there.

                The SB receives the voltage normally from the main board and that switches on circuitry on the power supply to bring up the other voltages.

                It must be working since your first post suggests the voltages were there when connected to the mainboard but were lower than expected.

                Do you have the correct schematic for the power supply?
                Last edited by dick_barton; 05-08-2018, 10:05 AM.
                Willing to help but I'm no expert.

                Comment

                • anna1980
                  Member
                  • Mar 2016
                  • 40
                  • holland

                  #9
                  Re: Dead 42pfl3605/h12 but some voltages

                  I think I got the right one - See attachment

                  Tomorrow I'll try to get a 1k resistor and test it again
                  Attached Files

                  if you find these attachements useful please consider making a small donation to the site

                  Comment

                  • dick_barton
                    Badcaps Legend
                    • Aug 2015
                    • 6643
                    • Wales

                    #10
                    Re: Dead 42pfl3605/h12 but some voltages

                    The connector CN903 does appear to match that shown in the pdf all except for Pin14 (POK) which looks as though your power supply doesn't have that wire connected.
                    Willing to help but I'm no expert.

                    Comment

                    • anna1980
                      Member
                      • Mar 2016
                      • 40
                      • holland

                      #11
                      Re: Dead 42pfl3605/h12 but some voltages

                      Originally posted by dick_barton
                      The connector CN903 does appear to match that shown in the pdf all except for Pin14 (POK) which looks as though your power supply doesn't have that wire connected.
                      Indeed you are right.
                      But i just connected an 1k resistor from +5v to S/B. Except for the +5v and the S/B no voltages on the other pins.

                      Comment

                      • Andrew F. Ali
                        Badcaps Legend
                        • Jan 2014
                        • 2450
                        • Trinidad & Tobago

                        #12
                        Re: Dead 42pfl3605/h12 but some voltages

                        This appears as a PSU problem. Not too sure which component/s are at fault.

                        Comment

                        • budm
                          Badcaps Legend
                          • Feb 2010
                          • 40746
                          • USA

                          #13
                          Re: Dead 42pfl3605/h12 but some voltages

                          Originally posted by anna1980
                          Indeed you are right.
                          But i just connected an 1k resistor from +5v to S/B. Except for the +5v and the S/B no voltages on the other pins.

                          If you have 1K resistor connected properly between 5V and SB pin then you should have Gate Voltage of around 3V, so are you getting that?
                          BTW, when you use the resistor, did you disconnect the cable from the Power supply board to the main board first? It has to be disconnected.
                          Never stop learning
                          Basic LCD TV and Monitor troubleshooting guides.
                          http://www.badcaps.net/forum/showthr...956#post305956

                          Voltage Regulator (LDO) testing:
                          http://www.badcaps.net/forum/showthr...999#post300999

                          Inverter testing using old CFL:
                          http://www.badcaps.net/forum/showthr...er+testing+cfl

                          Tear down pictures : Hit the ">" Show Albums and stories" on the left side
                          http://s807.photobucket.com/user/budm/library/

                          TV Factory reset codes listing:
                          http://www.badcaps.net/forum/showthread.php?t=24809

                          Comment

                          • R_J
                            Badcaps Legend
                            • Jun 2012
                            • 9624
                            • Canada

                            #14
                            Re: Dead 42pfl3605/h12 but some voltages

                            In post 1 you said you measured a good +12 volts and +24v was low (+21volts) but now you only have +5 volts?
                            Last edited by R_J; 05-10-2018, 02:15 PM.

                            Comment

                            Related Topics

                            Collapse

                            • thedirekter
                              A1990 Dead, Odd Voltages on USB-C, Nothing on AWAKE's
                              by thedirekter
                              Hey all,

                              Been lurking for a while to find a solution to my dead A1990 (board # 820-01326-05, I can't find a bv for that one so I've been using 820-01041 for reference) but have come up empty handed. I haven't really done any diagnostics on electronics like this though so I'm sure I've probably missed something. I've soldered and diagnosed keyboards and cars but this is definitely new to me.

                              My overview thus far:

                              After browsing the web one night, I closed the lid while it was on the charger, left it on my desk overnight and it was dead in the morning. No response...
                              01-02-2024, 11:32 AM
                            • Danny kikkert
                              Dead dps-162kp-1 powerboard
                              by Danny kikkert
                              Hi everyone,

                              I have a dps-162kp-1 runtka932wjqz powerboard wich has no power at all on the cold side.
                              I replaced ic7903, r7900, R7902, C7901, d7950.
                              Checked the diodes around the chip and also the caps.
                              On the ic pin 5 no voltage, pin7-8= 315V
                              On the T7901 pin 1-4 no voltage, pin 2-3=315V
                              Anybody have any idea where to look further?

                              Any help is welcome
                              Thanks Danny from holland
                              08-31-2024, 11:13 AM
                            • Capacitorial
                              Powersupply has all the voltages - Monitor still no power
                              by Capacitorial
                              Hello guys,

                              I have a Philips 240B7QPJEB. The monitor seems completely dead.
                              I opened it and measured the voltages of the powersupply. I found that a mosfet was dead and replaced it.
                              On the connector, that goes to the TCON board, all voltages 15-19V and 5V are present.
                              The small connector on the left of the PSU has two cables with 18V and all the other have 0.2V. It connects on this small connector on the left ontop of the panel. I guess the backlight? Seens fine I guess.
                              The weird thing is, that the Power LED is powered over the TCON board.
                              On The TCON...
                              12-28-2024, 02:12 PM
                            • edugimeno
                              Thompson 32HS3033 dead. All voltages OK but one for buttons
                              by edugimeno
                              Hi!
                              I have this TV that won't light up the stby led, won't turn on, etc
                              Opened it and found all expected voltages in the backside test pads BUT one. There are a lot of +5V sources but one of them, the one that's driven to the backpanel keys module.
                              There are lots of other +5v points working but this one specifically is dead.
                              I took a close picture of the area where this voltage is generated
                              There is a LD05 missing but this may be from factory? Should I short it?
                              All the thru-board capacitors have a steady and valid voltage on them
                              The small SMD...
                              07-21-2023, 03:57 PM
                            • edugimeno
                              Thompson TV dead. All voltages OK but one for buttons
                              by edugimeno
                              Hi!
                              I have this TV that won't light up the stby led, won't turn on, etc
                              Opened it and found all expected voltages in the backside test pads BUT one. There are a lot of +5V sources but one of them, the one that's driven to the backpanel keys module.
                              There are lots of other +5v points working but this one specifically is dead.
                              I took a close picture of the area where this voltage is generated
                              There is a LD05 missing but this may be from factory? Should I short it?
                              All the thru-board capacitors have a steady and valid voltage on them
                              The small SMD...
                              07-21-2023, 06:16 AM
                            • Loading...
                            • No more items.
                            Working...