Emerson LF501EM4 s/n ds4 no standby light, and won't power on.

Collapse
X
 
  • Time
  • Show
Clear All
new posts
  • Hazen
    Member
    • Nov 2016
    • 19
    • usa

    #1

    Emerson LF501EM4 s/n ds4 no standby light, and won't power on.

    Hello,

    I have been troubleshooting this tv for a little while, and now I need some expert help. It was working fine for about 10 minutes one morning and then just went dead, with no standby light. After doing some research, I replaced the main board, which didn't help. I then ordered a replacement ps board, but was shipped a different version than I ordered. I couldn't see any difference between my ps board and the replacement, so I tried it in the tv. The standby light came on, and it would try to turn on, but then the red light would flash a few times. I tried the ps with both main boards to see if I would get the same result, and I did. So now I'm pretty sure its the ps board, and the replacement just wouldn't work with my tv. It has been hard trying to find a replacement ps board, so I am trying to repair the board myself. I've taken many of the components that I've read fail often out of the circuit and tested them and have found all of them good, although I just checked the caps with a dvm and not a ESR.

    Some details:

    I have 160v at pfc_vin

    I have 11v at the p-on+21v

    I have 3v at the all+3.3v

    I have 3v at the p-on_h2

    I have 6v at the amp+13v.


    Thanks
    Attached Files
  • Hazen
    Member
    • Nov 2016
    • 19
    • usa

    #2
    Re: Emerson LF501EM4 s/n ds4 no standby light, and won't power on.

    Any Ideas?

    Comment

    • dick_barton
      Badcaps Legend
      • Aug 2015
      • 6643
      • Wales

      #3
      Re: Emerson LF501EM4 s/n ds4 no standby light, and won't power on.

      Read through and carry out the instructions given to test the set and post your results. Read through all the pages as it gives more details of what to do as you read through it.


      https://www.badcaps.net/forum/showth...light=LF501EM4
      Last edited by dick_barton; 11-24-2016, 01:00 PM.
      Willing to help but I'm no expert.

      Comment

      • Hazen
        Member
        • Nov 2016
        • 19
        • usa

        #4
        Re: Emerson LF501EM4 s/n ds4 no standby light, and won't power on.

        I've read through the other post and here are my findings so far. I've put a 1k resistor across the 3.3v and p-on-h2, with 2.5v on p-on-h2. I still have only 11v at the p-on+21v, and 6v at the amp+13v. I've jumpered across the 3.3v to the j106/bl-sw with a 1k resistor and the display did not come on. I've checked the voltage at the protect 1 and protect 3 and get <1v on each.

        Thanks!

        Comment

        • patrax
          Member
          • Feb 2014
          • 33
          • USA

          #5
          Re: Emerson LF501EM4 s/n ds4 no standby light, and won't power on.

          I have this exact set on the bench at present, showing the exact same symptoms. And low and behold the exact voltages listed in the above post. I have followed the service manual to try to track down the culprit to no avail. Nothing Ive tried will bring it to life. All I get is a red standby light after its unplugged for about a half hour. Ive tried jumping resistors resetting ribbon cbls. Heat, Im stuck on this one. Anyone feeling they might have a clue please post.Im at wits end.Post some pics of all 2 boards may help. Thanks guys.
          Attached Files
          Last edited by patrax; 12-01-2016, 05:53 PM. Reason: Photos

          Comment

          • dick_barton
            Badcaps Legend
            • Aug 2015
            • 6643
            • Wales

            #6
            Re: Emerson LF501EM4 s/n ds4 no standby light, and won't power on.

            So with the main board disconnected and P-ON-H2 connected to AL3.3V using a 1K resistor you do not have the 13V or 21V.

            What dc voltage do you have across the legs of C605 (33uF, 400V)
            Last edited by dick_barton; 12-02-2016, 10:30 AM.
            Willing to help but I'm no expert.

            Comment

            • dick_barton
              Badcaps Legend
              • Aug 2015
              • 6643
              • Wales

              #7
              Re: Emerson LF501EM4 s/n ds4 no standby light, and won't power on.

              It looks as though the PFC operates by driving two mosfets to produce the 395V. Check Q1601 and Q1602. I think only one of them is working which is why you have half the output voltages. If you give the DC voltage across C605 it may provide a clue.
              Willing to help but I'm no expert.

              Comment

              • budm
                Badcaps Legend
                • Feb 2010
                • 40746
                • USA

                #8
                Re: Emerson LF501EM4 s/n ds4 no standby light, and won't power on.

                So what DCV do you have between the two legs of the main filter cap 100uF 400VDC when you force on the power supply?
                Last edited by budm; 12-02-2016, 12:54 PM.
                Never stop learning
                Basic LCD TV and Monitor troubleshooting guides.
                http://www.badcaps.net/forum/showthr...956#post305956

                Voltage Regulator (LDO) testing:
                http://www.badcaps.net/forum/showthr...999#post300999

                Inverter testing using old CFL:
                http://www.badcaps.net/forum/showthr...er+testing+cfl

                Tear down pictures : Hit the ">" Show Albums and stories" on the left side
                http://s807.photobucket.com/user/budm/library/

                TV Factory reset codes listing:
                http://www.badcaps.net/forum/showthread.php?t=24809

                Comment

                • Hazen
                  Member
                  • Nov 2016
                  • 19
                  • usa

                  #9
                  Re: Emerson LF501EM4 s/n ds4 no standby light, and won't power on.

                  With the 1k resistor across P-ON-H2 and AL3.3V I have 160vdc at C605 and C1621. I've checked both mosfets Q1601, and Q1602 out of circuit and both check ok. I get 160vdc at the drain on both also.

                  Comment

                  • budm
                    Badcaps Legend
                    • Feb 2010
                    • 40746
                    • USA

                    #10
                    Re: Emerson LF501EM4 s/n ds4 no standby light, and won't power on.

                    So the PFC Voltage booster is not working.
                    Check the resistance of the two PFC diodes next that filter cap, D1603, 1605.
                    Never stop learning
                    Basic LCD TV and Monitor troubleshooting guides.
                    http://www.badcaps.net/forum/showthr...956#post305956

                    Voltage Regulator (LDO) testing:
                    http://www.badcaps.net/forum/showthr...999#post300999

                    Inverter testing using old CFL:
                    http://www.badcaps.net/forum/showthr...er+testing+cfl

                    Tear down pictures : Hit the ">" Show Albums and stories" on the left side
                    http://s807.photobucket.com/user/budm/library/

                    TV Factory reset codes listing:
                    http://www.badcaps.net/forum/showthread.php?t=24809

                    Comment

                    • Hazen
                      Member
                      • Nov 2016
                      • 19
                      • usa

                      #11
                      Re: Emerson LF501EM4 s/n ds4 no standby light, and won't power on.

                      Both D1603 and D1605 have 1.3M with neg on cathode, and 2.2M with pos on cathode. They were tested in the circuit, although I had previously removed them and they checked good. Should I remove them and check the resistance again?

                      Comment

                      • budm
                        Badcaps Legend
                        • Feb 2010
                        • 40746
                        • USA

                        #12
                        Re: Emerson LF501EM4 s/n ds4 no standby light, and won't power on.

                        If they shorted out then you will not get the boosted Voltage, but since it is not bad then the PFC circuit will needed to be probed next.
                        Did you download the diagram from the link to the other post. You will need to find out if the PFC IC is getting the switched VCC to run or not.
                        Never stop learning
                        Basic LCD TV and Monitor troubleshooting guides.
                        http://www.badcaps.net/forum/showthr...956#post305956

                        Voltage Regulator (LDO) testing:
                        http://www.badcaps.net/forum/showthr...999#post300999

                        Inverter testing using old CFL:
                        http://www.badcaps.net/forum/showthr...er+testing+cfl

                        Tear down pictures : Hit the ">" Show Albums and stories" on the left side
                        http://s807.photobucket.com/user/budm/library/

                        TV Factory reset codes listing:
                        http://www.badcaps.net/forum/showthread.php?t=24809

                        Comment

                        • dick_barton
                          Badcaps Legend
                          • Aug 2015
                          • 6643
                          • Wales

                          #13
                          Re: Emerson LF501EM4 s/n ds4 no standby light, and won't power on.

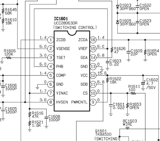
                          Do you have the voltages given especially at VCC (Pin 12)
                          Attached Files
                          Willing to help but I'm no expert.

                          Comment

                          • Hazen
                            Member
                            • Nov 2016
                            • 19
                            • usa

                            #14
                            Re: Emerson LF501EM4 s/n ds4 no standby light, and won't power on.

                            I'm getting 8v at IC1601 vcc. Should I be getting around 15.6v?

                            Comment

                            • dick_barton
                              Badcaps Legend
                              • Aug 2015
                              • 6643
                              • Wales

                              #15
                              Re: Emerson LF501EM4 s/n ds4 no standby light, and won't power on.

                              Should be getting 15.6V according to the manual which is attached. That is with P-ON-H2 connected to AL+3.3v using your 1K resistor and mainboard disconnected.

                              Check components highlighted in the flow chart on page 24 of manual
                              Attached Files
                              Last edited by dick_barton; 12-03-2016, 04:51 PM.
                              Willing to help but I'm no expert.

                              Comment

                              • budm
                                Badcaps Legend
                                • Feb 2010
                                • 40746
                                • USA

                                #16
                                Re: Emerson LF501EM4 s/n ds4 no standby light, and won't power on.

                                Check the DCV between the two legs of the C616 (220uF 35v) when force on is NOT present and when force on is present.
                                Never stop learning
                                Basic LCD TV and Monitor troubleshooting guides.
                                http://www.badcaps.net/forum/showthr...956#post305956

                                Voltage Regulator (LDO) testing:
                                http://www.badcaps.net/forum/showthr...999#post300999

                                Inverter testing using old CFL:
                                http://www.badcaps.net/forum/showthr...er+testing+cfl

                                Tear down pictures : Hit the ">" Show Albums and stories" on the left side
                                http://s807.photobucket.com/user/budm/library/

                                TV Factory reset codes listing:
                                http://www.badcaps.net/forum/showthread.php?t=24809

                                Comment

                                • Hazen
                                  Member
                                  • Nov 2016
                                  • 19
                                  • usa

                                  #17
                                  Re: Emerson LF501EM4 s/n ds4 no standby light, and won't power on.

                                  I have 10v across c616 when its not forced on, and 9v when it is forced on.

                                  Thanks for all the help you are giving me!!

                                  Comment

                                  • dick_barton
                                    Badcaps Legend
                                    • Aug 2015
                                    • 6643
                                    • Wales

                                    #18
                                    Re: Emerson LF501EM4 s/n ds4 no standby light, and won't power on.

                                    Have you checked the components as given on page 24.
                                    I would also be interested to know what DC voltage is on pin 6 of IC601 (FA5640N)
                                    Attached Files
                                    Willing to help but I'm no expert.

                                    Comment

                                    • Hazen
                                      Member
                                      • Nov 2016
                                      • 19
                                      • usa

                                      #19
                                      Re: Emerson LF501EM4 s/n ds4 no standby light, and won't power on.

                                      Originally posted by dick_barton
                                      Have you checked the components as given on page 24.
                                      I've removed all the larger components and checked them, and they check ok. The smaller components I've checked in the circuit, and didn't find any shorts. I'm not sure how to check the IC's other that checking voltage readings, and the same with the T601, other than checking the resistence on the differant windings.


                                      Originally posted by dick_barton
                                      I would also be interested to know what DC voltage is on pin 6 of IC601 (FA5640N)
                                      I'm getting 11v on IC601 VCC

                                      Comment

                                      • dick_barton
                                        Badcaps Legend
                                        • Aug 2015
                                        • 6643
                                        • Wales

                                        #20
                                        Re: Emerson LF501EM4 s/n ds4 no standby light, and won't power on.

                                        The voltages to the IC's all appear to be much lower than they should be. What are the voltages on the 3 pins of Q602?
                                        The diodes need to be checked using your meter set to diode mode and would normally read 0.4 - 0.7 in one direction with the meter leads across it and OL (over range) with the meter leads reversed of course with all power off.
                                        Last edited by dick_barton; 12-04-2016, 01:54 PM.
                                        Willing to help but I'm no expert.

                                        Comment

                                        Related Topics

                                        Collapse

                                        • ChristianBr01
                                          LED TV Samsung The Frame 55 inch QE55LS03RAU Standby Light only
                                          by ChristianBr01
                                          Hello everyone,
                                          I got a Samsung The Frame 55 inch TV for free from uncle cause it is not turning on anymore. I am in the second year of training as an electrician so I have knowledge already but I am far away from to be a pro.
                                          The TV has Standby but ist not turning on. A Friend of mine owns a 50 inch Frame TV so I checked the One Connect Box and the One Connect Cable there. Both are good and working normally. I have opened the TV case and measured some voltages on the Board.
                                          What I already found is that the 12.8V are not an the connector to the main board connector to the power...
                                          04-23-2025, 01:48 AM
                                        • brithepi2k
                                          Sony KD-65XE8596 no standby light
                                          by brithepi2k
                                          Hi,

                                          I’ve got a Sony KD-65XE8596 here that has no standby light coming on. I’ve tested the power board with the test meter, the TV needs 3.4 for the standby but only getting 2.4. Anything that I can change/check on the board to get it working? Pictures of the board are included.

                                          cheers...
                                          09-06-2025, 02:22 PM
                                        • Kaar3l
                                          Samsung QLED QE65Q7FNAT only standby light
                                          by Kaar3l
                                          TV: Samsung QLED QE65Q7FNAT
                                          PSU: BN4400940A
                                          MB: BN94-12832K

                                          I got the tv in spring 2024. At that time it started, then ran 60 sec and poweroff. Seemed like reboot issue. I didn't have time and room to check it in summer so I plugged it in and now the standby light is on. I press button on remote, standby light goes off and tries to start?. No picture or backlight on LCD. I thought about removing diodes like in this thread: https://www.badcaps.net/forum/troubl...sung-qled-q60r...
                                          09-24-2024, 01:35 PM
                                        • jasonbay13
                                          Philips 37HFL5682L/F7 no standby light, incomplete service manual?
                                          by jasonbay13
                                          picked up a tv and when the power is plugged, the standby light flashes real quick then goes off. of 3.3, 12, 24v is all there but i couldnt find any 5v on the back-end board. ON/OFF is low, which it seems is what turns on the backlight so i removed the wire at the back-end board and put a 10k resistor to the 3.3v, which when plugged in brings on the backlight for a split second and also a blue light "LED1" on the inverter board, which goes off after a short time.
                                          am i missing something to bring on the backlight or is the inverter/ccfl gone bad? would that cause the inverter board...
                                          12-01-2023, 09:55 PM
                                        • Nicktronic
                                          Samsung UN70NU6070F Standby Light flashes twice
                                          by Nicktronic
                                          Hey Everyone,

                                          So I've got this Samsung and the reported issue is that when powered on the backlight comes on, but no picture, no sound, it will flicker, the standby light will flash red twice and repeat the whole process...each loop lasts about 15 seconds.

                                          I've googled the issue and understand it is likely a panel/driver board issue, but was hoping the "tape method" could be successful. Before I did that though, I disconnected the left LVDS cable and powered the TV on. This time I got sound, no picture and the two blink standby light stopped. Did the same...
                                          03-27-2023, 07:01 PM
                                        • Loading...
                                        • No more items.
                                        Working...