Question about Sharp LC-46D85UN Power Supply

Collapse
X
 
  • Time
  • Show
Clear All
new posts
  • kevinm34232
    Badcaps Legend
    • May 2012
    • 1884
    • USA

    #1

    Question about Sharp LC-46D85UN Power Supply

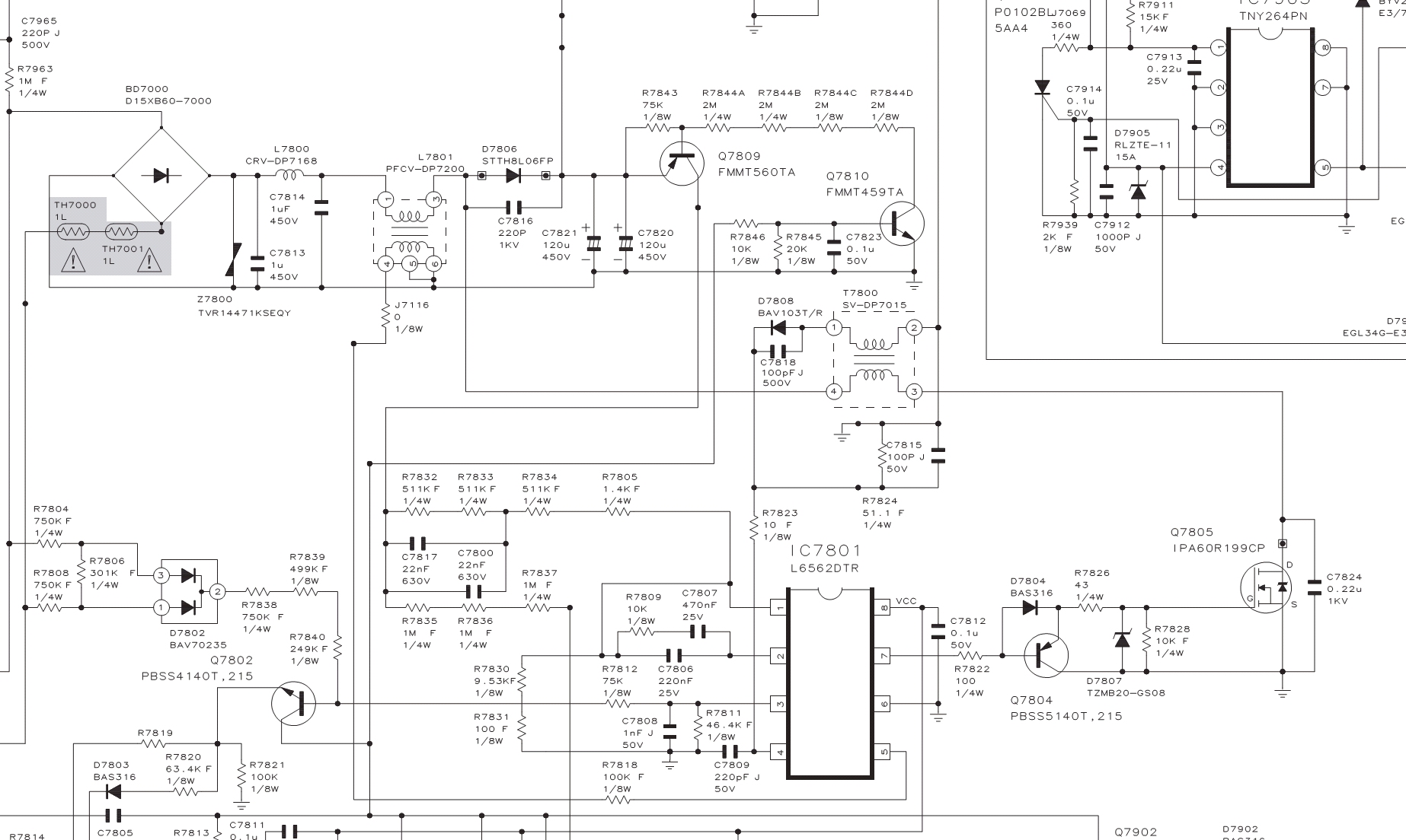
    After opening TV, when plugging TV in a saw a part burning which turned out to be C7816 which goes across pins of D7806. I removed this burnt cap (it actually crumbled into dust), which I believe looked similar to the caps in the last pic.
    Since I cannot identify it, does anyone have a schematic for this board, or can tell me if it is even necessary. The TV turns on now that the burnt cap was removed. Thank you.
    Attached Files

    if you find these attachements useful please consider making a small donation to the site

  • tom66
    EVs Rule
    • Apr 2011
    • 32560
    • UK

    #2
    Re: Question about Sharp LC-46D85UN Power Supply

    It is the snubber for the diode. Without it, the diode will fail early due to higher peak voltages.
    Please do not PM me with questions! Questions via PM will not be answered. Post on the forums instead!
    For service manual, schematic, boardview (board view), datasheet, cad - use our search.

    Comment

    • kevinm34232
      Badcaps Legend
      • May 2012
      • 1884
      • USA

      #3
      Re: Question about Sharp LC-46D85UN Power Supply

      Is there a way I can determine the right specs for it?

      Diode is a STTH8R06FP
      https://cdn.badcaps-static.com/pdfs/...2456fa105e.pdf

      Comment

      • kevinm34232
        Badcaps Legend
        • May 2012
        • 1884
        • USA

        #4
        Re: Question about Sharp LC-46D85UN Power Supply

        Found some info on another site, replacing C7816 with
        part # 561R10TCCT22 (Ceramic Disc Capacitors 1Kvolts 220pF 5%)

        Hope this helps someone in the future.

        Comment

        • budm
          Badcaps Legend
          • Feb 2010
          • 40746
          • USA

          #5
          Re: Question about Sharp LC-46D85UN Power Supply

          Originally posted by kevinm34232
          Found some info on another site, replacing C7816 with
          part # 561R10TCCT22 (Ceramic Disc Capacitors 1Kvolts 220pF 5%)

          Hope this helps someone in the future.
          That is the snubber cap which has the same failure mode as in many Samsung power supplies board.
          Good fix.
          Never stop learning
          Basic LCD TV and Monitor troubleshooting guides.
          http://www.badcaps.net/forum/showthr...956#post305956

          Voltage Regulator (LDO) testing:
          http://www.badcaps.net/forum/showthr...999#post300999

          Inverter testing using old CFL:
          http://www.badcaps.net/forum/showthr...er+testing+cfl

          Tear down pictures : Hit the ">" Show Albums and stories" on the left side
          http://s807.photobucket.com/user/budm/library/

          TV Factory reset codes listing:
          http://www.badcaps.net/forum/showthread.php?t=24809

          Comment

          • kevinm34232
            Badcaps Legend
            • May 2012
            • 1884
            • USA

            #6
            Re: Question about Sharp LC-46D85UN Power Supply

            It was completely burned to a crisp. I had an older Samsung with the same problem a while ago. I replaced with the best cap I could find.

            Comment

            • tom66
              EVs Rule
              • Apr 2011
              • 32560
              • UK

              #7
              Re: Question about Sharp LC-46D85UN Power Supply

              I would use higher than 1kV rated as the cap may have failed due to low rating (maybe peak transients exceeding 1kV?)
              Please do not PM me with questions! Questions via PM will not be answered. Post on the forums instead!
              For service manual, schematic, boardview (board view), datasheet, cad - use our search.

              Comment

              • kevinm34232
                Badcaps Legend
                • May 2012
                • 1884
                • USA

                #8
                Re: Question about Sharp LC-46D85UN Power Supply

                The part I ordered for replacement is this:

                http://www.mouser.com/ProductDetail/...W5sIx2JA%3d%3d

                This one is huge, did they send me the right part?
                Attached Files

                if you find these attachements useful please consider making a small donation to the site

                Comment

                • tom66
                  EVs Rule
                  • Apr 2011
                  • 32560
                  • UK

                  #9
                  Re: Question about Sharp LC-46D85UN Power Supply

                  Lead Spacing: 9.5mm
                  What do you think?
                  Please do not PM me with questions! Questions via PM will not be answered. Post on the forums instead!
                  For service manual, schematic, boardview (board view), datasheet, cad - use our search.

                  Comment

                  • fzabkar
                    Badcaps Veteran
                    • Mar 2009
                    • 772
                    • Australia

                    #10
                    Re: Question about Sharp LC-46D85UN Power Supply

                    I'm still downloading it (67MB !!!) but the following service manual has the same capacitor and diode circuit references:

                    Comment

                    • kevinm34232
                      Badcaps Legend
                      • May 2012
                      • 1884
                      • USA

                      #11
                      Re: Question about Sharp LC-46D85UN Power Supply

                      What is the difference in this part compared to the one I ordered, besides the size?

                      Comment

                      • kevinm34232
                        Badcaps Legend
                        • May 2012
                        • 1884
                        • USA

                        #12
                        Re: Question about Sharp LC-46D85UN Power Supply

                        I was looking towards the bottom where it said width 4mm.

                        Comment

                        • fzabkar
                          Badcaps Veteran
                          • Mar 2009
                          • 772
                          • Australia

                          #13
                          Re: Question about Sharp LC-46D85UN Power Supply

                          Originally posted by tom66
                          I would use higher than 1kV rated as the cap may have failed due to low rating (maybe peak transients exceeding 1kV?)
                          I haven't seen the circuit, but if the capacitor is directly across the diode, then its rating should be related to the diode's own VRRM spec, which is 600V. Therefore ISTM that the capacitor's 1kV rating should be ample, and that a spike should kill the diode before the capacitor.

                          Comment

                          • tom66
                            EVs Rule
                            • Apr 2011
                            • 32560
                            • UK

                            #14
                            Re: Question about Sharp LC-46D85UN Power Supply

                            That's probably the thickness of the device.
                            Please do not PM me with questions! Questions via PM will not be answered. Post on the forums instead!
                            For service manual, schematic, boardview (board view), datasheet, cad - use our search.

                            Comment

                            • kevinm34232
                              Badcaps Legend
                              • May 2012
                              • 1884
                              • USA

                              #15
                              Re: Question about Sharp LC-46D85UN Power Supply

                              So this part will work then?

                              Comment

                              • tom66
                                EVs Rule
                                • Apr 2011
                                • 32560
                                • UK

                                #16
                                Re: Question about Sharp LC-46D85UN Power Supply

                                Originally posted by fzabkar
                                I haven't seen the circuit, but if the capacitor is directly across the diode, then its rating should be related to the diode's own VRRM spec, which is 600V. Therefore ISTM that the capacitor's 1kV rating should be ample, and that a spike should kill the diode before the capacitor.
                                Most likely. Although the rating of many types of capacitors has to be derated if the slew rate is very high. But yes, in theory, 600V should be ok, a higher rating will not hurt.
                                Please do not PM me with questions! Questions via PM will not be answered. Post on the forums instead!
                                For service manual, schematic, boardview (board view), datasheet, cad - use our search.

                                Comment

                                • fzabkar
                                  Badcaps Veteran
                                  • Mar 2009
                                  • 772
                                  • Australia

                                  #17
                                  Re: Question about Sharp LC-46D85UN Power Supply

                                  Originally posted by tom66
                                  Most likely. Although the rating of many types of capacitors has to be derated if the slew rate is very high. But yes, in theory, 600V should be ok, a higher rating will not hurt.
                                  I'm not suggesting that there is anything wrong with a higher rating. In fact it is preferable. All I'm saying is that 1kV should be more than enough, allowing for derating factors, as you have said.

                                  Comment

                                  • fzabkar
                                    Badcaps Veteran
                                    • Mar 2009
                                    • 772
                                    • Australia

                                    #18
                                    Re: Question about Sharp LC-46D85UN Power Supply

                                    FWIW, here is the APFC section from a different Sharp model:
                                    Attached Files

                                    if you find these attachements useful please consider making a small donation to the site

                                    Comment

                                    • cprem
                                      New Member
                                      • May 2013
                                      • 7
                                      • Canada

                                      #19
                                      Re: Question about Sharp LC-46D85UN Power Supply

                                      Did replacing C7816 fix the problem of set having no power?

                                      Comment

                                      Related Topics

                                      Collapse

                                      • Tynan Dill
                                        Vizio e601i-A3 - Has Sound and Display, But No Backlight - Bad Power Supply Board or Bad LED Bulbs ?
                                        by Tynan Dill
                                        I was given this TV from my great uncle. He said it just wouldn't turn on one day out of nowhere, replaced the TV, and gave it to me to possibly fix and use for myself.

                                        Upon bringing it home and plugging it up, it showed a standby light.

                                        I powered it on and without a flashlight, the display showed the "V" but the lighting is very dim, but visible.

                                        The screen seems to blackout and stay black, but with a flashlight I can see the display.

                                        With my Playstation 4 connected via HDMI, and running a game I can hear sound.

                                        Assuming...
                                        11-22-2024, 01:46 PM
                                      • sam_sam_sam
                                        Desoldering gun station modified to use a 18 volt @ 20 amp switching power supply
                                        by sam_sam_sam
                                        I have wanting to do this project for quite sometime now and I finally found a switching power supply that will work on this desoldering gun station ZD-915 that the original switching power supply took a shit and just was not worth trying to fix it because this switching power is not quite big enough to handle the heater element and the vacuum pump

                                        One note when I tested the switching power supply and the voltage control board I noticed that this desoldering gun heat up much faster than the original switching power supply which I was really surprised by to the point that I might buy...
                                        03-31-2024, 02:12 PM
                                      • sam_sam_sam
                                        Modification to a ZD-987 desoldering/soldering station using a external switching power supply
                                        by sam_sam_sam
                                        I have been working on this concept for quite some time now with limited success but recently I found a switching power supply that is setup for the voltage that this soldering station needs to operate at however it also needs part of the secondary circuit from the original switching power because you need several voltage rails

                                        I once tried to get a ZD-915 desoldering station to work on a 18 volt battery power supply but unfortunately things did not go well but I did find a work around but I might try this idea again but going at a little differently more about this another time...
                                        07-01-2024, 06:34 AM
                                      • shamsudeen
                                        Hi, Can we use SMPS Bench Power Supply for Laptop troubleshooting?
                                        by shamsudeen
                                        Hi all, I just need to know that, can i use SMPS type power supply to test and short circuit detection on a laptop motherboard?
                                        I saw 95% of repair guys are using only Linear bench power supply. linear bench power supply is pricy, thats why i planned to get one SMPS supply.

                                        i know that in linear power supply the noise will be very low comparing to SMPS supply....
                                        07-19-2025, 07:14 AM
                                      • JimBanville
                                        Definitive technology SC 2000 subwoofer amp's power supply clicking and popping
                                        by JimBanville
                                        The sub developed a constant popping every couple seconds from woofer and power LED flickering with nothing but wall AC connected. Connecting an audio cable didn't change anything. It doesn't play but a second or two of audio in between the pops.
                                        Opened it up and discovered the power supply is making a faint clicking or ticking sound.
                                        I measured the amp's output to the woofer and it pulses up to 50mv DC to be driver. The pulses coincide with the power supply ticking/clicking.
                                        I measured the power supply output going to the amp board and it too has this pulsing. Voltage cycles...
                                        09-13-2023, 07:21 AM
                                      • Loading...
                                      • No more items.
                                      Working...