Panasonic TH-50PX500U plasma 50" TV with scrambled screen

Collapse
X
 
  • Time
  • Show
Clear All
new posts
  • RttlesnkeWhiskey
    Member
    • Apr 2015
    • 29
    • US

    #1

    Panasonic TH-50PX500U plasma 50" TV with scrambled screen

    Hey everybody,
    I picked up a Panasonic TH-50PX500U plasma tv for free the other day. I was told it had lines going across the screen, so I did research prior to picking it up and thought it would be an easy fix. Turns out that it has more serious problems. As you can see in the photos I've provided, the screen shows a sort of multi-colored scramble in vertical lines. I don't really know what to call this, so search hasn't been very productive.

    It is a strange problem to me because it happens on all inputs, but some things show up fine. I've hooked it up to my cable box via coaxial and HDMI, and both show a faint picture through the scramble. I wasn't able to get a photo of this, but the TV Guide feature included in the tv shows up the same way. As you can see, each input has its own variation of the multi-color scramble, and the on-screen input labels are messed up as well. Except for the PC input label, which is normal, and the HDMI input. HDMI is blank with a messed up label when the cord is not connected; it is scrambled like the other inputs when plugged in. And when it's displaying two inputs side-by-side, everything surrounding the input images is normal.

    The Main Menu box shows up on all the inputs, but is itself scrambled. However, when accessing both the Picture and Audio menus, they show up normal. I've also attached a picture of the Self Check, which is not scrambled and shows the results as all OK. And the Service Mode menu shows up normal. I can provide all the values if necessary. I've also tried the Factory Reset code given in the sticky'd thread, but doing that just goes to the Self Check.

    I appreciate any help with this issue. I've opened up the back and nothing stands out to me as being obviously wrong. I have a little experience in fixing electronics and am proficient with a multimeter, and consider myself quite handy in general. I'd love if I could fix this myself; I'll put time into this project but don't really want to put a ton of money into a 10 year old tv. Hopefully this isn't a lost cause. Thanks a lot.

    Cheers,
    Jake
    Attached Files

    if you find these attachements useful please consider making a small donation to the site

  • mmartell
    Badcaps Legend
    • Oct 2013
    • 3189
    • Canada

    #2
    Re: Panasonic TH-50PX500U plasma 50" TV with scrambled screen

    Does this have a separate control board ? If not I would suspect main board.

    Comment

    • RttlesnkeWhiskey
      Member
      • Apr 2015
      • 29
      • US

      #3
      Re: Panasonic TH-50PX500U plasma 50" TV with scrambled screen

      I don't know how to identify if it has a separate control board or not. What would I look for? This is my first time opening up a flat panel tv. I'm attaching a picture with the back casing removed, if that helps. Thanks
      Attached Files

      if you find these attachements useful please consider making a small donation to the site

      Comment

      • RttlesnkeWhiskey
        Member
        • Apr 2015
        • 29
        • US

        #4
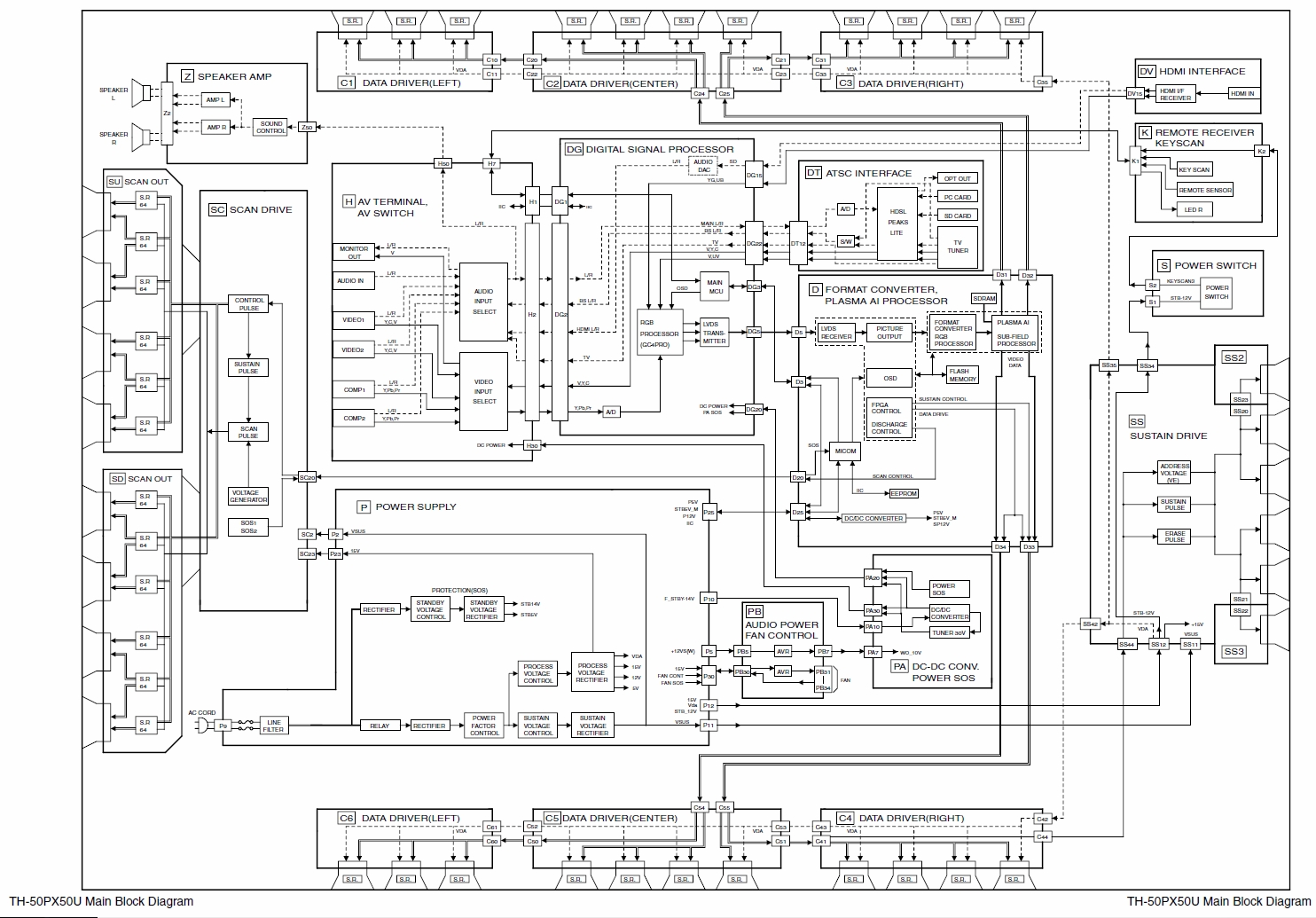
        Re: Panasonic TH-50PX500U plasma 50" TV with scrambled screen

        Maybe these will help as well. They're from the service manual of a similar unit (TH-50PX50U)
        Attached Files

        if you find these attachements useful please consider making a small donation to the site

        Comment

        • mmartell
          Badcaps Legend
          • Oct 2013
          • 3189
          • Canada

          #5
          Re: Panasonic TH-50PX500U plasma 50" TV with scrambled screen

          I think it's the D Board. I've not yet worked on a Panasonic so your best is to wait for someone else to chime in here.

          Comment

          • RttlesnkeWhiskey
            Member
            • Apr 2015
            • 29
            • US

            #6
            Re: Panasonic TH-50PX500U plasma 50" TV with scrambled screen

            Thanks for the reply. I'll see if anyone else has opinions on this, but in the meantime I'll pull out the D board to take a look at it and get the part number. Do you think this issue could be a more serious version of this guy's problem?

            Comment

            • tw2005
              Badcaps Legend
              • Oct 2011
              • 6458
              • Australia

              #7
              Re: Panasonic TH-50PX500U plasma 50" TV with scrambled screen

              Go into Serviceman Mode
              maybe see if you can use the test patterns and take some shots. may or may not help for someone to diagnose it.

              To access the internal pattern generator, select [OPTION] from the main adjustment item and press the [OK] button of the remote control for three seconds. Press the OK button to navigate through the different patterns.

              Too old a model for my experience, hopefully someone should have an idea. there's a lot of boards in these older sets.

              Comment

              • RttlesnkeWhiskey
                Member
                • Apr 2015
                • 29
                • US

                #8
                Re: Panasonic TH-50PX500U plasma 50" TV with scrambled screen

                Did the test and almost everything looked fine. The photos I took made the patterns look messed up when they really weren't. The only thing that stood out to me was the test that featured a vertical white bar moving horizontally from left to right. As you can see in the attached photo, it was a bit jagged. As it moved across the screen, the spots where the bar was shifted moved consistently toward the top of the screen. Dunno if that is the way it's supposed to be.
                Attached Files

                if you find these attachements useful please consider making a small donation to the site

                Comment

                • tw2005
                  Badcaps Legend
                  • Oct 2011
                  • 6458
                  • Australia

                  #9
                  Re: Panasonic TH-50PX500U plasma 50" TV with scrambled screen

                  I'm thinking D or DG but that's not helping much as i don't know for sure. If i had to choose I'd go D. I'd wait on and see what other input you get.

                  more test pattern pics would be nice.

                  Comment

                  • RttlesnkeWhiskey
                    Member
                    • Apr 2015
                    • 29
                    • US

                    #10
                    Re: Panasonic TH-50PX500U plasma 50" TV with scrambled screen

                    Here you go. But I emphasize that the patterns do not look like this to the eye. All are rich in color with sharp edges and smooth gradients, with no obvious defect. Other than the moving bar test I described above. Thanks for the input.
                    Attached Files

                    if you find these attachements useful please consider making a small donation to the site

                    Comment

                    • RttlesnkeWhiskey
                      Member
                      • Apr 2015
                      • 29
                      • US

                      #11
                      Re: Panasonic TH-50PX500U plasma 50" TV with scrambled screen

                      Does anyone else have any advice before I order a D board?

                      Comment

                      • RttlesnkeWhiskey
                        Member
                        • Apr 2015
                        • 29
                        • US

                        #12
                        Re: Panasonic TH-50PX500U plasma 50" TV with scrambled screen

                        New D board didn't fix the problem. I'll order a DG board next.

                        Comment

                        • RttlesnkeWhiskey
                          Member
                          • Apr 2015
                          • 29
                          • US

                          #13
                          Re: Panasonic TH-50PX500U plasma 50" TV with scrambled screen

                          I ordered a DG board and installed it. Unfortunately, it did not solve the problem, and instead caused the tv to not turn on at all. When I plug the tv in, the power light flashes red four times. Re-installing the old board brings back the original problem. The boards have the same parts number (TNPA3625 AB) but the stamped number (order number?) is EN5602C on the new board but EN5603C on the old board. Is that the difference that is making the replacement board not work? The eBay seller claimed it was tested and works. Can anyone help give me leads on other replacement boards? I'm not having any luck finding a place that has one in stock. Nor can I find the supposed substitute part TNPA3731 AB.
                          Thanks for any help

                          Comment

                          • RttlesnkeWhiskey
                            Member
                            • Apr 2015
                            • 29
                            • US

                            #14
                            Re: Panasonic TH-50PX500U plasma 50" TV with scrambled screen

                            Correction: Dunno why I said it flashes four times. It actually flashes red ten times with the replacement DG board immediately after plugging the tv in.

                            Comment

                            • RttlesnkeWhiskey
                              Member
                              • Apr 2015
                              • 29
                              • US

                              #15
                              New Request for Help!

                              Update after 4 months:

                              I was incredibly lucky recently and found someone who was giving away this model tv only two towns away from me. He had broken the screen while moving and just wanted to get rid of it. I took it home and stripped everything potentially useful out of it. All this after months of being completely unable to find a DG board online.

                              But most importantly I installed the newly acquired DG board in my tv (along with the "new" ribbon cables) and it works! I've probably put about 20 hours on it since. HOWEVER, every so often, maybe once in several hours, the screen will turn to a pink scrambled/static image for a full second and then turn black for 2 or 3 seconds. Then the picture comes back up normal. Since it's such a quick and infrequent issue, I can't get post an exact image of it but I've attached a picture that gives an idea of what it looks like.

                              What I need to know is if I'm risking blowing out my new DG board because of some other issue. A problem with the power board, a bad capacitor somewhere, etc.? Any and all help is very much appreciated.

                              Cheers,
                              Jake
                              Attached Files

                              if you find these attachements useful please consider making a small donation to the site

                              Comment

                              • RttlesnkeWhiskey
                                Member
                                • Apr 2015
                                • 29
                                • US

                                #16
                                Re: Panasonic TH-50PX500U plasma 50" TV with scrambled screen

                                Anyone have any idea?

                                Comment

                                Related Topics

                                Collapse

                                • jm1234
                                  Panasonic plasma TX-P42ST50 - 6 blinks
                                  by jm1234
                                  Hi,
                                  anyone able to provide the service manual for old plasma Panasonic TX-P42ST50E?
                                  It turns off almost immediately (0~5 seconds after pressing the on/off button) and starts flashing the red diode 6 times.
                                  I disconnected the left-hand side board (SC?, both the ribbon cable and the power cable to it) and also another ribbon going to bottom left board. Then the led signal is 8 flashes. According to service guide to another Panasonic plasma it would mean the left-hand side board is faulty. But I'm not sure it 100% applies to my model.
                                  I checked that board for any obvious faults...
                                  05-22-2024, 06:59 AM
                                • stecos
                                  Panasonic Plasma main board repair (ST30 GT30 VT30 ST50 GT50 VT50),LED with 3 blincks
                                  by stecos
                                  Hi everyone!
                                  I happened several times, in the search for help from the web, to consult this very interesting forum.
                                  So I decided to sign up and I intend to participate actively by making available my knowledge and experience on the subject, I'm a new user but at the same time I'm old in the sense that I have 4 decades of experience in repairing and designing electronics but above all I'm a great passionate about the subject.

                                  Having said that I come to the gist of my post on the forum as the title suggests.
                                  For my passion for technology I'm now collecting several...
                                  11-28-2022, 11:39 AM
                                • cloo
                                  Panasonic ZT60 plasma tv with strange behavior and 8 blink code
                                  by cloo
                                  I recently got my hands on a 60" Panasonic P60ZT60 plasma tv (european model) that has some strange issues along with an 8 blink code.
                                  It know this tv is getting old but it was once considered one of the best plasmas ever made, and i think it is still holds on to that even by todays standards.


                                  So, long story short. When i first got the tv it had a very bright washed out picture with very raised blacks in all picture modes and i couldn't find the cause in the picture setting menus.
                                  After doing a factory reset this problem was gone and the picture was back to...
                                  01-06-2025, 06:02 AM
                                • Alicat
                                  Panasonic Plasma TH-50PZ85U No screen No blinks on red power light
                                  by Alicat
                                  Hello,

                                  Stopped by this site trying to fix my parents Panasonic Plasma TV.

                                  Model number is TH-50PZ85U

                                  Power comes on and the red power light stays on solid.

                                  Did a few checks like hold the power button on for 60 seconds, hold the - Volume while holding the menu button, no luck, still@ blank grey screen as the screen lights up very vague.

                                  I also hear a few clicks.

                                  I also think my parents said there was a thunderstorm and the TV failed after that.

                                  Section 6 in the service manual talks about power and no screen,...
                                  10-30-2024, 10:09 AM
                                • Eaglecrest
                                  Panasonic plasma color stripe
                                  by Eaglecrest
                                  I have a 50" Panasonic that has a color stripe that shows up much of the time. See attached picture, what could cause this?
                                  11-05-2025, 06:16 PM
                                • Loading...
                                • No more items.
                                Working...