Sanyo DP42840 (P42840-06) No power

Collapse
X
 
  • Time
  • Show
Clear All
new posts
  • DaveB1972
    Member
    • Jun 2012
    • 10
    • USA

    #1

    Sanyo DP42840 (P42840-06) No power

    Hello Gents,
    I have here a TV owned by a friend who suffered a brown out before the TV died. There is no signs of life on the TV.
    I have some electronics experience, soldering, DVM, Oscope, experience.
    I have checked the power supply board, analog board, and logic board for obvious failures, bad caps, smoke spots, etc. None have been found.
    Voltages present at connector K8B with main power plugged in:
    1)2.8V
    2)0V
    3)5.04V
    4)0V
    5)0V
    6)12.16V
    7)12.16V
    8)12.16V
    9)12.16V
    10)0V
    11)0V
    12)24.48V
    13)24.48V
    14)3.28V

    5Vstnby is also present at K8CTR pin 1 while pin 4 of the same connector is 0V until the power button is pressed then it is 3.21V

    After hours of pouring over this forum, and the schematics, I have become lost in space...er I mean this schematic.

    I assume the main logic board is sick, but wanted to get some confirmation first, and even a direction to head to save it if possible. I have a microscope to solder with so the small SMD components are not completely taboo for me to repair.
  • DaveB1972
    Member
    • Jun 2012
    • 10
    • USA

    #2
    Re: Sanyo DP42840 (P42840-06) No power

    Added board photo's
    Attached Files

    if you find these attachements useful please consider making a small donation to the site

    Comment

    • Agent24
      I see dead caps
      • Oct 2007
      • 5095
      • New Zealand

      #3
      Re: Sanyo DP42840 (P42840-06) No power

      Can you list the names of the pins at that connector as well, so we know which rails have voltage etc?

      Also upload the schematic if you can
      "Tantalum for the brave, Solid Aluminium for the wise, Wet Electrolytic for the adventurous"
      -David VanHorn

      Comment

      • DaveB1972
        Member
        • Jun 2012
        • 10
        • USA

        #4
        Re: Sanyo DP42840 (P42840-06) No power

        This excerpt is for the power supply side of the cable, so connections are sequentially reversed.
        Attached Files

        if you find these attachements useful please consider making a small donation to the site

        Comment

        • DaveB1972
          Member
          • Jun 2012
          • 10
          • USA

          #5
          Re: Sanyo DP42840 (P42840-06) No power

          http://www.toms-service-manuals.com/...h=Submit+Query

          here is the manual I found

          Comment

          • Agent24
            I see dead caps
            • Oct 2007
            • 5095
            • New Zealand

            #6
            Re: Sanyo DP42840 (P42840-06) No power

            Pin 4 is labelled as a ground - if it's rising to 3.21V there may be some serious problem. Is it connected to other ground pins or a separate one for some circuit?
            "Tantalum for the brave, Solid Aluminium for the wise, Wet Electrolytic for the adventurous"
            -David VanHorn

            Comment

            • DaveB1972
              Member
              • Jun 2012
              • 10
              • USA

              #7
              Re: Sanyo DP42840 (P42840-06) No power

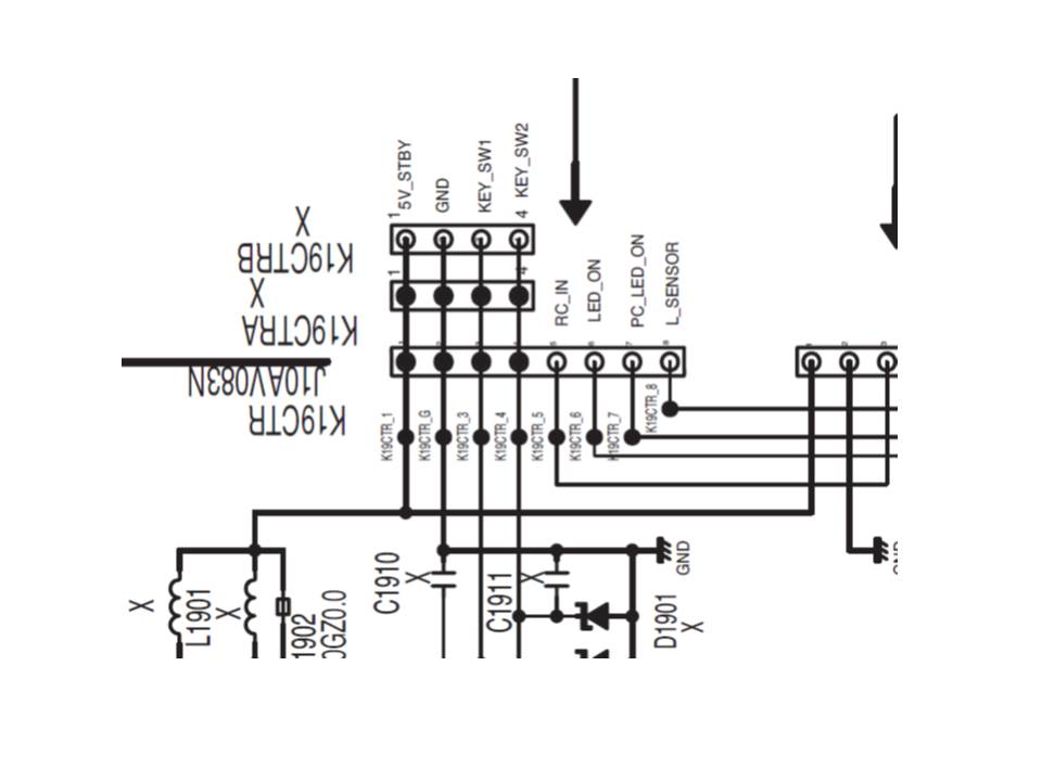
              Pin 4 on the power supply line is indeed gnd. The pin 4 that is going to 3.21v is on the connector that returns to the switch.
              The included detail is of the schematic of the power board connector (at the power board) and I think it means the signal to pin 4 on the analog board is correct.
              Attached Files

              if you find these attachements useful please consider making a small donation to the site

              Comment

              • DaveB1972
                Member
                • Jun 2012
                • 10
                • USA

                #8
                Fixed!

                Sad to say I didn't get any real help with this unit. I did scramble a Hail Mary pass and purchased the eeprom and audio amp logic repair kit from shop jimmy.

                Unit is fixed!

                Word of note, get a magnifier or microscope to install this kit. Lots of very little pins, and SMD components.

                Comment

                Related Topics

                Collapse

                Working...