Panasonic TX-P42U30B locked out LED (no blink code), SN dead short

Collapse
X
 
  • Time
  • Show
Clear All
new posts
  • tom66
    EVs Rule
    • Apr 2011
    • 32560
    • UK

    #21
    Re: Panasonic TX-P42U30B locked out LED (no blink code), SN dead short

    Yes, it wouldn't start with a 60W bulb but with a 100W bulb it will bring up VAD and VSCN and sit there with a weak sustain waveform. I'm keeping the 150W for the final power up...

    So, I'm going to abort putting the devices on due to finding a fault with IC502. Gate drive to the upper IGBT is missing, it wouldn't surprise me if this is damaged along with that odd Qxxx dual transistor...

    This would probably lead the failure of the other transistors, due to lack of ERC...

    To do this test I had two probes, one on the emitter and the other on the gate. I also checked the input to the driver IC and this was OK...

    - First waveform shows gate&emitter, no difference
    - Second waveform shows input to gate IC
    Attached Files

    if you find these attachements useful please consider making a small donation to the site

    Please do not PM me with questions! Questions via PM will not be answered. Post on the forums instead!
    For service manual, schematic, boardview (board view), datasheet, cad - use our search.

    Comment

    • Alastair E
      Chief Womble
      • Mar 2013
      • 1963
      • U.K.

      #22
      Re: Panasonic TX-P42U30B locked out LED (no blink code), SN dead short

      I dunno why they use that dual-transistor device, Its an NPN/PNP combo emitters/bases strapped, collectors to supply and deck with the inputs on the bases and output on emitters...

      I think--total guess-- it must be a way to ensure hard switching of the ERC stage devices,--maybe they have a high gate-capacitance and a straight drive from the chip cant drive 'em fast enough--Dunno.....

      You could pull that off the board and re-test waveforms see if the drive is looking reasonable then....
      Both the chip and the dual are supplied with DC from a 20? ohm resistor, Thats worth checking, in my set this part had obviously had a hot life.....
      TELEFIX

      How PLASMA SCREENS WORK, X-SUS and Y-SUS what they do--
      http://www.irf.com/technical-info/appnotes/an-1088.pdf
      PLEASE DO NOT EMAIL ME PRIVATELY FOR REPAIR ADVICE. QUESTIONS BELONG ON THE FORUM!

      Comment

      • tom66
        EVs Rule
        • Apr 2011
        • 32560
        • UK

        #23
        Re: Panasonic TX-P42U30B locked out LED (no blink code), SN dead short

        SUS_UP driver also appears to have failed in a similar manner, so will also have to replace that.

        As for why they use the dual transistor it's probably a cost thing. It also gives approx 2-3x more current gain which will switch the devices faster, reducing power dissipation.
        Last edited by tom66; 10-31-2014, 05:32 PM.
        Please do not PM me with questions! Questions via PM will not be answered. Post on the forums instead!
        For service manual, schematic, boardview (board view), datasheet, cad - use our search.

        Comment

        • Alastair E
          Chief Womble
          • Mar 2013
          • 1963
          • U.K.

          #24
          Re: Panasonic TX-P42U30B locked out LED (no blink code), SN dead short

          Have you noticed the Gate-Resistors of the SUS_Up/Dn devices....?

          7.5 Ohms, rather than the more usual 5.1 ohm for fast switch/low dissipation.....
          --I speculated this may be deliberate for EMC, being its the SUS there's a whole lot of current going on, just great for EMI......

          Oh--Forgot to say, The set I did, SUS_Up/Dn I replaced both devices in each--But spaced them over to use the Unused space, ie--separating them on the board, thought this would help thermally--Maybe a bad idea--Like Vestel's Diodes though What you reckon?
          --These devices are paralleled, so theoretically Should be matched for V-CE at say, 10A
          Bet Pan. didn't and Ive not heard of anyone mentioning anything about it either....

          Current-hogging also happens to IGBT's--just like bipolar.....
          TELEFIX

          How PLASMA SCREENS WORK, X-SUS and Y-SUS what they do--
          http://www.irf.com/technical-info/appnotes/an-1088.pdf
          PLEASE DO NOT EMAIL ME PRIVATELY FOR REPAIR ADVICE. QUESTIONS BELONG ON THE FORUM!

          Comment

          • tw2005
            Badcaps Legend
            • Oct 2011
            • 6458
            • Australia

            #25
            Re: Panasonic TX-P42U30B locked out LED (no blink code), SN dead short

            out of curiosity what resistance do you have for those transistors at the points marked?
            Attached Files

            if you find these attachements useful please consider making a small donation to the site

            Comment

            • tom66
              EVs Rule
              • Apr 2011
              • 32560
              • UK

              #26
              Re: Panasonic TX-P42U30B locked out LED (no blink code), SN dead short

              @tw, 0.4 ohms for right (dead short?), 30kohm for left.

              A quick test, 15V_F only measures 3.7V? Not sure why, could be cause of missing gate waveforms... could be bad IC502/Qxxx loading it down...

              @Al, the change from 5.1R to 7.5R is not necessarily EMC. The resistor is also there to limit gate ringing, which can also increase power dissipation. It is a value that is dependent entirely on the board and the driver design. For example maybe the Toshiba value assumes a 5 ohm gate driver but Panasonic used a 1 ohm one.

              There is a lot of thermal theory... dissipation in these devices is primarily in the PCB material so spacing them out ought to help... however I think the best "fix" will be to add some proper heatsinks to the actual devices. I have some ideas...
              Last edited by tom66; 10-31-2014, 05:54 PM.
              Please do not PM me with questions! Questions via PM will not be answered. Post on the forums instead!
              For service manual, schematic, boardview (board view), datasheet, cad - use our search.

              Comment

              • tom66
                EVs Rule
                • Apr 2011
                • 32560
                • UK

                #27
                Re: Panasonic TX-P42U30B locked out LED (no blink code), SN dead short

                ah... the 15V_F is boot-strapped... it needs a switching waveform to work... so without one, it will not switch properly, I think. Maybe.
                Please do not PM me with questions! Questions via PM will not be answered. Post on the forums instead!
                For service manual, schematic, boardview (board view), datasheet, cad - use our search.

                Comment

                • tw2005
                  Badcaps Legend
                  • Oct 2011
                  • 6458
                  • Australia

                  #28
                  Re: Panasonic TX-P42U30B locked out LED (no blink code), SN dead short

                  Originally posted by tom66
                  @tw, 0.4 ohms for right (dead short?), 30kohm for left.

                  A quick test, 15V_F only measures 3.7V? Not sure why, could be cause of missing gate waveforms... could be bad IC502/Qxxx loading it down...

                  @Al, the change from 5.1R to 7.5R is not necessarily EMC. The resistor is also there to limit gate ringing, which can also increase power dissipation. It is a value that is dependent entirely on the board and the driver design. For example maybe the Toshiba value assumes a 5 ohm gate driver but Panasonic used a 1 ohm one.

                  There is a lot of thermal theory... dissipation in these devices is primarily in the PCB material so spacing them out ought to help... however I think the best "fix" will be to add some proper heatsinks to the actual devices. I have some ideas...
                  Not sure if we're on the same page. measure top pair (opposing sides), and bottom pair. Sounds like you've gone left (top bottom) & Right (top bottom)

                  my fault
                  Attached Files

                  if you find these attachements useful please consider making a small donation to the site

                  Comment

                  • tom66
                    EVs Rule
                    • Apr 2011
                    • 32560
                    • UK

                    #29
                    Re: Panasonic TX-P42U30B locked out LED (no blink code), SN dead short

                    Hmm, I'll have a look later then.
                    Please do not PM me with questions! Questions via PM will not be answered. Post on the forums instead!
                    For service manual, schematic, boardview (board view), datasheet, cad - use our search.

                    Comment

                    • tom66
                      EVs Rule
                      • Apr 2011
                      • 32560
                      • UK

                      #30
                      Re: Panasonic TX-P42U30B locked out LED (no blink code), SN dead short

                      Top, ~25kohm
                      Bottom, 10.7 ohm
                      Please do not PM me with questions! Questions via PM will not be answered. Post on the forums instead!
                      For service manual, schematic, boardview (board view), datasheet, cad - use our search.

                      Comment

                      • tom66
                        EVs Rule
                        • Apr 2011
                        • 32560
                        • UK

                        #31
                        Re: Panasonic TX-P42U30B locked out LED (no blink code), SN dead short

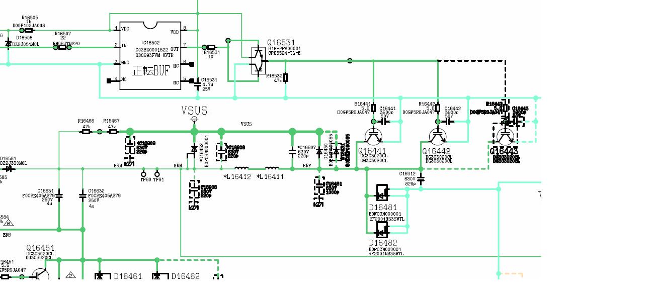
                        OK, IC16502 is definitely shorted. 0.0 ohms from Vcc to SW. (That would cook a new IGBT easily!)

                        The Q16531 is probably OK but I will replace that too (B1HFPFA00001 / CPH5524), the 10 ohms is because of the 10 ohm resistor between output of IC16502 and base of Q16531.
                        Please do not PM me with questions! Questions via PM will not be answered. Post on the forums instead!
                        For service manual, schematic, boardview (board view), datasheet, cad - use our search.

                        Comment

                        • tom66
                          EVs Rule
                          • Apr 2011
                          • 32560
                          • UK

                          #32
                          Re: Panasonic TX-P42U30B locked out LED (no blink code), SN dead short

                          IC16501 & Q16501 test ok, but I will replace them too. They are surprisingly cheap from CHS only about £1.50 each.
                          Please do not PM me with questions! Questions via PM will not be answered. Post on the forums instead!
                          For service manual, schematic, boardview (board view), datasheet, cad - use our search.

                          Comment

                          • tw2005
                            Badcaps Legend
                            • Oct 2011
                            • 6458
                            • Australia

                            #33
                            Re: Panasonic TX-P42U30B locked out LED (no blink code), SN dead short

                            Originally posted by tom66
                            Top, ~25kohm
                            Bottom, 10.7 ohm
                            That's way different to the 5081 boards. 3-3.5meg but if the FET driver is bad they go low like 100-200 ohms.

                            These have a different FET driver , I think by ROHM.

                            Do you know the part number of the driver?

                            I'll check out the schematic and see what you're referring to (in your next post)

                            I'm just curious to see what can be applied to other boards fault finding wise from the 2010 models.

                            Comment

                            • tom66
                              EVs Rule
                              • Apr 2011
                              • 32560
                              • UK

                              #34
                              Re: Panasonic TX-P42U30B locked out LED (no blink code), SN dead short

                              The fet driver has failed short completely on this, 0.7 ohms to SW to VCC (very bad as it would keep the IGBT on!)

                              Funny thing I just tried (by accident and then replicated it...), operated the set in its normal mode, waited for LEDs to glow, pulled the series bulb out (disconnecting SN power.) The SN then became powered by the SS board thru the plasma panel, Vsus on SN sagged to 75V... but everything worked (VSCN, VAD ok, ERC ok, LED got a little dim but still going and still no error code...)

                              It just goes to show how a plasma panel really is just a big capacitor between SN and SS boards!

                              Only schematic I could find was awfully blurry, attached, maybe you've got a better one?
                              Attached Files

                              if you find these attachements useful please consider making a small donation to the site

                              Last edited by tom66; 11-01-2014, 05:54 AM.
                              Please do not PM me with questions! Questions via PM will not be answered. Post on the forums instead!
                              For service manual, schematic, boardview (board view), datasheet, cad - use our search.

                              Comment

                              • tom66
                                EVs Rule
                                • Apr 2011
                                • 32560
                                • UK

                                #35
                                Re: Panasonic TX-P42U30B locked out LED (no blink code), SN dead short

                                Driver part number D86903 (Panasonic C0ZBZ0001822)
                                Please do not PM me with questions! Questions via PM will not be answered. Post on the forums instead!
                                For service manual, schematic, boardview (board view), datasheet, cad - use our search.

                                Comment

                                • tw2005
                                  Badcaps Legend
                                  • Oct 2011
                                  • 6458
                                  • Australia

                                  #36
                                  Re: Panasonic TX-P42U30B locked out LED (no blink code), SN dead short

                                  Originally posted by tom66
                                  The fet driver has failed short completely on this, 0.7 ohms to SW to VCC (very bad as it would keep the IGBT on!)

                                  Funny thing I just tried (by accident and then replicated it...), operated the set in its normal mode, waited for LEDs to glow, pulled the series bulb out (disconnecting SN power.) The SN then became powered by the SS board thru the plasma panel, Vsus on SN sagged to 75V... but everything worked (VSCN, VAD ok, ERC ok, LED got a little dim but still going and still no error code...)

                                  It just goes to show how a plasma panel really is just a big capacitor between SN and SS boards!

                                  Only schematic I could find was awfully blurry, attached, maybe you've got a better one?
                                  You're one mad professor. No, i got what you and everyone else has, however I have stumbled across Brazilian manuals which have much better detail. Actually, I'll look in there for that driver.. I think it actually starts BD..... but the B is not on the chip

                                  Comment

                                  • tom66
                                    EVs Rule
                                    • Apr 2011
                                    • 32560
                                    • UK

                                    #37
                                    Re: Panasonic TX-P42U30B locked out LED (no blink code), SN dead short

                                    Thanks, that will be useful.
                                    I'm not mad, just eccentric. It's nice to learn new things.
                                    Last edited by tom66; 11-01-2014, 06:17 AM.
                                    Please do not PM me with questions! Questions via PM will not be answered. Post on the forums instead!
                                    For service manual, schematic, boardview (board view), datasheet, cad - use our search.

                                    Comment

                                    • tw2005
                                      Badcaps Legend
                                      • Oct 2011
                                      • 6458
                                      • Australia

                                      #38
                                      Re: Panasonic TX-P42U30B locked out LED (no blink code), SN dead short

                                      BD8693FVM-HVTR, by ROHM
                                      Attached Files

                                      if you find these attachements useful please consider making a small donation to the site

                                      Comment

                                      • tom66
                                        EVs Rule
                                        • Apr 2011
                                        • 32560
                                        • UK

                                        #39
                                        Re: Panasonic TX-P42U30B locked out LED (no blink code), SN dead short

                                        Nice, thanks. Can you link to the full service manual? (Time to brush up on my Brazillian Portuguese?)
                                        Please do not PM me with questions! Questions via PM will not be answered. Post on the forums instead!
                                        For service manual, schematic, boardview (board view), datasheet, cad - use our search.

                                        Comment

                                        • tw2005
                                          Badcaps Legend
                                          • Oct 2011
                                          • 6458
                                          • Australia

                                          #40
                                          Re: Panasonic TX-P42U30B locked out LED (no blink code), SN dead short

                                          http://elektrotanya.com/panasonic_tc-p50gt30a_[sm].pdf/download.html

                                          It was not there originally , but I think I uploaded this when I found it just googling.

                                          That's all I got, similar to that chinese model engineering cct for the 42x10, very handy for confirming some real part numbers

                                          Comment

                                          Related Topics

                                          Collapse

                                          • cloo
                                            Panasonic ZT60 plasma tv with strange behavior and 8 blink code
                                            by cloo
                                            I recently got my hands on a 60" Panasonic P60ZT60 plasma tv (european model) that has some strange issues along with an 8 blink code.
                                            It know this tv is getting old but it was once considered one of the best plasmas ever made, and i think it is still holds on to that even by todays standards.


                                            So, long story short. When i first got the tv it had a very bright washed out picture with very raised blacks in all picture modes and i couldn't find the cause in the picture setting menus.
                                            After doing a factory reset this problem was gone and the picture was back to...
                                            01-06-2025, 06:02 AM
                                          • Vebririon
                                            panasonic TX-P50V10E 6 blink led problem
                                            by Vebririon
                                            Hi everyone,

                                            I'm new here and trying to repair my Panasonic TX-P50V10E plasma TV, which is currently showing the 6 red blink error code.

                                            Just for context: I'm used to building PCs and installing modchips in old consoles, but this is my first time trying to fix a TV. I'm French, and while my English is okay, I'm using ChatGPT to help translate and clarify my messages as much as possible — so please forgive any odd phrasing.

                                            I'm also not very experienced with using a multimeter, but I'm very motivated and ready to follow instructions carefully and report...
                                            05-17-2025, 10:16 AM
                                          • rmacintosh
                                            Panasonic Plasma repair - TH-P60GT50 - Dead, 3 blink code
                                            by rmacintosh
                                            I aquired this Panasonic 60" plasma around the time my first child was born. It was meant to be a project tv, hoping to fix it chipping away at the repair in my free time. Well that was 2 years ago and i'm really just getting around to making a sincere effort to see if I can ressurect this beast.



                                            The symptoms of the tv ar as follows:
                                            • Plug AC in to back of TV
                                            • After about 2 seconds the relay on the P-sub board will click on and then a fraction of a second later it clicks back off
                                            • The 3 blink code is given by the power LED
                                            • If the TV is unplugged and then
                                            ...
                                            03-14-2020, 12:24 AM
                                          • Mnawar27
                                            Panasonic CF-H2AU24EF3 bios locked
                                            by Mnawar27
                                            Hello ,my Panasonic CF-H2AU24EF3 I get bios password locked after factory reset, can't enter bios
                                            I need help to remove it,
                                            thankyou all.

                                            Panasonic CF-H2AU24EF3
                                            SN; 2FKCA26876...
                                            11-16-2024, 08:00 AM
                                          • nervx
                                            Panasonic TH-42PZ800 8-blink error mystery
                                            by nervx
                                            Years ago my tv gave a 7 blink code which turned into 8 during diagnosis. I had ordered a replacement ss board but somehow the tv started working again and i never used the board. Now a week ago my tv flickered and shut off at random and gave the 8 blink error code. The same issue it had all those years ago. The only difference this time is that over the last few months there has been some purple and green tinge that comes and goes in more solid colors such as white.

                                            Anyway i checked all the screws and replaced the ss board with a known good one and still got 8 blinks. I saw a...
                                            04-08-2022, 05:19 AM
                                          • Loading...
                                          • No more items.
                                          Working...