Problem with Panasonic Viera TC-P54S1

Collapse
X
 
  • Time
  • Show
Clear All
new posts
  • Sidster
    Member
    • Jul 2014
    • 10
    • USA

    #1

    Problem with Panasonic Viera TC-P54S1

    Hello. I am having a problem with our Panasonic Plasma that actually began this past Monday. Perfect on Sunday and this appeared when we turned on the TV Monday morning. When you first turn it on you see the screen divided into two halves, top and bottom, with vertical color lines filling the entire screen. This lasts a total of 4 minutes and then the screen looks perfect for as long as you leave the TV on. If you turn it off, say for an hour and turn it back on, it starts again and after 4 minutes, the image is again perfect. Here is a pic of what it looks like when first turned on. So basically, something does not like it when it is cold and begins working after it warms up.


    I also recorded a video from the turning on to when it goes back to normal. It however is huge in size and am going to try to reduce it to be able to post it.
    Has anyone encountered a problem like this? I am leaning towards the SC Board but I have never encountered such a problem finding a part for a TV that we purchased less than 4 years ago. Even the Panasonic Authorized Service Center recommended to leave it as is until it Gets Worse? I am sure before that happens that this would ruin another part. Would appreciate any input from you all. I have spent the last two days reading through your Forum and IT IS GREAT!!!
    Thanks,
    Sid
  • dcapper
    Badcaps Veteran
    • Dec 2013
    • 496
    • Canada

    #2
    Re: Problem with Panasonic Viera TC-P54S1

    Looks like a buffer board starting to fail. I have a TC-P54G20. Don't know if it's close to the same model or not. Don't know if there is a lower and upper buffer board on it.
    Get some cooling spray and spray the buffer chips when it goes away. If it comes back, you probably have a cold solder joint. You could reflow it or change the buffer.

    Comment

    • tom66
      EVs Rule
      • Apr 2011
      • 32560
      • UK

      #3
      Re: Problem with Panasonic Viera TC-P54S1

      Just be careful when freeze spraying, it's conductive. Maybe better to get a cloth and freeze spray it, then use that to cool ICs.
      Could also be a loose connector or A board failure (for the SD buffer, assuming it has one.) Or a logic IC on the buffer board.
      Please do not PM me with questions! Questions via PM will not be answered. Post on the forums instead!
      For service manual, schematic, boardview (board view), datasheet, cad - use our search.

      Comment

      • dcapper
        Badcaps Veteran
        • Dec 2013
        • 496
        • Canada

        #4
        Re: Problem with Panasonic Viera TC-P54S1

        Originally posted by tom66
        Just be careful when freeze spraying, it's conductive. Maybe better to get a cloth and freeze spray it, then use that to cool ICs.
        Could also be a loose connector or A board failure (for the SD buffer, assuming it has one.) Or a logic IC on the buffer board.

        Tom I didn't know that! I'll have to be really careful in the future.

        Comment

        • Sidster
          Member
          • Jul 2014
          • 10
          • USA

          #5
          Re: Problem with Panasonic Viera TC-P54S1

          Thanks for the replies and I am going to be careful with the freeze spray and use the cloth.
          The TC-P54S1 is the same as the TC-54PS14 and TC-P54G10
          I think the difference between the TC-P54G10 and the TC-P54G20 was that one was THX Certified and the other wasn't. But basically the same TV.

          This is what is on the TV as seen from the back.


          SC TXNSC1ECUU TNPA4844 no suffix 1SC
          SS TXNSS1ECUU TNPA4783 no suffix 1SS
          SD TXNSD1ECUU TNPA4791 no suffix 1SD
          SU TXNSU1ECUU TNPA4790 no suffix 1SU

          I am planning to going back and trying the cold tomorrow and see if I can replicate the problem and its location.

          Again, Thanks and will post what I find.
          Sid

          Comment

          • Sidster
            Member
            • Jul 2014
            • 10
            • USA

            #6
            Re: Problem with Panasonic Viera TC-P54S1

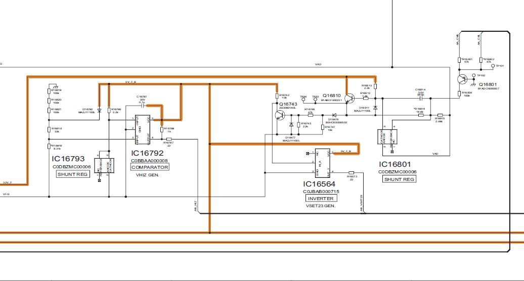
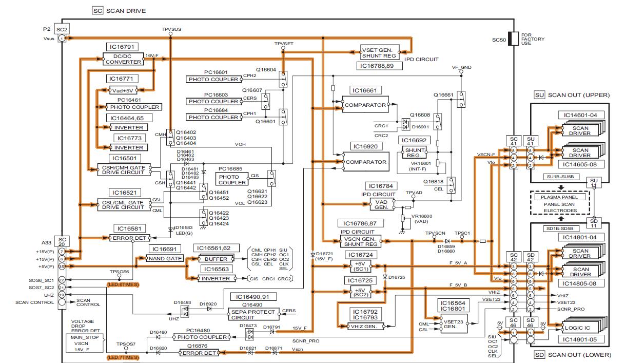
            Spent the day trying the freeze spray trick on the boards. Went top to bottom starting with the SD, then the SU and last the SC. The lines appeared on the SC board when the area around the TPSC1 was cooled down. As it warmed up again, they disappeared. Repeated it 3 times and each time, same result. No other areas on any of the boards caused the issue. Also took out all 3 boards and checked them front and back. They look brand spankin new and all solder points are solid... Put them all back in, turned on the TV and like clockwork... lines... and 4 minutes later, a perfect picture...


            Anyone know what this area's function is?

            Going to order an SC Board Monday and hope for the best...

            Comment

            • tw2005
              Badcaps Legend
              • Oct 2011
              • 6458
              • Australia

              #7
              Re: Problem with Panasonic Viera TC-P54S1

              VHIZ GEN (IC792), VSET23 GEN (IC564) . No I don't know really what their functions are off the top of my head.

              I must admit I was thinking SD board. I only saw 2 on Ebay. If you're jumping in spending what I expect big $ for a SC, $30 for a SD board might be good insurance just in case.
              Attached Files
              Last edited by tw2005; 07-12-2014, 06:28 PM.

              Comment

              • Sidster
                Member
                • Jul 2014
                • 10
                • USA

                #8
                Re: Problem with Panasonic Viera TC-P54S1

                Originally posted by tw2005
                VHIZ GEN (IC792), VSET23 GEN (IC564) . No I don't know really what their functions are off the top of my head.

                I must admit I was thinking SD board. I only saw 2 on Ebay. If you're jumping in spending what I expect big $ for a SC, $30 for a SD board might be good insurance just in case.
                I saw those two IC in that area but could not find anything saying what they were for. Before coming back into the forum, I went and froze the SD board again hoping for a sign... no such luck.

                I did order an SD board just to be on the safe side since the SC board is definitely big bucks... But now, the TV has to be fixed because it has been driving me nuts since it started and I have to know what is causing it. Whichever board arrives first is the first one I am trying so, we sill see.
                I uploaded the 4 minute video if anyone wants to watch it out of curiosity. Went through all the inputs but... same lines. Forgive the camera moving around, could not find the tripod... When the Nebraska Furniture Mart Commercial Starts, screen is back to normal.
                View My Video
                Thanks!

                Comment

                • tw2005
                  Badcaps Legend
                  • Oct 2011
                  • 6458
                  • Australia

                  #9
                  Re: Problem with Panasonic Viera TC-P54S1

                  Originally posted by Sidster
                  I saw those two IC in that area but could not find anything saying what they were for. Before coming back into the forum, I went and froze the SD board again hoping for a sign... no such luck.

                  I did order an SD board just to be on the safe side since the SC board is definitely big bucks... But now, the TV has to be fixed because it has been driving me nuts since it started and I have to know what is causing it. Whichever board arrives first is the first one I am trying so, we sill see.
                  I uploaded the 4 minute video if anyone wants to watch it out of curiosity. Went through all the inputs but... same lines. Forgive the camera moving around, could not find the tripod... When the Nebraska Furniture Mart Commercial Starts, screen is back to normal.
                  View My Video
                  Thanks!
                  Looking at it, whole picture affected so you're probably right about it being SC.

                  Comment

                  • Sidster
                    Member
                    • Jul 2014
                    • 10
                    • USA

                    #10
                    Re: Problem with Panasonic Viera TC-P54S1

                    Well, the new board arrived Friday and put it on yesterday. PERFECT Picture. Here is the first image after the TV was turned on.

                    So if anyone else ever has a problem like this, you know the solution.

                    Now here is a question? Anyone know who can repair the old board?

                    Thanks,
                    Sid

                    Comment

                    • dcapper
                      Badcaps Veteran
                      • Dec 2013
                      • 496
                      • Canada

                      #11
                      Re: Problem with Panasonic Viera TC-P54S1

                      Originally posted by Sidster
                      Well, the new board arrived Friday and put it on yesterday. PERFECT Picture. Here is the first image after the TV was turned on.

                      So if anyone else ever has a problem like this, you know the solution.

                      Now here is a question? Anyone know who can repair the old board?

                      Thanks,
                      Sid

                      TW2005 suggested I send my SC board on my 54" to Moduslink TV Parts. So I did. They charged me just under $70 and mailed it back for free. I just had to pay the shipped to them. The tv is working perfect now. Too bad you didn't have this problem a few weeks ago, they had a huge sale on everything.

                      EDIT: I just looked up your SC board $104 to repair. Mine was out of a P54G20 and it was only $69 to repair.
                      Last edited by dcapper; 07-20-2014, 01:51 PM.

                      Comment

                      • Sidster
                        Member
                        • Jul 2014
                        • 10
                        • USA

                        #12
                        Re: Problem with Panasonic Viera TC-P54S1

                        Originally posted by dcapper
                        TW2005 suggested I send my SC board on my 54" to Moduslink TV Parts. So I did. They charged me just under $70 and mailed it back for free. I just had to pay the shipped to them. The tv is working perfect now. Too bad you didn't have this problem a few weeks ago, they had a huge sale on everything.

                        EDIT: I just looked up your SC board $104 to repair. Mine was out of a P54G20 and it was only $69 to repair.
                        THANKS! I am contacting them now. Wish I would have known about the sale but hey, with your info, I will have a good spare and, after this problem I definitely want a spare.
                        Thanks Again!
                        Sid
                        Last edited by Sidster; 07-21-2014, 09:31 AM. Reason: spelling

                        Comment

                        Related Topics

                        Collapse

                        • AquaMan Ua
                          Problem with PANASONIC CF53 laptop after changing BIOS settings
                          by AquaMan Ua
                          Hello. I am asking you for a hint on how to solve the problem with my touchbook Panasonic CF53-2 standart model. After setting up the BIOS, the laptop displays the wrong image until Windows loads. (More precisely, it displays, but distorted, instead of the Panasonic image immediately after turning it on, it displays what is in photo #1 in the attached file) Then the image appears when Windows starts loading and then there are no problems with the screen until the reboot. If you enter the BIOS, just a black screen. If you connect an external screen, the image on it is the same as on the built-in...
                          05-17-2025, 09:40 AM
                        • howardc64
                          A1312 (27” iMac 2009-2011) A1407 (Thunderbolt Display) A1316 (Cinema Display) Display Black Screen Repair
                          by howardc64
                          Problem

                          This is an LG edge LED lit LCD Display. The LEDs are on the bottom edge of the display. There are 2 bars (left and right) Each bar has many LEDs and a 6 pin connector. Each pin drive several LEDs thus is the highest current flow / heat junction. The weak lead free solder gradually fails with thermal expansion/contraction cycling and increases resistance. PSU will compensate up to a point, then when the current is too high, PSU just shut down the backlight causing a dark display. I have even seen one which the connector just fell off as solder points became completely detached....
                          08-04-2024, 10:36 PM
                        • hugocarmo
                          Panasonic TX-24A1UN CRT Sound and Input problem.
                          by hugocarmo
                          Hi.

                          I´ve been given an old CRT from Panasonic, it´s almost new, it was storaged and almost not used since bought.
                          It is imaculate inside, almost no dust or debris inside.
                          The picture is good, but I have no left sound channel, I tried all the inputs, outputs, even on headphone jack. In AV2 I hear sound from right channel but no image, on tv tuner only right sound channel, the same for AV1.
                          So I started to look for a service manual, I found one, and started from the beginning.
                          Most of the times the caps are the problem so I orderer all the caps for all boards,...
                          04-26-2025, 07:45 PM
                        • renech
                          panasonic TH-42PC77U plasma television half screen problem
                          by renech
                          hello,
                          I hope someone on this forum can assist me.
                          I have a panasonic TH-42PC77U plasma television.
                          the lower 1/2 of the screen has become flaky....in and out, then finally goes black and you can only see the top portion.
                          i have performed the reset to default settings quite a few times. Panasonic recommended..did not believe this would help...it didn't.
                          I have removed the back panel and looked around for something obvious...burn marks in a board, etc....nothing obvious...
                          I have read some posts that suggest the problem is related to the boards on the left...
                          12-12-2022, 06:53 PM
                        • Vebririon
                          panasonic TX-P50V10E 6 blink led problem
                          by Vebririon
                          Hi everyone,

                          I'm new here and trying to repair my Panasonic TX-P50V10E plasma TV, which is currently showing the 6 red blink error code.

                          Just for context: I'm used to building PCs and installing modchips in old consoles, but this is my first time trying to fix a TV. I'm French, and while my English is okay, I'm using ChatGPT to help translate and clarify my messages as much as possible — so please forgive any odd phrasing.

                          I'm also not very experienced with using a multimeter, but I'm very motivated and ready to follow instructions carefully and report...
                          05-17-2025, 10:16 AM
                        • Loading...
                        • No more items.
                        Working...