Samsung PN58A55081FXZA pops main fuses

Collapse
X
 
  • Time
  • Show
Clear All
new posts
  • LameCooter
    Member
    • Jun 2012
    • 35
    • US

    #1

    Samsung PN58A55081FXZA pops main fuses

    I was given this unit since original owner couldn't get it to work. I removed the back, determined that one of the two main fuses was bad. I replaced it with same spec fuse and it immediately popped when powered on.

    I have pulled the PS and visually checked the caps and checked them with an ESR meter. All appear OK with caps.

    So I notice there are fuses on the other boards in the unit. Can I assume that if the short were on a board other than the PS that the fuse on that respective board would have blown?

    In checking components on the PS, is there an order I should go about to troubleshoot?

    Thanks much for any assistance.
  • stj
    Great Sage 齊天大聖
    • Dec 2009
    • 31262
    • Albion

    #2
    Re: Samsung PN58A55081FXZA pops main fuses

    check any rectifiers and diodes on the psu for shorts.

    Comment

    • LameCooter
      Member
      • Jun 2012
      • 35
      • US

      #3
      Re: Samsung PN58A55081FXZA pops main fuses

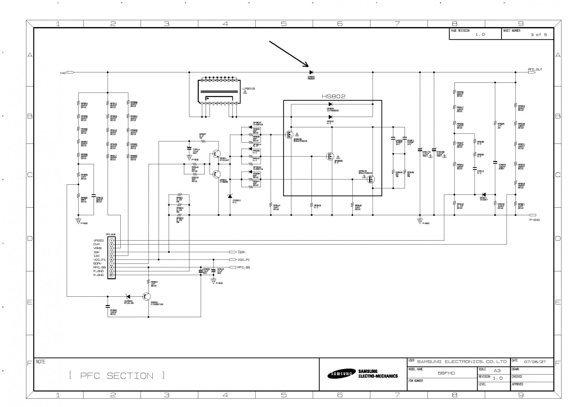
      Well it appears the rectifier DP808 is bad. I pulled it from the board to test again and it still failed.

      Anything else I should look at? The rectifier I pulled is located in A5 on attached schematic.

      Thanks for your help.
      Attached Files

      Comment

      • tom66
        EVs Rule
        • Apr 2011
        • 32560
        • UK

        #4
        Re: Samsung PN58A55081FXZA pops main fuses

        If DP808 is bad then it's possible that one of the FETs on the heatsink is also bad. Check those too. DP808 alone couldn't pop the fuse.
        Please do not PM me with questions! Questions via PM will not be answered. Post on the forums instead!
        For service manual, schematic, boardview (board view), datasheet, cad - use our search.

        Comment

        • LameCooter
          Member
          • Jun 2012
          • 35
          • US

          #5
          Re: Samsung PN58A55081FXZA pops main fuses

          OK, making progress.
          Was getting suspicious reading from QP803S so I pulled it and her sister QP804S. Sure enough 803 is shorted out.

          Do I need to replace both even though only one is failing? At $10 a pop I'd like to make sure.

          Thanks again for all the help.

          The forum is great. Think I'll name my next dog BadCaps in honor of you folks.

          Comment

          • tom66
            EVs Rule
            • Apr 2011
            • 32560
            • UK

            #6
            Re: Samsung PN58A55081FXZA pops main fuses

            You only need to replace the failed transistor. It would also be a very good idea to replace the driver transistors QP801/802 and driver IC on PFC_SUB, failure to do so may lead to failure after it powers up.
            Please do not PM me with questions! Questions via PM will not be answered. Post on the forums instead!
            For service manual, schematic, boardview (board view), datasheet, cad - use our search.

            Comment

            • LameCooter
              Member
              • Jun 2012
              • 35
              • US

              #7
              Re: Samsung PN58A55081FXZA pops main fuses

              Hmmm.. Schematic lists QP801 as KTD1347 and QP802 KTB985 but I'm having trouble finding sources for those. Know of any equivalents? I'm still Googling...

              Comment

              • tom66
                EVs Rule
                • Apr 2011
                • 32560
                • UK

                #8
                Re: Samsung PN58A55081FXZA pops main fuses

                TIP31A and TIP32A should work as good subs, but they have a metal tab so make sure they are isolated from each other.
                Please do not PM me with questions! Questions via PM will not be answered. Post on the forums instead!
                For service manual, schematic, boardview (board view), datasheet, cad - use our search.

                Comment

                • LameCooter
                  Member
                  • Jun 2012
                  • 35
                  • US

                  #9
                  Re: Samsung PN58A55081FXZA pops main fuses

                  UPDATE:
                  So I replaced the MOSFET, driver transistors and driver IC and put it all back together and....

                  Got a nice little display of sparks. Both of the thermistors shorted out and burned before the fuse could pop. I'm thinking I messed this up somehow.

                  Any pointers on where to look?
                  Attached Files

                  Comment

                  • stj
                    Great Sage 齊天大聖
                    • Dec 2009
                    • 31262
                    • Albion

                    #10
                    Re: Samsung PN58A55081FXZA pops main fuses

                    foto of the other side of the board please.

                    Comment

                    • LameCooter
                      Member
                      • Jun 2012
                      • 35
                      • US

                      #11
                      Re: Samsung PN58A55081FXZA pops main fuses

                      Here you go.

                      Thanks
                      Attached Files

                      Comment

                      • LameCooter
                        Member
                        • Jun 2012
                        • 35
                        • US

                        #12
                        Re: Samsung PN58A55081FXZA pops main fuses

                        UPDATE:
                        The relay RLQ802S is shorted. Could this be the cause or was it maybe also damaged along with the thermistors?

                        Comment

                        • LameCooter
                          Member
                          • Jun 2012
                          • 35
                          • US

                          #13
                          Re: Samsung PN58A55081FXZA pops main fuses

                          Well, can't seem to edit my posts, but i pulled the relay and it's ok. So disregard previous post. Cant seem to read a schematic properly. Also pulled the bridges and checked them.

                          Comment

                          • LameCooter
                            Member
                            • Jun 2012
                            • 35
                            • US

                            #14
                            Re: Samsung PN58A55081FXZA pops main fuses

                            Any ideas of what to look for? running out of ideas.

                            thanks

                            Comment

                            • LameCooter
                              Member
                              • Jun 2012
                              • 35
                              • US

                              #15
                              Re: Samsung PN58A55081FXZA pops main fuses

                              LATEST:
                              Replaced the NTC Thermistors. I also fabbed up the lightbulb test jig and tested the unit with that installed. Now what happens is when I give the unit power relay RLQ802S (for the NTC Thermistor I presume) fires over and over. The light bulb test jigs also blinks. If I unplug the mainboard the clicking stops.

                              What should I look at next?

                              Thanks in advance

                              Comment

                              • selldoor
                                Slow Learner
                                • Dec 2010
                                • 7870

                                #16
                                Re: Samsung PN58A55081FXZA pops main fuses

                                If you just connect the power supply with the light bulb test jig what does the light do.
                                Comes on bright then dims - usually = no short on board
                                Comes on bright and stays bright = there is a short on that board.
                                Please upload pictures using attachment function when ask for help on the repair
                                http://www.badcaps.net/forum/showthread.php?t=39740

                                Comment

                                • LameCooter
                                  Member
                                  • Jun 2012
                                  • 35
                                  • US

                                  #17
                                  Re: Samsung PN58A55081FXZA pops main fuses

                                  If I unplug mainboard and apply power - which I gather is what puts the unit in standby mode - light bulb is off and everything seems fine. Plug in the main bard and the relay starts clicking and test light flashing in unison.

                                  I guess I need to get the unit in standby mode without the mainboard attached and see what happens?

                                  Comment

                                  • selldoor
                                    Slow Learner
                                    • Dec 2010
                                    • 7870

                                    #18
                                    Re: Samsung PN58A55081FXZA pops main fuses

                                    Yes - try that - I am not sure when the pfc circuit kicks. The circuit diagram you posted and the part you replaced was in the PFC section. Did you replace like with like - did you test the part for shorts before you put it in ( no? not many of us do) Have you checked your soldering for bridges - if we are talking high voltages a near bridge could jump.
                                    Please upload pictures using attachment function when ask for help on the repair
                                    http://www.badcaps.net/forum/showthread.php?t=39740

                                    Comment

                                    • LameCooter
                                      Member
                                      • Jun 2012
                                      • 35
                                      • US

                                      #19
                                      Re: Samsung PN58A55081FXZA pops main fuses

                                      Just so I'm clear, will the unit go into standby without the mainboard connected? Where exactly should I hook up the resistors to force the unit into stanby?

                                      thanks

                                      Comment

                                      • vinceroger69
                                        Badcaps Legend
                                        • Mar 2012
                                        • 6714
                                        • uk

                                        #20
                                        Re: Samsung PN58A55081FXZA pops main fuses

                                        as per post 8 if the new transistors have metal tabs you need to use the insulator kits a shim and a washer i beleive this can be causing the issues you have now.

                                        Comment

                                        Related Topics

                                        Collapse

                                        • Document Archive
                                          Samsung Galaxy Book 2 Notebook Specification for Upgrade or Repair
                                          by Document Archive
                                          This specification for the Samsung Galaxy Book 2 Notebook can be useful for upgrading or repairing a laptop that is not working. As a community we are working through our specifications to add valuable data like the Galaxy Book 2 boardview and Galaxy Book 2 schematic. Our users have donated over 1 million documents which are being added to the site. This page will be updated soon with additional information. Alternatively you can request additional help from our users directly on the relevant badcaps forum. Please note that we offer no warranties that any specification, datasheet, or download...
                                          09-07-2024, 05:50 AM
                                        • Asraf Atb
                                          Help Needed: Samsung UE55MU8000 Dead - Possible Main Board Issue
                                          by Asraf Atb
                                          Hi everyone,

                                          Im looking for some advice regarding my Samsung UE55MU8000 TV with main board model BN94-11606C. The TV suddenly stopped turning on and now shows no signs of life at all not even the standby light at the bottom.

                                          Initially, I suspected an issue with the PSU, so I took it to a repair center. They tested it and confirmed that the PSU works perfectly, even on other TVs. Based on that, I started investigating the main board.

                                          I disconnected the main board from the PSU, and the backlight turned on, which seems to confirm the main board is the issue....
                                          01-27-2025, 05:02 PM
                                        • JSin21
                                          Compatibility of main boards between different variations of samsung MU6100
                                          by JSin21
                                          Hoping someone here could possibly help. I have a few questions in regards to compatibility with main boards. But I'll give a quick short run down on what's going on first;

                                          I have Samsung Smart TV UA65MU6100WXXY version DA01

                                          Now years ago it started intermittently playing up after a lighting strike. Lighting hit the block of units i was living in at the time. Ever since that night the TV started having a mind of its own, It would randomly turn itself off or on, and all inputs stopped responding like HDMI, aerial, but USB still worked. Anyway, over the next few months...
                                          11-27-2023, 04:54 AM
                                        • mrautom8
                                          Samsung TV UN75H6350AFXZC main board schematics?
                                          by mrautom8
                                          Schematics for the main board needed please. Sticker on board states BN94-07517A but the silkscreen says BN41-02157B. Cant find here or anywhere on the web.

                                          Backlights work when main boards disconnected. When connected and power button switched, the relay on the PSU board turns on for one second then back off.
                                          While relay is on, all voltage rails are present and steady (scoped) on main board.
                                          I love a good logic puzzle but getting lost without any schematics.
                                          No shorts on ANY capacitor main board.
                                          Thermal camera shows 3.3V inductor getting warm instantly but...
                                          10-19-2025, 06:32 PM
                                        • Document Archive
                                          Surface Mount Fuses Fundamentals Datasheet
                                          by Document Archive
                                          TE Circuit Protection offers the widest selection of surface-mount fuses available for addressing a broad range of overcurrent protection applications. Helping to prevent costly damage and promote a safe environment for electronic and electrical equipment, our single-use chip fuses provide performance stability to support applications with current ratings from .5A up to 20A.

                                          TE Circuit Protection also offers the telecom FT600 fuse for telecommunications applications. This telecom fuse helps comply with North American overcurrent protection requirements, including Telcordia, GR-1089,...
                                          10-07-2024, 06:07 AM
                                        • Loading...
                                        • No more items.
                                        Working...