Sony KD-60X6700E not turning on

Collapse
X
 
  • Time
  • Show
Clear All
new posts
  • sabretooth
    Senior Member
    • Apr 2012
    • 62
    • Australia

    #1

    Sony KD-60X6700E not turning on

    Hi all,

    I have a Sony Bravia KD-60X6700E which has decided to stop working. To describe the symptoms - it just decided to stop powering on one morning. No standby LED, no sounds, no picture, no startup logo - nothing. Doesn't respond to the remote nor the physical power button on the unit.

    I have tested the power cable for continuity. I have also tested the fuse, and that too, has continuity. However I haven't gotten much further with the probing. I've prodded the secondary side of the power supply where the connector connects to the main board, and there's no voltage on any of the pins there. I'm hesitant to probe on the primary side, as I don't know which cap I should be using for my negative probe, or what the useful points to probe might be.

    My reading suggests that the EMMC is a frequent issue with these boards, and based on the lack of visible issues on the power supply board (or the rest of the TV for that matter) that this is a likely cause - however I assume I should have voltage measurements on the lead going between the PSU and mainboard. Any suggestions on where I should poke next?

    Photos are attached. Please let me know if they should be clearer, and I'll take fresh ones.​

    Thanks.
  • sabretooth
    Senior Member
    • Apr 2012
    • 62
    • Australia

    #2
    In the absence of advice, I have the following more targeted questions:
    • If there's no power at any of the pins on the right hand side of the secondary side of the power supply, does that necessarily mean the power supply is dead? Are there other obvious places I can look for readings that might tell me if the power supply is dead?
    I don't see any bulging/leaking caps. I don't know where to use as ground, and given there's mains voltages involved, I'm hesitant to go poking around. I'd seen guides that said to use the negative leg of the big capacitor, but I see three big capacitors and don't know which one.

    A power supply board is less than half the price of a main board (and much easier to work on), so if it's that then that's probably a decent outcome.

    Comment

    • R_J
      Badcaps Legend
      • Jun 2012
      • 9622
      • Canada

      #3
      For anything to work, you need to have at least standby voltage, if you do not have +5vsb on CN201, pin1 or D660a, cathode, (use chassis as ground or JP216) it is likely the standby smps ic600 is bad, check R600, if it is open IC601 is likely shorted
      You should have about 385vdc across one of the primary caps, C120A, B, or C (all 3 are in parallel)
      There is a checkered stripe that separates Hot primary from cold secondary side
      Last edited by R_J; 12-23-2024, 09:20 PM.

      Comment

      • Davi.p
        Hobbist Tech
        • Sep 2009
        • 4532
        • Italy - Milan

        #4
        Check TH100/101/120, VM100, they are resistors, in see a kind burn mark on the small standby transformer (ahi), check their winding resistances.. (pins 1-6, 3-4, 7-10)
        Last edited by Davi.p; 12-24-2024, 01:40 AM.

        Comment

        • sabretooth
          Senior Member
          • Apr 2012
          • 62
          • Australia

          #5
          Originally posted by R_J
          For anything to work, you need to have at least standby voltage, if you do not have +5vsb on CN201, pin1 or D660a, cathode, (use chassis as ground or JP216) it is likely the standby smps ic600 is bad, check R600, if it is open IC601 is likely shorted
          You should have about 385vdc across one of the primary caps, C120A, B, or C (all 3 are in parallel)
          There is a checkered stripe that separates Hot primary from cold secondary side
          R600 is showing at 100k ohm - unless you meant something else?

          Originally posted by Davi.p
          Check TH100/101/120, VM100, they are resistors, in see a kind burn mark on the small standby transformer (ahi), check their winding resistances.. (pins 1-6, 3-4, 7-10)
          It's probably hard to tell from the angle of the picture, but the burn mark is actually one of the "EC"s you can see printed on various parts of the board.

          Comment

          • Davi.p
            Hobbist Tech
            • Sep 2009
            • 4532
            • Italy - Milan

            #6
            I think R J was attempting to make you check for shunt isense resistor but here there's all in one circuit a into IC601 and the R is inside, so you must check in diode mode IC601 pins 5-8 one way+reverse, if you see a short or an open c. then it must be replaced, if you read a diode then it's ok and the fault is in the PFC or input filter... bye..

            Laaast Christmas.. i gave you my kidney... but you gave it away ... and i want money baaack.....
            Last edited by Davi.p; 12-25-2024, 04:34 AM.

            Comment

            • sabretooth
              Senior Member
              • Apr 2012
              • 62
              • Australia

              #7
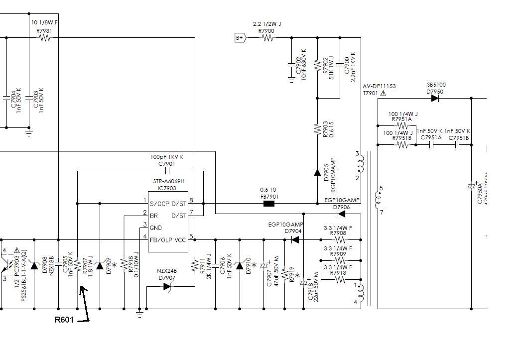
              Thanks! So using the schematic as a reference (the chip is one of these - an A6069H), I measured IC601 (you guys mean IC601 and not IC600, right? I can't see an IC600) between 5 and 8 in diode mode. In that mode I get a very brief blip before the meter goes to open. If I swap my probes around, the same thing happens.

              Comment

              • Davi.p
                Hobbist Tech
                • Sep 2009
                • 4532
                • Italy - Milan

                #8
                So have you searched for the part?

                Comment

                • sabretooth
                  Senior Member
                  • Apr 2012
                  • 62
                  • Australia

                  #9
                  I've done some looking, as well as digging through some parts I have lying around, An old monitor's power supply doesn't have that particular IC, and no matches in other boxes of bits.I see a few places online that I can order from, but nothing local.

                  So do you reckon that IC is our smoking gun?

                  Comment

                  • Davi.p
                    Hobbist Tech
                    • Sep 2009
                    • 4532
                    • Italy - Milan

                    #10
                    Yes i confirmed in the past post, i do not think you have other burnt components around the IC but if you check them rapidly is better


                    PS: wait wait wait.. i noticed one strange thing!! watching the under side picture i see that probably this piece of s*** has a different pin out of the similar components, it seems the gnd pin is not pin 5 but pin 3!! so the check must be made between pin 3-8, better to find the datasheet but from the board is very clear..
                    Last edited by Davi.p; 12-26-2024, 01:57 AM.

                    Comment

                    • R_J
                      Badcaps Legend
                      • Jun 2012
                      • 9622
                      • Canada

                      #11
                      Looks like I made a mistake on the resistor to check, it should have been R601, It should connect the internal ic600 mosfet source (pin1) to hot ground, if the internal mosfet shorts it should open this resistor. There is also a zener diode across this resistor so one end of the resistor would need to be lifted to check it and also check that the zener is not shorted.
                      Here is a "similar" circuit
                      Attached Files

                      if you find these attachements useful please consider making a small donation to the site

                      Last edited by R_J; 12-26-2024, 05:47 PM.

                      Comment

                      • sabretooth
                        Senior Member
                        • Apr 2012
                        • 62
                        • Australia

                        #12
                        Originally posted by Davi.p
                        it seems the gnd pin is not pin 5 but pin 3!! so the check must be made between pin 3-8, better to find the datasheet but from the board is very clear..
                        Shows as a diode with positive lead on 3, negative lead on 8. If I swap the leads, it shows as open.
                        Originally posted by R_J
                        Looks like I made a mistake on the resistor to check, it should have been R601, It should connect the internal ic600 mosfet source (pin1) to hot ground, if the internal mosfet shorts it should open this resistor. There is also a zener diode across this resistor so one end of the resistor would need to be lifted to check it and also check that the zener is not shorted.
                        Here is a "similar" circuit
                        So I lifted a leg on R601. Measures 1m ohm across. Checked ZD601 - shows a reading one way, and open the other.

                        Comment

                        • Davi.p
                          Hobbist Tech
                          • Sep 2009
                          • 4532
                          • Italy - Milan

                          #13
                          What is the value of R601 or its colours? So looks like this chip is diffrent from others, and the diode check must be made from pin 1 to 8

                          Comment

                          • R_J
                            Badcaps Legend
                            • Jun 2012
                            • 9622
                            • Canada

                            #14
                            If R601 is 1MEG Ohm it is open and the ic internal mosfet is likely shorted. Usually, 1m ohm would be 1 milli Ohm, (basically a short) based on the color, it looks like the resistor should be around 2 or 3 ohms

                            Comment

                            • Davi.p
                              Hobbist Tech
                              • Sep 2009
                              • 4532
                              • Italy - Milan

                              #15
                              Shows as a diode with positive lead on 3, negative lead on 8. If I swap the leads, it shows as open.
                              Sorry, both R601 and I601 pin3 are connected to GND so the said test tells the IC601 has no burnt inner MOSFET nor the R601 is burnt.. so we must move as said to the PFC part, that is especially Q120 (heatsink),D122A/B (THT), D120A/B (SMD), R120 (BIG, WHITE), ZD120-121 (Zener, THT, under heatsink), etc..
                              Last edited by Davi.p; 12-28-2024, 03:27 AM.

                              Comment

                              • lotas
                                Badcaps Legend
                                • Jan 2016
                                • 4834
                                • Russia

                                #16
                                Originally posted by Davi.p

                                Sorry, both R601 and I601 pin3 are connected to GND so the said test tells the IC601 has no burnt inner MOSFET nor the R601 is burnt.. so we must move as said to the PFC part, that is especially Q120 (heatsink),D122A/B (THT), D120A/B (SMD), R120 (BIG, WHITE), ZD120-121 (Zener, THT, under heatsink), etc..
                                PFC has nothing to do with standby voltage.
                                Check these diodes to see if they are shorted.​
                                Attached Files

                                if you find these attachements useful please consider making a small donation to the site

                                Comment

                                • Davi.p
                                  Hobbist Tech
                                  • Sep 2009
                                  • 4532
                                  • Italy - Milan

                                  #17
                                  If one of the power diodes i said are open the main rail does not pass, i add this control, TH120 (Green disc)

                                  if all mentioned pieces shows good state then ic601 is again suspected (no big shorts but broken due to age or something else), also secondary diodes, Notice: PS board must be isolated to check output voltages
                                  Last edited by Davi.p; 12-28-2024, 04:54 AM.

                                  Comment

                                  • sabretooth
                                    Senior Member
                                    • Apr 2012
                                    • 62
                                    • Australia

                                    #18
                                    Originally posted by lotas

                                    PFC has nothing to do with standby voltage.
                                    Check these diodes to see if they are shorted.
                                    They are both short! Assuming I don't have to pull a leg on them first, my multimeter is beeping regardless of polarity on both of them. Are these being short the cause, or the symptom?

                                    R601 appears to be orange, black (or brown?), gold, gold with a green tolerance stripe. Regardless, I'm really dumb, and misread what my meter was telling me. It's 3.2ohm on R601. Not 1mil.

                                    Comment

                                    • lotas
                                      Badcaps Legend
                                      • Jan 2016
                                      • 4834
                                      • Russia

                                      #19
                                      Originally posted by sabretooth
                                      They are both short! Assuming I don't have to pull a leg on them first, my multimeter is beeping regardless of polarity on both of them. Are these being short the cause, or the symptom?
                                      They are paralleled with each other, lift one leg of one diode and check which one is shorting.

                                      Comment

                                      • sabretooth
                                        Senior Member
                                        • Apr 2012
                                        • 62
                                        • Australia

                                        #20
                                        I pulled up a leg on each (just to rule out any other variables) - D660A appears to be short.

                                        The markings on it are: SR206 734Y
                                        Last edited by sabretooth; 12-28-2024, 07:04 AM. Reason: Added markings

                                        Comment

                                        Related Topics

                                        Collapse

                                        • NSkyLab
                                          Sony XBR-65X900F black and white image on one side (fading saturation)
                                          by NSkyLab
                                          I though I've seen all possible kinds of failures but this one is new...
                                          Colors saturation is gradual.y fading out on the left side of the screen (all colors are fading out). While B&W image is looking good.
                                          I tried replacing TCon but nothing changed. So this is looking like the panel failure. Is there a chance it can be fixed?
                                          Any useful measured can be done on the panel's narrow pcbs? Is there may be something similar to taping trick to fix this issue?...
                                          10-05-2025, 07:37 PM
                                        • Watson306
                                          6 Red Blinking lights (left side darker) on Sony KD-49XE8396
                                          by Watson306
                                          Hi,

                                          I've got a Sony KD-49XE8396 TV that will switch on show the Sony logo then the Android logo and then switches off, and then blinks red 6 times.

                                          I've read that this is the backlight, and during it showing the initial logos I can see that the left side is definitely darker.

                                          I've also read that you can bypass the error to get it working but I'd prefer to fix it if at all possible. Any help would be appreciated.

                                          Many Thanks in advance.
                                          11-01-2022, 05:33 AM
                                        • Carlos#2003%
                                          Schematic de una Sony VAIO PCG-41217u, Sony VPCSB45FL (MBX-237), 1p-0117j01-a012 mbx-237.
                                          by Carlos#2003%
                                          Buenas mi nombre es carlos me uni al foro porque estoy buscando el schematic de una sony vaio pcg-41217u otras formas de escribirlo son 1p-0117j01-a012 mbx-237 numero de placa revision 1.2 o Sony VPCSB (MBX-237), en fin me gustaria y ayudaria un monton si alguien me puede dar dichi svhematic para hacer las mediciones de una laptop de la mencionada anteriormente(Sony VAIO PCG-41217U) con el fin de repararla dejo de funcionar solo prende el led de la bateria al pulsar el boton de power el disco empiesa a hacer ruido de actividad pero los leds del frontas no reflejan acividad y no enciende la pantalla....
                                          02-15-2024, 07:52 PM
                                        • ptcriserx3
                                          Sony trinitron crt bowed and side color issues
                                          by ptcriserx3
                                          Hi
                                          Ive got a vintage 2001 sony trinitron flat tube tv

                                          The image is slightly bowed and the left and right sides about 1-2in has fluctuating discoloration that comes and goes if i move or hit tv on sides

                                          See many images attached...

                                          Just windering if this is not fixable or something i can correct without getting too invloved

                                          Im trying to sell the tv

                                          Thanks
                                          06-17-2023, 07:27 PM
                                        • flibidy
                                          Magnum IA.100 Amplifier Switches on, No Output, Possible Input Side fault?
                                          by flibidy
                                          I have here a Magnum IA.100 which belongs to my parents.



                                          The unit powers on & when the relay kicks in, you get a pop from the speakers (this might sound weird but is usual behavior for this amp). However, you get nothing coming through it from any of the inputs & no pops and crackls from any of the controls.


                                          Because of the sound from the speaker when the amp turns on I have assumed that the output section probably works but I could be wrong & I'm not sure how to test that side of things further.


                                          What Ive done........
                                          01-01-2025, 01:26 PM
                                        • Loading...
                                        • No more items.
                                        Working...