Pana TH-50PX77U dead

Collapse
X
 
  • Time
  • Show
Clear All
new posts
  • ajshoe
    ajshoe
    • Dec 2012
    • 477
    • usa

    #1

    Pana TH-50PX77U dead

    Have a panasonic th50PX77u thats completely dead (apply power - no clicks or lights) - PSU etxmm655meh.
    checked all fuses (4)

    no 5V at pin 5 of connector A7 when the
    TV is plugged into the AC line

    TV unplugged - 1 ohm continuity between pins 8 and 10 of connector P12 of the P board
    disconnected A7 conn - set does nothing,
    assuming the PSU is bad. looking for diagnostics on PSU - or what to look for ?

    does anyone have any diagnostic or repair tips for this PSU ?? I've seen a blog that says replace MC201, MC301 and maybe IC tea1610. Thanks
  • tw2005
    Badcaps Legend
    • Oct 2011
    • 6458
    • Australia

    #2
    Re: Pana TH-50PX77U dead

    Originally posted by tom66
    Are fuses OK on your board? You should really start a new thread.
    Originally posted by tw2005
    Not sure if the troubleshooting guide I have is exactly correct for this model. Do you have a copy . It's quite detailed.
    since it's dead, no clicks, says first step is

    1.Is there 5V at
    pin 5 of connector A7 when the
    TV is plugged into
    the AC line?

    NO to step 1
    Unplug the TV. Is there continuity between pins 8 and 10 of connector P12 of the P board?

    YES to 1

    Is
    there 3.3V at
    pin 6 of connector P7 when the
    TV is plugged into
    the AC line?

    What have you checked so far? Fuses?


    Originally posted by ajshoe
    tried to start new thread - HOW ????

    no 5V at pin 5 of connector A7 when the
    TV is plugged into the AC line

    TV unplugged - 1 ohm continuity between pins 8 and 10 of connector P12 of the P board

    assuming the PSU is bad. looking for diagnostics on PSU - or what to look for ?
    Originally posted by tw2005
    probably is a PSU issue.

    Unplug the TV.
    Disconnect connector A7.
    Does the TV turn on by itself
    when it is plugged into the AC
    line with no picture and lit
    LEDs on SS & SC
    boards?

    If not then PSU.

    You have no STDBY 5v so I'd start with the fuses F601,602,501, thermal fuse RF601.

    manual and troubleshooting guide should be in Tom's reference library in the sticky.

    TRAINING MANUAL

    SERVICE MANUAL

    you should be able to start a new post from the front page.
    ,

    Start with the basics.
    Attached Files

    Comment

    • ajshoe
      ajshoe
      • Dec 2012
      • 477
      • usa

      #3
      Re: Pana TH-50PX77U dead

      done the basics - took off heat sink on psu. checked all fuses. RF601 - all good.
      no 3.3V at pin 6 of connector P7 when the TV is plugged into the AC line
      I'll have to print out psu schematics and start over.
      Last edited by ajshoe; 04-22-2014, 11:25 AM.

      Comment

      • ajshoe
        ajshoe
        • Dec 2012
        • 477
        • usa

        #4
        Re: Pana TH-50PX77U dead

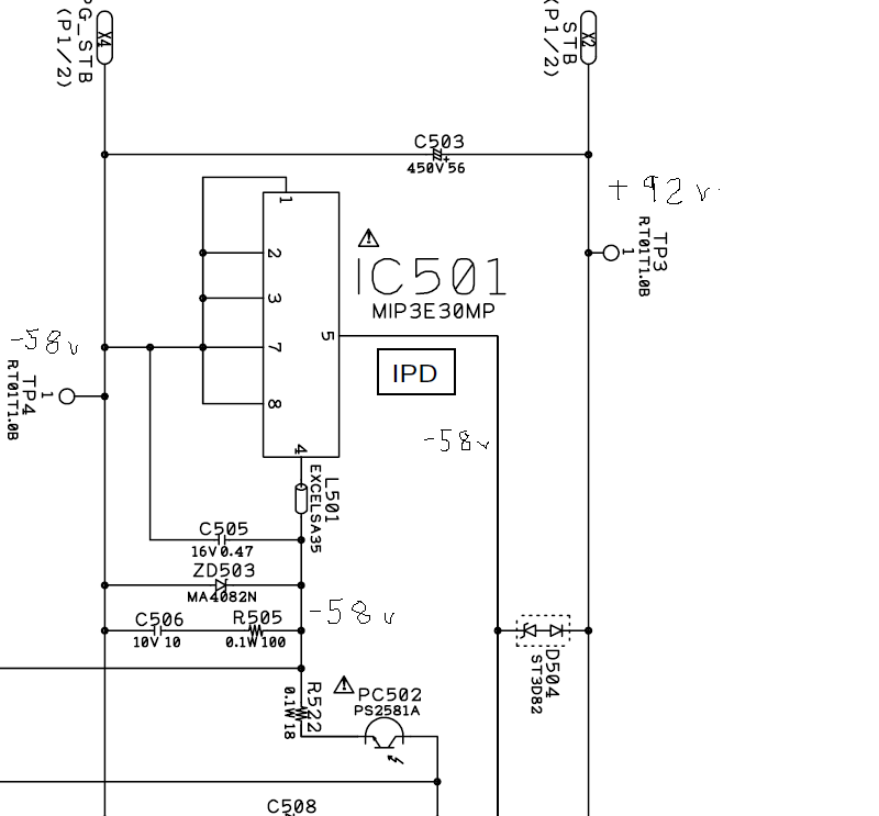
        can't seem to find any info on these ICs - attached PSU schematic and voltage readings. is there panasonic test point voltages out there ???
        Attached Files

        Comment

        • tom66
          EVs Rule
          • Apr 2011
          • 32560
          • UK

          #5
          Re: Pana TH-50PX77U dead

          That's the standby supply...
          What voltage do you have across C503?
          Please do not PM me with questions! Questions via PM will not be answered. Post on the forums instead!
          For service manual, schematic, boardview (board view), datasheet, cad - use our search.

          Comment

          • ajshoe
            ajshoe
            • Dec 2012
            • 477
            • usa

            #6
            Re: Pana TH-50PX77U dead

            think I wasn't using correct ground - going to re test. across c503 = +164 volts
            Attached Files
            Last edited by ajshoe; 04-23-2014, 11:30 AM.

            Comment

            • ajshoe
              ajshoe
              • Dec 2012
              • 477
              • usa

              #7
              Re: Pana TH-50PX77U dead

              bump
              Attached Files
              Last edited by ajshoe; 04-23-2014, 11:33 AM.

              Comment

              • ajshoe
                ajshoe
                • Dec 2012
                • 477
                • usa

                #8
                Re: Pana TH-50PX77U dead

                turns out T501 was open - removed it, had corrosion on windings for this circuit. re-soldered and set works great. Not sure how just 2 windings of this xformer are corroded - maybe some contamination ?? something must have dropped on power board right at this location. Not a fan of this set thou - doesn't have menu button on set - hard to navigate without remote (complaining on a free set !)
                On another note - anyone experimented with mip3e3 substitution ?? like sub in mip2e series (3 Pin) ?? The mip3e3 is discontinued and can't find data sheets on it - think the mip2e can be subbed in with some work.

                Comment

                • tw2005
                  Badcaps Legend
                  • Oct 2011
                  • 6458
                  • Australia

                  #9
                  Re: Pana TH-50PX77U dead

                  well done with the TV, obscure fault for sure.

                  The specs on this will be the same http://www.utsource.net/pdf/pdf-MIP3E3.html

                  Just it's the TO-220 package as opposed to the DIP7.

                  http://www.alldatasheet.com/datashee...MIP2E3DMY.html

                  Comment

                  Related Topics

                  Collapse

                  • double_DD
                    How can I be sure that my EC chip is dead?
                    by double_DD
                    Hi all,

                    As the title suggests, how can I be sure that my EC chip is really dead?

                    I've recently gotten into this hobby of laptop repairs, and have successfully brought back to life a couple with some easy fixes, mostly shorted caps.

                    Now I'm working on HP Probook 455 G8, that had some "devil" run around on 3V line, burning a bunch of stuff. Luckily I have a dead 455G7 (for spare parts) so I managed to fix it (swapped burned parts) to a point that it will charge (both on barrel jack and usb-c), but it doesn't want to turn on. There is a 3V3 on a keyboard...
                    03-12-2025, 07:47 AM
                  • disorder
                    ps5 edm-033 dead after hdmi/usb ports destroyed
                    by disorder
                    hello guys,

                    i need help to repair a edm-033 ps2
                    history : as always hdmi port and usb ports destroyed after unplugged
                    after change them, ps5 dead too : 1 beep, no blue light. after inspection 1.8v power was shorted, and because of dead panasonic chip. after remove it : no short anymore
                    so i changed it
                    now i have got 5v stby,, 3.3v stby, 3.3v power, 1.8v power and no short on them
                    but the ps5 is dead again : 1 beep, near 10 seconds with power lines and then off, no blue light ...

                    i don't see any projection of liquid metal on pcb.
                    ...
                    01-14-2025, 12:48 PM
                  • zunasthegreat
                    Chieftec GPS-450-AA with dead 20N60C3
                    by zunasthegreat
                    Hello everyone hope all doing well!
                    I have this PSU (GPS450-AA delta oem) around for like 4-5 years and I had it recapped early 2020 or 2021 with mostly UCC KY and Nichicon PW's. The bulk was and still is fine, the original Ltec's were bloated and empty. The previous issue was some major coil whine noise and at times random shutdowns when going idle. Today it started tripping the mains breaker and I think I have dead APFC mosfets (20N60C3). Right now upon checking I have the Q1 and Q3 FETs dead so far and I guess those are responsible for the PFC circuit. The only thing I care is If there...
                    09-01-2024, 07:12 PM
                  • Beton
                    Finding a dead short component
                    by Beton
                    Hi guys!
                    I searched for the term "dead short" in the forum but no specific thread came up however if I'm just blind and couldn't see the thread talking about this please forward me to that direction.
                    So my problem is I don't know how to find the source of a dead shorted voltage rail. Dead short = ~0 ohm resistance.
                    I have two VGAs (HD 4850 and HD 4870), both dead shorted to ground on the memory rail. I have the boardview file for the 4870 and the memory rail consists around ~7892346 capacitors...
                    I have a bench PSU and if I try to inject voltage the voltage...
                    12-10-2021, 01:05 PM
                  • FiguringITout
                    MSI Raider GE75 - Not posting, probable dead CPU
                    by FiguringITout
                    Hello, today I'm working on this lovely MSI Raider GE75 gaming laptop which I bought to flip. Unfortunately, I believe the CPU is toast but I wanted a second opinion before I chucked it into my spare parts bin. I will not have most tools with me today as I'm away from my workbench but I have the basics (a good multimeter, a horrible iron, a solid screwdriver, and my trusty thermal cam). I do not have the original 230w charger, but I have a Dell 180w which was sold with the device and reportedly "worked fine for them".

                    Specs: I7-10750H, RTX 2060, 32GB RAM (unknown manufacturer)...
                    07-25-2024, 07:27 AM
                  • Loading...
                  • No more items.
                  Working...