Samsung PN42C450 - Working my way through the diagnosis

Collapse
X
 
  • Time
  • Show
Clear All
new posts
  • MrBerga
    New Member
    • Dec 2012
    • 5
    • USA

    #1

    Samsung PN42C450 - Working my way through the diagnosis

    Hi all,

    Long time lurker, first time poster. My 42" Samsung plasma TV does not power on; instead a series of relay clicks are heard. I've formed my conclusion and want to bounce ideas off you guys. No bulged, discolored, smelly, or otherwise incorrect-looking caps or ICs anywhere.

    What I know:
    -After disconnecting all other boards to SMPS except the Logic Board, relays click twice and remain off. I can "force" the SMPS to go on my jumping PS_ON to GND.
    -Doing this causes 5.4VDC and 15VDC in the correct places, but no voltage at Va/Vs
    -Plugging in both the Logic Board and Main Board yields no Va/Vs.
    -Plugging in both the Logic Board and Main Board and jumping PS_ON to GND does yield Va/Vs at the test points, and the voltage is perfectly in-spec.

    Based on this, I would presume the Main Board is bad. When only Main Board is plugged into SMPS, relays should power on fine, correct?

    I'm new-- let me know what other information I can give to help out!
    Thank you!
  • randtek
    Badcaps Veteran
    • Oct 2011
    • 280
    • US

    #2
    Re: Samsung PN42C450 - Working my way through the diagnosis

    If you look at post #11 of this thread:
    https://www.badcaps.net/forum/showthread.php?t=19522&
    I give a procedure for testing that may help you confirm the main board as your problem.

    Comment

    • MrBerga
      New Member
      • Dec 2012
      • 5
      • USA

      #3
      Re: Samsung PN42C450 - Working my way through the diagnosis

      Randtek: Thanks, that was extremely helpful. I used it to find myself a new diagnosis...

      What I know now:
      -When all cables are plugged in EXCEPT for power to the X-Main-Drive, the TV powers on normally and even chimes and displays static for a second.
      -Va/Vs voltages begin at typical values, however when the display turns off, the voltages return *slowly* back to zero.

      I'd be inclined to conclude that my X-drive has failed. However, because the power is actually routed through the Y-drive, I can't be sure the Y-drive isn't to blame... Is there a way to know for sure? Also, why am I seeing incorrect Vs/Va voltages?

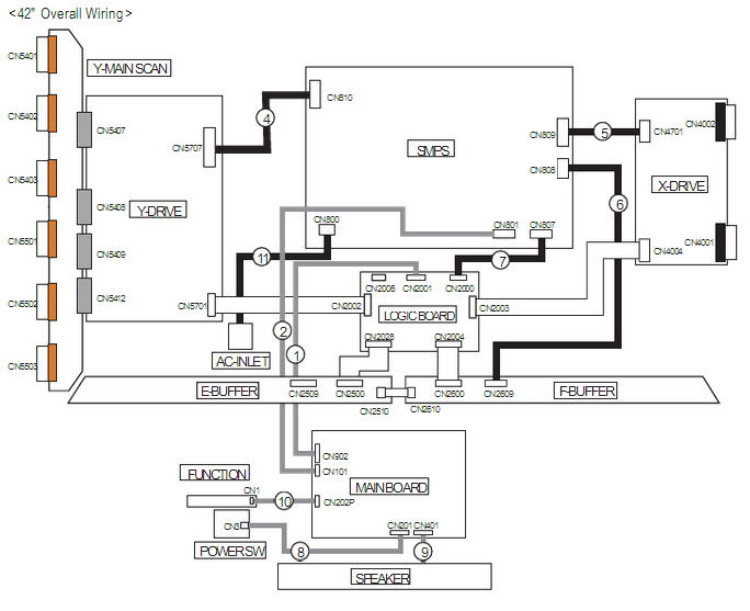
      In the first attached photo, you can see the connector I need to unplug in order to get the static to display. I hope I have my naming right but feel free to correct me :-)
      Attached Files

      if you find these attachements useful please consider making a small donation to the site

      Last edited by MrBerga; 12-11-2012, 12:35 AM. Reason: [edit: also added schematic which I have been getting terminology from. I can see it's not exactly the same flow as my panel, however...]

      Comment

      • Mt.Man
        Senior Member
        • Jun 2012
        • 53
        • USA

        #4
        Re: Samsung PN42C450 - Working my way through the diagnosis

        X-main is a common failure on that panel. Make sure you update the software also after you get it running to help prevent the x-main from failing again.

        Comment

        • tom66
          EVs Rule
          • Apr 2011
          • 32560
          • UK

          #5
          Re: Samsung PN42C450 - Working my way through the diagnosis

          Yes I have repaired this same model with failed X-main. Usually you will see a dim picture with it removed.
          Please do not PM me with questions! Questions via PM will not be answered. Post on the forums instead!
          For service manual, schematic, boardview (board view), datasheet, cad - use our search.

          Comment

          • MrBerga
            New Member
            • Dec 2012
            • 5
            • USA

            #6
            Re: Samsung PN42C450 - Working my way through the diagnosis

            Usually you will see a dim picture with it removed.
            I have a similar defect but not the same. My display turns on for about a second and shows static. I am unsure whether it's normal brightness.

            I have no Vs/Va voltage when X-Main is not connected. Is it normal for the X-Main to "drive" the SMPS to provide Vs/Va?

            Comment

            • tom66
              EVs Rule
              • Apr 2011
              • 32560
              • UK

              #7
              Re: Samsung PN42C450 - Working my way through the diagnosis

              No, SMPS provides Vs/Va.

              When X-main fails it shorts, killing Vs/Va voltage until it is removed.

              Does screen look like this? My video when I repaired this TV:
              https://www.youtube.com/watch?v=Bmu12mCOKcU

              In my case the X-main partially failed, but after running it for some time, it eventually shorted. I replaced it, and I fixed the TV.
              Last edited by tom66; 12-11-2012, 04:33 PM.
              Please do not PM me with questions! Questions via PM will not be answered. Post on the forums instead!
              For service manual, schematic, boardview (board view), datasheet, cad - use our search.

              Comment

              • MrBerga
                New Member
                • Dec 2012
                • 5
                • USA

                #8
                Re: Samsung PN42C450 - Working my way through the diagnosis

                Hey Tom66, what component(s) did you replace on that particular X-drive board? I'll pull that board out and look at it more closely.

                Additionally: the troubleshooting manual below describes scenarios for certain failures...
                Red tint: X drive failure
                No picture: Y drive failure

                Is this reliable? I have a (staticy) picture but only momentarily. Uploaded a lousy shot of the static.
                Attached Files

                if you find these attachements useful please consider making a small donation to the site

                Last edited by MrBerga; 12-11-2012, 10:01 PM. Reason: added troubleshooting diagram

                Comment

                Related Topics

                Collapse

                • Tynan Dill
                  Vizio e601i-A3 - Has Sound and Display, But No Backlight - Bad Power Supply Board or Bad LED Bulbs ?
                  by Tynan Dill
                  I was given this TV from my great uncle. He said it just wouldn't turn on one day out of nowhere, replaced the TV, and gave it to me to possibly fix and use for myself.

                  Upon bringing it home and plugging it up, it showed a standby light.

                  I powered it on and without a flashlight, the display showed the "V" but the lighting is very dim, but visible.

                  The screen seems to blackout and stay black, but with a flashlight I can see the display.

                  With my Playstation 4 connected via HDMI, and running a game I can hear sound.

                  Assuming...
                  11-22-2024, 01:46 PM
                • m1ch43lzm
                  HP Pavilion 15-eh Board DAG7HAMB8F0 - CPU throttling to 0.4GHz (PROCHOT_EXT) and black screen
                  by m1ch43lzm
                  Hi, this is my personal laptop, which the original board (lets call it Board A) blew up PU8700 (TPS51486), making a hole on the board, i had left the laptop at my desk one day with the battery fully charged and didn't touch it for a week, but when i tried to turn it on it didn't
                  Thought the battery was dead, so i plugged in the charger then tried to power on, the power LED blinked once, charged LED still orange, unplugged the charger, plugged in again and I noticed the "magic smoke" smell, so i unplugged the charger, removed the back cover and saw the blown IC (the "magic...
                  05-12-2025, 08:37 PM
                • ohren
                  Upgrading a Samsung ue55nu7096u with logic board from an ue55ru7105k -- good idea?
                  by ohren
                  I hope this is the right forum to post in despite not technically being a repair, but still a question of swapping boards.

                  I thought I'd explore the possibility to upgrade an existing working Samsung ue55nu7096u with the logic board (and power board if needed) of a newer model (ue55ru7105k) of the same size and appearance (and resolution). The reason being I'd like the extra inputs of that board including component in, an extra HDMI port and bluetooth. Its panel is broken so I have no use for the board otherwise.

                  The models launched in 2018 and 2019 respectively....
                  09-08-2023, 05:24 PM
                • C152Heavy
                  Samsung LN46C630K1F – Intermittent Backlight, BN44-00341B Power Board
                  by C152Heavy
                  Samsung LN46C630K1F – Intermittent Backlight, BN44-00341B Power Board

                  Summary for TL-DR readers:
                  • Backlight is intermittent, may come on with TV boot or not. No flickering, never fails during TV on.
                  • Have obtained Samsung schematic & service documents - Can upload if helpful.
                  • Have read ALL applicable threads
                  • C1818 and CP820 replaced as low hanging fruit
                  • CN802 data taken for normal and failed BL operation. SUMMARY: Pin 2 - 5vDet = 3.52 @normal, 0.0 @BL fail. Pin 6 - EPWM = 1.631 @normal, 1.058 @BL fail.
                  • VCC pin (18) of PFC...
                  01-11-2023, 02:53 PM
                • Document Archive
                  Samsung Galaxy Book 2 Notebook Specification for Upgrade or Repair
                  by Document Archive
                  This specification for the Samsung Galaxy Book 2 Notebook can be useful for upgrading or repairing a laptop that is not working. As a community we are working through our specifications to add valuable data like the Galaxy Book 2 boardview and Galaxy Book 2 schematic. Our users have donated over 1 million documents which are being added to the site. This page will be updated soon with additional information. Alternatively you can request additional help from our users directly on the relevant badcaps forum. Please note that we offer no warranties that any specification, datasheet, or download...
                  09-07-2024, 05:50 AM
                • Loading...
                • No more items.
                Working...