TV Samsung 75F6400AFXZA Power Supply BN44-00621A Dead

Collapse
X
 
  • Time
  • Show
Clear All
new posts
  • alfredomfr1
    Badcaps Veteran
    • Oct 2014
    • 318
    • usa

    #1

    TV Samsung 75F6400AFXZA Power Supply BN44-00621A Dead

    Power Supply BN44-00621A Dead, no voltages on CM803, fuses OK, Transistors with heatsink OK, Diodes OK.
    Attached Files

    if you find these attachements useful please consider making a small donation to the site

  • petehall347
    Badcaps Legend
    • Jan 2015
    • 4450
    • United Kingdom

    #2
    Re: TV Samsung 75F6400AFXZA Power Supply BN44-00621A Dead

    what voltage are you seeing at the big caps bottom right picture 3 ? this is the rectified mains power if no voltage check between there and the mains power socket there should be a rectifier .
    Last edited by petehall347; 06-19-2023, 05:46 PM.

    Comment

    • R_J
      Badcaps Legend
      • Jun 2012
      • 9627
      • Canada

      #3
      Re: TV Samsung 75F6400AFXZA Power Supply BN44-00621A Dead

      Check the voltage ACROSS one of the primary caps CP800,CP802 or CP804, (Next to the word BONDING) should be around 165vdc. If you have that voltage, check the voltage ACROSS CS851, this should be your standby A5V, this voltage needs to be there before anything will work.
      Last edited by R_J; 06-19-2023, 05:15 PM.

      Comment

      • alfredomfr1
        Badcaps Veteran
        • Oct 2014
        • 318
        • usa

        #4
        Re: TV Samsung 75F6400AFXZA Power Supply BN44-00621A Dead

        0v across the main capacitors.

        Comment

        • R_J
          Badcaps Legend
          • Jun 2012
          • 9627
          • Canada

          #5
          Re: TV Samsung 75F6400AFXZA Power Supply BN44-00621A Dead

          Check the voltage ACROSS CS809, this is the standby circuit supply voltage (165VDC), if not, check that you have A/C voltage on the inlet plug, I suspect you might have broken solder connections or broken traces on the plug where it connects to the board.

          Comment

          • alfredomfr1
            Badcaps Veteran
            • Oct 2014
            • 318
            • usa

            #6
            Re: TV Samsung 75F6400AFXZA Power Supply BN44-00621A Dead

            I have voltage thru the fuse but the bridges have not voltages

            Comment

            • alfredomfr1
              Badcaps Veteran
              • Oct 2014
              • 318
              • usa

              #7
              Re: TV Samsung 75F6400AFXZA Power Supply BN44-00621A Dead

              let me rectify, between live (L) and both AC legs of the bridge I have 120v but between Neutral (N) and the bridge I have 0v

              Comment

              • alfredomfr1
                Badcaps Veteran
                • Oct 2014
                • 318
                • usa

                #8
                Re: TV Samsung 75F6400AFXZA Power Supply BN44-00621A Dead

                Relays are not receiving the 5v DC.

                Comment

                • R_J
                  Badcaps Legend
                  • Jun 2012
                  • 9627
                  • Canada

                  #9
                  Re: TV Samsung 75F6400AFXZA Power Supply BN44-00621A Dead

                  I will try again... Check the voltage ACROSS CS809, this is the standby circuit supply voltage (165VDC)
                  Are you sure FS801S is good and not open?

                  If you have voltage across CS809, leave your negative probe on CS809 (EY16) cnd check the voltage on JP910 (DS802 cathode), there should be around 25vdc
                  Last edited by R_J; 06-20-2023, 11:30 AM.

                  Comment

                  • alfredomfr1
                    Badcaps Veteran
                    • Oct 2014
                    • 318
                    • usa

                    #10
                    Re: TV Samsung 75F6400AFXZA Power Supply BN44-00621A Dead

                    CS809: 157v DC
                    JP910: 0v

                    Comment

                    • R_J
                      Badcaps Legend
                      • Jun 2012
                      • 9627
                      • Canada

                      #11
                      Re: TV Samsung 75F6400AFXZA Power Supply BN44-00621A Dead

                      You should have that 157v on the 3 pins (6,7,8?) of ICS801CS If you do I suspect the ic is bad, it could be that CS806 is bad but not likely, Also check that the 5v output diode, DS851C is not shorted. You will need to remove it's heat sink to see the number.

                      Comment

                      • alfredomfr1
                        Badcaps Veteran
                        • Oct 2014
                        • 318
                        • usa

                        #12
                        Re: TV Samsung 75F6400AFXZA Power Supply BN44-00621A Dead

                        ICS801C is SQD2011K, it is receiving 157v but nothing is coming out, DS851C is OK

                        Comment

                        • R_J
                          Badcaps Legend
                          • Jun 2012
                          • 9627
                          • Canada

                          #13
                          Re: TV Samsung 75F6400AFXZA Power Supply BN44-00621A Dead

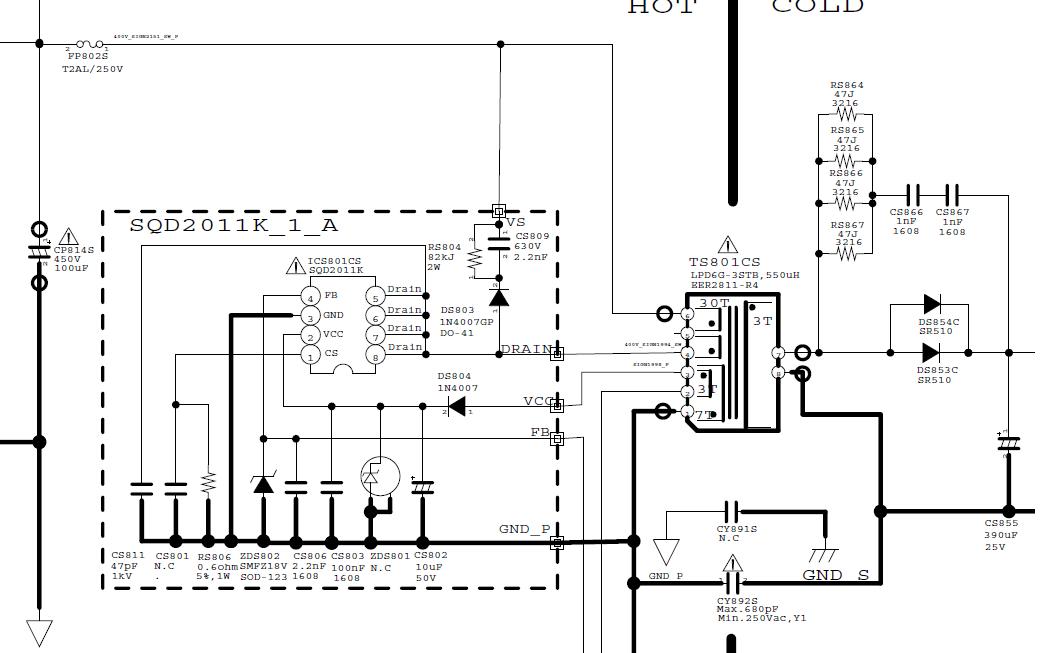
                          It is a very simple circuit, so if it is getting Drain voltage, check that the CS resistor RS807 is ok and not open, if it is ok, it is likely that the ic is bad, there could be a zener diode between pins 3 & 4, make sure it is not shorted.
                          Here is a similar circuit using that ic.
                          Attached Files

                          if you find these attachements useful please consider making a small donation to the site

                          Last edited by R_J; 06-20-2023, 02:42 PM.

                          Comment

                          • alfredomfr1
                            Badcaps Veteran
                            • Oct 2014
                            • 318
                            • usa

                            #14
                            Re: TV Samsung 75F6400AFXZA Power Supply BN44-00621A Dead

                            ICS801C replaced.
                            Thanks to you R J the board is working.

                            Comment

                            • R_J
                              Badcaps Legend
                              • Jun 2012
                              • 9627
                              • Canada

                              #15
                              Re: TV Samsung 75F6400AFXZA Power Supply BN44-00621A Dead

                              Good to here it's fixed, glad I could help.

                              Comment

                              • Gymkata98
                                New Member
                                • Aug 2012
                                • 1
                                • USA

                                #16
                                Hi Alfredomfr1 and R_J. I am a little late to the party on this post, so I'm not sure if anyone will respond, but I thought I would try! I am very much so a novice at troubleshooting Samsung Power Boards. This was a 75” TV that had a good screen, so I really wanted try and fix it. The board is BN44-00621C, but I think it is very similar to the “A” version. When Plugged in, the TV turns on and shows “Samsung smart tv” and then immediately the relay clicks and it turns off. It does this loop forever. If I unplug it, it will suck the voltage from the filter Caps and continue to power cycle until it does go into Power Standby (safety mode I suppose?) and show 2 quick flashing red lights until it runs out of juice.

                                I have check all resistors, fuses, diodes, transformers, solder joints, MOSFETS (although I'm not very knowledgeable at this). I have replaced almost all the Caps that I had in stock to match the best I could with what was on the board. I didn't replace the filter Caps, but I don't think they are bad. R_J, the voltage across the Filter Caps is only around 12 VDC before it shuts off, so the TV never stays on long enough for me to get a good reading. I checked voltage across CS809 and get around 365 VDC before relay shuts off (I replaced this CAP as it looked leaky at the Anode base. I only had a 37 mf cap, not a 22 mf). I also check the voltage across DS8021 did have around 25 VDC and DS851C does have 5 VDC.

                                Thank you and anything pointers you have would be greatly appreciated as I don't want to throw this old 75” TV in the Garbage!!

                                Comment

                                • alfredomfr1
                                  Badcaps Veteran
                                  • Oct 2014
                                  • 318
                                  • usa

                                  #17
                                  Disconnect the LVDS cable, turn on the TV and check if screen light on

                                  Comment

                                  Related Topics

                                  Collapse

                                  • Tynan Dill
                                    Vizio e601i-A3 - Has Sound and Display, But No Backlight - Bad Power Supply Board or Bad LED Bulbs ?
                                    by Tynan Dill
                                    I was given this TV from my great uncle. He said it just wouldn't turn on one day out of nowhere, replaced the TV, and gave it to me to possibly fix and use for myself.

                                    Upon bringing it home and plugging it up, it showed a standby light.

                                    I powered it on and without a flashlight, the display showed the "V" but the lighting is very dim, but visible.

                                    The screen seems to blackout and stay black, but with a flashlight I can see the display.

                                    With my Playstation 4 connected via HDMI, and running a game I can hear sound.

                                    Assuming...
                                    11-22-2024, 01:46 PM
                                  • sam_sam_sam
                                    Desoldering gun station modified to use a 18 volt @ 20 amp switching power supply
                                    by sam_sam_sam
                                    I have wanting to do this project for quite sometime now and I finally found a switching power supply that will work on this desoldering gun station ZD-915 that the original switching power supply took a shit and just was not worth trying to fix it because this switching power is not quite big enough to handle the heater element and the vacuum pump

                                    One note when I tested the switching power supply and the voltage control board I noticed that this desoldering gun heat up much faster than the original switching power supply which I was really surprised by to the point that I might buy...
                                    03-31-2024, 02:12 PM
                                  • Andreas_de
                                    Power supply Manson NTP-5561 (5661) LCD controller dead - PIC18F87K90 HEX dump required
                                    by Andreas_de
                                    Hello!

                                    i got a damaged Manson NTP-5561 (60V, 1,6A DC output) and and the main issue is that the controler IC for the LCD display has a short. The controler IC PIC18F87K90 is mounted on the back of the back of the LCD. Vss-Vdd = 3 Ohm. The 5V and 3,3V power line was killed as well, but that is not a problem. A new LDO 3,3V and 5V 7805 is already ordered.
                                    Replacing the PIC18F87K90 is necessary but that makes no sense without having the HEX dump of the new controler.

                                    Does anybody have such a power supply and could do a HEX dump of the Flash and EEPROM memory?
                                    ...
                                    04-12-2025, 10:38 AM
                                  • kevin_allein
                                    Samsung QE 75 Q 7 FGMTZG Power Supply dead
                                    by kevin_allein
                                    Hi, have this Samsung QE 75 Q 7 FGMTZG TV with no function. First analysis shows the power supply board is dead and fuse blown. Power Supply has the number BN94-11439A. I did short circuit test transistor and diodes and those do not appear to have shorts. I must admit I did not look at every single data sheet.
                                    In the TV was some black dust residue, so probably one of the electrolytic caps blew, but they do not show short either.

                                    Does anyone have schematics for that board ?
                                    Any good tip, what could be the issue ?
                                    02-27-2025, 12:15 PM
                                  • sam_sam_sam
                                    Modification to a ZD-987 desoldering/soldering station using a external switching power supply
                                    by sam_sam_sam
                                    I have been working on this concept for quite some time now with limited success but recently I found a switching power supply that is setup for the voltage that this soldering station needs to operate at however it also needs part of the secondary circuit from the original switching power because you need several voltage rails

                                    I once tried to get a ZD-915 desoldering station to work on a 18 volt battery power supply but unfortunately things did not go well but I did find a work around but I might try this idea again but going at a little differently more about this another time...
                                    07-01-2024, 06:34 AM
                                  • Loading...
                                  • No more items.
                                  Working...