Help please, Line + 5VSB increases the voltage.
Hello everyone, receive a cordial greeting.
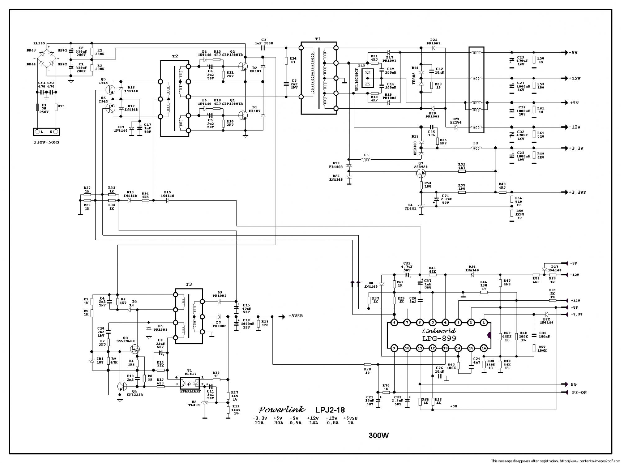
I have an ATX 500W power source. Chassis Model: LPJ2-23.
It turns out that when measuring the line voltage + 5VSB. After the source is turned on, the voltage gradually increases until it reaches approximately 7.8 vdc.
If I leave it connected to the power but turned off, the voltage remains stable at 5.1vdc. approximate
I thought I was a capacitor in that sector. Then I measured them with the ESR Raptor and they measured me well, but since I don't have a capacitor to know the real capacity, then I proceeded to replace the larger capacitor of 1000uf x 10vdc. I tried and same behavior, the voltage slowly rises to reach 7.8vdc.
I proceeded to replace each capacitor involved in that line one by one and was testing the same result.
Last instance, replace TL431, same case, replace ceramic capacitor 104, same case.
I demolished the 1.5kohm resistors and measured them, and they are very valuable. both.
When the source starts for the first time, the voltage at the transformer diode output of the VSB line starts at 12vdc, by the time the output voltage rises to 7.8vdc, the output voltage of the diode approaches 17
volts
I don't know what else to try. Please if anyone has an idea, I appreciate it in advance.
The controller of this source is the WT7514L
Disassemble the source as a custom to check them when I get a computer from a client, in this case I had originally damaged the output capacitor of the line + 5vdc. Replace it arm the source, install it on the computer and the PC worked perfectly, until I turned it off and wanted to turn it on again, at that time the power source turned on and off immediately. I tested the PC with another power source and it works perfectly.
Thank you very much in advance.
Hello everyone, receive a cordial greeting.
I have an ATX 500W power source. Chassis Model: LPJ2-23.
It turns out that when measuring the line voltage + 5VSB. After the source is turned on, the voltage gradually increases until it reaches approximately 7.8 vdc.
If I leave it connected to the power but turned off, the voltage remains stable at 5.1vdc. approximate
I thought I was a capacitor in that sector. Then I measured them with the ESR Raptor and they measured me well, but since I don't have a capacitor to know the real capacity, then I proceeded to replace the larger capacitor of 1000uf x 10vdc. I tried and same behavior, the voltage slowly rises to reach 7.8vdc.
I proceeded to replace each capacitor involved in that line one by one and was testing the same result.
Last instance, replace TL431, same case, replace ceramic capacitor 104, same case.
I demolished the 1.5kohm resistors and measured them, and they are very valuable. both.
When the source starts for the first time, the voltage at the transformer diode output of the VSB line starts at 12vdc, by the time the output voltage rises to 7.8vdc, the output voltage of the diode approaches 17
volts
I don't know what else to try. Please if anyone has an idea, I appreciate it in advance.
The controller of this source is the WT7514L
Disassemble the source as a custom to check them when I get a computer from a client, in this case I had originally damaged the output capacitor of the line + 5vdc. Replace it arm the source, install it on the computer and the PC worked perfectly, until I turned it off and wanted to turn it on again, at that time the power source turned on and off immediately. I tested the PC with another power source and it works perfectly.
Thank you very much in advance.
Comment