I have this old function generator that I got recently and it has a power supply issue that I cant quit lock down.
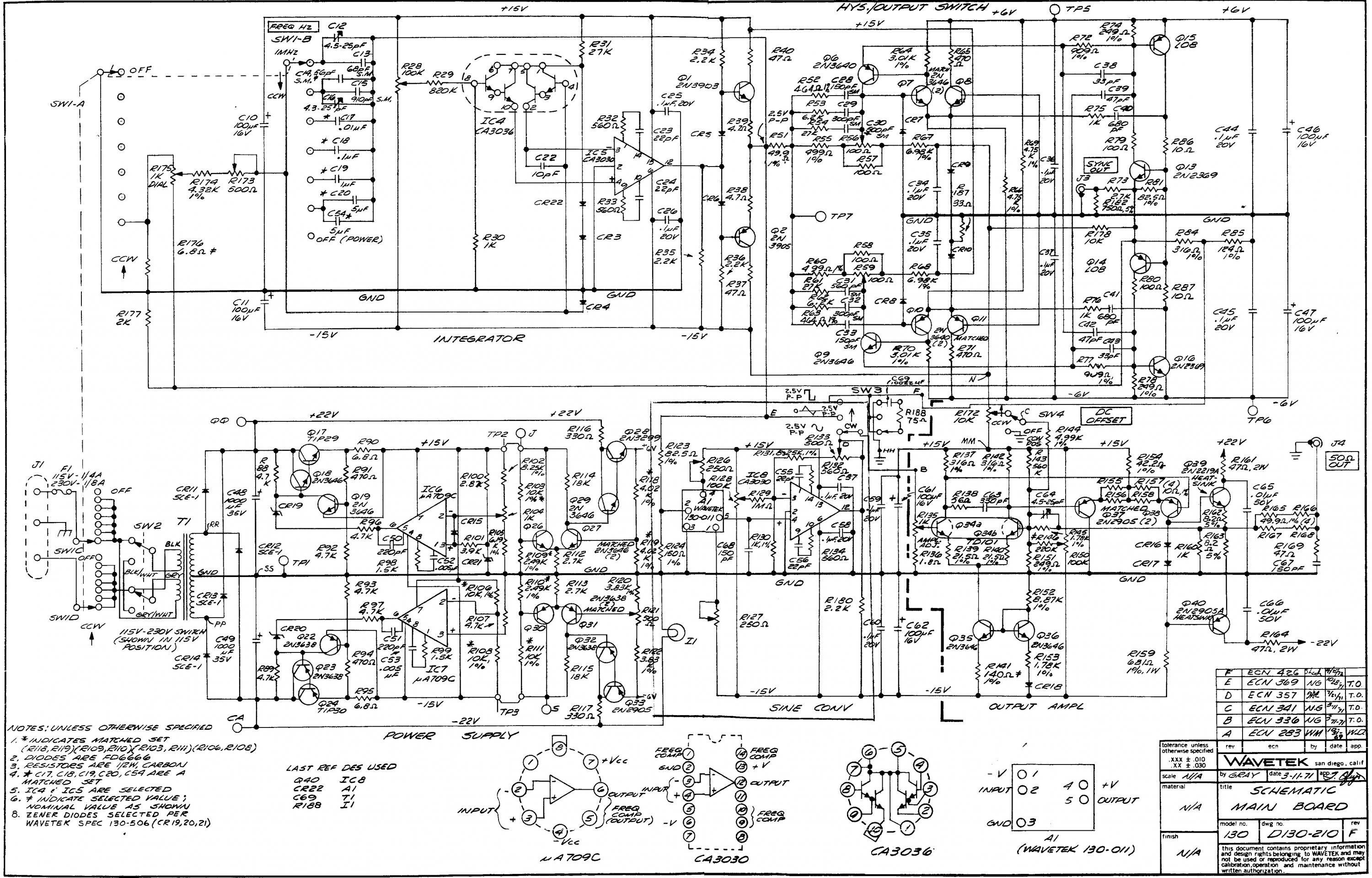
Please view the schematic.
Incoming voltages 120VAC = OK
Fuse = OK
Using TP 1 as GND in this section;
TP2 = -2.7 to -4.8 varying with frequency knob\potentiometer. (Bad should be +15VDC
TP3 = -15VDC (Good)
Top of R116 = 26VDC
Bottom of R117 = -26VDC
I dont really know how to disect further to pinpoint the bad component. At this point I'd guess and just change out IC6 maybe?
Please view the schematic.
Incoming voltages 120VAC = OK
Fuse = OK
Using TP 1 as GND in this section;
TP2 = -2.7 to -4.8 varying with frequency knob\potentiometer. (Bad should be +15VDC
TP3 = -15VDC (Good)
Top of R116 = 26VDC
Bottom of R117 = -26VDC
I dont really know how to disect further to pinpoint the bad component. At this point I'd guess and just change out IC6 maybe?

Comment