115/220v Switch?

Collapse
X
 
  • Time
  • Show
Clear All
new posts
  • Dan81
    SNES-powered
    • Oct 2013
    • 1866
    • Romania

    #1

    115/220v Switch?

    Okay,so to keep it short here goes:

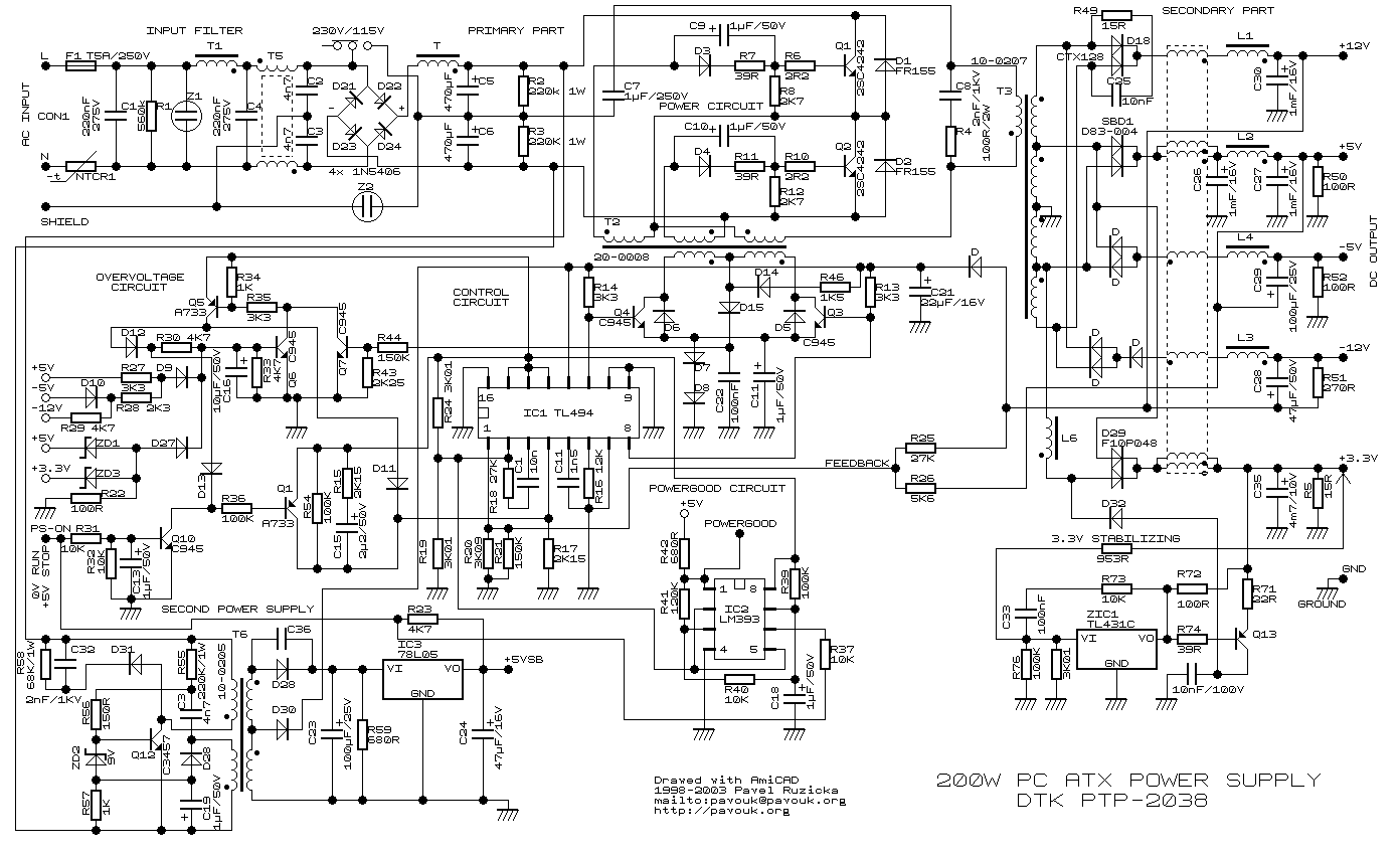
    I've got an KME PSU here without any case,no AC plug and no fan. I found out it has a 115/220v switch,and I want to ask you all: can I safely remove it? I'm installing it into a old Delux casing (which originally stored a crappy Sun Pro inside,which went up in nice sparks ) which does not have the space to install the switch and to install it in the small space between the primary heatsink and the transformer is too dangerous for me.

    So,if you have any ideas,I'm here to listen.
    Main rig:
    Gigabyte B75M-D3H
    Core i5-3470 3.60GHz
    Gigabyte Geforce GTX650 1GB GDDR5
    16GB DDR3-1600
    Samsung SH-224AB DVD-RW
    FSP Bluestorm II 500W (recapped)
    120GB ADATA + 2x Seagate Barracuda ES.2 ST31000340NS 1TB
    Delux MG760 case
  • kaboom
    "Oh, Grouchy!"
    • Jan 2011
    • 2507
    • USA

    #2
    Re: 115/220v Switch?

    Desolder the leads, from each side of the switch, from the PCB. Do not replace with a jumper wire.

    You'll then have an ordinary rectifier- just what you need for 240V AC input.
    Last edited by kaboom; 02-21-2016, 05:53 AM.
    "pokemon go... to hell!"

    EOL it...
    Originally posted by shango066
    All style and no substance.
    Originally posted by smashstuff30
    guilty,guilty,guilty,guilty!
    guilty of being cheap-made!

    Comment

    • japlytic
      Badcaps Legend
      • Oct 2005
      • 2086
      • Australia

      #3
      Re: 115/220v Switch?

      Does the 115/230V switch have only two wires, and are these two wires shorted when the switch is in the 115V position?
      My first choice in quality Japanese electrolytics is Nippon Chemi-Con, which has been in business since 1931... the quality of electronics is dependent on the quality of the electrolytics.

      Comment

      • Dan81
        SNES-powered
        • Oct 2013
        • 1866
        • Romania

        #4
        Re: 115/220v Switch?

        japlytic - it has only two wires,both connected between one of the primary 560uF HEC caps. I don't know if 115 equals with the wires being shorted.
        Main rig:
        Gigabyte B75M-D3H
        Core i5-3470 3.60GHz
        Gigabyte Geforce GTX650 1GB GDDR5
        16GB DDR3-1600
        Samsung SH-224AB DVD-RW
        FSP Bluestorm II 500W (recapped)
        120GB ADATA + 2x Seagate Barracuda ES.2 ST31000340NS 1TB
        Delux MG760 case

        Comment

        • mariushm
          Badcaps Legend
          • May 2011
          • 3799

          #5
          Re: 115/220v Switch?

          The switch connects a point between the two large capacitors ( between + of one cap and - of the other) to line input (on the rectifier) and you basically have two capacitors in parallel...

          When the switch is made, psu is configured in 115v. When switch is off (wires not shorted), the psu is in 230 v mode (and you have the two large capacitors in series and that's how two 200-250v rated capacitors don't blow up when they see 350v+ from the rectifier.



          Just desolder the wires from the pcb if you want to make the psu 230v only.
          Attached Files

          if you find these attachements useful please consider making a small donation to the site

          Comment

          • japlytic
            Badcaps Legend
            • Oct 2005
            • 2086
            • Australia

            #6
            Re: 115/220v Switch?

            Originally posted by Dan81
            japlytic - it has only two wires,both connected between one of the primary 560uF HEC caps. I don't know if 115 equals with the wires being shorted.
            Typically, both wires on the 115/230V switch become shorted when the switch is in the 115V position, but you should confirm this after the large filter capacitors have been safely discharged.
            My first choice in quality Japanese electrolytics is Nippon Chemi-Con, which has been in business since 1931... the quality of electronics is dependent on the quality of the electrolytics.

            Comment

            • budm
              Badcaps Legend
              • Feb 2010
              • 40746
              • USA

              #7
              Re: 115/220v Switch?

              When switch is closed in 115VAC mode, the circuit become Voltage doubler circuit so the DC primary (about 325VDC) will stay about the same as when it is feeding by the 230VAC.
              Last edited by budm; 02-23-2016, 09:43 AM.
              Never stop learning
              Basic LCD TV and Monitor troubleshooting guides.
              http://www.badcaps.net/forum/showthr...956#post305956

              Voltage Regulator (LDO) testing:
              http://www.badcaps.net/forum/showthr...999#post300999

              Inverter testing using old CFL:
              http://www.badcaps.net/forum/showthr...er+testing+cfl

              Tear down pictures : Hit the ">" Show Albums and stories" on the left side
              http://s807.photobucket.com/user/budm/library/

              TV Factory reset codes listing:
              http://www.badcaps.net/forum/showthread.php?t=24809

              Comment

              Related Topics

              Collapse

              • Document Archive
                Acer Switch Switch V 10 SW5-017P Hybrid (2-in-1) V 10 Specification for Upgrade or Repair
                by Document Archive
                This specification for the Acer Switch Switch V 10 SW5-017P Hybrid (2-in-1) can be useful for upgrading or repairing a laptop that is not working. As a community we are working through our specifications to add valuable data like the Switch V 10 SW5-017P boardview and Switch V 10 SW5-017P schematic. Our users have donated over 1 million documents which are being added to the site. This page will be updated soon with additional information. Alternatively you can request additional help from our users directly on the relevant badcaps forum. Please note that we offer no warranties that any specification,...
                09-06-2024, 05:30 AM
              • Natob82
                Micro Momentary Push Switch?
                by Natob82
                Great to be here! I'm a newbie here trying to find a "micro", momentary push switch to repair a Sony "clamshell" video walkman. This micro switch has long since discontinued by Sony, however I hope there are third-party switches of the same size and functionality that I might be able to source to play the same role. The purpose of this switch is to tell the video walkman that the user has activated the mechanical tape eject button, turning that physical action into an electronic signal that tells the tape transport mechanism to open so one can load or eject a video tape. I...
                12-21-2022, 05:22 AM
              • grimacelord
                NEC TurboExpress On/Off Power Switch Replacement Help
                by grimacelord
                Hello,

                I've been working on a NEC TurboExpress and I accidentally got the plastic inside the power ON/OFF switch too hot while doing other repairs and melted it. At first, it would still power on when sliding the switch, but you had to really press inward while sliding to get it to work.

                I removed the switch component and tried to gently melt the plastic back so it would work more reliably and all I managed to do was make it worse.

                I need to find a replacement On/OFF switch for this, but having some trouble figuring out which kind of switch I need....
                11-09-2023, 09:49 AM
              • SluggerB
                Help making a switch work the opposite way with a relay
                by SluggerB
                I have a very small float switch, I'm using in a very small tank. It only fits in one way. Link https://www.amazon.com/uxcell-Switch.../dp/B07DZ1J2GB

                I want the switch to be open when the water is high, and closed when the water is low. Unfortunately it works the opposite. And since this switch is designed to be underwater, it's all sealed up, there is no taking it apart or hacking it up.

                It will be driving a water pump, basic idea, when the water is low, switch closes, which turns on water pump, when enough water is in the tank, float switch floats,...
                02-07-2025, 07:57 PM
              • sam_sam_sam
                Modifying a 4 Position Universal Rotary Cam Changeover Switch LW26-20 for more cams
                by sam_sam_sam
                Panel Mount 4 Position 8 terminals Universal Rotary Cam Changeover Switch LW26-20 20A
                ( needs more cam circuits for the machine to work correctly again )

                https://www.ebay.com/itm/275321870186

                To
                3 Position 16 Terminals Universal Rotary Cam Changeover Switch LW28-20 20A
                ( not 4 positions but the right amount of cams circuits )

                https://www.ebay.com/itm/274660439950

                I going to take the 4 position cams selector switch and remove the cams that are on it and remove the cams off of the 3 position selector switch and swap them around...
                03-18-2023, 05:12 PM
              • Loading...
              • No more items.
              Working...