820-00239 i have the image but no back light

Collapse
X
 
  • Time
  • Show
Clear All
new posts
  • mnciks11
    Badcaps Veteran
    • Aug 2019
    • 345
    • south Africa

    #1

    820-00239 i have the image but no back light

    Hello guys, what is the procedure to diagnose a back light on this model
    Attached Files
  • piernov
    Super Moderator
    • Jan 2016
    • 4439
    • France

    #2
    Re: 820-00239 i have the image but no back light

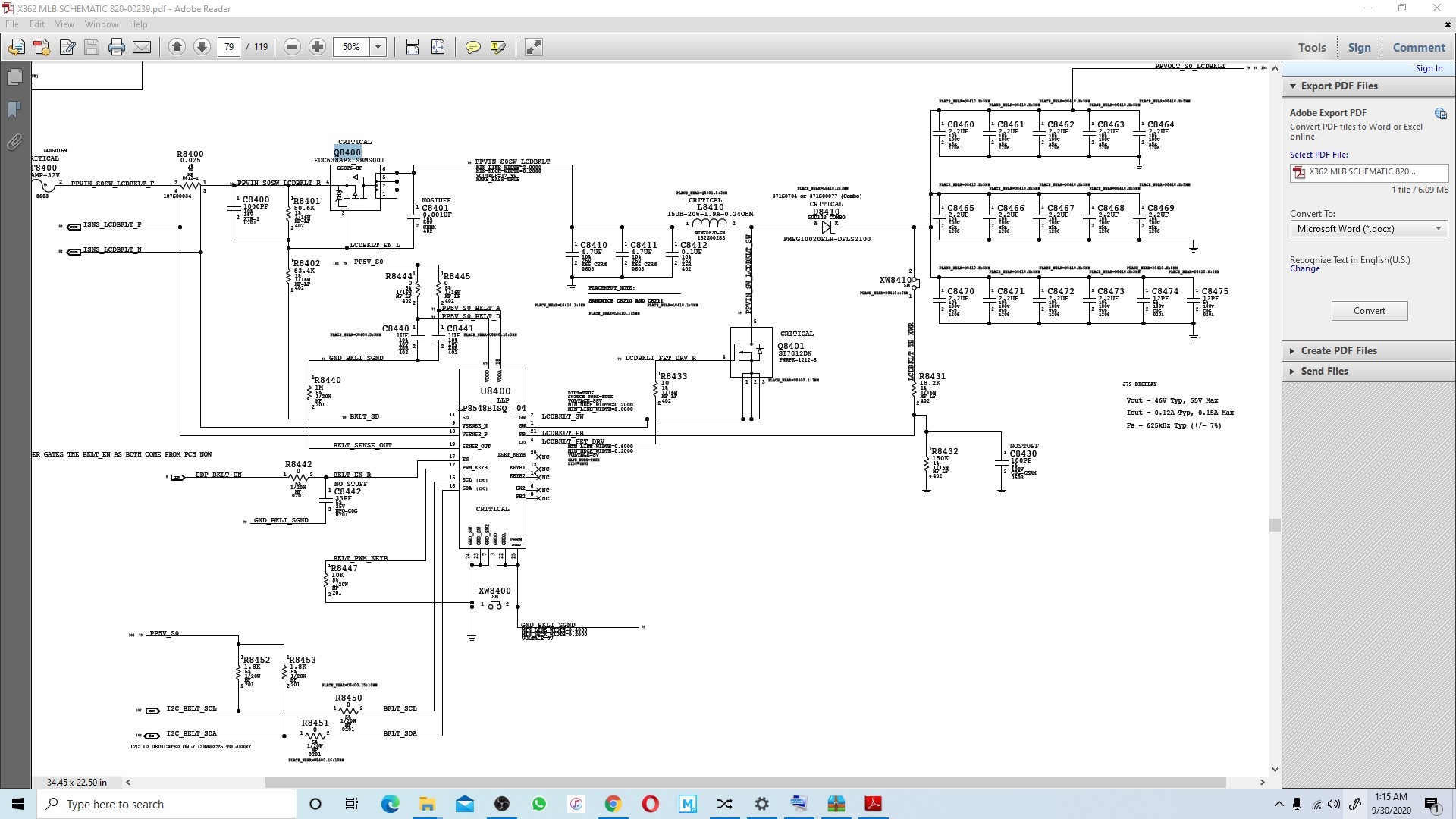
    As always start by checking exact voltage on backlight output (LCD connected).
    OpenBoardView — https://github.com/OpenBoardView/OpenBoardView

    Comment

    • dellxps15
      Badcaps Legend
      • Feb 2014
      • 1598
      • italy

      #3
      Re: 820-00239 i have the image but no back light

      check voltage on F8400, l8410 d8410


      all both side.

      Comment

      Related Topics

      Collapse

      Working...