pls help HP 250 G4 NO POWER .

Collapse
X
 
  • Time
  • Show
Clear All
new posts
  • mo000
    Badcaps Veteran
    • Nov 2017
    • 285
    • algeria

    #1

    pls help HP 250 G4 NO POWER .

    Hi everyone
    hp 250 g4 LA-C701P is dead
    when i plug in the charger the power led is on but when i press the power button nothing happen

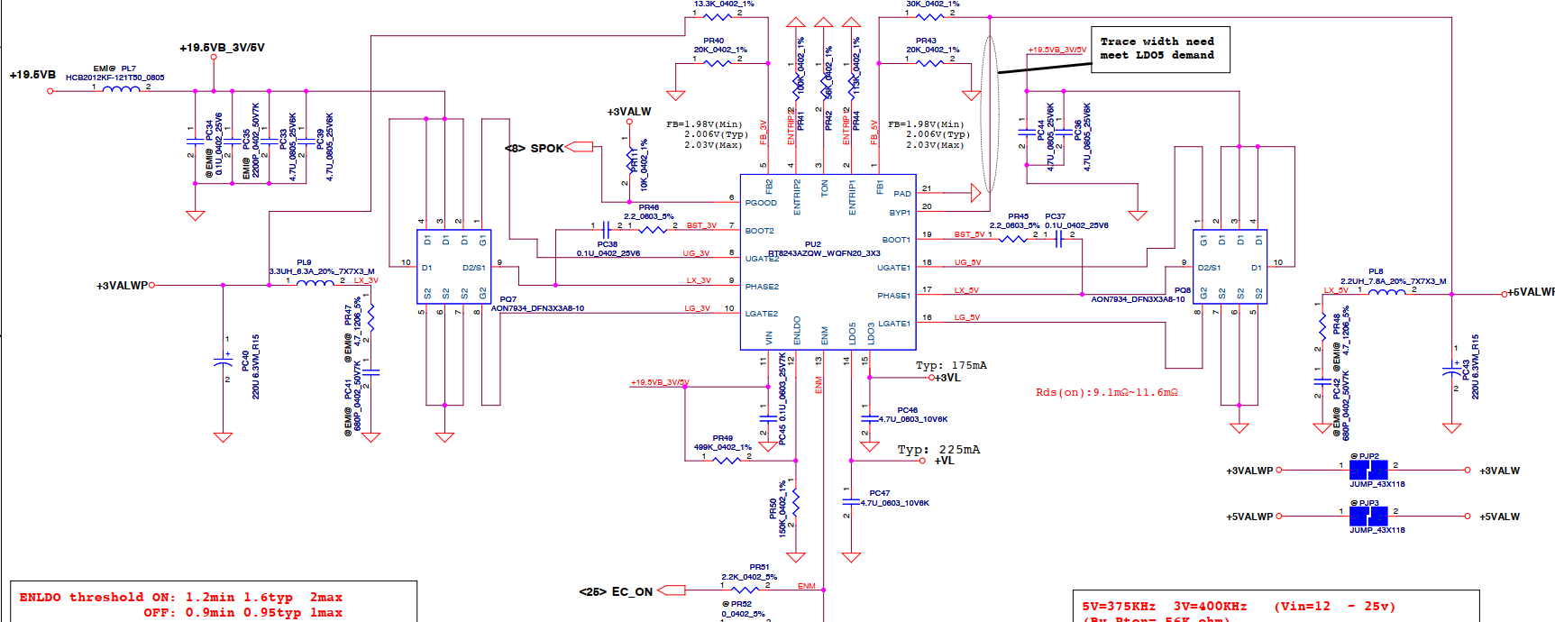
    when i press the power button the ic PU2 (RT8243AZQW 3/5V) becomes hot ; i change it with new one but same problem
    EC_ON , MAINPWON signal are exist and LDO3 AND LDO5 Exist too
    VIN voltage exist
    everything is ok and no short on output pins
    but i don't know why the ic becomes hot .
    Last edited by mo000; 07-08-2020, 10:27 AM.
  • mo000
    Badcaps Veteran
    • Nov 2017
    • 285
    • algeria

    #2
    Re: pls help HP 250 G4 NO POWER .

    any ideas .

    Comment

    • qayyum786
      Badcaps Legend
      • Aug 2018
      • 1959
      • INDIA

      #3
      Re: pls help HP 250 G4 NO POWER .

      Check boost capacitor and feedback rasistor

      Comment

      • mcplslg123
        Badcaps Legend
        • Jun 2015
        • 7262
        • india

        #4
        Re: pls help HP 250 G4 NO POWER .

        What is the voltage on pin 13 of PU2 when you turn it on?? Impedance on coil PL8/PL9 in diode mode?? Resistance in Ohms mode??

        Comment

        • mo000
          Badcaps Veteran
          • Nov 2017
          • 285
          • algeria

          #5
          Re: pls help HP 250 G4 NO POWER .

          Originally posted by mcplslg123
          What is the voltage on pin 13 of PU2 when you turn it on?? Impedance on coil PL8/PL9 in diode mode?? Resistance in Ohms mode??
          pin13=3.3

          PL9 1014ohms
          but pl8 360ohms sometimes becomes 30ohms .
          Last edited by mo000; 07-09-2020, 12:22 AM.

          Comment

          • mo000
            Badcaps Veteran
            • Nov 2017
            • 285
            • algeria

            #6
            Re: pls help HP 250 G4 NO POWER .

            Originally posted by qayyum786
            Check boost capacitor and feedback rasistor
            can you specific pls .
            Attached Files
            Last edited by mo000; 07-09-2020, 04:29 AM.

            Comment

            • mo000
              Badcaps Veteran
              • Nov 2017
              • 285
              • algeria

              #7
              Re: pls help HP 250 G4 NO POWER .

              someone help pls .

              Comment

              • mo000
                Badcaps Veteran
                • Nov 2017
                • 285
                • algeria

                #8
                Re: pls help HP 250 G4 NO POWER .

                i desolder the jumber PJP3 but same problem i think the whole problem in 5VALW side .
                Attached Files

                Comment

                • mcplslg123
                  Badcaps Legend
                  • Jun 2015
                  • 7262
                  • india

                  #9
                  Re: pls help HP 250 G4 NO POWER .

                  Remove jumper PJP2 also and check again whether PU2 is still getting hot. may be bad KBC.

                  Comment

                  • mo000
                    Badcaps Veteran
                    • Nov 2017
                    • 285
                    • algeria

                    #10
                    Re: pls help HP 250 G4 NO POWER .

                    Originally posted by mcplslg123
                    Remove jumper PJP2 also and check again whether PU2 is still getting hot. may be bad KBC.
                    I do but PU2 still getting hot .

                    Comment

                    • mcplslg123
                      Badcaps Legend
                      • Jun 2015
                      • 7262
                      • india

                      #11
                      Re: pls help HP 250 G4 NO POWER .

                      Measure resistance on all pins of PU2 and voltage on each pin. Are you sure you soldered a new PU2 or pulled from scrap mb??

                      Comment

                      • Duranitron
                        Badcaps Veteran
                        • Jul 2014
                        • 544
                        • Philippines

                        #12
                        Re: pls help HP 250 G4 NO POWER .

                        Originally posted by mcplslg123
                        Measure resistance on all pins of PU2 and voltage on each pin. Are you sure you soldered a new PU2 or pulled from scrap mb??
                        op said i change it with new one but same problem.

                        something is shorting pu2.. if you done desoldering the jpj2 jpj3. and still the ic overheat.. maybe its a bad ic batch... can you picture the pu2 for us.. tnx..
                        Last edited by Duranitron; 07-11-2020, 07:56 AM.
                        Never stop LEARNING because life never stops TEACHING!

                        Comment

                        • mo000
                          Badcaps Veteran
                          • Nov 2017
                          • 285
                          • algeria

                          #13
                          Re: pls help HP 250 G4 NO POWER .

                          Originally posted by mcplslg123
                          Measure resistance on all pins of PU2 and voltage on each pin. Are you sure you soldered a new PU2 or pulled from scrap mb??
                          i pulled from working motherboard , i'm sure .
                          Last edited by mo000; 07-11-2020, 08:01 AM.

                          Comment

                          • mo000
                            Badcaps Veteran
                            • Nov 2017
                            • 285
                            • algeria

                            #14
                            Re: pls help HP 250 G4 NO POWER .

                            Originally posted by Duranitron
                            op said i change it with new one but same problem.

                            something is shorting pu2.. if you done desoldering the jpj2 jpj3. and still the ic overheat.. maybe its a bad ic batch... can you picture the pu2 for us.. tnx..
                            yes i desolder jpj2 and jpj3 and i also desolder pl8 but pu2 still overheating without output .

                            Comment

                            • mo000
                              Badcaps Veteran
                              • Nov 2017
                              • 285
                              • algeria

                              #15
                              Re: pls help HP 250 G4 NO POWER .

                              unfortunately the client take back his laptop , thnx mcplslg123 and duration for help .

                              Comment

                              • mcplslg123
                                Badcaps Legend
                                • Jun 2015
                                • 7262
                                • india

                                #16
                                Re: pls help HP 250 G4 NO POWER .

                                Originally posted by mo000
                                i pulled from working motherboard , i'm sure .
                                I'll still bat for this ic being bad or badly soldered. However, its useless now since its no more with you.

                                Comment

                                Related Topics

                                Collapse

                                • Tynan Dill
                                  Vizio e601i-A3 - Has Sound and Display, But No Backlight - Bad Power Supply Board or Bad LED Bulbs ?
                                  by Tynan Dill
                                  I was given this TV from my great uncle. He said it just wouldn't turn on one day out of nowhere, replaced the TV, and gave it to me to possibly fix and use for myself.

                                  Upon bringing it home and plugging it up, it showed a standby light.

                                  I powered it on and without a flashlight, the display showed the "V" but the lighting is very dim, but visible.

                                  The screen seems to blackout and stay black, but with a flashlight I can see the display.

                                  With my Playstation 4 connected via HDMI, and running a game I can hear sound.

                                  Assuming...
                                  11-22-2024, 01:46 PM
                                • PantherDave
                                  Microsoft Surface Pro (5th gen) model 1796 - no power
                                  by PantherDave
                                  Hi all!

                                  I'm trying to troubleshoot a Microsoft Surface Pro (5th gen) model 1796 that won't power on. Motherboard model is M1007506-015. My priority is retrieving data, but the SSD is integrated so it looks like if I can't repair it it'll need to go to a data recovery company. I've done a little basic board repair before, but nothing this advanced until now. So please forgive my ignorance in advance. 😅

                                  I found the boardview for this laptop in the forums here, and am able to open it on my PC with FlexBV.
                                  https://www.badcaps.net/forum/troubl...-hardware-devi...
                                  05-29-2024, 02:01 PM
                                • GLISIT
                                  Asus Probook P5440UF-XB74 power issue
                                  by GLISIT
                                  Hi all,

                                  TL;DR - this laptop is driving me nuts with the oddball power-related behaviors. Appreciate any insight you can provide!


                                  I'm experiencing a power issue on an Asus Probook P5440UF-XB74. Although I've worked with electronics and computers for decades, this is my first attempt at getting into motherboard-level component troubleshooting. Any help the community can provide is greatly appreciated!

                                  A few weeks ago I was using the laptop (on battery power) for a Zoom meeting. The battery was running very low (long meeting) but I wasn't worried about...
                                  01-16-2025, 02:29 PM
                                • sam_sam_sam
                                  Desoldering gun station modified to use a 18 volt @ 20 amp switching power supply
                                  by sam_sam_sam
                                  I have wanting to do this project for quite sometime now and I finally found a switching power supply that will work on this desoldering gun station ZD-915 that the original switching power supply took a shit and just was not worth trying to fix it because this switching power is not quite big enough to handle the heater element and the vacuum pump

                                  One note when I tested the switching power supply and the voltage control board I noticed that this desoldering gun heat up much faster than the original switching power supply which I was really surprised by to the point that I might buy...
                                  03-31-2024, 02:12 PM
                                • Document Archive
                                  HP Pavilion Power Pavilion Power 15-cb009nl Notebook 15 Specification for Upgrade or Repair
                                  by Document Archive
                                  This specification for the HP Pavilion Power Pavilion Power 15-cb009nl Notebook can be useful for upgrading or repairing a laptop that is not working. As a community we are working through our specifications to add valuable data like the Pavilion Power 15-cb009nl boardview and Pavilion Power 15-cb009nl schematic. Our users have donated over 1 million documents which are being added to the site. This page will be updated soon with additional information. Alternatively you can request additional help from our users directly on the relevant badcaps forum. Please note that we offer no warranties that...
                                  09-06-2024, 05:59 AM
                                • Loading...
                                • No more items.
                                Working...