Guest - Try our new boardview, Bios, & schematic search. Over 1.1 million files for download!

Macbook Pro A1990 - Battery not detected after connector torn off

Collapse
X
 
  • Time
  • Show
Clear All
new posts
  • silver60618
    Member
    • May 2021
    • 40
    • United States

    #1

    Macbook Pro A1990 - Battery not detected after connector torn off

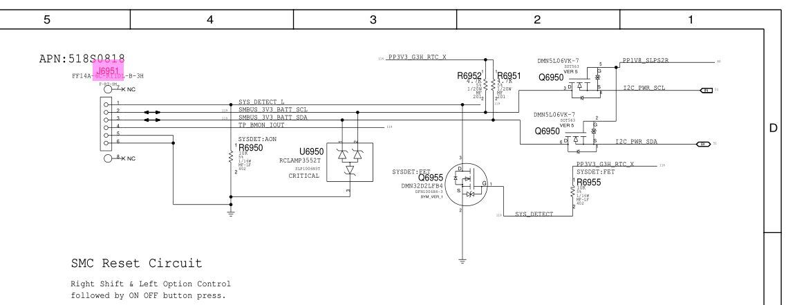
    Hi Gang, Im working on Macbook Pro A1990, the battery connector was torn off during friend trying to replace battery. I soldered on the connector back, and created traces. The battery does charge (according to amp meter), and does power on battery only. But the signal detect line maybe done incorrectly, and the macbook shows "X" over battery icon, and "Service Recommended" on new battery

    Can somebody point me to which of these connector pins is responsible for battery detect/data line? Pin 4 on schematic had a nub on the trace, im not sure if that is important, but I ran a jumper to the corresponding test pad

    Any help or advice much appreciated!
    Attached Files

    Premium supporters get full download access and other benefits.

  • mon2
    Badcaps Legend
    • Dec 2019
    • 15435
    • Canada

    #2
    Review the Troubleshooting guide here:

    https://logi.wiki/index.php/MacBook_...ics_and_repair

    Comment

    Related Topics

    Collapse

    • Strolch
      MacBook A1990 26 Pin Connector
      by Strolch
      Hello, can anyone tell me where I can get this 26-pin FPC connector? What is the connector for?So that one's also for the Touch Bar. I thought only the FPC at the top was for the Touch Bar. But where can I get it? I can't find the connector online. I only found the 22nd pin. Thank you....
      09-03-2025, 01:11 AM
    • bussincaps
      MacBook Pro Mid-2014 A1398 Retina LED Controller Connector [First Repair (Disaster)]
      by bussincaps
      Hello All,

      tl;dr: minimal electronics experience and my first repair, lifted 8 pads off the laptop display LED controller board when attempting a connector replacement, options are attempting pad repair or jump wiring.

      Laptop Model: MacBook Pro 15 Mid-2014 Retina, A1398 MGXA2LL/A
      eDP Display: Samsung LSN154YL01-A02, assembly sold as Apple part 661-8310
      Soldering Equipment: Hakko FX-888D w/ T-18 tips (Chisel, Conical, Bevel types)

      I needed to replace the 30-pin I-PEX Cabline connector (labeled J8300 in the Apple 820-3662 mainboard schematics),...
      08-03-2023, 12:57 PM
    • alfredodinolfo
      MacBook Pro 2019 (A1990)
      by alfredodinolfo
      mb code:820-01827-A;
      sn:C02Z349ALVDR;
      i9 32GB Ram 1TB

      Hi, I found short on one of 6 black nand (total 1TB).
      i removed all 6 nand ( voltages all ok) and now i want to program with JC P15 but for A1990 2019 there is only 512GB configuration.
      I try A2141 1TB configurazion with TSB4228 but the position on pcb is different ( U9300 and U9400 is no stuff on A1990 but present on A2141 and U8800 and U8900 is no stuff on A2141 but present on A1990 )
      macbook with A2141 configuration run on recovery but don't complete it.​
      anyone can help me?
      05-26-2025, 09:27 AM
    • robka
      MacBook Pro 2018 - A1990 Dead - not charging - only 5V
      by robka
      Hi,

      my MacBook Pro 15" 2018 Touch Bar (A1990) doesn't charge anymore. Board# 820-01041-A

      I'm not experienced in diagnostics, but I want to try to solve the problem with your help, because every local shop charges around 600€ (650 usd). Which is the value of the whole Macbook.

      The Macbook was charging when suddenly the "charging sound" appeared every other second for around 4-5 times.
      After that the Macbook was dead. It isn't charging anymore.

      The USB-C Port where the charger was plugged is burned. Also The Cable and the...
      03-02-2024, 02:58 PM
    • DATATECH85
      Macbook Pro A1990 - 820-01041 Stuck at 5V / 0.02A
      by DATATECH85
      Hello,
      I am currently working on a Macbook Pro A1990 (motherboard 820-01041) which is not charging.
      The Macbook consumes 5V and 0.019A at USB-C. There seems to be a partial short-circuit on the PPBUS_G3H rail as I have 0V on this rail.

      I've physically separated (by removing F7000 and F7001) PPBUS_G3H and the ISL9240 charging chip to see which side the short is coming from. Removing these fuses gives me 12.6V at the output of the ISL chip (PPVBAT_G3H_CHGR_REG).
      However, I can't work out exactly why I don't have the PPBUS_G3H rail.

      Here are the values...
      07-24-2024, 06:34 AM
    • Loading...
    • No more items.
    Working...