820-02100 Turn ON Turn OFF cycle

Collapse
X
 
  • Time
  • Show
Clear All
new posts
  • MobileXT
    Badcaps Veteran
    • Oct 2012
    • 214
    • USA

    #1

    820-02100 Turn ON Turn OFF cycle

    Hello Everyone, I'm new on this board 820-02100 and having a problem on the charger 5v then 19v then back to 5V again in cycles. I don't know where to start. Any help greatly appreciate.
  • mon2
    Badcaps Legend
    • Dec 2019
    • 14717
    • Canada

    #2
    Remove all power. Meter in resistance mode. Measure the resistance to ground of:

    F5200 or F5201.

    Comment

    • MobileXT
      Badcaps Veteran
      • Oct 2012
      • 214
      • USA

      #3
      F5200 and F5201 resistance to ground 368kΩ
      Diode Mode= .433v

      PPBus_G3H = 12.34 to 10v Pulsing
      PP3V3_AO = 3.3 to 0 Pulsing.

      Comment

      • mon2
        Badcaps Legend
        • Dec 2019
        • 14717
        • Canada

        #4
        Flux and remove both of the fuses @ F5200 and F5201. Do not lose these parts. Power up again. Is PPBUS_G3H now stable? What is the voltage to ground from the ISL (producer side) of this power rail?

        Power cycling / pulsing can also be linked to SPI flash rom corruption. First, rule out an excessive current draw fault. Update this thread with the above test. Also, remove all power, meter in resistance mode. Measure the resistance to ground of each and every inductor on the board. Each inductor is linked to a power rail. A low resistance can mean a shorted component.

        Comment

        • MobileXT
          Badcaps Veteran
          • Oct 2012
          • 214
          • USA

          #5
          Removed F5200 and F5201 Voltage steady @ 12.35V

          Resistance to ground with without F5200 , F5201 at PIN2 = 6.90MΩ

          Still no green or orange light on the MagSafe.

          Comment

          • mon2
            Badcaps Legend
            • Dec 2019
            • 14717
            • Canada

            #6
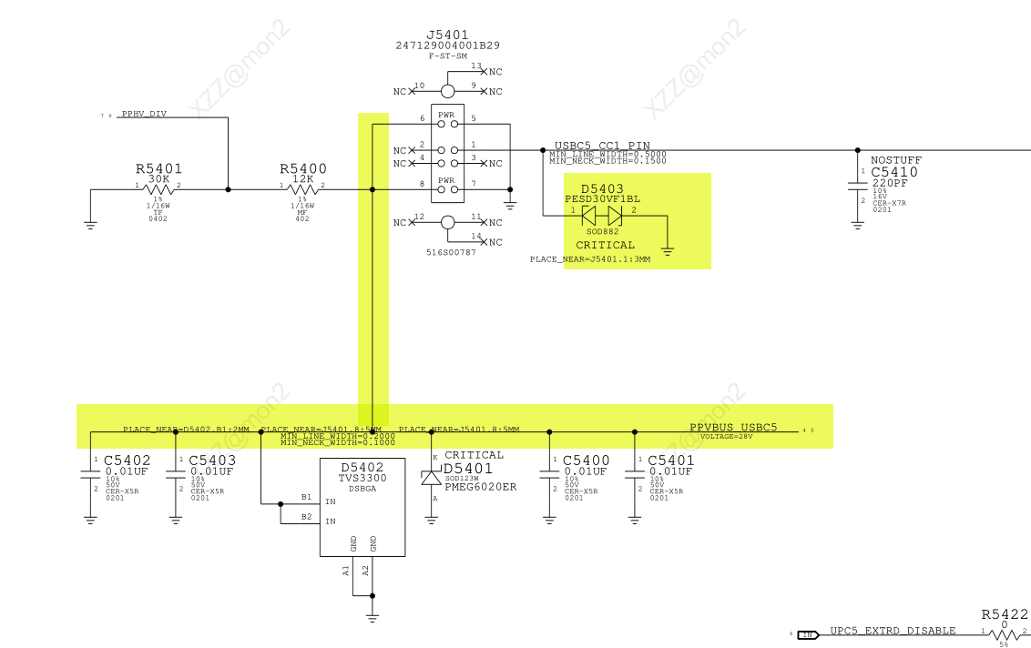
            Remove all power. Locate the magsafe connector @ J5401. On J5401 is a diode @ D5403. Meter in resistance mode. Measure the resistance to ground of this diode (USBC5_CC1_PIN).

            Also interested in the same resistance check of PPVBUS_USBC5 on this connector. No power to the board / no adapter during these tests.

            If the diode @ D5403 is damaged from an ESD event, then this resistance will be low and a defective diode will shunt the communication over this BMC line used for the power delivery contract. Under this condition, only 5 volt will ever be selected by power on default to power this logic board = too wimpy of a power rail.

            Click image for larger version

Name:	J5401.png
Views:	173
Size:	90.0 KB
ID:	3543903

            Comment

            • MobileXT
              Badcaps Veteran
              • Oct 2012
              • 214
              • USA

              #7
              Okay! resistance of PPVBUS_USBC5​ = 36.6KΩ
              Resistance to USBC5_CC1_PIN = 4.8MΩ

              Comment

              • mon2
                Badcaps Legend
                • Dec 2019
                • 14717
                • Canada

                #8
                No shorts here. Meter still in resistance mode. As per post # 4 - Measure the resistance to ground of each inductor on the board. Report any suspects with a low resistance.

                Comment

                • MobileXT
                  Badcaps Veteran
                  • Oct 2012
                  • 214
                  • USA

                  #9
                  I replaced UG800 due shorted on the ground, After replacement still have the same problem on the PPBUS_G3H Power rail pulsing from 12.35 to 10V. I removed the fuse again F5200 and F5201 and injected 13.0V on PIN2 and nothing is short. I decided to put it back the two Fuses F5200 and F5201 and pulsing for a second of and on off and on after couple restart finally I have a steady MagSafe orange light and steady PPBUS power and computer boots up. This is now FIXED. Thank you for your help.

                  Comment

                  • mon2
                    Badcaps Legend
                    • Dec 2019
                    • 14717
                    • Canada

                    #10
                    Suspecting there was a shorted (partially?) capacitor on the PPBUS_G3H line causing the chirp mode pulsing. The injection smoked out the defective capacitor. Well done!

                    Scary that the laptop is relatively young and yet already faced with bad caps.

                    Comment

                    • mircea_mihai_94
                      New Member
                      • Sep 2020
                      • 3
                      • Romania

                      #11
                      I have an identical situation on my table. Tomorrow I'm gonna inject 13v on PPBUS_G3H ). Let's hope it helps.

                      Comment

                      • mon2
                        Badcaps Legend
                        • Dec 2019
                        • 14717
                        • Canada

                        #12
                        No!!! Never inject such a high voltage till more is known about the state of the board.

                        Instead,

                        1) remove all power. Meter in resistance mode. Measure the resistance to ground of PPBUS_G3H.

                        2) Assume for a minute that there is a low resistance on this rail and you inject 13v. The HIGH SIDE mosfet of the CPU VCORE rail could be leaking and causing this low resistance to appear @ PPBUS_G3H. Most likely game over already BUT if not, this injection will seal the deal and kill the CPU for sure.

                        3) Instead, inject a voltage of 0v8 (or 1v0 max) onto this rail and check who heats up. The injection voltage should be the lowest voltage on the board - just in case.

                        Comment

                        Related Topics

                        Collapse

                        • pajdek
                          Lenovo Y700-17ISK turn on and off
                          by pajdek
                          Hello, i have some issues with my laptop Lenovo Y700-17ISK (motherboard BY511 NM-A541), it started when i turn on the laptop, but the lcd wont turn on, i then connected it via hdmi to tv and screen was ok. So i thought maybe lcd stripe is faulty, i removed the bottom cover, disconnected main battery, reset the cmos by disconnecting battery for 1 min, then slighty move the lcd stripe. Conncted power supply and tuned on my laptop, the lcd turn on, it started to load os, then it turn off, after a second it turn on, then after like 3 seconds turn off again, and so on. Removed power supply, waited...
                          09-20-2023, 02:49 AM
                        • RdeveLabs
                          MSI GF63 THIN 11UCX (MS-16R6) LAPTOP WON'T TURN ON AFTER RESTARTING
                          by RdeveLabs
                          To all the members here...

                          Let me tell you a little bit about what happened to my laptop (MSI GF63 THIN 11UCX model: MS-16R6) that “maybe” you know how to solve this problem.

                          So before this problem happened, my laptop was running smoothly. When I wanted to restart my laptop, it looked fine at first. But after I waited for this restart process to take a long time, until finally I panicked (because the restart process did not finish plus the laptop screen only showed a black screen), I immediately pressed and held the power button to force the laptop to turn off. But...
                          05-05-2025, 04:59 AM
                        • robante15
                          Acer Aspire 4520 won't turn on after reboot
                          by robante15
                          Hello, I have an Acer Aspire 4520 from a couple of decades ago and I want to repair it solely for nostalgia.

                          It happens that when I turn it on after having been disconnected for a long time, it turns on without problems, it tells me that the BIOS has been reset and that it will load the factory settings, if I tell it to continue, the computer turns on and everything works fine.

                          The moment I turn it off and want to turn it back on a second time, or restart it and try to start it again, it no longer gives an image, and it no longer responds.

                          If I remove the...
                          04-06-2024, 06:50 PM
                        • masoksian
                          Dell latitude e7470 not turn on .power buton on off and Run Power problem
                          by masoksian
                          Hi everyone,

                          I am dealing with the problem of turning on and off my Dell e7470 notebook.

                          The battery charge light is solid white, I press the button, the power indicator and the light on the button are solid for 1-2 seconds and immediately turn off.

                          The system does not turn on, there is no post.

                          I removed the RAMs and changed them, changed the battery, RTC battery, AC adapter, removed them and waited, tried again, it does not turn on.
                          The problem continues in the same way.
                          I tried to turn on the Fn key, nothing came to the screen....
                          02-15-2025, 12:08 PM
                        • Ledgurra
                          MacBook Pro A1425 it doesn't turn on
                          by Ledgurra
                          hello! hope you are all well. i have a macbook pro a1425 and it won't turn on. i took it to the service center and they said it's fine, it turned on 2 times and then it wouldn't turn on. on the power supply there is a yellow dot that is charging and turns green when charging but when i turn it on it doesn't turn on. i opened it and saw on the motherboard that 2 elements are missing, i am attaching the photos for you to understand better.
                          thank you all
                          11-09-2025, 06:07 AM
                        • Loading...
                        • No more items.
                        Working...