A2141 MacBook Pro 16" Turns on but no life, holds charge.

Collapse
X
 
  • Time
  • Show
Clear All
new posts
  • Stephen
    Meow Meow MEOW!
    • Apr 2020
    • 674
    • United States

    #1

    A2141 MacBook Pro 16" Turns on but no life, holds charge.

    Customer computer came in, did a DFU revive, no luck, gives error, swapped out battery with two known working batteries still no luck. Board gets 20Volts, raises up to 1Amp then restarts, track pad clicks etc. Tried DFU restore, informed the customer that data recovery is most likely not possible since it didn't give us a revive and DFU restore was the next method to save the board, however it looks like not even DFU Restore is working as well. What could be causing this? I am assuming this is the infamous A2141 flaw that has the flawed Data lines that fail? Any suggestions would be great.
    sigpic
    MEOWING IN THE IMPOSSIBLE UNIVERSE!
  • Stephen
    Meow Meow MEOW!
    • Apr 2020
    • 674
    • United States

    #2
    Update: put thermal camera and found a shorted Cap. Will update with my findings.
    sigpic
    MEOWING IN THE IMPOSSIBLE UNIVERSE!

    Comment

    • Stephen
      Meow Meow MEOW!
      • Apr 2020
      • 674
      • United States

      #3
      Repaired, shorted cap. Board works now. No liquid damage just a bad find.
      sigpic
      MEOWING IN THE IMPOSSIBLE UNIVERSE!

      Comment

      • mon2
        Badcaps Legend
        • Dec 2019
        • 14634
        • Canada

        #4
        Nice!

        Comment

        • Instafixx
          Badcaps Veteran
          • Jul 2022
          • 374
          • India

          #5
          Hi,
          I have a similar issue.
          I get the charging sign but nothing further, The current draw drops to 0.03Amps.

          Comment

          • mon2
            Badcaps Legend
            • Dec 2019
            • 14634
            • Canada

            #6
            Posts #2 & #3.

            Comment

            • Instafixx
              Badcaps Veteran
              • Jul 2022
              • 374
              • India

              #7
              I plugged in the charger and did the thermal scan. Nothing.
              i am using a 96W adapter. Does this machine boot up without a battery?

              Comment

              • mon2
                Badcaps Legend
                • Dec 2019
                • 14634
                • Canada

                #8
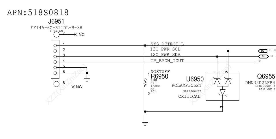
                Remove all power. Meter in DIODE mode. Red meter probe, yes red to ground.

                Black meter to point to test.

                Test the following SMBUS lines:

                I2C_PWR_SCL
                I2C_PWR_SDA


                Share the diode mode measurements of each line. ESD diodes @ U6950 may be defective from an ESD transient and causing these SMBUS lines to fail.

                Click image for larger version

Name:	smbus_battery.png
Views:	101
Size:	58.2 KB
ID:	3307733

                Comment

                Related Topics

                Collapse

                Working...