Hello, this might be embarassing since I consider it a dumb question but keeps me kinda stuck sometimes in my journey.
I want to know if there is any post in this forum which explains my questions. A) When, where and how do I know when X voltage line is input or output. Example:

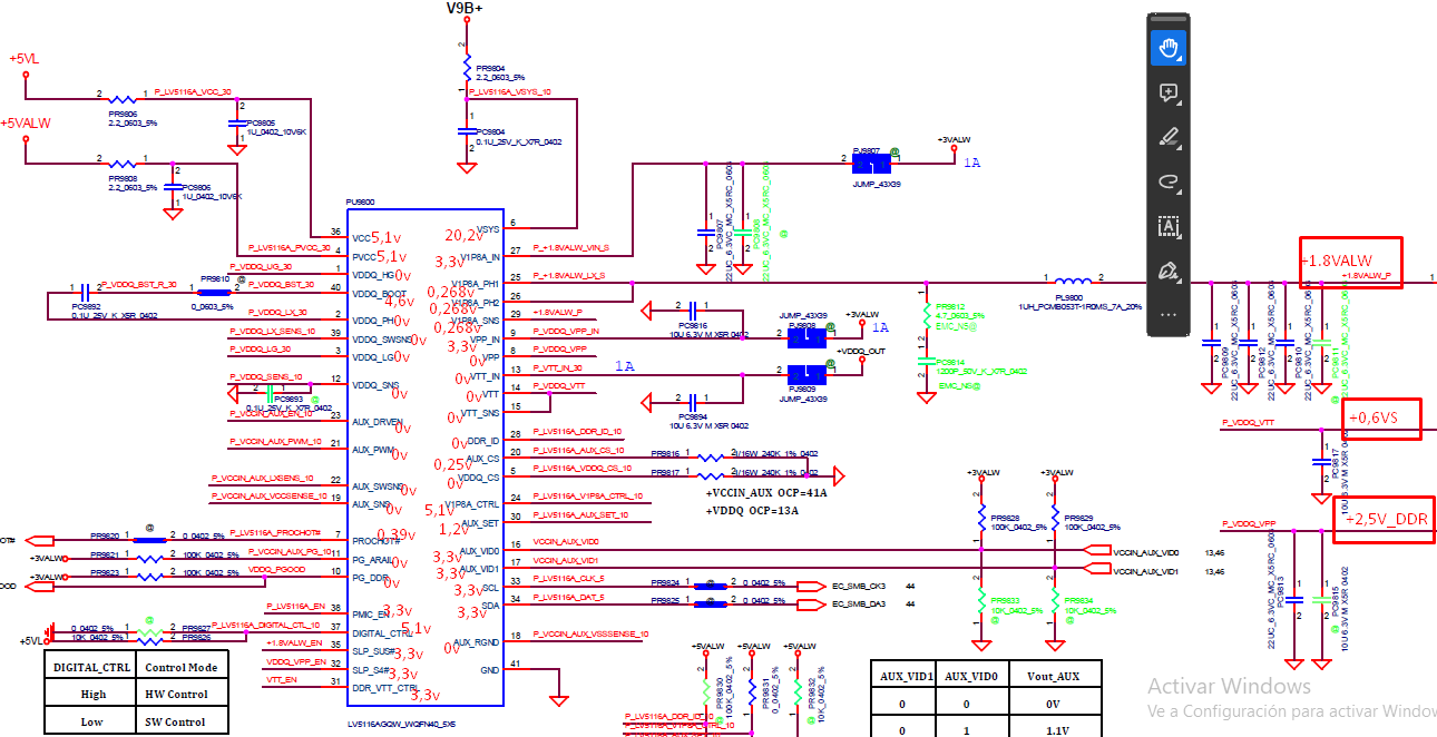
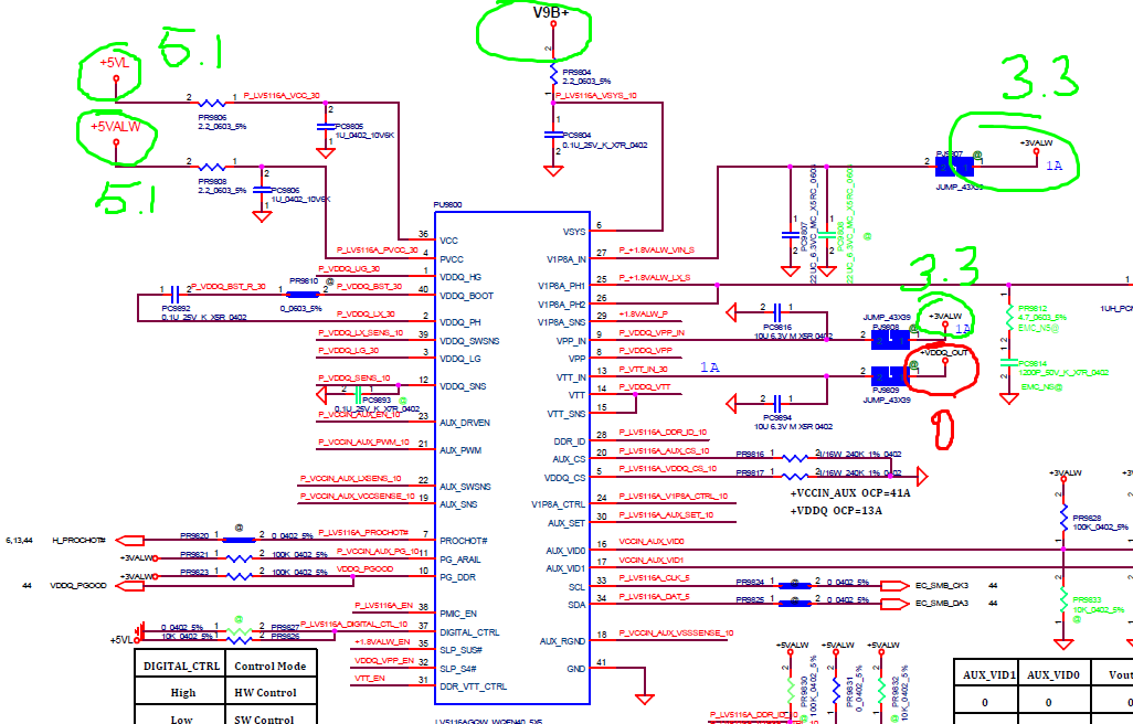
I'm battling with this IC to understand it's voltages. It's from non-turning-on Lenovo Ideapad 3 15iil05 - NM-D461.
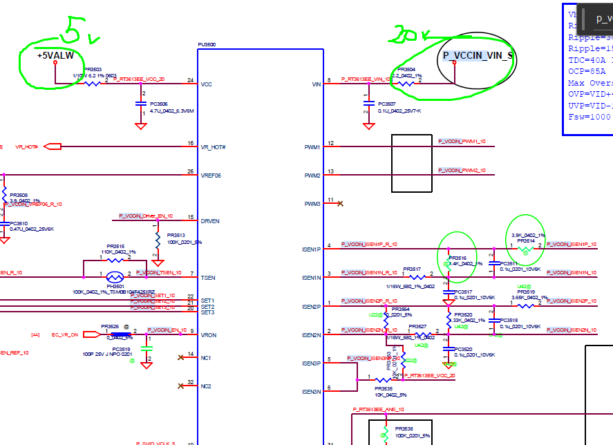
I see some lines like +5VL / +5VALW / V9B+ / +3VALW being okay and some others like 1.8VALW / +0.6VS / +2.5V_DDR. I just know that some of them are bad or missing, but I don't know entirely which way they are going, if IN or OUT. Btw: +V9B has its 20v.
B)Any methos to know where values going for sure? Besides logic...
I bought a couple of these LV5116AGQW IC's time ago and I'm ready to replace but first I must be 100% sure.
I was following lines and realized that +VCCIN is missing right here:

At this point I'm kinda stuck because since I'm rookie there's a bunch of voltages I don't know their usual value.
This IC, which I think is responsible of sending some of these voltages to the mosfets has these 2 values.

If there's posts already with the info I'm requiring feel free to just leave the links here to avoid taking other's valuable time.
Thanks for any help and sry for still being noob hah Xd
I want to know if there is any post in this forum which explains my questions. A) When, where and how do I know when X voltage line is input or output. Example:
I'm battling with this IC to understand it's voltages. It's from non-turning-on Lenovo Ideapad 3 15iil05 - NM-D461.
I see some lines like +5VL / +5VALW / V9B+ / +3VALW being okay and some others like 1.8VALW / +0.6VS / +2.5V_DDR. I just know that some of them are bad or missing, but I don't know entirely which way they are going, if IN or OUT. Btw: +V9B has its 20v.
B)Any methos to know where values going for sure? Besides logic...
I bought a couple of these LV5116AGQW IC's time ago and I'm ready to replace but first I must be 100% sure.
I was following lines and realized that +VCCIN is missing right here:
At this point I'm kinda stuck because since I'm rookie there's a bunch of voltages I don't know their usual value.
This IC, which I think is responsible of sending some of these voltages to the mosfets has these 2 values.
If there's posts already with the info I'm requiring feel free to just leave the links here to avoid taking other's valuable time.
Thanks for any help and sry for still being noob hah Xd
Comment