Toshiba A665 blown MOSFET

Collapse
X
 
  • Time
  • Show
Clear All
new posts
  • Rolin
    Senior Member
    • Apr 2007
    • 174
    • USA

    #1

    Toshiba A665 blown MOSFET

    Hi, I have a customers laptop with a blown MOSFET. I'm not a component level technician, I replace the motherboard when faulty. But I see a blown/burned MOSFET at location Q30 labeled 4800B.

    I realize this could be the result of something else shorted, but I thought I would try to replace it - if it works, great - if it still fails, then it's time to replace the motherboard or scrap it.

    I have a lot of junk boards laying around. I found a 4800B chip on one of them. The question is, there are other markings on the chip below the 4800B that don't match.

    I've attached a picture of the chip. Can anyone tell me if the markings below 4800B are important?
    Attached Files
  • fddizon
    Badcaps Veteran
    • Sep 2011
    • 555
    • Philippines

    #2
    Re: Toshiba A665 blown MOSFET

    Originally posted by Rolin
    Hi, I have a customers laptop with a blown MOSFET. I'm not a component level technician, I replace the motherboard when faulty. But I see a blown/burned MOSFET at location Q30 labeled 4800B.

    I realize this could be the result of something else shorted, but I thought I would try to replace it - if it works, great - if it still fails, then it's time to replace the motherboard or scrap it.

    I have a lot of junk boards laying around. I found a 4800B chip on one of them. The question is, there are other markings on the chip below the 4800B that don't match.

    I've attached a picture of the chip. Can anyone tell me if the markings below 4800B are important?
    Ronlin,

    That's alright with the other markings.
    just follow pins 123, 4, and 5678 and test these parts for short.

    Comment

    • Rolin
      Senior Member
      • Apr 2007
      • 174
      • USA

      #3
      Re: Toshiba A665 blown MOSFET

      Thanks, I replaced the 4800B MOSFET with a used one from another board - the toshiba still fails - seems like it's not getting enough power to fully fire up or something. Probably something else damaged....

      But I did notice there were about 4 of these MOSFET's on my donor board. 2 of them had the same markings stamped under 4800B, and the other 2 had different markings. Any idea what these markings are for? Date codes?


      I'll probably try installing one of the other chips and see what happens. Maybe I picked a chip that is causing my donor board to fail!

      Rolin

      Comment

      • jetadm123
        Badcaps Legend
        • Feb 2010
        • 2169

        #4
        Re: Toshiba A665 blown MOSFET

        Those markings are manufacturer date codes that indicate date and place of manufacture. You should check for shorts on the mosfet that you just replaced. If it's shorted, check the surface mount caps for shorts.

        Comment

        • Rolin
          Senior Member
          • Apr 2007
          • 174
          • USA

          #5
          Re: Toshiba A665 blown MOSFET

          I have an update. But first a little history on this laptop. Originally the laptop wouldn't start up a couple of times - no POST. But if you tried a few times it would POST and run for days. But one time it would not POST, I actually heard this MOSFET blow while turning on the laptop and I smelled a little smoke. I removed the battery and unplugged the computer. Decided what the heck, plugged it in and it POSTED and entered Windows - very surprising! It ran for several days but finally wouldn't POST again. That's when I disassembled the laptop and found the noticably blown chip.

          Now for the update. The original MOSFET is pictured in my original posting. I found 2 MOSFET's on another scrap motherboard (attached in this posting) and tried each one of them in place of the blown one. Neither one would POST the motherboard, and actually made the fan run very slow, like it was underpowered - it even made what sounded like a electrical whining noise. So neither worked - but it's important to note that problem seemed different than the original. Really seemed like the circuit was just wrong.

          I decided to resolder the original blown MOSFET - I couldn't believe it, but it POSTED again. It POSTED with the original blown chip! I tried to solder the other 4800B chips again, same strange problem - slow fan and whining noise. Reconfirmed by soldering the blown chip again - it POSTS! Is this strange or what?

          Question: I'm assuming this original chip is not fully blown, but I can see a burn mark on the chip so it should be replaced. The 4800B chips I installed as replacements can't be the right chip. Those markings under 4800B must mean something - I can't believe both of them are bad. Does anyone know how to find the correct 4800B MOSFET??

          Thank you and sorry for the long posting!

          Pictures of the 2 other MOSFETS are attached!
          Attached Files
          Last edited by Rolin; 08-01-2012, 10:20 PM.

          Comment

          • Duncanbest
            Senior Member
            • Jul 2012
            • 81
            • Taiwan

            #6
            Re: Toshiba A665 blown MOSFET

            FYR

            http://www.vishay.com/product?docid=72124&query=

            See "PART MARKING - SO-8" pdf .you can read marking information.

            Comment

            • Rolin
              Senior Member
              • Apr 2007
              • 174
              • USA

              #7
              Re: Toshiba A665 blown MOSFET

              Thanks, I saw that page, but I didn't look at the correct pdf file. I'm a novice at this. Now I see per the SO-8 page that the markings indeed don't mean anything and confirms what Jet and Fddizon already said.

              Anyone have ideas why the old blown chip still powers up the board (again)? But the 2 chips I tried pictured in the above posting won't power on and appear to act like it's not getting enough power (example: slow whining fan)? Seems like the circuit just isn't right with these 2 chips I installed. I suppose it's possible the 2 chips I tried are bad, but they were from different parts of the donor board (they were on opposite sides of the board). Really seems odd.

              Comment

              • severach
                Badcaps Legend
                • Aug 2007
                • 1055
                • USA

                #8
                Re: Toshiba A665 blown MOSFET

                Some laptop power circuits are set up so the first MOSFET that the power cord goes through goes backwards. The gated part of the MOSFET does nothing. The laptop is powered entirely by the body diode which is always active and independent of gate activity. The only purpose for operating the gate of a MOSFET in that configuration would be to power the power supply from the battery which is neither useful nor harmful. A Schottky diode or a short would work just as well. WTF?

                Compare circuit functionality with the datasheet to see if the power is going through forwards through the MOSFET or backwards through the body diode. Make sure there is a body diode. Which way does the current go through a MOSFET? Opposite the body diode of course!

                Measure the voltage on both sides of the burned MOSFET. If they are equal then the MOSFET is shorted. If they are almost equal then the MOSFET is conducting. If they are 200mv-900mv different then the body diode is conducting. For extra credit measure the gate voltage to see if it should be conducting or not.

                Once the burned MOSFET is out measure everywhere to see what is shorted. Review the datasheet because many pins are supposed to be shorted.

                Check the datasheets for the body diode current rating. Chances are the original has a high current diode. The test parts may not conduct sufficient current to run the laptop.
                sig files are for morons

                Comment

                • b700029
                  Banned
                  • Sep 2010
                  • 640

                  #9
                  Re: Toshiba A665 blown MOSFET

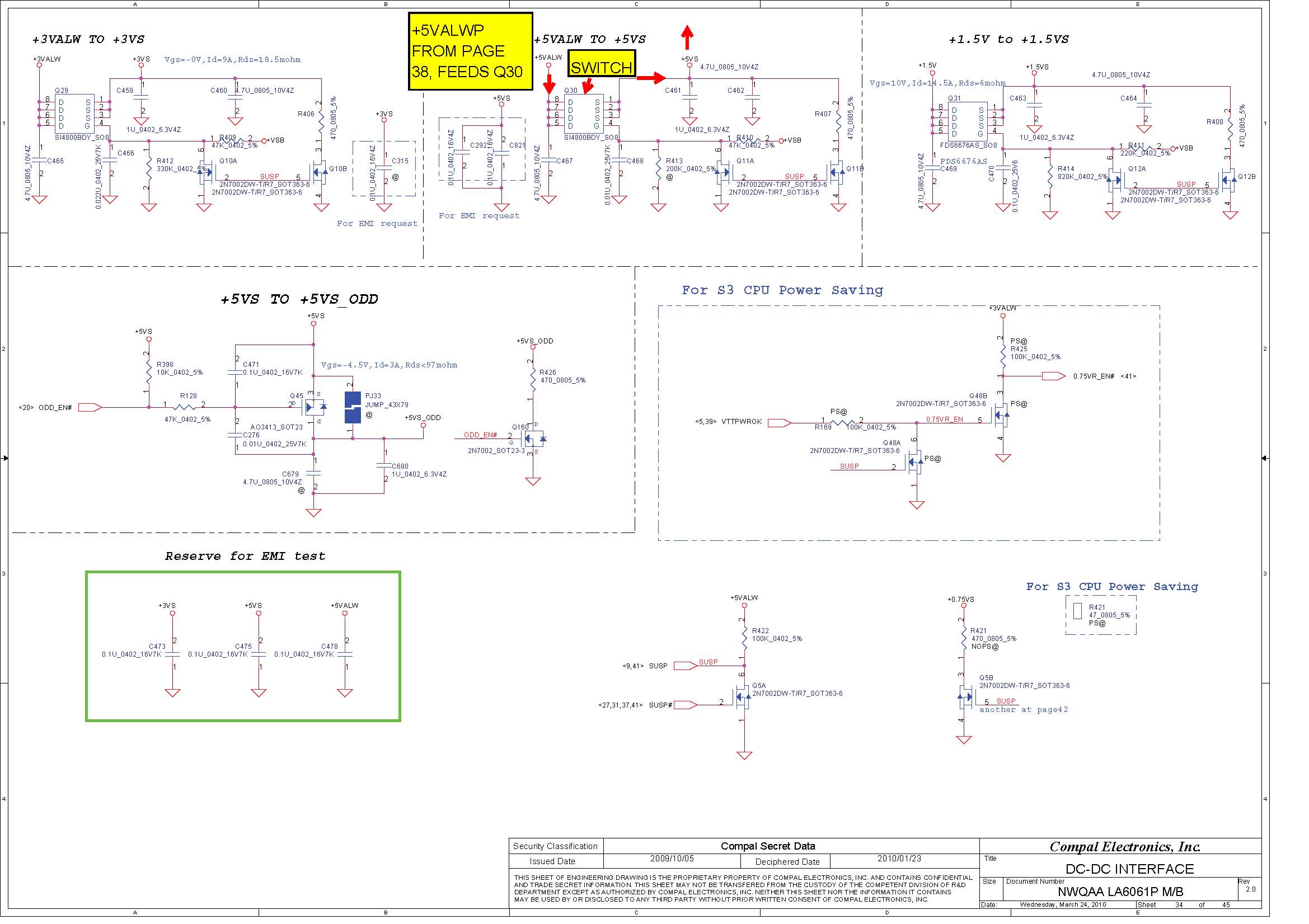
                  A quick glance at the schematic shows that Q30 is for powering +5VS from the +5VALW rail (and possibly vice-versa, depending on how they designed the power sequencing).

                  I suggest looking for the problem somewhere else. The weird behaviour you're seeing is just an artifact of rails being powered from backflows of voltages through other components like IC's protection diodes. I would not recommend trying to run the system in that state as they're not designed to take such large currents.

                  P.S. in case you don't know already, MOSFETs are highly static-sensitive. You might've killed or damaged them if you weren't being cautious with ESD.
                  Last edited by b700029; 08-07-2012, 09:14 PM.

                  Comment

                  • Rolin
                    Senior Member
                    • Apr 2007
                    • 174
                    • USA

                    #10
                    Re: Toshiba A665 blown MOSFET

                    Thanks for the replies! I should point out, I am a novice troubleshooting a motherboard down to component level. I might need a little extra help on what to do.

                    I'll upload a picture of the board, maybe that'll help.

                    Just so I understand, the replacement MOSFET's are probably good, but the blown MOSFET is possibly shorted and somehow making up for a failure somewhere else in the circuit? And that failure "somewhere else" in the circuit might have blown the MOSFET in the first place?

                    Comment

                    • Rolin
                      Senior Member
                      • Apr 2007
                      • 174
                      • USA

                      #11
                      Re: Toshiba A665 blown MOSFET

                      Here is a picture of the motherboard and a close up of the Q30 area. Let me know if you need the opposite side of the board too.

                      I suppose my next step is to measure the pins on the MOSFET. One probe on motherboard ground and the other probe on each pin. Should I test the pins with the motherboard actually powered on - or will I get the readings I need with the motherboard plugged in but off?
                      Attached Files

                      Comment

                      • Rolin
                        Senior Member
                        • Apr 2007
                        • 174
                        • USA

                        #12
                        Re: Toshiba A665 blown MOSFET

                        Measured the voltages with the computer OFF and ON
                        OFF
                        Pin1 5.10V
                        Pin2 5.10V
                        Pin3 5.10V
                        Pin4 1.3mv
                        Pin5 5.22V
                        Pin6 5.22V
                        Pin7 5.22V
                        Pin8 5.22V

                        ON
                        Pin1 5.13V
                        Pin2 5.13V
                        Pin3 5.13V
                        Pin4 3.166V
                        Pin5 5.22V
                        Pin6 5.22V
                        Pin7 5.22V
                        Pin8 5.22V

                        Comment

                        • budm
                          Badcaps Legend
                          • Feb 2010
                          • 40746
                          • USA

                          #13
                          Re: Toshiba A665 blown MOSFET

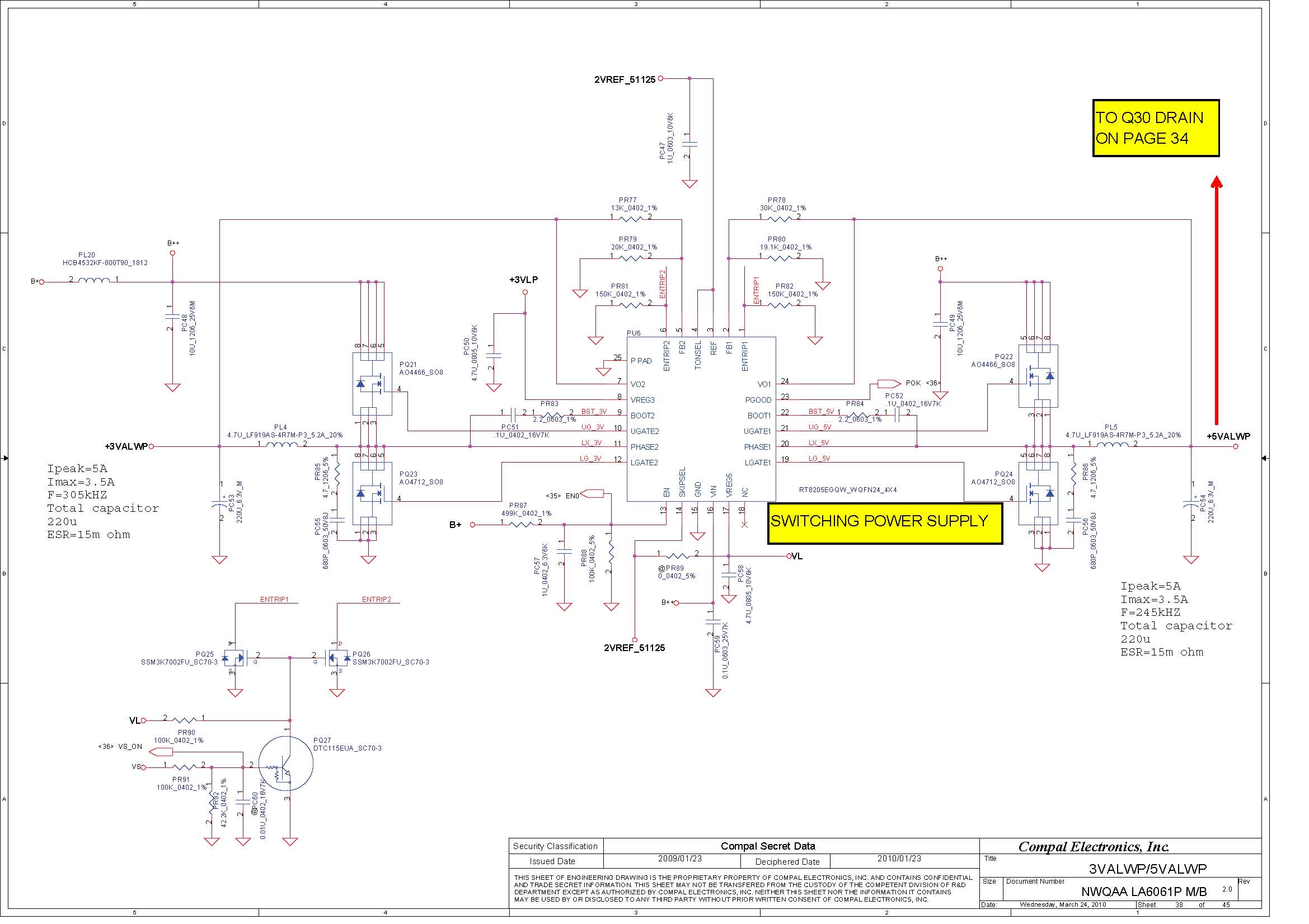
                          If you look at the schematic diagram, you can see on page 38 is the switching power PU8 that generates +5VAWLP which feeds Q30 (used as a switch), the output on the Source pin of Q30 is the +5VS power supply source which feeds a bunch of other MOSFET's switches as shown in page3. So I would look for low resistance on the Source pin of the Q30 and all the output of those MOSFET's which are fed by +5VS.
                          When you put the shorted MOSFET in the circuits, it is the same as putting in a switch that is always on (closed) into the circuits that stuck on all the time.
                          Pin4 Gate drive which suppose to turn on Q30, but since it is shorted (Drain to Source), that is why there is no change at the Source output pins of Q30 when the computer is ON or OFF. As you can see, Q30 has to handle about 6A of current flowing through that small body without any heatsink, the inrush current can easily be a lot higher than 6A.
                          Attached Files
                          Last edited by budm; 08-07-2012, 11:23 PM.
                          Never stop learning
                          Basic LCD TV and Monitor troubleshooting guides.
                          http://www.badcaps.net/forum/showthr...956#post305956

                          Voltage Regulator (LDO) testing:
                          http://www.badcaps.net/forum/showthr...999#post300999

                          Inverter testing using old CFL:
                          http://www.badcaps.net/forum/showthr...er+testing+cfl

                          Tear down pictures : Hit the ">" Show Albums and stories" on the left side
                          http://s807.photobucket.com/user/budm/library/

                          TV Factory reset codes listing:
                          http://www.badcaps.net/forum/showthread.php?t=24809

                          Comment

                          • b700029
                            Banned
                            • Sep 2010
                            • 640

                            #14
                            Re: Toshiba A665 blown MOSFET

                            You can also see that Q11 is used to turn off Q30 and discharge +5VS when in suspend mode, so with that shorted MOSFET in there I would strongly suggest to never let it enter suspend mode or you'll kill Q11 since it'll be trying to pull +5VS to ground while it's still being supplied power via Q30.

                            Might be a good idea to check Q11 too (both sides).

                            Comment

                            • budm
                              Badcaps Legend
                              • Feb 2010
                              • 40746
                              • USA

                              #15
                              Re: Toshiba A665 blown MOSFET

                              Q11 is still working as it should, you can see pin4 of Q30 is low (Q11 TURNS ON) when the computer is off and goes high (Q11 TURNS OFF when computer is ON.
                              Never stop learning
                              Basic LCD TV and Monitor troubleshooting guides.
                              http://www.badcaps.net/forum/showthr...956#post305956

                              Voltage Regulator (LDO) testing:
                              http://www.badcaps.net/forum/showthr...999#post300999

                              Inverter testing using old CFL:
                              http://www.badcaps.net/forum/showthr...er+testing+cfl

                              Tear down pictures : Hit the ">" Show Albums and stories" on the left side
                              http://s807.photobucket.com/user/budm/library/

                              TV Factory reset codes listing:
                              http://www.badcaps.net/forum/showthread.php?t=24809

                              Comment

                              • Rolin
                                Senior Member
                                • Apr 2007
                                • 174
                                • USA

                                #16
                                Re: Toshiba A665 blown MOSFET

                                Budm, This is amazing, you found schematics for this board.

                                I've been looking over the pdf's you included and reread your advice a few times - but I guess I'm not up to speed on this. Are you asking me to test the outputs of the RT8205E? If so, is that the PU6 (not PU8)? I've looked over this board on both sides over and over - cannot find the PU8 anywhere. I assume you meant PU6.

                                To do this, would I plug in the board and test on and off? Negitive probe on motherboard ground and positive prove on each pin?

                                Also, sounds like you believe Q11 is OK based on the readings I got on Pin4 on Q30, correct?

                                Sorry I'm such a novice. Really appreciate the help you've given me on this.

                                Comment

                                • budm
                                  Badcaps Legend
                                  • Feb 2010
                                  • 40746
                                  • USA

                                  #17
                                  Re: Toshiba A665 blown MOSFET

                                  The diagram is thanks to b700029 that he has posted the link to on post9.
                                  According to daigaram, it is PU6, my typo-sorry,
                                  Not the output of PU6, the Source pin of Q30 which feeds a bunch of other MOSFET' switch, but for now measure Source pin of Q30 and ground to see what kind of resistance you are seeing. No power to the board, we are looking for the resistance value that the the Source pin of Q30 is seeing.
                                  Q11 is functioning because pin 4 of Q30 is changing state, you should remove that shorted out Q30 from the board when you measuring the resistance at Q30 Source pin. Juts think of Q30 as a switch that is turn on and off by Q11.
                                  If you think of Q30 as a light switch, at the output side of the switch is connected to lamp, in your case, they are a bunch of loads, so if the wire after the light switch shorted together, you can imagine what will happen to the power switch, it will be arcing and sparking and the contacts inside the switch will weld together (the switch stuck on, which is what happen to Q30).
                                  Last edited by budm; 08-08-2012, 09:13 PM.
                                  Never stop learning
                                  Basic LCD TV and Monitor troubleshooting guides.
                                  http://www.badcaps.net/forum/showthr...956#post305956

                                  Voltage Regulator (LDO) testing:
                                  http://www.badcaps.net/forum/showthr...999#post300999

                                  Inverter testing using old CFL:
                                  http://www.badcaps.net/forum/showthr...er+testing+cfl

                                  Tear down pictures : Hit the ">" Show Albums and stories" on the left side
                                  http://s807.photobucket.com/user/budm/library/

                                  TV Factory reset codes listing:
                                  http://www.badcaps.net/forum/showthread.php?t=24809

                                  Comment

                                  • Rolin
                                    Senior Member
                                    • Apr 2007
                                    • 174
                                    • USA

                                    #18
                                    Re: Toshiba A665 blown MOSFET

                                    Oh, sorry b700029 - I should have seen you provided the schematics. Thank you very much!

                                    I think I understand. Q11 switches on Q30 via Pin4. Since we see a change on Pin4 when ON vs OFF - that switch is working, Q11 is good. But Q30 is shorted caused from excessive loads elsewhere in the circuit.

                                    I'm trying to determine which is the source pin of Q30. Is it true that Pin1, Pin2, Pin3 are all source pins? Pin4 is the gate? So I should remove the Q30 chip, and place the negative probe on motherboard ground, and positive probe on each motherboard contacts for Q30 pin1, pin2, pin3 - and check resistance or shorts. Correct?
                                    Last edited by Rolin; 08-08-2012, 10:18 PM.

                                    Comment

                                    • Rolin
                                      Senior Member
                                      • Apr 2007
                                      • 174
                                      • USA

                                      #19
                                      Re: Toshiba A665 blown MOSFET

                                      I quickly just checked the resistance between Q30's Pin1, Pin2, Pin3 (individually) to Motherboard Ground. It doesn't appear to be shorted - I get varied readings like a capacitor is draining. I'll wait for your response before I remove Q30 and test those points again.

                                      Comment

                                      • budm
                                        Badcaps Legend
                                        • Feb 2010
                                        • 40746
                                        • USA

                                        #20
                                        Re: Toshiba A665 blown MOSFET

                                        If you print out the diagram, you will see pin 1~3 are the Source pins (they are tied together inside. Pin 5~8 are the Drain pin. You can download the datasheet from the link in post6.
                                        By the way, if you look at page 34 that I had posted, look at the the Drain pin1 of Q45 to Ground resistance also, also check to see if Q45 has Source (pin3) to Drain (pin1) short also. The Drain of Q45 is for +5VS_ODD that supplies about 1.6A of current.
                                        Last edited by budm; 08-08-2012, 10:53 PM.
                                        Never stop learning
                                        Basic LCD TV and Monitor troubleshooting guides.
                                        http://www.badcaps.net/forum/showthr...956#post305956

                                        Voltage Regulator (LDO) testing:
                                        http://www.badcaps.net/forum/showthr...999#post300999

                                        Inverter testing using old CFL:
                                        http://www.badcaps.net/forum/showthr...er+testing+cfl

                                        Tear down pictures : Hit the ">" Show Albums and stories" on the left side
                                        http://s807.photobucket.com/user/budm/library/

                                        TV Factory reset codes listing:
                                        http://www.badcaps.net/forum/showthread.php?t=24809

                                        Comment

                                        Related Topics

                                        Collapse

                                        • nubie
                                          Rosewill Tokamak 1200w blown mosfet 5R199P
                                          by nubie
                                          Rosewill 1200w blown APFC? Mosfet.

                                          I got this with a blown fuse. Replaced fuse and the APFC mosfet blew.

                                          Removed the mosfet and got 5VSB, then when I connected PWON to ground the Fuse blew again.

                                          So do I need to replace the mosfet? Or should I be looking elsewhere? Thanks.

                                          According to a review of the 1500w unit there is an option for 4 transistors instead of 3 and they are different: https://www.tomshardware.com/reviews...su,4823-3.html


                                          ...
                                          07-02-2024, 05:33 PM
                                        • Document Archive
                                          Toshiba Satellite Pro C660-1NQ Specification for Upgrade or Repair
                                          by Document Archive
                                          This specification for the Toshiba Satellite Pro C660-1NQ can be useful for upgrading or repairing a laptop that is not working. As a community we are working through our specifications to add valuable data like the C660-1NQ boardview and C660-1NQ schematic. Our users have donated over 1 million documents which are being added to the site. This page will be updated soon with additional information. Alternatively you can request additional help from our users directly on the relevant badcaps forum. Please note that we offer no warranties that any specification, datasheet, or download for Toshiba...
                                          09-06-2024, 05:27 AM
                                        • Document Archive
                                          Toshiba Satellite L655-1DJ Notebook Specification for Upgrade or Repair
                                          by Document Archive
                                          This specification for the Toshiba Satellite L655-1DJ Notebook can be useful for upgrading or repairing a laptop that is not working. As a community we are working through our specifications to add valuable data like the L655-1DJ boardview and L655-1DJ schematic. Our users have donated over 1 million documents which are being added to the site. This page will be updated soon with additional information. Alternatively you can request additional help from our users directly on the relevant badcaps forum. Please note that we offer no warranties that any specification, datasheet, or download for Toshiba...
                                          09-06-2024, 05:59 AM
                                        • Document Archive
                                          Toshiba Satellite L655-19C Notebook Specification for Upgrade or Repair
                                          by Document Archive
                                          This specification for the Toshiba Satellite L655-19C Notebook can be useful for upgrading or repairing a laptop that is not working. As a community we are working through our specifications to add valuable data like the L655-19C boardview and L655-19C schematic. Our users have donated over 1 million documents which are being added to the site. This page will be updated soon with additional information. Alternatively you can request additional help from our users directly on the relevant badcaps forum. Please note that we offer no warranties that any specification, datasheet, or download for Toshiba...
                                          09-06-2024, 05:59 AM
                                        • Document Archive
                                          Toshiba Satellite L635-10K Notebook Specification for Upgrade or Repair
                                          by Document Archive
                                          This specification for the Toshiba Satellite L635-10K Notebook can be useful for upgrading or repairing a laptop that is not working. As a community we are working through our specifications to add valuable data like the L635-10K boardview and L635-10K schematic. Our users have donated over 1 million documents which are being added to the site. This page will be updated soon with additional information. Alternatively you can request additional help from our users directly on the relevant badcaps forum. Please note that we offer no warranties that any specification, datasheet, or download for Toshiba...
                                          09-06-2024, 05:59 AM
                                        • Loading...
                                        • No more items.
                                        Working...