Lenovo E580 no power

Collapse
X
 
  • Time
  • Show
Clear All
new posts
  • Inforgalaxie
    Member
    • Apr 2023
    • 39
    • Portugal

    #1

    Lenovo E580 no power

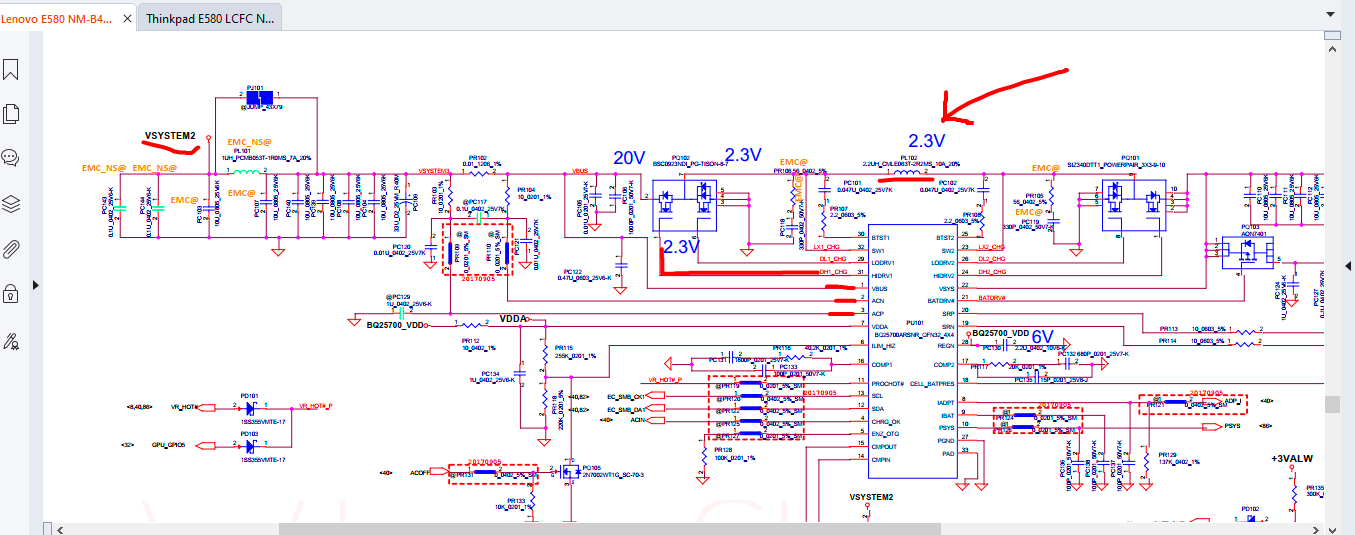
    Hello I have this Lenovo E580 and i change the pwm and also pq102 but i have no valid gate power to arm the pq102 mosfet...just have 2.2v and must be more then 20v...
    PWM have 20V ACIN, and 6V REG
    What you think can be?
    Attached Files
    Last edited by Inforgalaxie; 10-05-2023, 05:55 AM.
  • mon2
    Badcaps Legend
    • Dec 2019
    • 14659
    • Canada

    #2
    Re: Lenovo E580 no power

    This charger IC will be switching the mosfets @ PQ102 & PQ101 on/off to 'dial' up the voltage required for the operation of the logic board.

    The target voltage should appear @ B+ = VSYS pin # 22 on the charger IC.

    What is the final voltage to ground of B+ ?

    The gate voltages for each of these mosfets will be switching at high speeds so a standard multimeter will not be able to monitor the voltage. You will need an oscilloscope to view the switching action of the gate pins.

    If B+ is too low, remove all power and measure the RESISTANCE to ground of B+ pin.

    What is the measurement? If the resistance is too low then there is a shorted component on this main power rail.

    Comment

    • Inforgalaxie
      Member
      • Apr 2023
      • 39
      • Portugal

      #3
      Re: Lenovo E580 no power

      PIN 22 have 1.96V

      Comment

      • mon2
        Badcaps Legend
        • Dec 2019
        • 14659
        • Canada

        #4
        Re: Lenovo E580 no power

        Remove all power. Meter in resistance mode.

        Measure the resistance to ground of B+.

        Comment

        • Inforgalaxie
          Member
          • Apr 2023
          • 39
          • Portugal

          #5
          Re: Lenovo E580 no power

          20M ohms

          Comment

          • mon2
            Badcaps Legend
            • Dec 2019
            • 14659
            • Canada

            #6
            Re: Lenovo E580 no power

            If the battery is attached, remove it and test this power rail again.

            Suggest to remove all power, meter in resistance mode.

            Check the resistance of all mated mosfets in this region as follows:

            source & drain
            source & gate
            gate & drain


            Check PQ101, PQ102 and PQ103.

            Post each measurement. Checking for a low resistance = defective mosfet.

            Comment

            • Inforgalaxie
              Member
              • Apr 2023
              • 39
              • Portugal

              #7
              Re: Lenovo E580 no power

              PQ101 was the problem, 1.8 ohms resistance to ground. We found the problem.

              Comment

              Related Topics

              Collapse

              • Tynan Dill
                Vizio e601i-A3 - Has Sound and Display, But No Backlight - Bad Power Supply Board or Bad LED Bulbs ?
                by Tynan Dill
                I was given this TV from my great uncle. He said it just wouldn't turn on one day out of nowhere, replaced the TV, and gave it to me to possibly fix and use for myself.

                Upon bringing it home and plugging it up, it showed a standby light.

                I powered it on and without a flashlight, the display showed the "V" but the lighting is very dim, but visible.

                The screen seems to blackout and stay black, but with a flashlight I can see the display.

                With my Playstation 4 connected via HDMI, and running a game I can hear sound.

                Assuming...
                11-22-2024, 01:46 PM
              • PantherDave
                Microsoft Surface Pro (5th gen) model 1796 - no power
                by PantherDave
                Hi all!

                I'm trying to troubleshoot a Microsoft Surface Pro (5th gen) model 1796 that won't power on. Motherboard model is M1007506-015. My priority is retrieving data, but the SSD is integrated so it looks like if I can't repair it it'll need to go to a data recovery company. I've done a little basic board repair before, but nothing this advanced until now. So please forgive my ignorance in advance. 😅

                I found the boardview for this laptop in the forums here, and am able to open it on my PC with FlexBV.
                https://www.badcaps.net/forum/troubl...-hardware-devi...
                05-29-2024, 02:01 PM
              • GLISIT
                Asus Probook P5440UF-XB74 power issue
                by GLISIT
                Hi all,

                TL;DR - this laptop is driving me nuts with the oddball power-related behaviors. Appreciate any insight you can provide!


                I'm experiencing a power issue on an Asus Probook P5440UF-XB74. Although I've worked with electronics and computers for decades, this is my first attempt at getting into motherboard-level component troubleshooting. Any help the community can provide is greatly appreciated!

                A few weeks ago I was using the laptop (on battery power) for a Zoom meeting. The battery was running very low (long meeting) but I wasn't worried about...
                01-16-2025, 02:29 PM
              • Mita99
                Lenovo Thinkpad P72 EP720 NM-B723 MB - Power disabled within 2 seconds after plugging the charger
                by Mita99
                Hi,

                Try to repair a Thinkpad P72 EP720 NM-B723 MB with I7-8850H processor and N18E-Q1-KB-A1 (P3200) GPU with 6GB memory. Unfortunately there is noinfo what happened to the laptop. I got it disassembled with parts missing, like keyboard, battery.

                Unfortunately I have no schematic available for me (requested in the sub porum) but got the boardview file.

                Symptom: after connecting to the charger the power led light up for one-two second and switch off. After a couple secons the power led light up for half a second and switch off. No battery, no IO board, no...
                04-27-2025, 07:20 PM
              • Dr.d
                Help please..Lenovo ideapad 5 14itl05 power and charging problem
                by Dr.d
                I have a lenovo ideapad 5 14itl05, board LA-K321P, That will only power up on Battery only, or with battery disconnected and power adapter only. If battery is connected and usb-c power plug connected. It only works on battery and will not charge. I can however force it to charge by connecting the battery from a disconnected state while the power USB c plug is powering the laptop.

                Additionally....to add to this strange situation. The usb-c power plug ONLY works to power the laptop on one side when inserted into the boards power usb c plug. If you rotate it 180 degrees, the board gets...
                04-05-2024, 11:48 AM
              • Loading...
              • No more items.
              Working...