Sony mbx-247 need to remove battery to turn on (sometimes not)

Collapse
X
 
  • Time
  • Show
Clear All
new posts
  • flc1988
    Member
    • Nov 2018
    • 11
    • BRAZIL

    #1

    Sony mbx-247 need to remove battery to turn on (sometimes not)

    Hi, i have a Sony vpceh-30eb. Battery original looks good. Original charger Sometimes, when pressing the power button, the notebook does not light up any led. but if you remove the battery it turns on normally. Sometimes it runs on battery power.
  • mon2
    Badcaps Legend
    • Dec 2019
    • 14726
    • Canada

    #2
    Re: Sony mbx-247 need to remove battery to turn on (sometimes not)

    This often means that you have a leaky mosfet onboard in the power path from the power adapter and the battery mosfet. That is, when powered by the power adapter, it has the priority and the battery mosfet should remain OFF but the battery should charge. If the adapter is removed, only the battery mosfet should be enabled to power the logic board.

    Would you have a schematic for this unit? If yes, post it in the schematic forum and link it here. Do not post the schematic here.

    1) Attach the known good and suitable power adapter (only) - remove the battery. This setup should power on the logic board everytime.

    2) If the schematic is not available, review the DCin connector and locate the mosfets in this area + charger IC that is onboard. Post clear pics of this region so we can try to reverse engineer the logic board.

    Comment

    • flc1988
      Member
      • Nov 2018
      • 11
      • BRAZIL

      #3
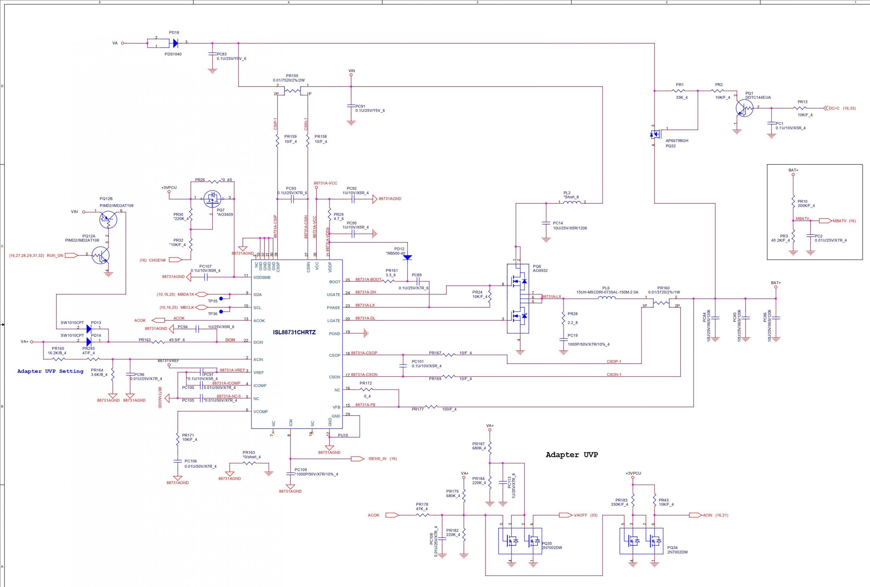
      Re: Sony mbx-247 need to remove battery to turn on (sometimes not)

      Tanks for help-me. See the schematic.
      Attached Files

      if you find these attachements useful please consider making a small donation to the site

      Comment

      • mon2
        Badcaps Legend
        • Dec 2019
        • 14726
        • Canada

        #4
        Re: Sony mbx-247 need to remove battery to turn on (sometimes not)

        Attach the power adapter. Remove the battery.

        Meter in dc volts (30v or higher) scale.

        Power on. Carefully measure the voltage to ground of each pin on mosfet pq32. This is the battery mosfet and it should only be on if the battery is the only power source.

        Post your measurements.

        Comment

        • mcplslg123
          Badcaps Legend
          • Jun 2015
          • 7262
          • india

          #5
          Re: Sony mbx-247 need to remove battery to turn on (sometimes not)

          Have you looked into protection circuit? Sony is notorious for protection circuits.

          Comment

          • flc1988
            Member
            • Nov 2018
            • 11
            • BRAZIL

            #6
            Re: Sony mbx-247 need to remove battery to turn on (sometimes not)

            Gate to earth - 18.75v
            drain to earth - 0.17mv
            source to earth - 18.80v

            Comment

            • flc1988
              Member
              • Nov 2018
              • 11
              • BRAZIL

              #7
              Re: Sony mbx-247 need to remove battery to turn on (sometimes not)

              About this ?
              Attached Files

              if you find these attachements useful please consider making a small donation to the site

              Comment

              Related Topics

              Collapse

              • Bowline
                Dell E6400 PT434 type Battery Charging Stuck at 1%. Battery Pinouts?
                by Bowline
                My question pertains to understanding the control circuity inside a Dell PT434 type battery used in Dell E6400, E6410 and other Dell notebooks?

                Does anyone have a circuit diagram for the inside of a Dell PT434 battery and/or a description of how the control lines work to control this battery?

                My reason for asking is I have a battery which I cannot get to charge beyond 1% in a Dell E6410 or E6400.
                The LED bar graph charge indicator on the battery shows one LED lighted when the info button is pressed.
                I have tried multiple different Dell power adapters. My Dell...
                06-11-2025, 10:13 AM
              • mkdj
                ASUS X571 no power : battery issue?
                by mkdj
                Hello everyone,

                Mark and model: ASUS X571
                Symptoms: not turning on. There is only the LED battery indicator working. The owner of the laptop told me this problem arrived one week after having changed the battery. He then managed to power on the laptop only once, and then it never powered on again.

                Tests already made:
                - Battery is charging when laptop is plugged in. The LED battery indicator turns white after a couple of hours of charge, indicating that battery is fully charged. However, laptop won't turn on anyway, with or without AC plug.
                - I have removed...
                07-14-2025, 09:16 AM
              • techfreak9356
                Vostro 3400 (LA-K033P) won't charge battery, everything else ok
                by techfreak9356
                I bought a Vostro 3400 motherboard (LA-K033P) to upgrade over my damaged Inspiron 5593 (LA-J091P) board. Everything else is ok except for the battery. This battery I am using now is already a replacement one since I disposed of the bloated original one. Back in the Inspiron 5593 motherboard, the battery charges fine and is identified just fine. However, with the upgraded motherboard, suddenly the replacement battery is labeled as "Not a dell battery". When I borrow a similar battery from my colleague (which did not have replacements yet), it is identified and charges just fine.
                ...
                09-14-2023, 11:10 PM
              • Document Archive
                ISL88739AHRZ ISL88739 Laptop Battery Charger Datasheet
                by Document Archive
                The ISL88739 & ISL88739AHRZ are a highly versatile combo battery charger
                configurable for operating as either a Hybrid Power Boost (HPB)
                charger or a Narrow VDC (NVDC) charger, supporting 2-, 3-, or
                4-cell batteries. Both configurations allow the battery to work with
                the adapter together to supply the system load when it exceeds
                the adapter capability, referred to as system Turbo mode. HPB
                charger configuration reverse-boosts battery energy to the system
                bus to help the adapter provide the system power in Turbo mode.
                NVDC charger configuration...
                11-05-2024, 03:28 PM
              • ferah831208
                Strange battery present behaviour in Lenovo Legion 5-15ARH05 mb model nm-d041
                by ferah831208
                Hello guys, i need help with this problem, I have a NM-D041 mobo, it came with low impedance in 3v linear regulator rail, the cause was a damaged EC controller ITE8227e-192. I ordered a new one and replaced it. This laptop have a different chip for keyboard management and it8227e pins for programming ITE chips are not accesible through keyboard interface, I flashed it using i2c interface pins with vertyanov programmer because laptop was dead and SPI flash didn't have power (only 3v EC) so it couldn't access firmware stored in SPI memory. I read SPI and extracted it8227 firmware from original BIOS...
                03-18-2025, 01:18 AM
              • Loading...
              • No more items.
              Working...