Asus FX505G LCD Backlight Issue

Collapse
X
 
  • Time
  • Show
Clear All
new posts
  • MaineFix
    Member
    • Jan 2023
    • 17
    • United States

    #1

    Asus FX505G LCD Backlight Issue

    Hello Everyone,

    Today I'm coming to you regarding my issue which is no Backlight .

    I have image on my screen but no light.

    The Laptop was one that came into my shop. Originally it came into the shop with an HDMI port issue. We replaced the mobo and now have a backlight issue. I took off the LCD display and removed the ribbon cable and peeled back the adhesive covering over the board that is connected to the LCD to identify any issues. I took tweezers and wiggled every connection. Everything appears to be fine.

    Looking for advice.

    Thank you
  • Vesko356
    VIP Moderator
    • Aug 2018
    • 4386
    • Bulgaria 🇧🇬

    #2
    Re: Asus FX505G LCD Backlight Issue

    Can you add the link to the schematic if you have it? Without schematic will be very difficult to get help on this issue.
    What's the screen? Standard 30 pin edp or another type?

    .
    Last edited by Vesko356; 04-25-2023, 01:46 PM.
    ----------------------------------------------------------------------------------------------------------------------------------------------------------
    All donations to Badcaps are welcome.
    Become a Badcaps supporter
    >>>>> click on this link to donate <<<<<
    Thanks to all supporters.​
    ----------------------------------------------------------------------------------------------------------------------------------------------------------
    Doctrina est fructus dulcis, radicis amarae.
    .

    Comment

    • JaroTech
      Badcaps Veteran
      • Mar 2015
      • 351
      • Canada

      #3
      Re: Asus FX505G LCD Backlight Issue

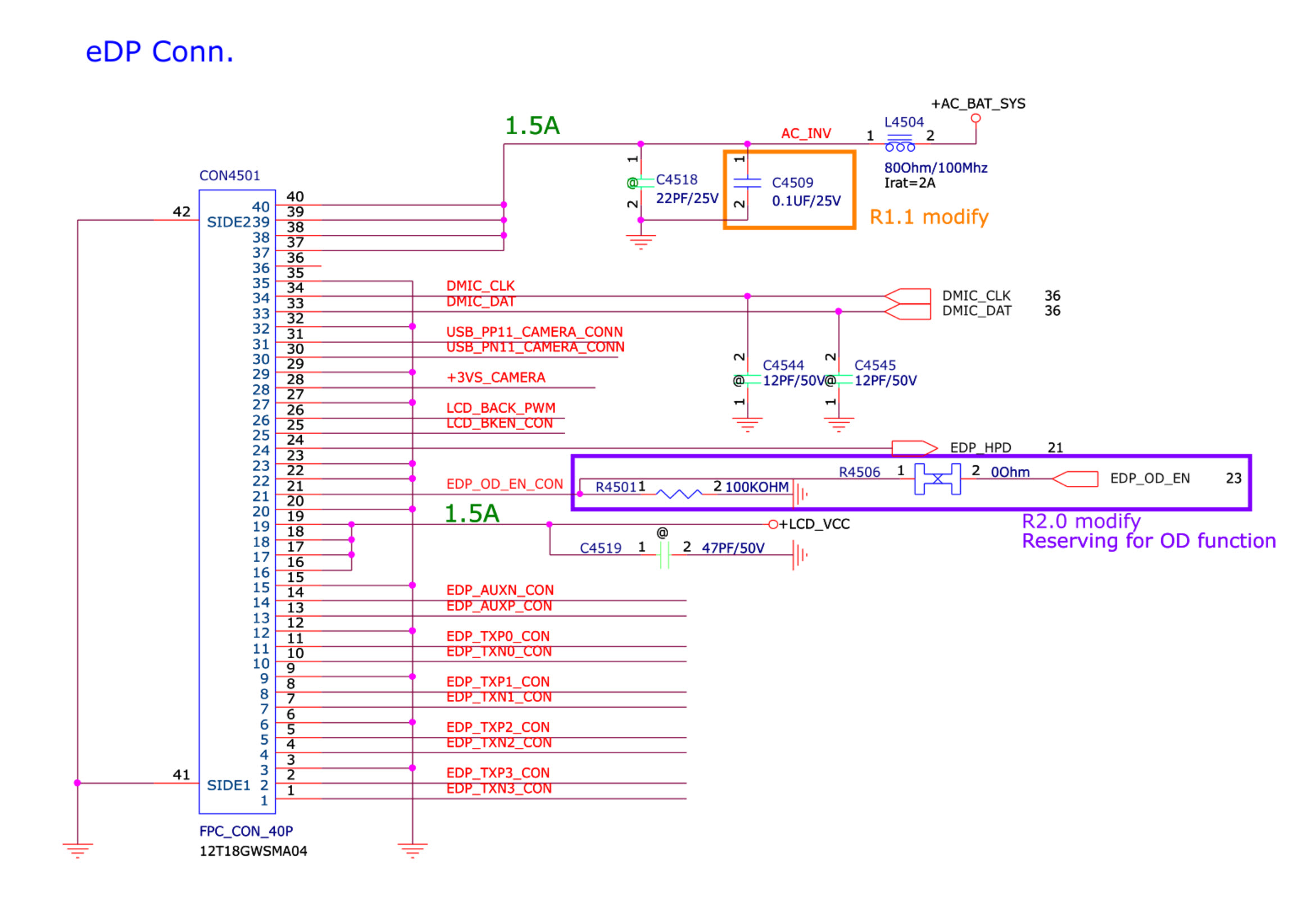
      Hi, what voltage do you have on pin 40 of the display connector on the motherboard.

      Comment

      • MaineFix
        Member
        • Jan 2023
        • 17
        • United States

        #4
        Re: Asus FX505G LCD Backlight Issue

        Originally posted by Vesko356
        Can you add the link to the schematic if you have it? Without schematic will be very difficult to get help on this issue.
        What's the screen? Standard 30 pin edp or another type?

        .
        Thank you for your reply. I'm not sure where to find the schematic. I looked online but the part number for it is N156HRA-EA1. It is also a 40 pin.

        Comment

        • mon2
          Badcaps Legend
          • Dec 2019
          • 14788
          • Canada

          #5
          Re: Asus FX505G LCD Backlight Issue

          See attached.

          Post the full markings of your logic board / laptop model.
          Attached Files

          if you find these attachements useful please consider making a small donation to the site

          Last edited by mon2; 04-25-2023, 02:24 PM.

          Comment

          Related Topics

          Collapse

          • Cornito
            Thomson 50UD6306 (TCL) Backlight Issue, starts then stops, led changed
            by Cornito
            Hello Team,

            I'm back with another backlight issue that I thought was simple, but it turned out to be more complex than expected.

            Let me provide a brief history: The TV was working well, then one day, the backlight started and shut down. I thought I had an LED issue leading to this behavior, so I replaced the LEDs with brand new ones. However, the issue remains the same.

            Next, I replaced the electrolytic capacitors attached to the LED power supply, but the results were the same. I then replaced the driver, a OB3365RP, and did it twice due to the same result....
            08-08-2024, 08:09 AM
          • cheebster
            iPad Pro 12.9 5th Gen Backlight Issue
            by cheebster
            Hello, got an iPad Pro A2378 12.9 5th gen with no backlight. Got another test unit without screen, tested the screen, still no backlight with the test unit.
            Figured out the backlight on the screen was bad, ordred a new backlight from mobilesentrix, *carefully replaced it* without damaging the lcd, oh well.
            Final result, issue is still there, the screen has no back lights. So i'm back to square one, with 3 hours less and 100$ out, issue still on the screen.
            The panel is still ok, i can see the apple in the middle of the screen when it kicks in, just no backlight.
            Anyone...
            05-20-2025, 09:17 AM
          • Acnologia
            Lenovo Thinkpad T540P - Showing at 14" inch but NOT at 15.6" inch (Backlight issue) ?
            by Acnologia
            Hello to all members of badcaps.

            Another brainstorming that i have been messing with for months as a side project.
            Bought a T540p , from eBay as 'doesn't display' ,so i thought it was either backlight fuse, or screen issue etc.


            I got it in my hands, first thing, the machine works fine boots to windows , in external screen all diagnostic are good.
            Step 1.
            Change screen (FAT - LED ) 1366x768 to 2nd one, that i know 1000% that is working ,as it has been tested.
            Machine > Doesn't give display it's really dim.
            Step 2.
            Use the same...
            11-05-2025, 04:02 AM
          • Cornito
            TCL 65C715 backlight issue
            by Cornito
            Hello team,

            I'm back with another topic.
            It's a 65C715 TCL tv with backlight issue.

            But the problem is a bit strange.
            When I took this tv from the marketplace backlight didn't work but picture was ok.
            Back at home I checked with led tester if led are alive and I can find something different in term of voltage supply => nothing

            Putting all back together the tv worked fine for weeks. => Contact issue??

            Few moment later the tv has started to have backlight issue back, turning off and on worked sometimes and tv was working....
            06-09-2024, 02:24 AM
          • IamPritesh
            Complex Backlight Issue. Please advise Asus DA0BKXMB8D0
            by IamPritesh
            So I have this Asus TUF laptop ( BOARD ID : DA0BKXMB8D0 ) which has no backlight. tested this with multiple screens and each has different result.

            Original Screen ( FULL HD ) :
            Has Data
            No Backlight
            0V on EDP connector Pin 39,40
            Backlight Enable has 3.3V

            TEST Screen 1 (ONLY HD)

            No data
            No Backlight
            8V on EDP connector Pin 39,40

            TEST Screen 2 (ONLY HD)

            No data
            No Backlight
            5V on EDP connector Pin 39,40

            LDVS CONNECTED TO MB BUT NOT TO LED SCREEN ...
            02-16-2022, 06:58 AM
          • Loading...
          • No more items.
          Working...