Celestron Telescope Motor Controller SMD Cap ID help

Collapse
X
 
  • Time
  • Show
Clear All
new posts
  • Kg74
    Senior Member
    • Feb 2013
    • 67
    • Usa

    #1

    Celestron Telescope Motor Controller SMD Cap ID help

    I have a Celestron Nexstar 11GPS scope that has a failed Motor Control Board. I need help identifying the SMD capacitors.

    The schematic I have found does not list the values, or for most of the caps, there existence. From what I have read, these SMD caps are most likely "decoupling" caps and are .01uf.

    Anyone with motor control experience have any ideas on how I can identify these SMD Caps? The rest of the components can be visually identified.
    Attached Files

    if you find these attachements useful please consider making a small donation to the site

  • stj
    Great Sage 齊天大聖
    • Dec 2009
    • 31278
    • Albion

    #2
    Re: Celestron Telescope Motor Controller SMD Cap ID help

    0.1uf ceramics.
    too large for 0.01uf
    unless one shorts out, they are fine.
    what's the issue?

    Comment

    • Kg74
      Senior Member
      • Feb 2013
      • 67
      • Usa

      #3
      Re: Celestron Telescope Motor Controller SMD Cap ID help

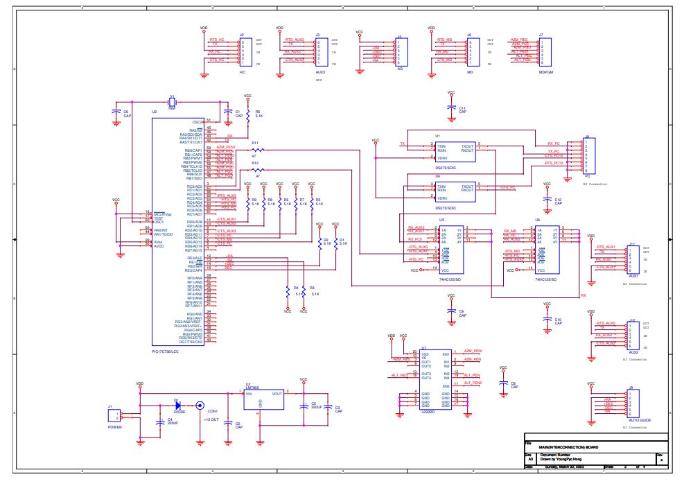
      Here is some additional background. I purchased the scope in its current failed condition. I was told that someone connected 120V a/c to the power port rather than the required 12 d/c. Someone has tried to repair the boards as is evidenced by visual examination (see pictures).

      The scope has three main electrical components: 1. Hand Control (“HC”), 2. Main/Serial Board (“SB”), and 3. Motor Control Board (“MCB”).

      The original HC is failed. I found a blown trace on the SB and repaired it with a wired jumper on the backside (not seen in the picture). It went from J1+ to pin 4 J2. After this repair power to the HC was established.

      I have a HC from another unit which is known good and working as it operates on another scope. It has different firmware, but it should manually operate the two motors. This HC powers up and displays errors that the motors cannot be found. Per Celestron this signifies the SB or MCB are most likely faulty. (The original HC displays nothing but power lighting).

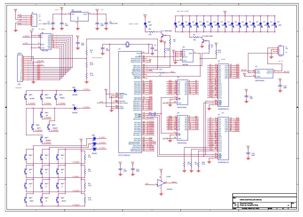
      I have attached additional photos of the SB and the schematics for the HC and SB.

      My equipment is limited to a $10 analog VOM with voltage settings and one ohm setting of 1K and a soldering iron. The rest of my equipment is in NC and I do not have access to it.

      Replacement boards are $342 and $291, but have a wait time of up to 1 month. I would like to fix the current boards or eliminate one of the boards as a source of failure. Some of the main chips have specific firmware, but would require appropriate EEPROM tools.

      I guess at this point, I need to exhaust the testing to eliminate as much as possible.
      Attached Files

      if you find these attachements useful please consider making a small donation to the site

      Comment

      • stj
        Great Sage 齊天大聖
        • Dec 2009
        • 31278
        • Albion

        #4
        Re: Celestron Telescope Motor Controller SMD Cap ID help

        eeprom?
        i suspect those stickers have a couple of microcontroillers under them!

        Comment

        • Kg74
          Senior Member
          • Feb 2013
          • 67
          • Usa

          #5
          Re: Celestron Telescope Motor Controller SMD Cap ID help

          stj - under the stickers lie two PIC16F876s. I have replaced them both and flashed them with firmware. So I replaced the following: C1, C2, U5, U11, U2 and U7. (See Post #1 for schematic and board photo) Still no love.

          When I plug in the hand set controller it does not see the Motor Board. When I try through the Serial Port of the Serial Board it does not see the "Scope" (see picture and schematic in Post 3). So I have a communication problem.

          Only clue I have: I switched programmers from a Pickit3 to a TL866II Plus and attempted to flash the PIC16s (one at a time). When I hit the program button the software gave me an "Over Current Protection! External short or IC reverse or incorrect package" error. I unplugged J1 (SBB) on the Motor Board (which comes from J2 (MD) on the Serial Board the firmware installed without issue. The Pickit3 did not give me this error. The Motor Board can be firmware updated removed from the scope, I left it in situ in the event I needed power for the flashing from the Scope's power supply, which was left off and not needed with either the Pickit3 or TL866II Plus.

          So I am thinking the problem may be on the Serial Board (Schematic, in Post 3, refers to this as the Main (Interconnection) Board). Unfortunately this schematic is for an older board and seems to have components from the Motor Board on it, maybe for ease of reading. If one looks at the picture in post #3 they can see the difference.

          Comment

          • Kg74
            Senior Member
            • Feb 2013
            • 67
            • Usa

            #6
            Re: Celestron Telescope Motor Controller SMD Cap ID help

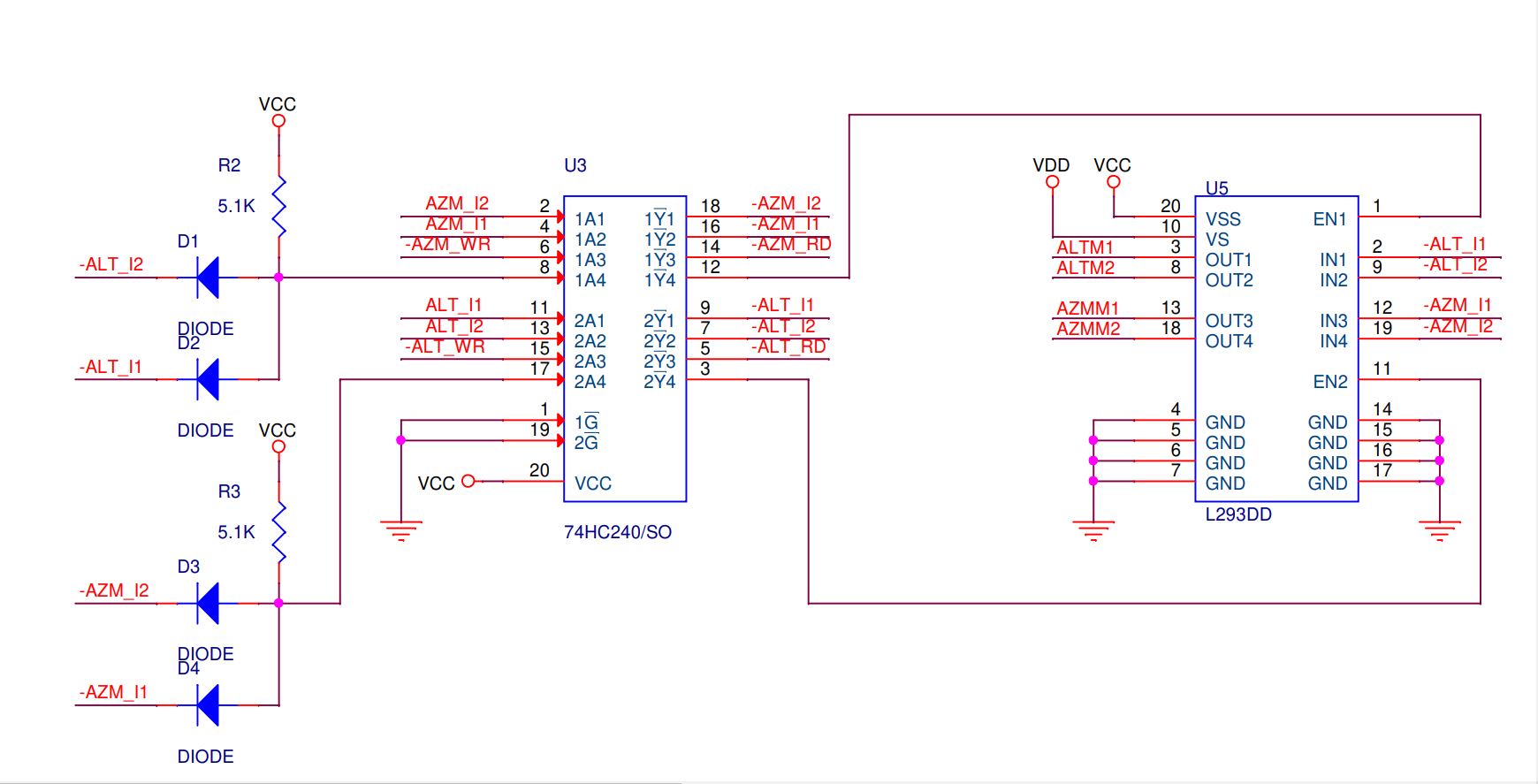
            I have done some more testing - so here is the update. Attached is a capture of the relevant schematic portion. Testing performed was with all parts soldered on the board.

            I tested the Diodes D1, D2, D3 and D4. D1 failed so I changed it out. The replacement D1 still fails while on the board. The removed D1 tested fine off the board. All Diodes show some leakage when my VOM Diode checker is used, but D1 beeps.

            I tested R2 and R3: R2, which is tied to D1 and D2 reads 2.05K ohms on the board (should be 5.1k ohms), and R3 which is tied to D3 and D4 reads 5.11k ohms (should be 5.1k) on the board.

            Does this point to U3 (74HC240/SO - DUAL 4-BIT DRIVER, INVERTED OUTPUT) as the failed component? I have already replaced U5 (L293DD - PUSH-PULL FOUR CHANNEL DRIVER WITH DIODES).

            Or does this point to R2 being bad?

            I am thinking it is U3 as D2 does not fail in the same manner and D1 goes to U3 pin 7, D2 goes to U3 pin 9, D3 goes to U3 pin 18, and D4 goes to U3 pin 16.

            Remember the scope suffered an excessive power input. Thanks for any thoughts or ideas for further testing.
            Attached Files

            if you find these attachements useful please consider making a small donation to the site

            Comment

            • stj
              Great Sage 齊天大聖
              • Dec 2009
              • 31278
              • Albion

              #7
              Re: Celestron Telescope Motor Controller SMD Cap ID help

              i cant follow -alt12,
              the first 2 schematics are too small - post the original files

              Comment

              • Kg74
                Senior Member
                • Feb 2013
                • 67
                • Usa

                #8
                Re: Celestron Telescope Motor Controller SMD Cap ID help

                stj - does this help?

                Of note, the Serial/Main Board differs from the current board.
                Attached Files

                if you find these attachements useful please consider making a small donation to the site

                Comment

                • stj
                  Great Sage 齊天大聖
                  • Dec 2009
                  • 31278
                  • Albion

                  #9
                  Re: Celestron Telescope Motor Controller SMD Cap ID help

                  probably u3 is bad

                  Comment

                  Related Topics

                  Collapse

                  • cjard
                    A motor controller is a power supply, right?
                    by cjard
                    Hoping someone here will be able to provide a few pointers with this. I've got a motor controller board for a device that moves a caravan. A DC motor on each wheel is supplied with 12v DC or -12V DC depending on whether the remote control is pushed in "forward" or "backward" mode. The control is arranged by having 2 relays per motor that, at rest, are all connected to the negative.. If the motor is to go forwards, then relay 1 activates meaning the motor sees "positive negative" on its terminals 1 and 2. If the motor is to go backwards then relay 2 activates meaning...
                    10-14-2020, 01:24 PM
                  • master3112
                    ASUS ROG Strix- G513IH-HN008, G513-6050A3249301- MB-A04 (A4) damaged Embedded Controller
                    by master3112
                    I have an ASUS ROG Strix- G513IH-HN008, motherboard G513-6050A3249301- MB-A04 (A4)

                    When I received the device, the device has no function. After an investigation, I found that the PWM CONTROLLER RT6575B (U6100) is getting warm and there is a short circuit at the 3V3 output. This normally supplies 3V3 for the embedded controller IT5571E-128 (U301). When measuring and analyzing with a thermal imaging camera, I found that some components are damaged: SLG4E42553VTR (U8500), IT5571E-128 (U301), LAN RTL8111H (U450), LOGIC 74LVC1G08GW (U1900), RT6575B (U6100) All these components are on...
                    10-29-2024, 09:32 PM
                  • Bloopeta
                    DMHC DC Motor Controller for Electric Quad
                    by Bloopeta
                    Hi, I was given a Funbikes 96 36v 800w Electric Quad.
                    Problem is the guy who had it connected the batteries wrong. It has 3 12v batteries in series, but he connected the 3 batteries in a complete circuit (diagram attached to explain, please excuse my drawing lol) and connected them to the quad, and said the motor controller made a fizzing noise and smoked lol.

                    Funbikes no longer stock a replacement controller, and I am unable to locate one online with the part number.

                    I opened up the controller, and immediately could see some blown caps, so I have replaced...
                    11-02-2021, 11:01 AM
                  • juergenb
                    Nescafe Aeroccino, still fails with new Motor (red flashes only once)
                    by juergenb
                    Hi,

                    i am asking for some Help.
                    I have one of these Nescafe Aeroccino (Milk Frother) things with a bad motor.
                    The Motor didn´t start anymore and internet is full of users just swapping the motor for a Mabuchi RF-500TB-12560.
                    So i got a few of these from Banggood.

                    I swapped the motor and now i have a new fault condition.

                    In a working Frother you would press the start button, it will light red and work for a few minutes.
                    If you press longer it will light blue and just mixup the milk.

                    With the new Motor it just starts...
                    03-23-2021, 11:24 AM
                  • sbt123
                    charnwood w821 mini wood lathe motor problem
                    by sbt123
                    hi there,im having a look at repairing a wood lathe for my dad,(charnwood w821)the problem is when turning up the variable speed control,the motor starts to stop and start by itself,if i continue to turn up the speed it will trip the mcb in the consumer unit,there is also a slight smell of burning from the speed controll box.,Another strange symptom is the lathe can be unplugged from the mains after switching it off and the motor will spin a couple of times by itself,so far ive put a new speed controll potentiometer on and new motor brushes,ive also tested the motor windings and everything looks...
                    10-27-2024, 03:43 AM
                  • Loading...
                  • No more items.
                  Working...