Hi All,
I have an Apple IIgs RGB Monitor on the bench for repair that I am struggling to get working again. This is a 240v Australian Delivered model. I found the monitor at a local boot sale, seller was unable to provide any details if it worked or used to work etc.
Initial inspection revealed a blown 5 Watt wire wound resistor directly after the rectifier. I replaced the 5 watt resistor at the same time checked ESR on capacitors and replaced only those on primary side of power supply.
I happened to have a voltage regulator (STR54041) on hand so replaced this as well. Diodes / Resistors checking OK, I did find a Suspect 2SC1213 and used a BC337 as replacement whilst waiting on correct parts to arrive.
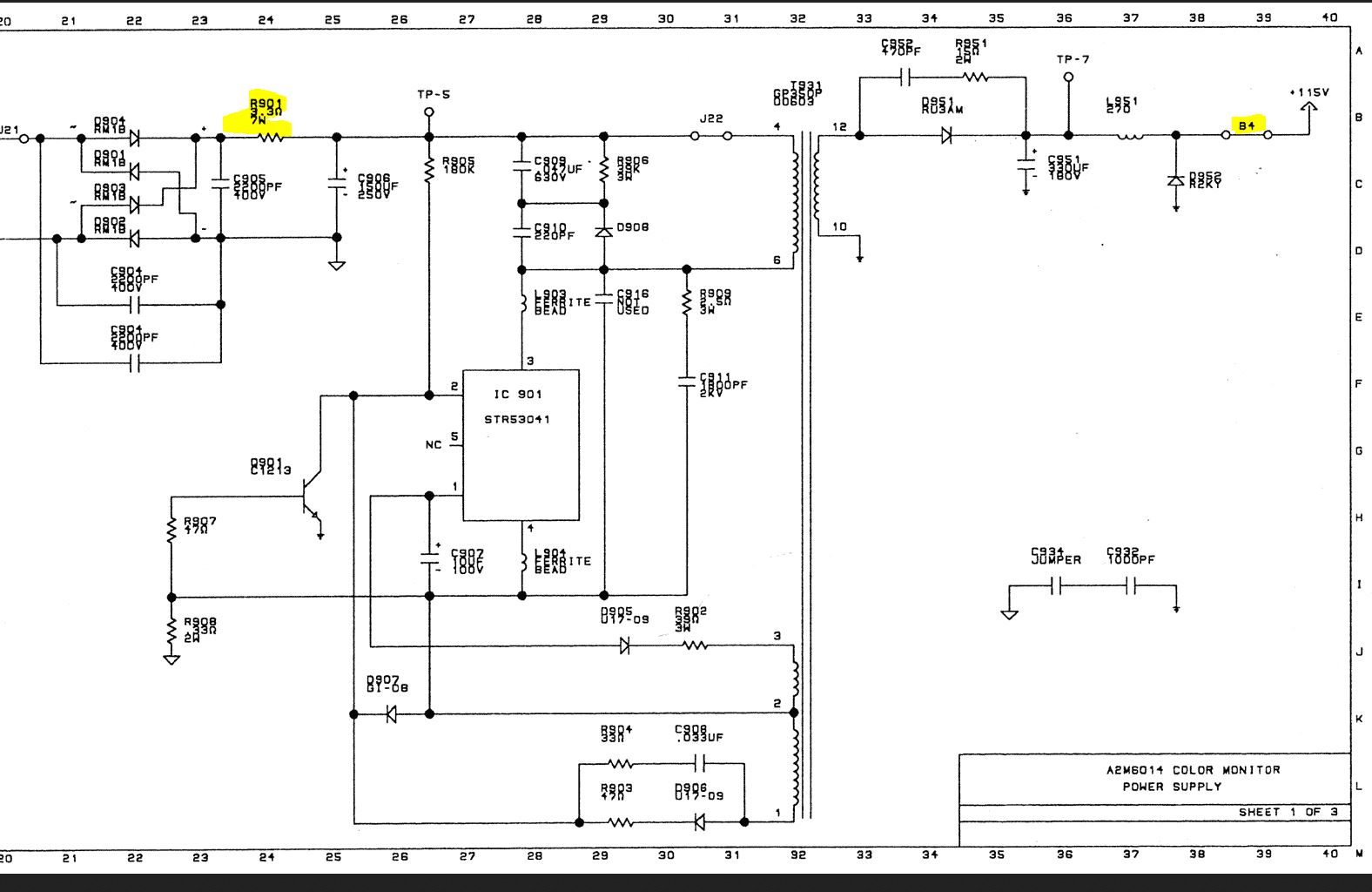
The monitor straight away blows the 5W resistor (R901), no smoke or failure - just goes open circuit.
At this point I have B+ isolated from the board and just using lightbulb for dummy load (Jumper B4 Disconnected from chassis).
The second time while running up on a variac - everything seemed OK till around the 200v mark when the Resistor failed open again. I could see the B+
was running a bit high around 128v but this was coming down as I increased the voltage on variac. (According to schema should be arround 115v)
Looking for any and all advice.
Thanks
See R901 (5 Watt Resistor) highlighted in attachment.
Schematics:
Version 1 (Best): https://console5.com/wiki/File:A2M60...-Schematic.png
Version 2: https://cdn.badcaps-static.com/pdfs/...fae5488f5e.pdf
Version 3 (Australia Amendments): http://lukazi.blogspot.com/2013/02/i...placement.html
I have an Apple IIgs RGB Monitor on the bench for repair that I am struggling to get working again. This is a 240v Australian Delivered model. I found the monitor at a local boot sale, seller was unable to provide any details if it worked or used to work etc.
Initial inspection revealed a blown 5 Watt wire wound resistor directly after the rectifier. I replaced the 5 watt resistor at the same time checked ESR on capacitors and replaced only those on primary side of power supply.
I happened to have a voltage regulator (STR54041) on hand so replaced this as well. Diodes / Resistors checking OK, I did find a Suspect 2SC1213 and used a BC337 as replacement whilst waiting on correct parts to arrive.
The monitor straight away blows the 5W resistor (R901), no smoke or failure - just goes open circuit.
At this point I have B+ isolated from the board and just using lightbulb for dummy load (Jumper B4 Disconnected from chassis).
The second time while running up on a variac - everything seemed OK till around the 200v mark when the Resistor failed open again. I could see the B+
was running a bit high around 128v but this was coming down as I increased the voltage on variac. (According to schema should be arround 115v)
Looking for any and all advice.
Thanks
See R901 (5 Watt Resistor) highlighted in attachment.
Schematics:
Version 1 (Best): https://console5.com/wiki/File:A2M60...-Schematic.png
Version 2: https://cdn.badcaps-static.com/pdfs/...fae5488f5e.pdf
Version 3 (Australia Amendments): http://lukazi.blogspot.com/2013/02/i...placement.html
But today, I’m making an exception here. Why? No idea. Perhaps only because the repair details are still “fresh” in my head… which is ironic, given this is a 16 year old monitor that hardly anyone will care about today. It is new to me, though.
Comment