Dell 2405FPW won't power on

Collapse
X
 
  • Time
  • Show
Clear All
new posts
  • stevenps
    Senior Member
    • Sep 2008
    • 102

    #1

    Dell 2405FPW won't power on

    I'm working on a Dell 2405FPW for a co-worker and I'm having trouble figuring out what's wrong with it.

    He told me that his wife saw the backlight flicker a couple of times, then the monitor wouldn't turn on anymore. I checked and found fuse F702 on the power supply board open; it's on the ~7v output. As a quick test, I ran the monitor with a multimeter in place of the fuse to see what the current draw was and everything worked fine (it drew about 1.5A). Since everything looked good there, I replaced F702 with a 5A pico-fuse (matched rating of the old one) and turned the monitor back on. I saw the same thing the owner reported, and some smoke from the general area of D652 (near the primary filter cap); this time F702 did not blow, but the monitor won't turn back on anymore.

    I figured I'd also recap the power supply when I ordered the fuse, so I replaced the secondary filter caps (Elite) with Panasonic FM and the primary filter cap (also Elite) with this Panasonic ED as other info I've read about this monitor suggests that people have problems with it. After replacing the fuse, I replaced D652 (Fuji Electric YG971S6) with this close-looking one even though I think it's still working properly (didn't want to chance it with the smoke and all, didn't help though).

    At this point, I measure about 19v on both sides of F701 and about 7v on both sides of F702 so I think the power supply is working properly. The monitor still won't turn on, so I'm thinking there's a problem in the display board. On the bottom of that board I found F9 (surface-mount, clear, labeled TP, near the input connector from the power supply) open and FD7 shorted. I'm having trouble figuring out what these things are. I'm assuming that F9 is a fuse of some sort, but it's not a type that I'm used to seeing and it doesn't have any indication of what rating it's supposed to have. Based on the logo, I think that FD7 is a diode of some kind manufactured by General Semiconductor (now owned by Vishay?), but the markings S4 57A haven't helped me figure out exactly what it is.

    At this point I'm out of things to check (without checking every surface-mount component, of which there are a lot) and I'm having trouble finding information. Other people seem to have issues with the power supply on these monitors, but I think this one is okay. Elektrotanya doesn't have a service manual, I don't see parts on eBay, and I don't understand this stuff well enough to know where to go from here. Would anyone be willing to help me out?
    Attached Files
  • trebo
    Badcaps Veteran
    • Feb 2010
    • 514
    • Wales, UK

    #2
    Re: Dell 2405FPW won't power on

    have a look at these links they may help (If you have not seen them already)

    https://www.badcaps.net/forum/showth...t=Dell+2405FPW
    hash 37-39

    https://www.badcaps.net/forum/showth...2405FPW&page=4
    hash 77 + 135

    Comment

    • stevenps
      Senior Member
      • Sep 2008
      • 102

      #3
      Re: Dell 2405FPW won't power on

      Thanks for the reply. I did see those, but I'm getting more out of them now than I did last night. I didn't check for a short in the panel, but I need to get to the point where I'd notice if I had that problem first (right now I can't get the thing to turn on at all, even with the panel disconnected). The other post seems to be dealing with alternative board sources and troubleshooting power supply problems. I'd rather not order a new board if I don't have to, and since there is steady voltage at the output fuses I don't think there's anything wrong with the power supply. I just traced out the connecting wires, and the green wire should be connected to the 7v output and the white wire appears to attach, through other components, to IC601 which is the offline PWM controller; I can check what, if anything, I measure at those locations with power on. I also hadn't tried measuring both sides of the surface-mount fuse on the display board so I can do that and post results when I'm done.

      Comment

      • stevenps
        Senior Member
        • Sep 2008
        • 102

        #4
        Re: Dell 2405FPW won't power on

        I tested all the connecting wires with the power on (inverter and panel unplugged) and found this:
        • White = 0.4mV
        • Black = 10.6mV
        • Brown = 4.7mV
        • Red = 19.83V
        • Orange = 0V
        • Yellow = 0.5mV
        • Green = 7.05V
        • Blue = 0V
        • Purple = -76mV
        • Grey = 0V


        None of those values changed when I pushed the power button. I desoldered FD7 and it tests fine on its own; on one side of it there are 2 220uF capacitors in parallel (C35 and one other) and my capacitance meter couldn't get a clear reading on them so I'll desolder and check them next. F9 is still open and it has 19V on one side and 0V on the other side. I'm assuming that I'll need to replace this, but the only label on it is "TP" which isn't particularly useful. Any thoughts as to what this is and what I should replace it with?

        Comment

        • PlainBill
          Badcaps Legend
          • Feb 2009
          • 7034
          • USA

          #5
          Re: Dell 2405FPW won't power on

          Originally posted by stevenps
          I tested all the connecting wires with the power on (inverter and panel unplugged) and found this:
          • White = 0.4mV
          • Black = 10.6mV
          • Brown = 4.7mV
          • Red = 19.83V
          • Orange = 0V
          • Yellow = 0.5mV
          • Green = 7.05V
          • Blue = 0V
          • Purple = -76mV
          • Grey = 0V


          None of those values changed when I pushed the power button. I desoldered FD7 and it tests fine on its own; on one side of it there are 2 220uF capacitors in parallel (C35 and one other) and my capacitance meter couldn't get a clear reading on them so I'll desolder and check them next. F9 is still open and it has 19V on one side and 0V on the other side. I'm assuming that I'll need to replace this, but the only label on it is "TP" which isn't particularly useful. Any thoughts as to what this is and what I should replace it with?
          TP indicates it is a Time delay 3 Amp fuse. Identifying the proper replacement requires knowing the exact size; your picture is quite good, but not THAT good. One option would be to temporarily substitute a pico fuse or you might be able to (carefully) run a pair of wires to a fuse holder.

          PlainBill
          For a number of reasons, both health and personal, I will no longer be active on this board. Any PMs asking for assistance will be ignored.

          Never be afraid to try something new. Remember, amateurs built the ark. Professionals built the Titanic.

          Comment

          • stevenps
            Senior Member
            • Sep 2008
            • 102

            #6
            Re: Dell 2405FPW won't power on

            Thanks, I should have some 2.5A or 3A pico fuses around that I can test with. If a physical size measurement of the existing fuse would be helpful, I can desolder and measure it. I'm still a bit concerned as to why the fuses are blowing in the first place (first the 7v supply fuse, now a fuse on the 20v line on the display board) so I'm going to continue poking around at stuff unless you've got a suggestion on that.

            Comment

            • PlainBill
              Badcaps Legend
              • Feb 2009
              • 7034
              • USA

              #7
              Re: Dell 2405FPW won't power on

              Originally posted by stevenps
              Thanks, I should have some 2.5A or 3A pico fuses around that I can test with. If a physical size measurement of the existing fuse would be helpful, I can desolder and measure it. I'm still a bit concerned as to why the fuses are blowing in the first place (first the 7v supply fuse, now a fuse on the 20v line on the display board) so I'm going to continue poking around at stuff unless you've got a suggestion on that.
              One of the most miserable tasks (in electronics) is identifying a problem like this. Here are a few ideas, starting with the simplest.

              1. Measure the resistance from the 20V rail to ground (AFTER the fuse) with the panel plugged in. It should be higher than 10 ohms (I would expect it to be higher than 100 ohms). This should catch a 'hard' short. Unplug the panel and see if the resistance increases.

              2. Instead of using a fuse, use a low resistance. My favorite is an 1157 automotive tail light with both filaments wired in parallel.

              3. Use a variable 'bench' supply with current limiting. Hook it from ground to the load side of the fuse. Increase the voltage slowly while monitoring the current. When the current starts to rise check CAREFULLY!! for hot spots.

              PlainBill
              For a number of reasons, both health and personal, I will no longer be active on this board. Any PMs asking for assistance will be ignored.

              Never be afraid to try something new. Remember, amateurs built the ark. Professionals built the Titanic.

              Comment

              • stevenps
                Senior Member
                • Sep 2008
                • 102

                #8
                Re: Dell 2405FPW won't power on

                Originally posted by PlainBill
                1. Measure the resistance from the 20V rail to ground (AFTER the fuse) with the panel plugged in. It should be higher than 10 ohms (I would expect it to be higher than 100 ohms). This should catch a 'hard' short. Unplug the panel and see if the resistance increases.
                The fuse does not seem to connect to any of the panel pins. I get no reading between the fuse and ground with the panel plugged in, and 1K ohm between the "hot" side of the fuse and ground.

                I did notice that the fuse seems to be directly connected to the positive pin of the sound bar's power connector, and I don't have a sound bar plugged in. I get no resistance reading between this pin and ground.

                Originally posted by PlainBill
                3. Use a variable 'bench' supply with current limiting. Hook it from ground to the load side of the fuse. Increase the voltage slowly while monitoring the current. When the current starts to rise check CAREFULLY!! for hot spots.
                Is it really safe to do this with everything plugged in? It seems like this might back-feed other circuits on the board, which could cause problems. I might give this a try after attaching a temporary fuse and testing the monitor with everything powered (and the panel disconnected).

                Comment

                • stevenps
                  Senior Member
                  • Sep 2008
                  • 102

                  #9
                  Re: Dell 2405FPW won't power on

                  I tested with a fuse attached through my multimeter measuring current, and I got no reading (though I did see 19v on the sound bar connector). I tried with the panel plugged in and with the USB board attached (I read something somewhere suggesting that was important for some reason) and nothing works. Power is getting to the display board but nothing happens when I push the power button. The only other thought I have is that something's wrong with the front panel but that seems unlikely given that I know it was working before when I watched the thing flicker and die. Can you think of anything else I could test?

                  Comment

                  • PlainBill
                    Badcaps Legend
                    • Feb 2009
                    • 7034
                    • USA

                    #10
                    Re: Dell 2405FPW won't power on

                    I'm going to need another picture showing all cards connected, or some indication of which connector on the power supply and the signal card goes where. I've spent the last 15 minutes getting nowhere because I have only a vague idea of what each connector does.

                    The signal card appears to have a number of bucking regulators on it that may be the source of the problems.

                    PlainBill
                    For a number of reasons, both health and personal, I will no longer be active on this board. Any PMs asking for assistance will be ignored.

                    Never be afraid to try something new. Remember, amateurs built the ark. Professionals built the Titanic.

                    Comment

                    • stevenps
                      Senior Member
                      • Sep 2008
                      • 102

                      #11
                      Re: Dell 2405FPW won't power on

                      Originally posted by PlainBill
                      I'm going to need another picture showing all cards connected, or some indication of which connector on the power supply and the signal card goes where. I've spent the last 15 minutes getting nowhere because I have only a vague idea of what each connector does.

                      The signal card appears to have a number of bucking regulators on it that may be the source of the problems.

                      PlainBill
                      The requested photo is attached (sorry about the bad quality, I was having trouble getting a better picture). Here's what I think each of the connecting wires does:

                      Power - inverter:
                      • Black: Gnd
                      • Brown: Gnd
                      • Red: 20v
                      • Orange: 20v
                      • Yellow: 20v
                      • Green: Brown of power - display
                      • Blue: Black of power - display


                      Power - display:
                      • Black: Blue of power - inverter
                      • Brown: Green of power - inverter
                      • Red: 20v
                      • Orange: Gnd?
                      • Yellow: R677, somehow attaches to IC651 (L6561D, STMicroelectonics, PFC)?
                      • Green: 7v
                      • Blue: Gnd?
                      • Purple: C703 (sound bar power?)
                      • Grey: Gnd?
                      • White: R718, somehow attaches to IC601 (NCP1200A-200A6, ON Semi, PWM)?


                      Also included are close-ups of the connectors and a few close-ups of most of the parts on the top side of the display board. Please let me know if any other pictures would help.
                      Attached Files

                      Comment

                      • PlainBill
                        Badcaps Legend
                        • Feb 2009
                        • 7034
                        • USA

                        #12
                        Re: Dell 2405FPW won't power on

                        Thanks, that first picture gave me a LOT more information - and raised another question. I see two USB ports on the right side, what are the two ports above them?

                        Bingo!! The fourth picture has several bucking regulators. The caps in that area are critical to proper operation.

                        I won't be able to get back to this until later. Real life is kicking me right now.

                        PlainBill
                        Last edited by PlainBill; 12-06-2011, 07:11 AM.
                        For a number of reasons, both health and personal, I will no longer be active on this board. Any PMs asking for assistance will be ignored.

                        Never be afraid to try something new. Remember, amateurs built the ark. Professionals built the Titanic.

                        Comment

                        • PlainBill
                          Badcaps Legend
                          • Feb 2009
                          • 7034
                          • USA

                          #13
                          Re: Dell 2405FPW won't power on

                          After reviewing the pictures, I see several things to be tested. There are roughly a dozen caps in this area. With power on, check the voltage across each cap. Some will show the input voltage. Others should show 'common' voltages, such as 12V, 5V, 3.3V, 2.5V, 1.8V, and maybe even 1.25V. Also, in the original picture there appears to be a three terminal LDO regulator just to the right of this area. What are the voltages on that?

                          PlainBill
                          For a number of reasons, both health and personal, I will no longer be active on this board. Any PMs asking for assistance will be ignored.

                          Never be afraid to try something new. Remember, amateurs built the ark. Professionals built the Titanic.

                          Comment

                          • stevenps
                            Senior Member
                            • Sep 2008
                            • 102

                            #14
                            Re: Dell 2405FPW won't power on

                            Originally posted by PlainBill
                            Thanks, that first picture gave me a LOT more information - and raised another question. I see two USB ports on the right side, what are the two ports above them?

                            Bingo!! The fourth picture has several bucking regulators. The caps in that area are critical to proper operation.

                            I won't be able to get back to this until later. Real life is kicking me right now.

                            PlainBill
                            That board is a USB hub and flash card reader. I've been doing most of my testing with it disconnected, and the one time I saw the monitor turn on it was with this board removed. When the monitor is plugged in, there is no voltage on any of the pins into this board (which I think is normal when the monitor is "off").

                            I'll check voltages on the capacitors, and get part numbers and such later tonight. Don't worry too much about time, I'm just happy to be getting any help at all. I won't be able to do anything until I get home from work tonight anyway.

                            Comment

                            • stevenps
                              Senior Member
                              • Sep 2008
                              • 102

                              #15
                              Re: Dell 2405FPW won't power on

                              Originally posted by PlainBill
                              After reviewing the pictures, I see several things to be tested. There are roughly a dozen caps in this area. With power on, check the voltage across each cap. Some will show the input voltage. Others should show 'common' voltages, such as 12V, 5V, 3.3V, 2.5V, 1.8V, and maybe even 1.25V. Also, in the original picture there appears to be a three terminal LDO regulator just to the right of this area. What are the voltages on that?

                              PlainBill
                              Cap voltages were all either power supply voltage (20V or 7V), 0V, or about 9mV. I didn't measure anything in between. I checked a number of the chips too, and none of those were between 7V and a few millivolts. The only thing I thought was interesting is the only place I saw 7V was on C34 (whatever's wrong blew the 7V fuse on the power supply the first time). I checked on all the larger (more than 3 pin) ICs, and found this:
                              • Q1 = F5305S 510C (international rectifier) - HEXFET Power MOSFET IRF5305S/L
                              • Q6/8? = FR9024N 424U (international rectifier) - HEXFET Power MOSFET IRFR9024N
                              • U1 = 49CNF0K TL1451A (Texas Instruments) - DC/DC Controller TL1451A
                              • U2 = 49CNF0K TL1451A (Texas Instruments) - DC/DC Controller TL1451A
                              • Q10 = 4431 ?BA? L55C - 30V P-Channel MOSFET TSM4431/SI4431ADY/... (generic?)
                              • Q? = 4431 ?BA? L55C (covered by white goop) - 30V P-Channel MOSFET TSM4431/SI4431ADY/... (generic?)
                              • U3 = H232 950T65 - 2.5V 1A Regulator G950T65U
                              • U4 = H184 952T43 - 1.8V 1A Regulator G952T43U
                              • U13 = 24C16WP K528G (ST Microelectronics) - I2C bus EEPROM? M24C16-W
                              • U5 = 24C02WP K530S (ST Microelectronics) - I2C bus EEPROM? M24C02-W
                              • U7 = 24C02WP K530S (ST Microelectronics) - I2C bus EEPROM? M24C02-W


                              BenQ was kind enough to label the pins on most of these (I/O/G or S/G/D) so I'm pretty sure I picked the right parts. I measured 20V on source and drain of both Q1 and Q8, but 0V on the gates. I don't recall exactly, but I'm pretty sure I didn't see 2.5V on the output of U3 or 1.8V on the output of U4 but I can check those again tomorrow. Also, I checked all the big diodes on the back and measured 0V on both sides of all of them.

                              Comment

                              • PlainBill
                                Badcaps Legend
                                • Feb 2009
                                • 7034
                                • USA

                                #16
                                Re: Dell 2405FPW won't power on

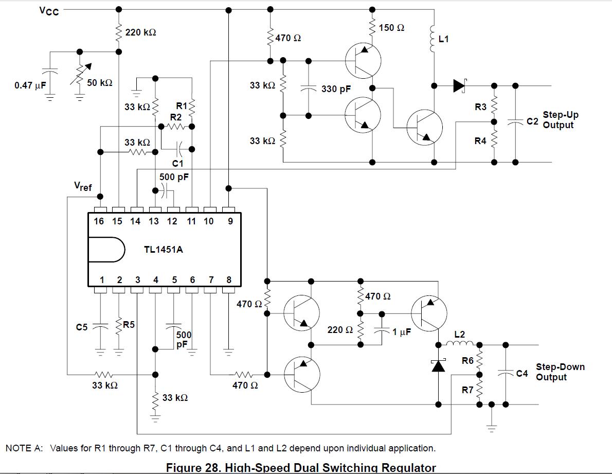
                                U1 and U2 are the controllers. I've attached the pinout and a typical application. Key points to check are the voltage at pin 9 (Vcc) and pin 16 (ref) of each of them (pin 8 is Gnd).

                                PlainBill
                                Attached Files
                                For a number of reasons, both health and personal, I will no longer be active on this board. Any PMs asking for assistance will be ignored.

                                Never be afraid to try something new. Remember, amateurs built the ark. Professionals built the Titanic.

                                Comment

                                • stevenps
                                  Senior Member
                                  • Sep 2008
                                  • 102

                                  #17
                                  Re: Dell 2405FPW won't power on

                                  Originally posted by PlainBill
                                  U1 and U2 are the controllers. I've attached the pinout and a typical application. Key points to check are the voltage at pin 9 (Vcc) and pin 16 (ref) of each of them (pin 8 is Gnd).

                                  PlainBill
                                  I got two completely different results from U1 and U2. First U1:
                                  • Pin 1 = 12mV peak, 400KHz wave
                                  • Pin 2 = 4mV peak, 25KHz wave
                                  • Pin 3 = -0.4mV fuzz
                                  • Pin 4 = -1.6mV fuzz
                                  • Pin 5 = 2.5mV peak wave
                                  • Pin 6 = -0.4mV fuzz
                                  • Pin 7 = 19.42V
                                  • Pin 8 = 0.2mV fuzz
                                  • Pin 9 = 240mV - 500mV irregular wave
                                  • Pin 10 = 19.54V
                                  • Pin 11 = 0V
                                  • Pin 12 = 100mV peak, 600KHz wave
                                  • Pin 13 = 60mV peak, 500KHz wave
                                  • Pin 14 = 135mV peak, 1MHz wave
                                  • Pin 15 = 150mV peak, 780KHz
                                  • Pin 16 = 5mV fuzz


                                  Most of these were fuzzy waves, some sine-like, others random-looking. I checked these with my oscilloscope as my DMM was reading 0V for many of those pins. On U2, however, I got solid readings on my DMM and didn't check them any other way (I actually did this one first, then got suspicious when I started on U1). U2:
                                  • Pin 1 = 1.742V, 87KHz sawtooth wave
                                  • Pin 2 = 0.962V
                                  • Pin 3 = 3mV
                                  • Pin 4 = 1.248V
                                  • Pin 5 = 0.767V
                                  • Pin 6 = 0.957V
                                  • Pin 7 = 0.792V
                                  • Pin 8 = 0V
                                  • Pin 9 = 6.52V
                                  • Pin 10 = 19.57V
                                  • Pin 11 = 0.957V
                                  • Pin 12 = 2.453V
                                  • Pin 13 = 1.254V
                                  • Pin 14 = 2.015V
                                  • Pin 15 = 0V
                                  • Pin 16 = 2.500V


                                  I assume this is what these are supposed to look like, with a reasonable-looking Vcc and ref (and a gnd that's actually 0V). While I was measuring, I checked the inputs of U3 and U4, and found both to be 14mV fuzz. What does all this mean?

                                  Comment

                                  • PlainBill
                                    Badcaps Legend
                                    • Feb 2009
                                    • 7034
                                    • USA

                                    #18
                                    Re: Dell 2405FPW won't power on

                                    I'm going to give you the 'Cliffs Notes' version. The TI datasheet for the TL1451 will give you the in-depth details.

                                    The signals on U1 are unusual, but I can think of one possible explanation. IF it controls the USB power supply, it will be off until a USB cable is plugged into a port.

                                    The signals on U2 are more reasonable, but some of them surprised me. Pin 9 (Vcc) is surprisingly low, and I am surprised that pin 10 is at 19 volts. Reviewimg the datasheet, they seem to be acceptable.

                                    I would appreciate your checking pins 7 and 10 with an oscilloscope; those pins are the outputs that drive the power FETs. And trace the outputs to the devices they are driving.

                                    PlainBill
                                    For a number of reasons, both health and personal, I will no longer be active on this board. Any PMs asking for assistance will be ignored.

                                    Never be afraid to try something new. Remember, amateurs built the ark. Professionals built the Titanic.

                                    Comment

                                    • stevenps
                                      Senior Member
                                      • Sep 2008
                                      • 102

                                      #19
                                      Re: Dell 2405FPW won't power on

                                      Originally posted by PlainBill
                                      I'm going to give you the 'Cliffs Notes' version. The TI datasheet for the TL1451 will give you the in-depth details.

                                      The signals on U1 are unusual, but I can think of one possible explanation. IF it controls the USB power supply, it will be off until a USB cable is plugged into a port.

                                      The signals on U2 are more reasonable, but some of them surprised me. Pin 9 (Vcc) is surprisingly low, and I am surprised that pin 10 is at 19 volts. Reviewimg the datasheet, they seem to be acceptable.

                                      I would appreciate your checking pins 7 and 10 with an oscilloscope; those pins are the outputs that drive the power FETs. And trace the outputs to the devices they are driving.

                                      PlainBill
                                      Signals on all 4 pins don't appear wave-like (they're flat).
                                      • U2 Pin 7 = 760mV mean
                                      • U2 Pin 10 = 20V mean
                                      • U1 Pin 7 = 19.8V mean, 200mV ripple
                                      • U1 Pin 10 = 19.8V mean, 200mV ripple


                                      I'm having some trouble tracing the circuits. The board is multi-layer, and they switched sides a lot. I was able to trace U1 pin 10 through R21 to the base of Q4, but I'm not sure what happens after that. I think the collector of Q4 connects to C13 on the back, but I'm going to have to finish tracing that later as my eyes hurt. The typical application doesn't appear to have any FETs in it, though I'm guessing U1 and U2 (output?) should be connected to the gates of the nearby 4431 chips. Is that likely correct, or should I be trying to hook these up to Q1 or Q8?

                                      Comment

                                      • PlainBill
                                        Badcaps Legend
                                        • Feb 2009
                                        • 7034
                                        • USA

                                        #20
                                        Re: Dell 2405FPW won't power on

                                        At this point you should concentrate on U2. That one should show some activity. Without Vcc, U1 won't do anything. Once again I find myself with a busy day ahead. As time permits, I will identify critical points and have you investigate them. Note that if U2 is bad, it would explain the problem, but I think it is much too early to try replacing it.

                                        PlainBill
                                        For a number of reasons, both health and personal, I will no longer be active on this board. Any PMs asking for assistance will be ignored.

                                        Never be afraid to try something new. Remember, amateurs built the ark. Professionals built the Titanic.

                                        Comment

                                        Related Topics

                                        Collapse

                                        • momaka
                                          HannStar Hanns-G HC194d LCD monitor repair
                                          by momaka
                                          Normally, I never post repairs this quick after I do them, because… I am usually very slow. But today, I’m making an exception here. Why? No idea. Perhaps only because the repair details are still “fresh” in my head… which is ironic, given this is a 16 year old monitor that hardly anyone will care about today. It is new to me, though. I picked it up last November from someone on my local Craigslist. It wasn’t very close to where I live, but was close to a family friend that I had to go visit anyways. So after watching the posting on Craigslist for a few weeks and seeing it getting...
                                          03-15-2023, 10:17 PM
                                        • wattage
                                          AOC AG493UCX 49-inch monitor - Firmware request
                                          by wattage
                                          Hello Badcaps Community,

                                          I purchased a preowned AOC monitor that is not working and out of warranty. It was sold as not working. I am looking for guidance on self-repair. In particular, I am after the firmware for the monitor. At the end, I have included monitor model information and links to pics and vids of the issue.

                                          The problem is that it will not display a picture on any of its inputs. And the on-screen menu does not appear. The power button works properly. It powers on with the remote as well. But the on-screen menu does not appear, even when not connected to any...
                                          07-13-2025, 04:41 PM
                                        • ant3202
                                          HP 27es - LED monitor - Monitor Flashing On - Off
                                          by ant3202
                                          Hi Everyone

                                          Lately I am experiencing the deja-vu incident on one of the led monitor like this.
                                          https://www.badcaps.net/forum/troubl...lashing-on-off

                                          The monitor is HP 27es LED Monitor
                                          https://h30434.www3.hp.com/t5/Deskto...e/td-p/6804692

                                          The monitor will randomly blackout and display no signal and will recover again.
                                          Sometimes need to power and off again to restore the display but...
                                          03-20-2025, 07:30 PM
                                        • Rick_1234
                                          LG 23MP55HQ LED Monitor turns off after a few seconds or flickers.
                                          by Rick_1234
                                          Good evening, gentlemen.

                                          I have a problem with my monitor. It turns off after a few seconds or flickers. Shining a flashlight on the screen doesn't show any image, so I guess it's not the "2 seconds to dark" I read in the forum.

                                          To turn it back on, I have to press the power button twice. Then after a few seconds it turns off again or flickers. See video.
                                          https://drive.google.com/file/d/1L6S...ew?usp=sharing


                                          Things I tried

                                          - Bought a new AC adapter thinking that was the problem but the problem...
                                          06-22-2024, 04:44 PM
                                        • corrize
                                          A funny fuse story – Lumix LX100 II
                                          by corrize
                                          Hello, I disassembled this dead camera, and found this WTF… Two fuses soldered one above the other !
                                          I was pretty sure nobody touched it before, but that can't be from factory. There is flux, and capacitor is probably missing.
                                          The other weird thing : the fuses are « G » fuse : (0.75A – 8V), seems very low. The original fuse should be « O » : (32V 2,5A).
                                          There is « O » mark beside. All fuses have the same mark letter on main board. So, I can deduce it's a « O » fuse.
                                          And this correspond to the issus I saw : when I plug the battery, I measure the voltage dropping...
                                          10-19-2023, 09:58 AM
                                        • Loading...
                                        • No more items.
                                        Working...