This was showing 2 seconds to black. I opened it up and found 3 bulging caps. (the three with black marks on top in the inverter side.) I replaced them with good caps... no change. I then removed the rest of the caps and tested with ESR meter. Found two of the smaller caps near the main transformer reading high, so I replaced them also. Still get 2 sec to black.
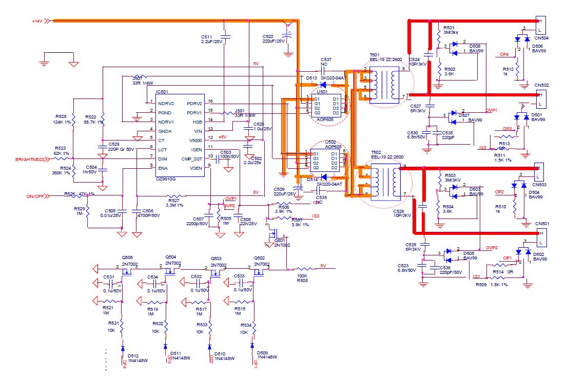
I then did some tests with the power on:
Primary side of inverter transformers show 14.4V before the ccfl's turn on, and then drop to 7.35V when the lights turn on, then back up to 14.4V when they shut back off.
I plugged in some good ccfl's and when they come on, all of them only light up about 60% of the tube.
Setting my meter to 150V AC I tested the ccfl connectors. I put each probe on one of the pins by the ccfl connector. CN501 and CN502 show 75V when they light up. CN503 shows 60V, and CN504 shows 50V.
I checked the inverter transformers with a ring tester (while still on the board) and the secondary side shows 1 yellow, which should be ok?
It appears that it isn't getting enough power, but I don't know where to look next...
I then did some tests with the power on:
Primary side of inverter transformers show 14.4V before the ccfl's turn on, and then drop to 7.35V when the lights turn on, then back up to 14.4V when they shut back off.
I plugged in some good ccfl's and when they come on, all of them only light up about 60% of the tube.
Setting my meter to 150V AC I tested the ccfl connectors. I put each probe on one of the pins by the ccfl connector. CN501 and CN502 show 75V when they light up. CN503 shows 60V, and CN504 shows 50V.
I checked the inverter transformers with a ring tester (while still on the board) and the secondary side shows 1 yellow, which should be ok?
It appears that it isn't getting enough power, but I don't know where to look next...

Comment