Hello, I got this AVR for cheap and tried to fix it as a fun and learning project.
First the audio video receiver would turn on but had no sound at all, but no "PROTECT" message.
So, I opened the metal case and noticed some marks showing that some liquid has been spilled on the amp. Those water marks were found on the main board and the digital board.
I disassembled everything, then checked every single cap on every board of the amp and recapped when needed.
Also fixed A LOT of cold solder joints and also done some modifications, I added heatsinks on linear voltage regulators, both on the main board and the digital board that were obviously overheating.
I also put a blob of thermal pad under the main board under the main IC201 sound processor because it also overheats.
After cleaning the pcb and doing all the above work I connected it and found that it now works except from the digital board.
When in 2 channel mode it works normally, checked all inputs and they all work and also checked all the amplifier outputs and they also work.
To check all the outputs used the 5.1 CH analog input that bypasses the digital board.
So everything works until I try to adjust the bass or tremble or enable a soundfield, then the amp goes silent.
Also the digital inputs don't work. But the dolby digital /DTS/PCM 48KHZ input data are properly recognized and shown on the display.
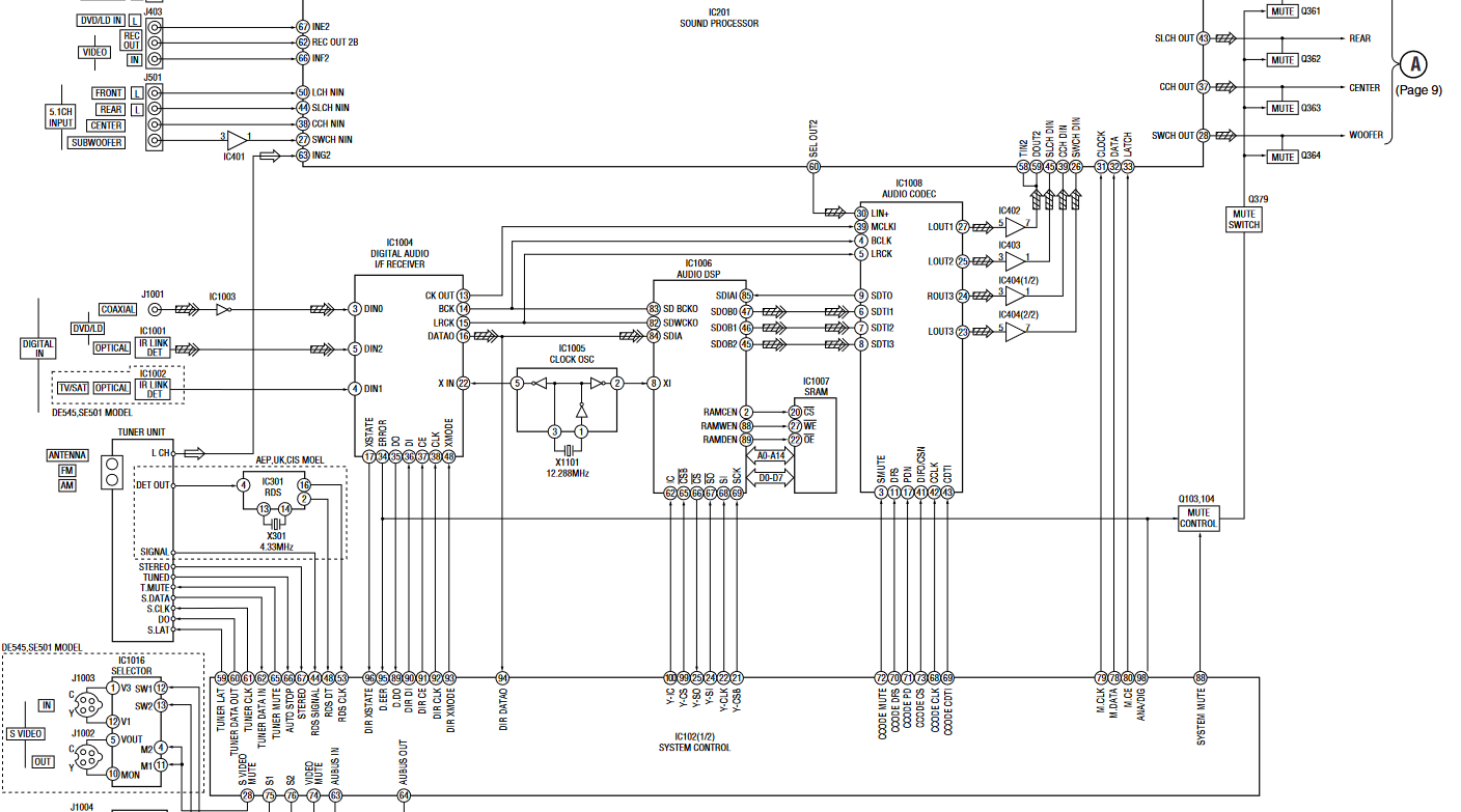
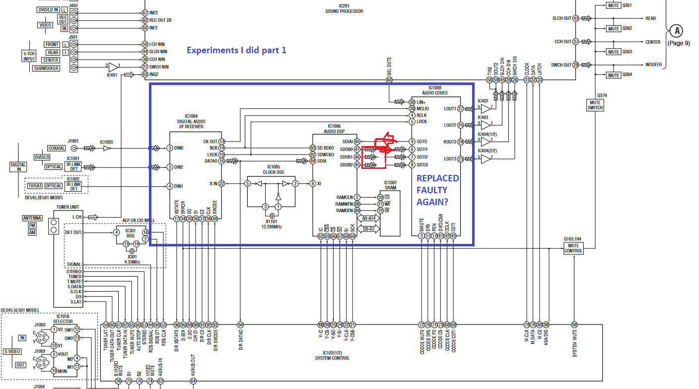
So, after doing some tests and examining the digital board schematic I concluded that the AK4527VQ was dead and ordered replacement from aliexpress. The replacement arrived and I soldered it on digital board but nothing changed. Does anyone know how to find out if I got a faulty IC and I should open a case on aliexpress or maybe I misdiagnosed the fault?
I can attach the service manual but it is really easy to find online, check first Google results.
The digital board of this amp is really simple due to cost cutting and very easy to understand. Can someone advise how can I rule out the replacement AK4527VQ being faulty?
I also have a digital oscilloscope and could use it if needed.
First the audio video receiver would turn on but had no sound at all, but no "PROTECT" message.
So, I opened the metal case and noticed some marks showing that some liquid has been spilled on the amp. Those water marks were found on the main board and the digital board.
I disassembled everything, then checked every single cap on every board of the amp and recapped when needed.
Also fixed A LOT of cold solder joints and also done some modifications, I added heatsinks on linear voltage regulators, both on the main board and the digital board that were obviously overheating.
I also put a blob of thermal pad under the main board under the main IC201 sound processor because it also overheats.
After cleaning the pcb and doing all the above work I connected it and found that it now works except from the digital board.
When in 2 channel mode it works normally, checked all inputs and they all work and also checked all the amplifier outputs and they also work.
To check all the outputs used the 5.1 CH analog input that bypasses the digital board.
So everything works until I try to adjust the bass or tremble or enable a soundfield, then the amp goes silent.
Also the digital inputs don't work. But the dolby digital /DTS/PCM 48KHZ input data are properly recognized and shown on the display.
So, after doing some tests and examining the digital board schematic I concluded that the AK4527VQ was dead and ordered replacement from aliexpress. The replacement arrived and I soldered it on digital board but nothing changed. Does anyone know how to find out if I got a faulty IC and I should open a case on aliexpress or maybe I misdiagnosed the fault?
I can attach the service manual but it is really easy to find online, check first Google results.
The digital board of this amp is really simple due to cost cutting and very easy to understand. Can someone advise how can I rule out the replacement AK4527VQ being faulty?
I also have a digital oscilloscope and could use it if needed.

Comment