Re: Need help identifying smd
?
Need help identifying smd
Collapse
X
-
-
Re: Need help identifying smd
I search for PDFs using Google's search filters:
http://www.google.com/search?q=filet...number+here%22
The FSP3305 was listed in the SCR manual, so I looked for that first. I couldn't find its marking code, so I looked for its stablemates.Last edited by fzabkar; 04-22-2016, 03:00 PM.Leave a comment:
-
Re: Need help identifying smd
Can I ask how you're finding information for ICS and such? When I do a google search I don't get anything usefulLeave a comment:
-
Re: Need help identifying smd
Thank you so much for all your findings. Appreciate it. Earlier I was looking at the power on/acc det circuit and all the voltages were where they needed to be during my tests even with no display.
The only difference I noticed when it worked and when it didn't is that standby voltages in the circuit at c124/c125 were .90v when it worked and also as I pressed eject first. When it didn't work properly there was .70v there.
Out of curiosity I tried replaced c125 as it was an electrolytic but still same issue. It seemed too complicated tracing down anymore so I'm just going to live with pressing eject followed by power button for now.
Thanks again!Last edited by caphair; 04-22-2016, 02:48 PM.Leave a comment:
-
Re: Need help identifying smd
FSP3300 -> marking LAYMX (YM = Year /Month, X = internal code)
FSP3301 -> LBYM
FSP3304 -> LCYM
? FSP3305 -> LE2J -> part number = LE, Y = 2012, M = October
FSP3305, Foslink Semiconductor / Vivichip Electronics, fixed frequency white LED driver, TSOT23-6L:
http://www.chinadmd.com/file/vuuuui3...sixwz36_1.html
https://cdn.badcaps-static.com/pdfs/...97ef367ef5.pdf (FSP3301)
(FSP3304)
https://cdn.badcaps-static.com/pdfs/...c66e861d91.pdf (FSP3300)Leave a comment:
-
Re: Need help identifying smd
The KB_DET_EJ signal appeared to be unique, so I searched for that.
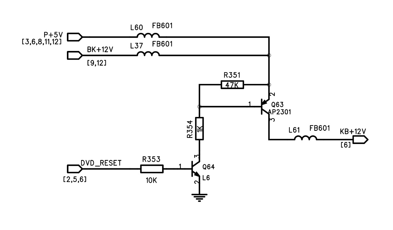
There are similarities between your unit and the SCR device, but they are not the same. For example, the backlight driver IC is U2 in the manual and U13 on your PCB. Your PCB is 12-K7700-3FS whereas those in the manual are 12-K4323-172, 12-K4323-KE2, 12-D4321-HP5. Therefore I would be careful when comparing the two devices.
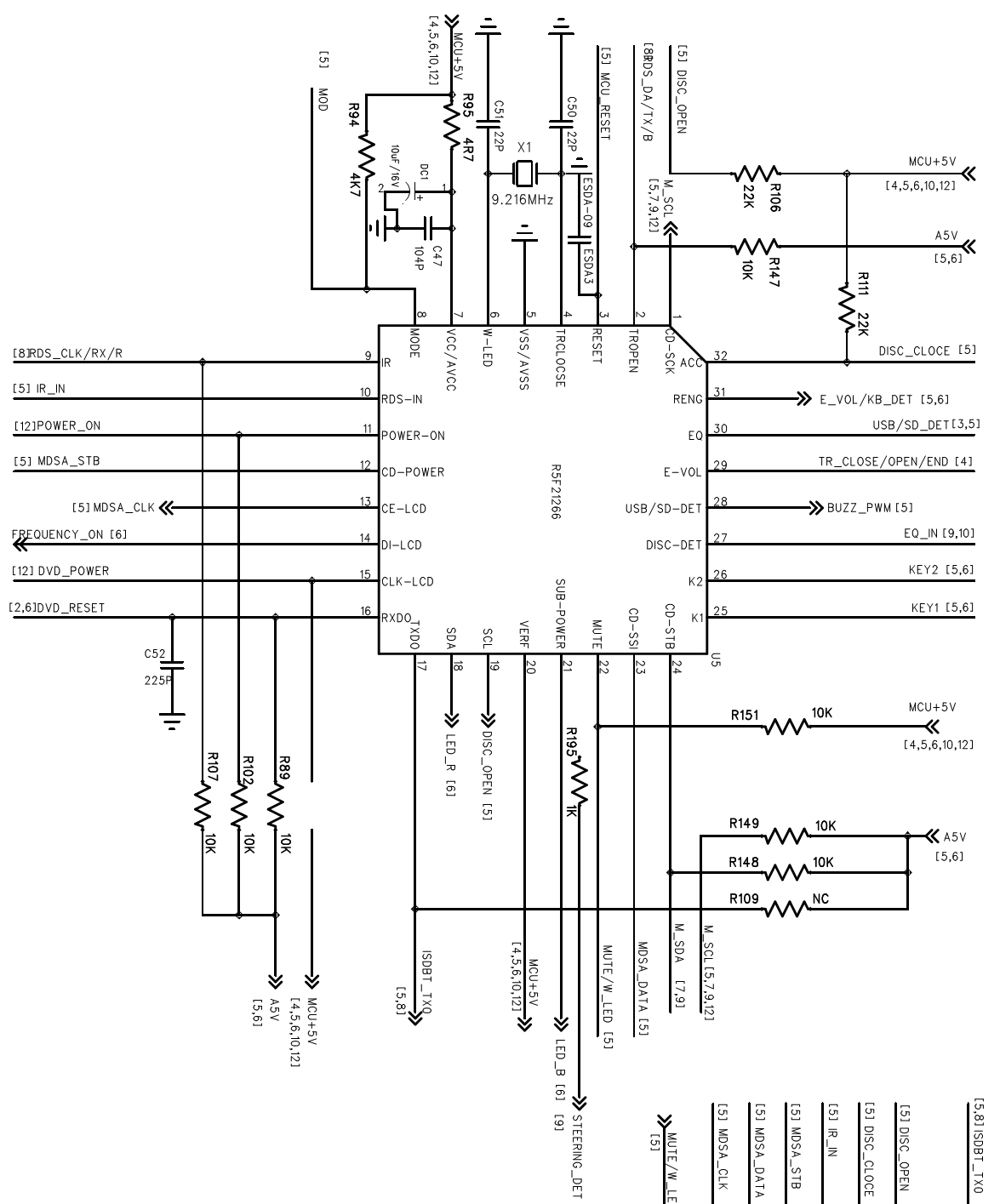
ISTM that your problem is a difficult one. I would start by familiarising myself with each of the components and determining their function, ie start with a block diagram. Then I would measure the voltage test points in standby mode. Next see what happens to these same voltages when you operate the eject button, and then after you push the power button. I would also check the reset logic on page 50.
ISTM that the R5F21266 IC decodes the keypad and the IR remote rather than the SPHE8202TQ, so it is the master MCU. The SPHE8202TQ is a slave.Leave a comment:
-
Re: Need help identifying smd
That SCR model is VERY similar I think the only difference is the screen size but looking at the manual the functions and display icons are the same.
Thanks for all your findings, how'd you find these btw?
In that SPHE8202T chip what should I be looking for? It seems that the DVD drive needs power first before display comes on but not sure what to look for exactly in terms of testing. I'm not seeing the power sequencing you mention?
Should I be looking at these circuits?Last edited by caphair; 04-22-2016, 06:20 AM.Leave a comment:
-
Re: Need help identifying smd
Another manual:
http://www.manualslib.com/manual/101...r-4709tvd.html
https://cdn.badcaps-static.com/pdfs/...b097587727.pdf
FWIW, the following device can switch off the display while the audio remains on.
http://www.manualslib.com/manual/914...r-2067tft.html
https://cdn.badcaps-static.com/pdfs/...4e38f7b553.pdf
Page 49 of the SCR-4710TVD manual shows the SPHE8202T SoC.Display ON/OFF Function:
In Disc mode, swing the SEL knob briefly in the direction of APS/DISP to turn off the display image (the monitor on the unit only) , the sound will stay on. (Swing it again to resume the playback picture mode.)Last edited by fzabkar; 04-22-2016, 01:45 AM.Leave a comment:
-
Re: Need help identifying smd
Here is a service manual for a device that appears to have many similarities to your own (Premier SCR-4710TVD):
https://cdn.badcaps-static.com/pdfs/...9b02464af4.pdf
http://www.manualslib.com/download/7...r-4710tvd.html
Page 60 of the PDF has the same TFT on/off circuit as yours.
The PCB labels are very similar in format to your own, so it appears that the PCBs may be manufactured or designed by the same company.
Note that power sequencing (page 53) is done by a second processor (R5F21266):
It might be worth investigating the Premier product range in case they have an identical product under a different badge, perhaps with slightly different cosmetics.Leave a comment:
-
Re: Need help identifying smd
Power button does have dual function. When unit is on and power button pressed it toggles through various inputs, i.e. Radio, USB, aux 1/2
It does have a remote control and yields same result with it.
What do you mean by wake up the display with a USB?Leave a comment:
-
Re: Need help identifying smd
Does the power button have a dual function? For example, I notice that some units have a Power/Mute dual function.
Do you have a remote control for this unit? If so, does it behave properly?
Can you wake up the display if you insert a USB stick?Leave a comment:
-
Re: Need help identifying smd
It seems that if the disc drive doesn't initiate during boot up then there's no display. It's odd that hitting eject then immediately powering unit on gets it to work every timeLeave a comment:
-
Re: Need help identifying smd
But that should not stop you from getting sound or what ever since that is just the backlights circuit for the LEDs, so if you also do not get any sound then the problem is some where else.Leave a comment:
-
Re: Need help identifying smd
Ok this is bizarre. The disc eject button is functional with unit on or off. So I tried pressing it while powering on the unit and I got it to turn on every time if the eject button is first pressed followed by the power buttonLeave a comment:
-
Re: Need help identifying smd
Idk if this means anything but, I shorted B to E of Q5 to see what would happen because I thought that transistor might be at fault, and I had same symptoms minus backlight.
So it seems that if the disc drive doesn't power up then the command for backlights doesn't get sent. So does this mean Q5 must be getting its on signal from somewhere? There's 5v on its base when the power button is pressed so I figured that 5v would turn it on?Leave a comment:
-
Re: Need help identifying smd
No if it's working the voltage goes up then settles at 10v and when it's not working it stays at less than 1vLeave a comment:
-
Re: Need help identifying smd
So when the it is not working, the Voltage will go to 10V when first power on the unit and then it goes down to nothing?
Even if the backlights are not on so you cannot see anything on the screen the other functions of the units should keep on working, if that is not the case you have problem some where else.Leave a comment:
-
Re: Need help identifying smd
Less than 1v when no display and about 10v when display onLeave a comment:
Related Topics
Collapse
-
by sam_sam_samI have a battery operated tab welder and the battery does not have enough current for the battery tab welder because after about 30 welded it does not have the same current output it voltage has gone down by at least 0.500 volts or maybe a more than that
I can fit 21700 battery cells in the enclosure it is very tight fit for four of them that are 35 amp high current capacity 35X4=140 high current output this should work a lot better than what is installed right now
I tested the battery cells there are installed right now and they are testing good with no issues that I... -
by DynaxSCHi Folks
I'm looking for a extreme high current short killer solution for a reasonable cost.
I have an LGA1700 motherboard (ASUS PRIME Z790-P WiFi) where I exchanged the LGA socket already 3 times, and every time after the socket exchange I get a short of power supply lines VCORE (V variable) and VCCIN_AUX (1.8V).
After taking off the socket, the shorts dissappear again.
The soldermask on the socket is already partially demaged from the heat, so I have reconstructed the soldermask by manually painting the missing soldermask parts with a very small top of a...10-15-2024, 10:13 AM -
by harpIs there any reason why high voltage high resistance resistor use weird marking and value on it? Standard nomenclature, EIA value not used?...
-
by karatzdiHello,
I know some might say... just buy another one. Sell it as parts..!
So had this AMP for quite some time. Recently I saw light smoke coming out of the AMP. Had my fire extinguisher close by. Just kidding. Turned immediately all devices off from mains.
Let things cool a bit, and opened up the amp device. I clearly saw on the main board which hosts the 5X amp (5.1), 3 10 ohms 1W resistors had their leads looking black, while the rest of the remaining 2 x 10 ohms were brownish as being installed from factory.
Spent some time downloading the Service...-
Channel: Troubleshooting Audio Equipment
06-11-2024, 08:38 AM -
-
AD7276, AD7277, AD7278, AD7274, AD7273
The AD7276, AD7277, AD7278, AD7274, AD7273 are 12-bit/10-bit/8-bit, high speed, low power, successive approximation analog-to-digital converters (ADCs), respectively. The parts operate from a single 2.35V to 3.6V power supply and feature throughput rates of up to 3 MSPS. The parts contain a low noise, wide bandwidth track-and-hold amplifier that can handle input frequencies in excess of 55 MHz.
The conversion process and data acquisition are controlled using CS and the serial clock, allowing the devices to interface with microprocessors...-
Channel: Common Parts Library - Datasheets
10-07-2024, 05:32 AM -
- Loading...
- No more items.

Leave a comment: