Capacitor replacement - Lead spacings

Collapse
X
 
  • Time
  • Show
Clear All
new posts
  • socketa
    Asbelowsoabove
    • Jun 2014
    • 662
    • samsara

    #1

    Capacitor replacement - Lead spacings

    Am going to replace the caps on a LiteOn PSU, and noticed that some of the original OST caps have lead spacings that are the wrong diameter, compared to the holes on the PCB.
    Would the most likey reason be, that the manufacturer just used whatever was available, rather than caps with a lead spacing that matches the holes in the PCB?

    So, in this instance is it a good idea to look for wider replacement caps, rather than matching the original dimensions?

    One of them is way off in that respect - a 50v 10uf 3.5mm cap on the primary side, with leads stretched into holes that would suit an 8mm cap.
  • budm
    Badcaps Legend
    • Feb 2010
    • 40746
    • USA

    #2
    Re: Capacitor replacement - Lead spacings

    It will be difficult to find 10uF 50V cap with 8mm lead spacing, the board may have been designed for more than one version of power supply. You can carefully bend the lead to fit the footprint.
    Never stop learning
    Basic LCD TV and Monitor troubleshooting guides.
    http://www.badcaps.net/forum/showthr...956#post305956

    Voltage Regulator (LDO) testing:
    http://www.badcaps.net/forum/showthr...999#post300999

    Inverter testing using old CFL:
    http://www.badcaps.net/forum/showthr...er+testing+cfl

    Tear down pictures : Hit the ">" Show Albums and stories" on the left side
    http://s807.photobucket.com/user/budm/library/

    TV Factory reset codes listing:
    http://www.badcaps.net/forum/showthread.php?t=24809

    Comment

    • socketa
      Asbelowsoabove
      • Jun 2014
      • 662
      • samsara

      #3
      Re: Capacitor replacement - Lead spacings

      Thanks
      And what about the others, for where replacements can be found?
      Would you preferably replace them with wider caps that match the footprints, or is that nitpicking?
      Wouldn't bigger diameter caps be more durable?

      Comment

      • budm
        Badcaps Legend
        • Feb 2010
        • 40746
        • USA

        #4
        Re: Capacitor replacement - Lead spacings

        The 10Uf cap is probably not much of critical as filtering cap in the circuit, I would use good brand such as PANASONIC (I use FM/FC/FR series for all my repair works), or other major brand MFG. The size alone does not make better cap, it has more to with how the cap is made and by whom.
        Never stop learning
        Basic LCD TV and Monitor troubleshooting guides.
        http://www.badcaps.net/forum/showthr...956#post305956

        Voltage Regulator (LDO) testing:
        http://www.badcaps.net/forum/showthr...999#post300999

        Inverter testing using old CFL:
        http://www.badcaps.net/forum/showthr...er+testing+cfl

        Tear down pictures : Hit the ">" Show Albums and stories" on the left side
        http://s807.photobucket.com/user/budm/library/

        TV Factory reset codes listing:
        http://www.badcaps.net/forum/showthread.php?t=24809

        Comment

        • socketa
          Asbelowsoabove
          • Jun 2014
          • 662
          • samsara

          #5
          Re: Capacitor replacement - Lead spacings

          Thankyou,

          So, really, the only significant deciding factor of using a 10mm (that fits the footprint), or a 8mm cap (that doesn't fit the footprint), that have same manufacturer and similar suitable specs, would be the price?

          Also, just quickly,
          near the 5vsb output,
          i have an RLP 100uf 25v (0.023/0.46)Imp (290mA)Ripple
          Which of the following 2 would be the best replacement, and why?
          PW 100uf 25v (0.025/0.50)Imp (290mA)Ripple
          KZE 100uf 25v (0.013/0.41)Imp (405mA)Ripple
          Last edited by socketa; 10-29-2014, 01:23 AM.

          Comment

          • budm
            Badcaps Legend
            • Feb 2010
            • 40746
            • USA

            #6
            Re: Capacitor replacement - Lead spacings

            "KZE 100uf 25v (0.013/0.41)Imp (405mA)Ripple" This one has better spec, lower Z, higher ripple current rating. But too low of the Z can cause problem and make power supply unstable. Is this cap part of the output regulation feedback or part of the output section?
            Never stop learning
            Basic LCD TV and Monitor troubleshooting guides.
            http://www.badcaps.net/forum/showthr...956#post305956

            Voltage Regulator (LDO) testing:
            http://www.badcaps.net/forum/showthr...999#post300999

            Inverter testing using old CFL:
            http://www.badcaps.net/forum/showthr...er+testing+cfl

            Tear down pictures : Hit the ">" Show Albums and stories" on the left side
            http://s807.photobucket.com/user/budm/library/

            TV Factory reset codes listing:
            http://www.badcaps.net/forum/showthread.php?t=24809

            Comment

            • socketa
              Asbelowsoabove
              • Jun 2014
              • 662
              • samsara

              #7
              Re: Capacitor replacement - Lead spacings

              It's on the 5vsb output

              Comment

              • budm
                Badcaps Legend
                • Feb 2010
                • 40746
                • USA

                #8
                Re: Capacitor replacement - Lead spacings

                Must be really low current rating if if it is for the output filter.
                Never stop learning
                Basic LCD TV and Monitor troubleshooting guides.
                http://www.badcaps.net/forum/showthr...956#post305956

                Voltage Regulator (LDO) testing:
                http://www.badcaps.net/forum/showthr...999#post300999

                Inverter testing using old CFL:
                http://www.badcaps.net/forum/showthr...er+testing+cfl

                Tear down pictures : Hit the ">" Show Albums and stories" on the left side
                http://s807.photobucket.com/user/budm/library/

                TV Factory reset codes listing:
                http://www.badcaps.net/forum/showthread.php?t=24809

                Comment

                • socketa
                  Asbelowsoabove
                  • Jun 2014
                  • 662
                  • samsara

                  #9
                  Re: Capacitor replacement - Lead spacings

                  i checked the wrong one
                  the aforementioned capacitor is circled in yellow, in the thumbnail below
                  and i'm not at the stage where i'm ready to remove the board, so hopefully someone will be able to make an educated guess, as to which capacitor i should order

                  i.e.,
                  if [PW 100uf 25v (0.025/0.50)Imp (290mA)Ripple] would be close enough
                  and if the [KZE 100uf 25v (0.013/0.41)Imp (405mA)Ripple] impedance would be too low
                  Attached Files

                  if you find these attachements useful please consider making a small donation to the site

                  Last edited by socketa; 10-29-2014, 02:14 PM.

                  Comment

                  • socketa
                    Asbelowsoabove
                    • Jun 2014
                    • 662
                    • samsara

                    #10
                    Re: Capacitor replacement - Lead spacings

                    if it is not on one of the outputs, is it ok to use a cap with an impedance a bit higher than the original?

                    0.025/0.50 to replace 0.023/0.46?

                    Comment

                    • Agent24
                      I see dead caps
                      • Oct 2007
                      • 5085
                      • New Zealand

                      #11
                      Re: Capacitor replacement - Lead spacings

                      I wouldn't, but that's just me. It's close enough that it should be OK, but I would trace out the board and check to be sure.

                      Lead holes are often not the exact spacing for capacitors, especially sub-8mm diameter ones.
                      "Tantalum for the brave, Solid Aluminium for the wise, Wet Electrolytic for the adventurous"
                      -David VanHorn

                      Comment

                      • socketa
                        Asbelowsoabove
                        • Jun 2014
                        • 662
                        • samsara

                        #12
                        Re: Capacitor replacement - Lead spacings

                        Must be really low current rating if if it is for the output filter.
                        Is there a "typo" in the above sentence?
                        The datasheets only give ripple current and impedance ratings.
                        What is "current rating"?
                        And why do these output caps need a "really low current rating"?

                        Comment

                        • Agent24
                          I see dead caps
                          • Oct 2007
                          • 5085
                          • New Zealand

                          #13
                          Re: Capacitor replacement - Lead spacings

                          I don't think he meant [the capacitor] "must have a really low current rating" (if you are choosing a replacement for it)

                          I think he means that a capacitor with such a small size and value (the original is only 100uF) will have a small rating, or that the 5VSB rail itself in this PSU probably has a low current rating (perhaps?)

                          Ripple current is the rating being talked about. The original RCR (ripple current rating) of the original capacitor was 290mA. For the replacement capacitor, do not use one which has an RCR less than 290mA. RCR works much the same as the voltage rating. Unless you know for sure you can get away with a lower rating, do not use a part with an RCR lower than the original.
                          "Tantalum for the brave, Solid Aluminium for the wise, Wet Electrolytic for the adventurous"
                          -David VanHorn

                          Comment

                          • budm
                            Badcaps Legend
                            • Feb 2010
                            • 40746
                            • USA

                            #14
                            Re: Capacitor replacement - Lead spacings

                            The power supply output current rating, the cap will have to supply the current during the off time of the rectifier and get recharged again when the rectifier is on.
                            Never stop learning
                            Basic LCD TV and Monitor troubleshooting guides.
                            http://www.badcaps.net/forum/showthr...956#post305956

                            Voltage Regulator (LDO) testing:
                            http://www.badcaps.net/forum/showthr...999#post300999

                            Inverter testing using old CFL:
                            http://www.badcaps.net/forum/showthr...er+testing+cfl

                            Tear down pictures : Hit the ">" Show Albums and stories" on the left side
                            http://s807.photobucket.com/user/budm/library/

                            TV Factory reset codes listing:
                            http://www.badcaps.net/forum/showthread.php?t=24809

                            Comment

                            • socketa
                              Asbelowsoabove
                              • Jun 2014
                              • 662
                              • samsara

                              #15
                              Re: Capacitor replacement - Lead spacings

                              Ok
                              I was asked a question and also given a suggestion.
                              1.
                              Is this cap part of the output regulation feedback or part of the output section?
                              2.
                              It's close enough that it should be OK, but I would trace out the board and check to be sure.
                              The cap is on the 5vsb output rail, (which means that it is not part of the output regulation feedback)

                              So from what i can gather, and using an educated guess, since it is not part of output regulation, then, in this particular instance, using a cap with a slightly lower impedance rating than the original would probably have a negligible detrimental effect. ???

                              (Sorry for any misunderstanding - it can be hard to get at what folks are saying without audible and visible cues.)
                              Last edited by socketa; 05-20-2015, 07:28 PM.

                              Comment

                              • budm
                                Badcaps Legend
                                • Feb 2010
                                • 40746
                                • USA

                                #16
                                Re: Capacitor replacement - Lead spacings

                                It is a lot more complex than you think.
                                Read up on the subject.
                                Attached Files

                                if you find these attachements useful please consider making a small donation to the site

                                Last edited by budm; 05-20-2015, 10:18 PM.
                                Never stop learning
                                Basic LCD TV and Monitor troubleshooting guides.
                                http://www.badcaps.net/forum/showthr...956#post305956

                                Voltage Regulator (LDO) testing:
                                http://www.badcaps.net/forum/showthr...999#post300999

                                Inverter testing using old CFL:
                                http://www.badcaps.net/forum/showthr...er+testing+cfl

                                Tear down pictures : Hit the ">" Show Albums and stories" on the left side
                                http://s807.photobucket.com/user/budm/library/

                                TV Factory reset codes listing:
                                http://www.badcaps.net/forum/showthread.php?t=24809

                                Comment

                                • socketa
                                  Asbelowsoabove
                                  • Jun 2014
                                  • 662
                                  • samsara

                                  #17
                                  Re: Capacitor replacement - Lead spacings

                                  With respect,

                                  You asked me if the cap was part of the the output regulation feedback, to which i replied, "The cap is on the 5vsb output rail" (in other words, no it's not)

                                  The first pdf pertains to feedback loop design considerations - so that is irrelevant because it is not part of the feedback loop
                                  The last pdf talks about a too low esr, but the cap in consideration has a higher esr - again that is not relevant.

                                  The 2nd pdf (which, for me, might as well be written in sanskrit) does not appear to be relevant either, as it relates to the supply control loop.

                                  One further consideration is the PSU is for older type motherboards with electrolytic caps. And from my reading on this site i see that there is room for a bit of play, since they are not polymer and not as fussy about inrush currents.

                                  Perhaps as long as the cap does not overheat, and the voltage of the 5vsb remains within spec, then it will be OK

                                  I know that this can be extremely complicated, but feel that there can be a reasonably simple approach to finding a reasonable solution.

                                  The main issue, as far as i understand, is ripple current, which causes the cap to heat up.
                                  And that ESR affects ripple current > heat.

                                  This PDF seems more relevant:
                                  https://cdn.badcaps-static.com/pdfs/...3127f28bdd.pdf

                                  Namely, the first section - it relates ripple to ESR, and the main point is the failure rate due to temperature
                                  Last edited by socketa; 05-21-2015, 04:17 PM.

                                  Comment

                                  • budm
                                    Badcaps Legend
                                    • Feb 2010
                                    • 40746
                                    • USA

                                    #18
                                    Re: Capacitor replacement - Lead spacings

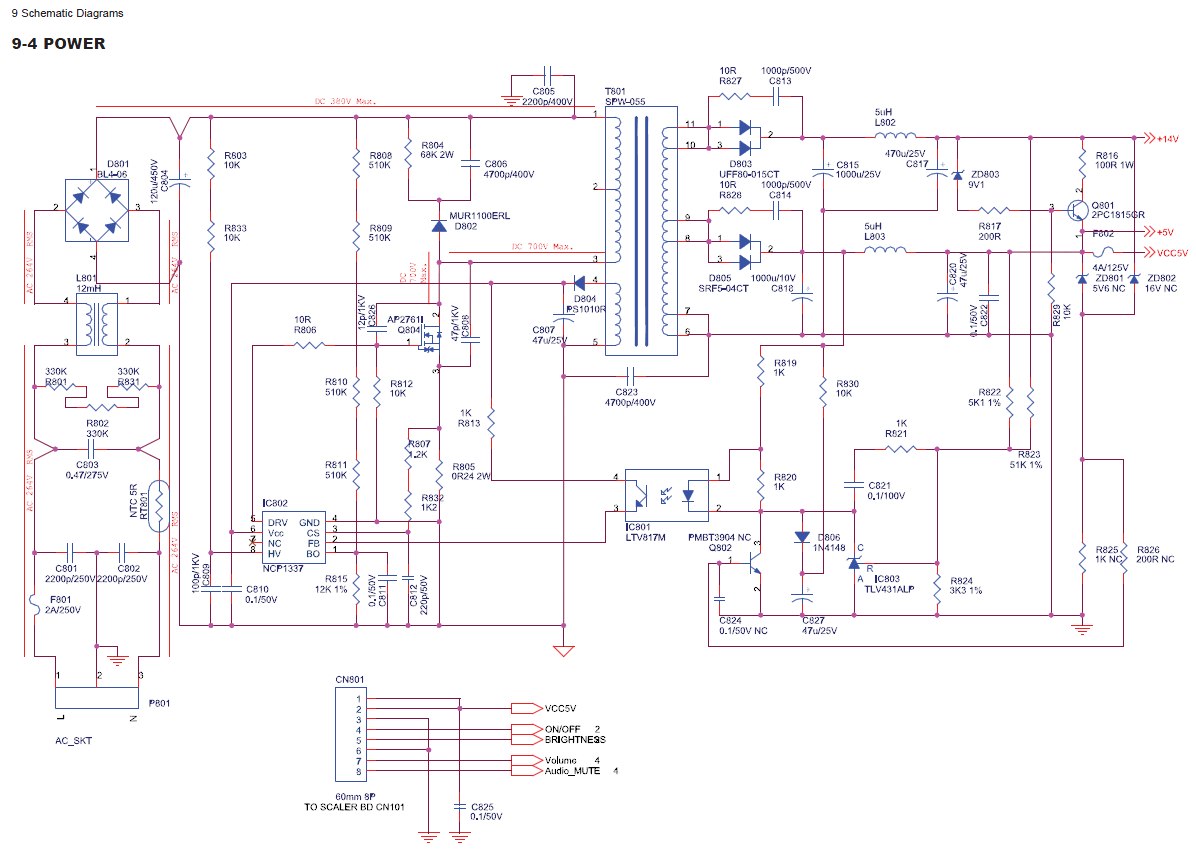
                                    "Is this cap part of the output regulation feedback or part of the output section?" I should have been clear about the output, in this case it is the filter cap of the power supply generated by the AUX winding of the transformer for supplying the running Voltage for the SMPS IC once the circuit start running, not the main DC out put for the load.
                                    For example: C807 for low current power.
                                    Attached Files

                                    if you find these attachements useful please consider making a small donation to the site

                                    Last edited by budm; 05-21-2015, 09:12 PM.
                                    Never stop learning
                                    Basic LCD TV and Monitor troubleshooting guides.
                                    http://www.badcaps.net/forum/showthr...956#post305956

                                    Voltage Regulator (LDO) testing:
                                    http://www.badcaps.net/forum/showthr...999#post300999

                                    Inverter testing using old CFL:
                                    http://www.badcaps.net/forum/showthr...er+testing+cfl

                                    Tear down pictures : Hit the ">" Show Albums and stories" on the left side
                                    http://s807.photobucket.com/user/budm/library/

                                    TV Factory reset codes listing:
                                    http://www.badcaps.net/forum/showthread.php?t=24809

                                    Comment

                                    • socketa
                                      Asbelowsoabove
                                      • Jun 2014
                                      • 662
                                      • samsara

                                      #19
                                      Re: Capacitor replacement - Lead spacings

                                      Wow!, looks like you are correct.
                                      I was looking the wrong cap again! (which you probably already knew)

                                      I traced it out
                                      One side goes to Earth,
                                      Using the convention: IC pins are numbered anti-clockwise around the IC starting near the notch or dot,
                                      The other side of the cap goes to pin 15 (of a 16 pin IC) with PS224U L05916A2F written on it. (Which lines up with the pin description of Vcc power supply)

                                      This is the function of the chip: "Over voltage protection, over current protection, under voltage protection, and power good signal generating"

                                      The datasheet says Vcc can be up to 16V so i can see why the cap is rated 25V
                                      Typical voltage is 5v, and typical current is 4.5mA - so the typical power supply is 0.1W

                                      What now?
                                      Will this Nichicon PW, with a slightly higher ESR, be acceptable to power this chip?
                                      It's low power, so it seems as if overheating won't be a problem.
                                      Last edited by socketa; 05-22-2015, 01:29 AM.

                                      Comment

                                      • budm
                                        Badcaps Legend
                                        • Feb 2010
                                        • 40746
                                        • USA

                                        #20
                                        Re: Capacitor replacement - Lead spacings

                                        "What now?
                                        Will this Nichicon PW, with a slightly higher ESR, be acceptable to power this chip?
                                        It's low power, so it seems as if overheating won't be a problem." That is correct so the PW will be just fine.
                                        Never stop learning
                                        Basic LCD TV and Monitor troubleshooting guides.
                                        http://www.badcaps.net/forum/showthr...956#post305956

                                        Voltage Regulator (LDO) testing:
                                        http://www.badcaps.net/forum/showthr...999#post300999

                                        Inverter testing using old CFL:
                                        http://www.badcaps.net/forum/showthr...er+testing+cfl

                                        Tear down pictures : Hit the ">" Show Albums and stories" on the left side
                                        http://s807.photobucket.com/user/budm/library/

                                        TV Factory reset codes listing:
                                        http://www.badcaps.net/forum/showthread.php?t=24809

                                        Comment

                                        Related Topics

                                        Collapse

                                        • MORETTIGIAN
                                          Capacitor detached from PCB – RTX 2070 Super Founders Edition
                                          by MORETTIGIAN
                                          Title:
                                          Capacitor detached from PCB – RTX 2070 Super Founders Edition

                                          Description:
                                          During maintenance on an RTX 2070 SUPER Founders Edition, I found a capacitor lying on my desk after reassembly.
                                          I did not notice it detaching, so I am unsure of its original location on the PCB.

                                          Procedure performed:
                                          - Removed backplate
                                          - Cleaned heatsink and PCB with isopropyl alcohol + soft ESD brush
                                          - Reapplied thermal compound
                                          - Reassembled card

                                          Observed behavior after reassembly:
                                          - GPU powers on and operates normally under...
                                          09-18-2025, 12:14 PM
                                        • artvandalai
                                          Where can I get compatible capacitor for replacement?
                                          by artvandalai
                                          Blew the capacitor on my analytical balance scale using the wrong power adapter. I need help finding a replacement compatible capacitor to buy. Will any 100uf 40v capacitor work as a replacement?
                                          12-28-2024, 10:15 AM
                                        • r2digital
                                          klipsch kda-500 amplifier suitable power supply capacitor replacement ?
                                          by r2digital
                                          I have a klipsch kda-500 that would turn on and allow me to get into the web management but it was picking up a lot of noise from audio sources so i decided to replace the smd caps on the power supply along with radial one. Some one was in here before me and they basically burned the bottom side of the traces off for the radial cap but i was able to repair it without any real problem. I thought i did a good job sourcing out replacement caps but apparently not and now i can't get the power supply to turn on it just constantly try's to keep turning on. Attached is a picture of the power supply before...
                                          04-18-2024, 03:50 PM
                                        • rwkish
                                          Discontinued Capacitor looking for Replacement
                                          by rwkish
                                          Capacitor has been discontinued (EGXF101ELL331MM20S) all of the replacements I have found have are smaller than 0.709" Dia (18.00mm). I would like to use the same size or at least close to the same size Capacitor. 19mm would be too big as they would touch and not be able to through hole mount. Tia...
                                          08-18-2024, 06:54 PM
                                        • Hylax
                                          Replacement capacitor options please?
                                          by Hylax
                                          Hi, I'm super new to this capacitor stuff but I've some basic soldering experience with old cellphones PCBs and headphones. I have this APAQ AR5K 820∆μF 3V Dc Capacitor from a motherboard that I'm looking to replace, photos I've attached. But I'm unable to find a 3V one like I've marked in the spec sheet in red (This is the one currently present in the motherboard). But the 6.3V one I can find (marked in blue) is of similar dimensions but different specs as mentioned in the table. Is it okay to replace it with higher voltage cap, slightly higher ESR, slightly lower ripple current, and double...
                                          08-09-2024, 11:25 PM
                                        • Loading...
                                        • No more items.
                                        Working...