How The AC stage of an Adaptor works

Collapse
X
 
  • Time
  • Show
Clear All
new posts
  • Tarot Superstars
    Senior Member
    • Aug 2023
    • 60
    • United Kingdom

    #1

    How The AC stage of an Adaptor works

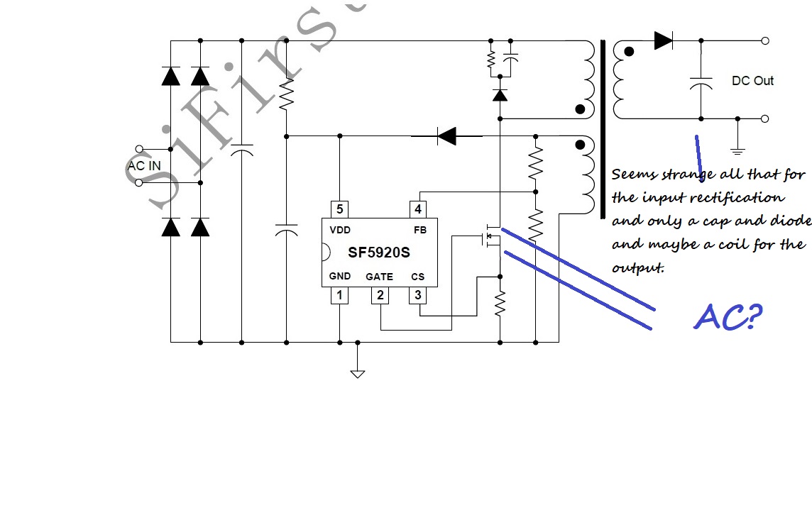
    Hi. I have been watching videos on how a power adaptor works.
    There is explanation of the rectifier bridge to the pulse width modulator, the mosfet for switching, and opto-couplers, but there is little to nothing about the AC stage of the transformer the powers the primary coil.

    So, I see that the PWM needs DC to work, but I don't see anything about how the AC gets from the mains supply to the transformer stage.
    A transformer only works on AC so where is that part of the circuit.
    I only see Capacitors on the output. Should I assume that the secondary coil and capacitors is the only thing that changes AC to DC?
    I don't see anywhere explained about the mosfet switching polarity between the drain and the source either.

    I have watched this video:
    https://www.youtube.com/watch?v=IoSaaK71tGY
    and I have read basic schematics but they all seem to miss out the AC to primary circuit.

    I have attached an example. I am working on learning practical from this adaptor.
    I have a schematic from the IC data sheet but it doesn't explain the AC to primary coil. It doesn't explain the AC to DC from the secondary coil.

    It also doesn't explain how DC gets from the secondary to the output.

    Could anyone explain the mains to AC primary stage for me please?
    Could some one explain the AC secondary coil to the DC output stage please?
    Could someone explain if and also how the mosfet switches polarity between Source and drain.
    Could anyone point me to resources on those stages?
    Attached Files
  • eccerr0r
    Solder Sloth
    • Nov 2012
    • 8703
    • USA

    #2
    Re: How The AC stage of an Adaptor works

    On the primary side, dc is converted to "ac" (note the "quotes") by the transistor - which does this by turning the dc on and off rapidly. Technically this is not "ac" but rather switched dc. The key concept is that transformers can only pass energy to the secondary if and only if the magnetic field is changing. AC clearly is constantly changing and thus the field is changing, but this works fine with switched dc as its field is likewise constantly changing.
    Of course the magnetic field is a square wave so the output of the transformer is also likewise a square wave. A diode is still needed as we want to make sure power flows towards the output even when the transformer goes back to 0 volts when the primary switch transistor turns off.

    Comment

    • stj
      Great Sage 齊天大聖
      • Dec 2009
      • 31260
      • Albion

      #3
      Re: How The AC stage of an Adaptor works

      watch some psu teardowns from this guy - he's a good teacher
      https://www.youtube.com/channel/UCQa...B_Kd54g/videos

      Comment

      Related Topics

      Collapse

      • Document Archive
        HP EliteBook 850 G5 + Mini Dock, Bag & Spare AC Adaptor Notebook 800 Specification for Upgrade or Repair
        by Document Archive
        This specification for the HP EliteBook 850 G5 + Mini Dock, Bag & Spare AC Adaptor Notebook can be useful for upgrading or repairing a laptop that is not working. As a community we are working through our specifications to add valuable data like the 850 G5 + Mini Dock, Bag & Spare AC Adaptor boardview and 850 G5 + Mini Dock, Bag & Spare AC Adaptor schematic. Our users have donated over 1 million documents which are being added to the site. This page will be updated soon with additional information. Alternatively you can request additional help from our users directly on the relevant...
        09-06-2024, 08:50 AM
      • npielawski
        MacBook Pro late 2016 (820-00239) with multiple failure modes.
        by npielawski
        I will just preface all this by saying that I have a fairly technical background but have never attempted SMD electronics diagnostics and repair before, I really like the idea and want to learn.

        I have a MacBook Pro late 2016 that died maybe four years ago. Over the course of 30 seconds, it got slower and stuttered, until it froze for a second and died. No click from the trackpad anymore, nothing. I started getting interested in electronics repair and decided to give it a shot, so I opened it, removed the battery (one cell was puffy), took out the motherboard and experimented with...
        10-15-2025, 01:53 AM
      • CapLeaker
        Dell ATX PSU won’t start, but forcing it works fine?
        by CapLeaker
        Got a case of something new weird at work. There is an old 2nd gen Intel i3 in an old “Pizza box” shell that has a small form factor power supply. Unfortunately I forgot to take pictures and model number off it.

        Anyway, I get to work and get to look at this computer. Standby LED on the PSU is on, but the computer won't start. Hmm o.k. take the battery out of the main board try again, nothing. O.k. then… unplug the power supply from the main board and put in a full size ATX PSU (yeeeesss! Exact that blown Powerman IP that I fixed a while back), plug it in and the old...
        10-28-2024, 06:59 PM
      • CuriousJohn
        Burco boiler power problem
        by CuriousJohn
        Burco BCPLSAFWM5L 5 Litre Wall Mounted Automatic Water Boiler With Filtration UK 240v

        Does anybody have any experience with these Burco units at all there is no record of them on the forum lol and a proper service manual would be nice. I invite you all to pesuade me not to botch repair it with a 5v relay, read on.

        This unit was rescued from a skip 3 years ago, the only fault it had then was no backight display (plus it wanted a new probe set and top seal) but the screen was never an issue you can still see the screen as is and I just use it to get 5 Litres of very hot...
        12-22-2024, 10:25 AM
      • chth96
        How can I test coil whether it is really broken or not?
        by chth96
        I have old game console which have connected to 220v outlet by previous owner and It is not able to turn on.

        I checked continuity of fuse in PSU unit with a multimeter which is shown in the below picture with a orange circle around it, and It seems that fuse became open circuit.

        I also found that as well as bulging capacitor, there is unidentified coil which has residue all over its surface

        unidentified coil which has residue all over its surface


        I want to replace this round black fuse and unidentified coil if it got broken.
        ...
        02-20-2024, 01:07 AM
      • Loading...
      • No more items.
      Working...