Please have a look at my pic. These are SMD devices and maybe you can confim how to READ the values and rating? For instance is C556 a 470uf? And does the E mean the tolerance? or perhaps voltage rating? This circuit runs at 14V (approx). What doe E3 and UD mean ? Thanks for any insight someone can offer.
How to read these CAPS?
Collapse
X
-
Tags: None
-
Re: How to read these CAPS?
The one you point at is chip type electrolytic capacitor.
With polymer capacitors, the most common feature is that they don't have those grooves/cuts at the top because there's no electrolyte to cause pressure buildup inside. These ones do have the cuts so it's either electrolytic or functional polymer (a hybrid between el and poly).
With surface mounted capacitors of this type (square) and polymer capacitors, the general notation is that the largest size number is the capacitance... so in your case for C556, it is 470uF.
On very small capacitors where space is a premium, the last character in the number is the multiplier by 10 ... 471 = 47 x 10^1 = 470.
Most brands store above this value the series code or a date code, and below it there's a voltage code or the actual voltage rating. BUT it could be the other way around.
This brand stores a voltage code or the actual voltage (usually lowercase v, uppercase V can mean a code). You can see to the right C124 I think that's 4.7uF / 100V - that doesn't mean the chip is rated for 100v.
So how to determine voltage.... well, that's a tough one if you're not fixing stuff regularly.
I happen to know that the bent circle is the logo of Nichicon... this page is a good resource for identifying brands : http://capacitor.web.fc2.com/solidcapacitor.html (this link is only for solid capacitors , go at the top and click on "click here" to see the menu and whole site)
So knowing it's Nichicon, I can go browse their products list or datasheet and try to determine which series has the E3 code or UD code.
Nichicon's page is here: http://www.nichicon.co.jp/english/index.html
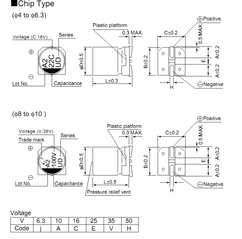
Going to chip type capacitors here : http://www.nichicon.co.jp/english/pr...hip/pict_f.htm ... I can see about the middle of the page an UD series, so the UD is probably the series code, therefore the E3 could be the voltage rating or something else.
Click on UD and you get a PDF with the datasheet... look on the first page on the bottom left.
(click once to zoom it)
Your capacitor is 8 or larger, so the second layout applies... you can see the digit below 470 is the voltage rating.
So since your capacitor has an E at the end, that means you capacitor is rated for maximum 25v.
And now you can go further in the datasheet and get the specs for your 470uF / 25v capacitor:
10 by 10 mm , 0.09 ohm impedance, 670 mAh ripple.
Now you can on Digikey and find replacement.... pick anything that has very close to or higher than that ripple value and very close or lower impedance, and has that surface size...
I found these for example:
http://www.digikey.com/product-detai...4-1-ND/2300371
http://www.digikey.com/product-detai...0CT-ND/1246020
http://www.digikey.com/product-detai...6-1-ND/3438900
etc ... basically select radial smd, 470uf, 25v, cut tape or bulk, sort by ripple then pick what have more ripple and less impedance compared to yours, and matches the 10 by 10 or whatever dimensions your capacitor has.
Notice the ones I linked to are marked as 10.3 by 10.3 - if you check the datasheets you'll notice they're actually 10 by 10. Either way the 0.3mm is too small to make a difference, you can solder them on your board.
----
Fineprint: Cuts/grooves at the top are made as a relief for the case when the electrolyte in electrolytic capacitors goes bad and turns to gas building pressure inside the capacitor. There are electrolytic capacitors that don't have those cuts simply because they're too small or the capacity is small enough to not cause problems if they pop.
Also there are polymer "hybrid" capacitors (often called "functional polymer") that are a mix between electrolytic and polymer capacitors which have those cuts but you treat them as hybrid capacitors.
.... Too much Cola, too bored... long messages result.
PS. Please fill your country and relevant information in your profile... helps suggest where to buy stuff. As you said "landfill" in one of your posts I assumed it's US.Attached Filesif you find these attachements useful please consider making a small donation to the site
Last edited by mariushm; 09-08-2012, 08:48 PM.
Related Topics
Collapse
-
by chth96When I tried to repair LG 29 inch CRT TV, I found that the ESR value of samyoung SMS capacitor(160v 2.2uf), which is very close to D1879 transistor, is 6 ohm.
Judging from above ESR Meter Table,I think It is necessary to replace this sms capacitor.So I visited local electronics shop,and I purchased 160v 2.2uf rubycon YK capacitor.
But when I browse through rubycon YK datasheet,I found that there is no ripple current rating for 160v 2.2uf specification. But On the contrary, I found 39 mA ripple current rating for 160v 2.2uf SMS capacitor.
Rubycon YK DataSheet (b...-
Channel: General Capacitor Questions & Issues
-
-
by Agent24I have acquired a used Dick Smith Q-1760 power supply - although the OEM is Manson Industrial
It has at least one problem.
The voltage control potentiometer VR2, 50K is faulty - going high resistance / open circuit in the CCW end and leading to the output voltage jumping around.
I have already ordered a replacement potentiometer, so that's not an issue.
Now, I want to replace all three electrolytics on the PCB as they are CapXon and I don't trust them so much, I will replace them with something better while I've got the thing apart anyway.
All are CapXon... -
Hi,
Found an Funai 32FL553P/10 TV on sale for cheap listed as broken, so I decided to give a shot at reparing this.
State I got it in:
Squealing from the PSU
After logo I get a blank screen
After 10 seconds of having a blank display w/ backlight the TV dies
Give it 7-10ish seconds again and it starts to bootloop.
What I did so far:
Replaced all the caps on the PSU (apart from primaries, they were fine and none at hand)
Checked all voltage rails:
5VSB - 4.8V
AMP+13V - 14.4V
13V - 12.98V (in manual 12V)... -
by skinnerI believe it's a 2.2OHM based on reading the other ones with the same markings. Just wondering if anyone knew for sure what it was. Thanks....
-
by gregory112Hello,
This Razer Blade 15 2022 motherboard does not have a schematic. Razer also does not give any schematics or boardviews. Around the GPU VRM circuits I found these two fuses rated for 1.5A (from the letter K).
From the PCB trace I can see that the two are connected. These two are not connected directly to ground. I believe therefore they are placed in series. I wonder why is this? Also judging from the size of the PCB trace, this carries 19V power.
Thank you in advance...1 Photo - Loading...
- No more items.
Comment