Sony Bravia LCD KDL-32L4000

Collapse
X
 
  • Time
  • Show
Clear All
new posts
  • Kevin O'Henly
    Ontario Member
    • May 2009
    • 48
    • Canada

    #1

    Sony Bravia LCD KDL-32L4000

    Symptoms:
    ~ no panel lamps
    ~ SER tests showed no bad caps this time and no bulging caps visible
    ~ all fuses test ok

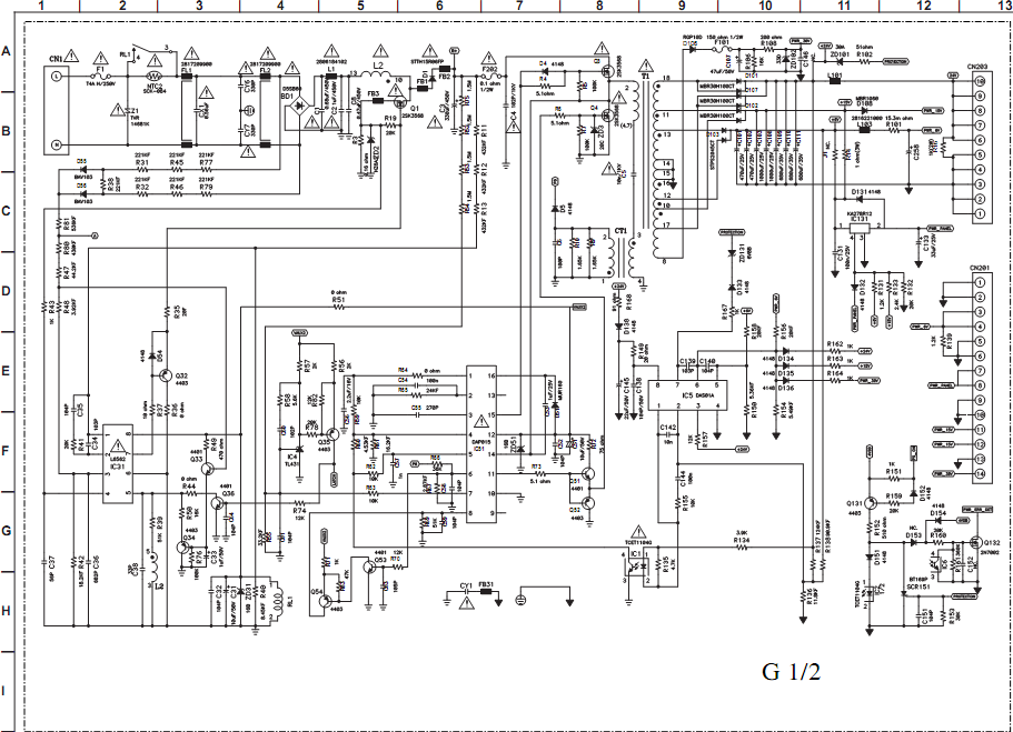
    See attached block diagram from service manual.
    Service manual can be downloaded after registering with the site: http://www.scribd.com/doc/21548740/C...00-KDL-37L4000

    Board-G is the SMPS
    Board-A is the video control board

    ~ board-G, CN202: "4VSB" pins 3, 7 & 8 have 4Vdc

    ~ other power outputs: 6Vdc, 15Vdc, 30Vdc, 24Vdc & Board-G, CN201,pin7&8 "PWR_PANEL" are at 0Vdc

    ~ "POWER ON" signal at Board-A(CN1 pin 13) and also "PS-ON" at Board-G(CN202 pin 1) are connected and at a logic low(0Vdc). The "PS-ON" signal originates from the controller IC on Board-A.

    ~ "PWR_ERR_DET" on Board-G, CN202-pin2 & Board-A, CN1,pin15 are 0Vdc

    ~ I verifyed the operation of the power button input at Board-A, CN4

    This power supply has been a real head-scratcher, folks.

    Because the "PS-ON" signal originates from the controller IC on Board-A the defect could be on Board-A. I would like to verify the power supply before replacing the controller board (Board-A).

    Is there any way to verify the power supply board on its own?

    Any advice would be greatly appreciated.
    Thank you.

    rgs,
    Kevin
    Attached Files

    if you find these attachements useful please consider making a small donation to the site

    Be yourself,
    everyone else is taken.
  • PlainBill
    Badcaps Legend
    • Feb 2009
    • 7034
    • USA

    #2
    Re: Sony Bravia LCD KDL-32L4000

    Originally posted by Kevin O'Henly
    Symptoms:
    ~ no panel lamps
    ~ SER tests showed no bad caps this time and no bulging caps visible
    ~ all fuses test ok

    See attached block diagram from service manual.
    Service manual can be downloaded after registering with the site: http://www.scribd.com/doc/21548740/C...00-KDL-37L4000

    Board-G is the SMPS
    Board-A is the video control board

    ~ board-G, CN202: "4VSB" pins 3, 7 & 8 have 4Vdc

    ~ other power outputs: 6Vdc, 15Vdc, 30Vdc, 24Vdc & Board-G, CN201,pin7&8 "PWR_PANEL" are at 0Vdc

    ~ "POWER ON" signal at Board-A(CN1 pin 13) and also "PS-ON" at Board-G(CN202 pin 1) are connected and at a logic low(0Vdc). The "PS-ON" signal originates from the controller IC on Board-A.

    ~ "PWR_ERR_DET" on Board-G, CN202-pin2 & Board-A, CN1,pin15 are 0Vdc

    ~ I verifyed the operation of the power button input at Board-A, CN4

    This power supply has been a real head-scratcher, folks.

    Because the "PS-ON" signal originates from the controller IC on Board-A the defect could be on Board-A. I would like to verify the power supply before replacing the controller board (Board-A).

    Is there any way to verify the power supply board on its own?

    Any advice would be greatly appreciated.
    Thank you.

    rgs,
    Kevin
    Dang, you get interesting problems.

    I see three ways to proceed.

    1. Test the power supply by providing the proper loads and driving PS_ON high.

    2. Isolate the PS_ON line from the controller and drive it high. This uses the circuit boards as the load.

    3. Wait for Wizard.

    I'd bet on the A board as the culprit. If it were good it should drive the standby LED on. This logic is tenuous at best.

    PlainBill
    For a number of reasons, both health and personal, I will no longer be active on this board. Any PMs asking for assistance will be ignored.

    Never be afraid to try something new. Remember, amateurs built the ark. Professionals built the Titanic.

    Comment

    • Kevin O'Henly
      Ontario Member
      • May 2009
      • 48
      • Canada

      #3
      Re: Sony Bravia LCD KDL-32L4000

      Hi PlainBill,
      I like method 2 because it's easy,

      With this in mind I poped pin13 out of the cable connector at Board-A, CN1, pin13 "POWER-ON". POWER-ON becomes "PS-ON" on Board-G, CN202, Pin1. The "POWER-ON" is generated by the Board-A controller IC.
      Be yourself,
      everyone else is taken.

      Comment

      • PlainBill
        Badcaps Legend
        • Feb 2009
        • 7034
        • USA

        #4
        Re: Sony Bravia LCD KDL-32L4000

        Originally posted by Kevin O'Henly
        Hi PlainBill,
        I like method 2 because it's easy,

        With this in mind I poped pin13 out of the cable connector at Board-A, CN1, pin13 "POWER-ON". POWER-ON becomes "PS-ON" on Board-G, CN202, Pin1. The "POWER-ON" is generated by the Board-A controller IC.
        And does the power supply now provide all output voltages?

        PlainBill
        For a number of reasons, both health and personal, I will no longer be active on this board. Any PMs asking for assistance will be ignored.

        Never be afraid to try something new. Remember, amateurs built the ark. Professionals built the Titanic.

        Comment

        • Kevin O'Henly
          Ontario Member
          • May 2009
          • 48
          • Canada

          #5
          Re: Sony Bravia LCD KDL-32L4000

          Actually, no.

          With the "PS-ON" lead floating when AC power is applied then the 4VSB (4Vdc stand-by) is not generated. This is due to RL1 normally open contacts not closing. Which seems to be due to "PS-ON" being disconnected. I think?

          OOps!

          I just tried method one. With "PS-ON" clipped to Board-A, CN1, Pin13.
          I had a probe slip and fried Q3 (2sk3568 mosfet, schematic 1of2, position A-8) so I do not have a measure of the floating voltage of the "PS-ON" lead but I seem to recall that it was 4-5Vdc.

          In the mean time I started tracing "PS-ON" which comes from "PWON#" on Board-A. see PSON.png

          It seems that the surface mounted resister, R53 is missing. By the smooth solder mounds at the component location I would guess that the resister was never on the board to begin with. ???

          Still tracing...

          The "Power_On" signal comes directly from the micro-controller IC, U18. R53 & R59 are a voltage divider that should maintain Power_on at 2Vdc when the 4Vdc stand-by is on. R52 is a current limiter for Q12.

          I am guessing that the U18 output "Power_On" is open collector (active low). If "Power_On" is active high then "PWON#" is active low.

          Is the "#" sign Sony's way of indicating active low?

          "PWON#" goes through a 0 ohm resistor (jumper) to CN1, pin 13 and then over to Board-G (power supply) as "PS-ON".

          If the micro-controller is pouched then Board-A would have to be replaced.

          That's all fine (not great as it was probably a manufacturing defect) but does not explain why the power supply resists being tested in isolation.

          rgs,
          Kevin
          Attached Files

          if you find these attachements useful please consider making a small donation to the site

          Last edited by Kevin O'Henly; 01-18-2010, 12:20 PM.
          Be yourself,
          everyone else is taken.

          Comment

          • koppit
            Member
            • Mar 2010
            • 15
            • Canada

            #6
            Re: Sony Bravia LCD KDL-32L4000

            I have the same TV, but my problem is the relay keeps clicking in and out. I don't see any visible bad caps, and the voltage out, where it's supposed to be 80v, goes up for a few seconds, I hear the click of the relay, and it drops back down to 0v. The actual power supply board is model PSE-324 (1-468-721-1) .. I read what you have above, must be a different PSU board in my TV, because the connectors out are CN23 and CN33.

            I've attached pictures, because quite frankly, I'm lost. Usually I can just point out the bad caps and replace them, and my job is done. This is also FAR more complicated than any LCD monitor I've taken apart. Recently I picked up a capacitance tester, but I can't seem to make heads or tails of it, either - it gives me different values than my multimeter set to test for continuity, and nothing seems consistent.

            Anyways, first picture on the left, near the top input voltage connector, is the blue relay that kicks in and out. The top right are the two connectors that should read 80v on the bottom 3 of each. They power the two side boards.

            Hoping someone can help
            Attached Files

            if you find these attachements useful please consider making a small donation to the site

            Comment

            • koppit
              Member
              • Mar 2010
              • 15
              • Canada

              #7
              Re: Sony Bravia LCD KDL-32L4000

              Anyone? :p

              Comment

              • Wizard
                Badcaps Legend
                • Mar 2008
                • 2296

                #8
                Re: Sony Bravia LCD KDL-32L4000

                Reconnect everything correctly and disconnect the PWR_ERR_DET. This should be floating high all the times. This could be detected as bad and A board refusing to turn on except it should blink out a error code.

                Ideally measure voltage of this PWR_ERR_DET connected or disconnected on the G board.

                Please monitor the PS_on or like to the SMPS (G board). Every time power button is pushed, should go up high or go low. Otherwise disconnect the PWR_ERR_DET and try again with your meter. If works, then probe all the other voltage outputs of the power supply.

                Do not forget to ohm the outputs to insure there's no short. I just fixed generic tv today. FSP SMPS was fixed and did not fix the TV and found another part that was damaged by overvoltage in mainboard.

                PS: please repost the pic of main SMPS in better detail, so I can look at it.

                Cheers, Wizard
                Last edited by Wizard; 04-21-2010, 05:02 PM.

                Comment

                • koppit
                  Member
                  • Mar 2010
                  • 15
                  • Canada

                  #9
                  Re: Sony Bravia LCD KDL-32L4000

                  No problem Wizard, I appreciate the response. I will take better pictures this evening and upload them. As for the PWR_ERR_DET, keep in mind my TV has a different board than Kevin's does - but I will measure the voltage output on the AC Input board, and try to find a schematic for that TV.

                  Comment

                  • koppit
                    Member
                    • Mar 2010
                    • 15
                    • Canada

                    #10
                    Re: Sony Bravia LCD KDL-32L4000

                    http://codingconcepts.net/tv/

                    I've uploaded some better pictures at the above address, but for some reason I can't find my memory card or card reader for my actual digital camera, so I'm stuck with my blackberry pictures. I was unable to find a schematic, either.

                    Comment

                    • crtfool
                      Senior Member
                      • Jun 2010
                      • 82
                      • USA

                      #11
                      Re: Sony Bravia LCD KDL-32L4000

                      Originally posted by koppit
                      http://codingconcepts.net/tv/

                      I've uploaded some better pictures at the above address, but for some reason I can't find my memory card or card reader for my actual digital camera, so I'm stuck with my blackberry pictures. I was unable to find a schematic, either.

                      To koppit - This thread is for a KDL-32L4000 LCD TV, but you link to pictures is for a KE-32TS2U PLASMA TV. I am confused as to what TV you are talking about. My research shows that these 2 TV's have completely different power supplies - the Plasma has the PSE-324 ORION power supply. I have a KE-32TS2U with a bad power supply that I need help with identifying some components that were damaged by it's previous owner. If the KDL-32L4000 does in fact have the same PSE-324 ORION power supply, can you please confirm this.

                      Or, if anyone else can verify this info, it would be greatly appreciated.

                      Thanks.

                      Comment

                      • Wrog
                        Badcaps Veteran
                        • Oct 2009
                        • 472

                        #12
                        Re: Sony Bravia LCD KDL-32L4000

                        Originally posted by crtfool
                        To koppit - This thread is for a KDL-32L4000 LCD TV, but you link to pictures is for a KE-32TS2U PLASMA TV. I am confused as to what TV you are talking about. My research shows that these 2 TV's have completely different power supplies - the Plasma has the PSE-324 ORION power supply. I have a KE-32TS2U with a bad power supply that I need help with identifying some components that were damaged by it's previous owner. If the KDL-32L4000 does in fact have the same PSE-324 ORION power supply, can you please confirm this.

                        Or, if anyone else can verify this info, it would be greatly appreciated.

                        Thanks.
                        I have a KDL-32L4000 that I'll be taking apart soon-ish, maybe this weekend. I'll post pictures of the power supply.

                        Comment

                        • crtfool
                          Senior Member
                          • Jun 2010
                          • 82
                          • USA

                          #13
                          Re: Sony Bravia LCD KDL-32L4000

                          Thanks Wrog - Very much appreciated. I also just noticed that I incorrectly wrote "ORION" as the manufacturer - it is supposed to be "ORIGIN ELECTRIC CO., LTD"

                          Comment

                          • Wrog
                            Badcaps Veteran
                            • Oct 2009
                            • 472

                            #14
                            Re: Sony Bravia LCD KDL-32L4000

                            Unfortunately, I did not get to it this weekend. Here's to hoping I have time this coming weekend!

                            Comment

                            • Wrog
                              Badcaps Veteran
                              • Oct 2009
                              • 472

                              #15
                              Re: Sony Bravia LCD KDL-32L4000

                              The power supply for the KDL-32L4000 is a Delta EADP-170AF A. All Rubycon and Nichicons!
                              Attached Files

                              if you find these attachements useful please consider making a small donation to the site

                              Comment

                              • crtfool
                                Senior Member
                                • Jun 2010
                                • 82
                                • USA

                                #16
                                Re: Sony Bravia LCD KDL-32L4000

                                Thanks Wrog - your power supply is exactly what I expected. I think that koppit is working on the same Plasma TV that I am - not sure why he posted in this thread.

                                My search for info led me to this thread, so I was hoping that there would be another TV with the PSE-324 - unfortunately it turned out to be a RED HERRING!

                                I have had zero luck getting info on my power supply, so the adventure continues.....
                                Last edited by crtfool; 06-14-2010, 01:11 PM. Reason: spelling corrections

                                Comment

                                • Kevin O'Henly
                                  Ontario Member
                                  • May 2009
                                  • 48
                                  • Canada

                                  #17
                                  Re: Sony Bravia LCD KDL-32L4000

                                  Hi all.

                                  I am back (originator of the thread) to look at restoring function to the KDL-32L4000.

                                  The Delta EADP-170AF A SMPS is what I was interested in fixing.

                                  Since my last post I have discovered that this SONY LCD TV has been kicked around the block before I received it. The connector between the CCFLs and inverter board was missing and while an inverter board was in the case it had nothing to do with this set. The set will need the inverter board.
                                  Yep! ...a mess.
                                  All that being so I still desire to repair the SMPS. Fixing the SMPS will not fix this LCD TV but perhaps down the road the remaining parts will emerge. After all; my goal is to keep devices out of the land-fill and fixing them is the best way I know to achieve this outcome.
                                  In the Zen sense I am back to where I started but with greater insight.
                                  I am ignorant; not stupid. My ignorance is fixable with the aid of a guide who is wiser than I.

                                  gratefully...
                                  Be yourself,
                                  everyone else is taken.

                                  Comment

                                  • Wrog
                                    Badcaps Veteran
                                    • Oct 2009
                                    • 472

                                    #18
                                    Re: Sony Bravia LCD KDL-32L4000

                                    Kevin, I think between the two of us, we have one complete TV! Yours is missing the SMPS (G board), inverter and some cabling, while mine either has a borked signal board (A board), TCON or panel.

                                    Let me know if I can supply any measurements or component values to aid in your recovery project.

                                    Comment

                                    • Kevin O'Henly
                                      Ontario Member
                                      • May 2009
                                      • 48
                                      • Canada

                                      #19
                                      Re: Sony Bravia LCD KDL-32L4000

                                      Thank you Wrog.
                                      This should be fun and an interesting thread development but we will likely not have working TV's at the end of the day.

                                      There is a link at this thread start to download a schematic for the Sony Bravia LCD KDL-32L4000 if you need it?

                                      It would be usefull to troubleshoot any and all SMPS stand alone. Yes?
                                      Get the PS working then load it up and see what happens electronically.

                                      As you have a good PS perhaps could we try an experiment to determine if board-g will come out of standby with no load when "PS-ON" at Board-G(CN202 pin 1) is set to a logic high. A shorting strap between board-G connector CN202 pins 1 and 3 (4Vsb) should do it. PWR_ERR_DET ( CN202 pin 2 ) should be floating high as there is nothing connected to it when all the connectors are removed from board-g.

                                      If board-g comes out of standby with no-load then I would expect CN203 pins 5 through 10 to read 24Vdc, CN201: pins 3 & 4 to read 6Vdc, pins: 11 & 12 to read 15Vdc and pin 14 to read 30Vdc. What voltage reading do you get for "PWR_PANEL" at pins 7 & 8?

                                      Safety is paramount. If you are not comfortable trying this then it is best not tried.
                                      Be yourself,
                                      everyone else is taken.

                                      Comment

                                      • Fred Raines
                                        New Member
                                        • Jun 2010
                                        • 1

                                        #20
                                        Re: Sony Bravia LCD KDL-32L4000

                                        I have a Sony Bravia LCD KDL-32L4000. It's 15 months old. Recently it failed to power up from the remote. The Power LED was on. The screen was black. The power switch had no effect. It did not turn on or off with the power switch.

                                        The unit was unplugged from the wall and left overnight. It powered on the next day. We left it on for several days and powered off the cable box to "turn off the tv". Now it won't power on at all. The power LED is on when the unit is plugged into the wall outlet. The screen is black.

                                        There are no visible burned or deformed caps (or other components) on the A (CPU) or G (power supply) boards. All voltages on the G board match the service manual. I measure 11.8 VDC on the PWR_PANEL lines of the CN201 connector. I measure 0.09VDC on the PS-ON line at connector CN202. I lifted the PWR_ERR_DET line at the CN202 connector on the G board. This had no effect.

                                        Does anyone know what the USB port on the CPU board is for? It is marked Service. I assume it is for diagnostics. What program is used?

                                        I appreciate in advance any insight into the problem. I hate to trash a $600 TV.

                                        Comment

                                        Related Topics

                                        Collapse

                                        • JUCaESAl
                                          Sony bravia KD-65AF9
                                          by JUCaESAl
                                          Hola a todos, necesito el esquema electronico de la placa 1-983-356-11 de un televisor sony bravia KD-65AF9.
                                          Hello everyone, I need the electronic diagram for the 1-983-356-11 board of a Sony Bravia KD-65AF9 television.
                                          10-20-2025, 04:03 AM
                                        • PopsCaps
                                          Sony Bravia KDL-40V2500 that will not power on
                                          by PopsCaps
                                          I have a Sony Bravia KDL-40V2500 that will not power on. The indicator flashes red 3 times.
                                          I do not hear any sound and I cannot see any backlight.
                                          I have tried disconnecting every cable on each board one at a time to see if anything changes.
                                          The only change is when I disconnect AC-DET cable on the Power Supply board or on the other end if I unplug the CN7009 connection on the B-Board and try to power on the TV the indicator will stay on solid green until I power off.
                                          My friend ordered another used power supply board but it is also doing the red indicator flash 3 times...
                                          03-25-2025, 11:23 AM
                                        • alegatorul
                                          sony bravia kdl-43w756c, no power, no sound
                                          by alegatorul
                                          sony bravia kdl-43w756c, no power, no sound
                                          the charger brick has 19,2-19,3 vcc
                                          changed the inverter board same result.
                                          where should i start?
                                          cheers
                                          11-15-2025, 10:00 AM
                                        • justin35
                                          Sony bravia kdl-43w755c - boot loop
                                          by justin35
                                          Hello,
                                          i have this sony bravia kdl-43w755c which boot loops. After sony logo, it shows the android animation loading then it restarts…
                                          from what i read online it looks to be an emmc issue…
                                          i’m not familiar with this kind of tv repairs… i’m repairing laptops and gpu’s…
                                          i took out the board and say an samsung 16gb emmc
                                          i don’t have an exact replacement, but i have a few 32 and 64gb emms’s from laptops…
                                          i could try to put one instead of the 16gb one, but will it work?
                                          where do i get the software from?
                                          any help will be much appreciated!...
                                          03-06-2024, 12:26 PM
                                        • Document Archive
                                          Sony Bravia 22" LED Full HD TV KLV-22P402B Schematic
                                          by Document Archive
                                          Sony Bravia 22" LED Full HD TV KLV-22P402B Schematic...
                                          10-16-2024, 05:15 AM
                                        • Loading...
                                        • No more items.
                                        Working...