Fault on a Finlux 40F8073-T

Collapse
X
 
  • Time
  • Show
Clear All
new posts
  • Jason Powell
    New Member
    • Apr 2020
    • 8
    • UK

    #1

    Fault on a Finlux 40F8073-T

    Hi
    New to this Forum, i am looking for some advice please.
    I am trying to repair a Finlux TV for my Mum who is in Self-Isolation.
    The original fault was the Standby Light flashing six times. Online i diagnosed this as a fault with the Power Board. I purchased a tested 2nd hand Power Board from a reputable company, and now i have the Standby Light flashing continously.
    Any advice would be gratefully received.
  • nomoresonys
    Badcaps Legend
    • Jan 2013
    • 12331
    • U.S.

    #2
    Re: Fault on a Finlux 40F8073-T

    Try test number 3 below, try it with both powerboards report results.

    Comment

    • Jason Powell
      New Member
      • Apr 2020
      • 8
      • UK

      #3
      Re: Fault on a Finlux 40F8073-T

      Originally posted by nomoresonys
      Try test number 3 below, try it with both powerboards report results.
      Hi thanks for your reply.
      I am a little unsure how i test the pins. The connector is 20 strand with 10 on 10. There doesn't seem to be any numbering.
      I am a complete novice at this, and i apologise for wasting your time.

      Comment

      • dick_barton
        Badcaps Legend
        • Aug 2015
        • 6643
        • Wales

        #4
        Re: Fault on a Finlux 40F8073-T

        Hello Jason,
        This is where pictures of the TV boards come in handy to help diagnose the problem. Some good sharp images would prove useful. You can add them as attachments using the Go Advanced shown under your post.
        Willing to help but I'm no expert.

        Comment

        • Jason Powell
          New Member
          • Apr 2020
          • 8
          • UK

          #5
          Re: Fault on a Finlux 40F8073-T

          Photos of the Boards.

          Thanks
          Attached Files

          if you find these attachements useful please consider making a small donation to the site

          Comment

          • nomoresonys
            Badcaps Legend
            • Jan 2013
            • 12331
            • U.S.

            #6
            Re: Fault on a Finlux 40F8073-T

            Testing example in #2 below.

            Comment

            • dick_barton
              Badcaps Legend
              • Aug 2015
              • 6643
              • Wales

              #7
              Re: Fault on a Finlux 40F8073-T

              What is the voltage on each of the diodes when you power up the set.
              Attached Files

              if you find these attachements useful please consider making a small donation to the site

              Last edited by dick_barton; 04-04-2020, 11:42 AM.
              Willing to help but I'm no expert.

              Comment

              • nomoresonys
                Badcaps Legend
                • Jan 2013
                • 12331
                • U.S.

                #8
                Re: Fault on a Finlux 40F8073-T

                .
                Last edited by nomoresonys; 04-04-2020, 01:37 PM.

                Comment

                • R_J
                  Badcaps Legend
                  • Jun 2012
                  • 9624
                  • Canada

                  #9
                  Re: Fault on a Finlux 40F8073-T

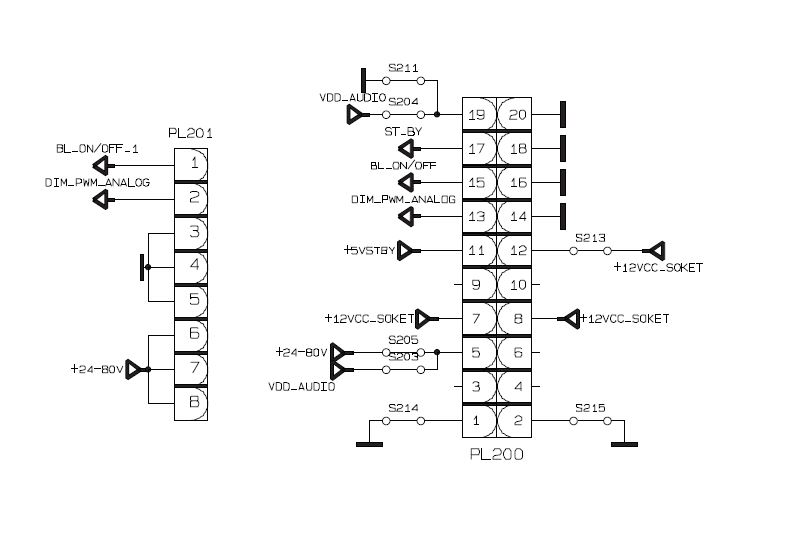
                  I can't tell how many wires are on PL500, but check the voltage on each pin that has a wire connected. You will need to have your meter on the pin when you turn the tv on. this is the plug going to the led's in the panel. (pin7 is the side with the arrow)
                  pin1 =
                  pin2 =
                  etc.

                  Comment

                  • Jason Powell
                    New Member
                    • Apr 2020
                    • 8
                    • UK

                    #10
                    Re: Fault on a Finlux 40F8073-T

                    Originally posted by dick_barton
                    What is the voltage on each of the diodes when you power up the set.
                    Top Arrow - 7.49
                    Middle Arrow - 1.68
                    Bottom Arrow - 1.38

                    Comment

                    • Jason Powell
                      New Member
                      • Apr 2020
                      • 8
                      • UK

                      #11
                      Re: Fault on a Finlux 40F8073-T

                      Originally posted by R_J
                      I can't tell how many wires are on PL500, but check the voltage on each pin that has a wire connected. You will need to have your meter on the pin when you turn the tv on. this is the plug going to the led's in the panel. (pin7 is the side with the arrow)
                      pin1 =
                      pin2 =
                      etc.
                      Hi
                      20 wires connected, 10 on top of 10.
                      Readings are as follows:
                      Top Row Bottom Up :
                      Pin 1 - 0.0
                      Pin 2 - 0.0
                      Pin 3 - 0.0
                      Pin 4 - 0.0
                      Pin 5 - 0.0
                      Pin 6 - 0.0
                      Pin 7 - 12.1
                      Pin 8 - 23.5
                      Pin 9 - 0.0
                      Pin 10 - 0.0

                      Bottom Row Bottom Up :
                      ALL 0.0
                      Except Pin 7 12.1

                      Comment

                      • nomoresonys
                        Badcaps Legend
                        • Jan 2013
                        • 12331
                        • U.S.

                        #12
                        Re: Fault on a Finlux 40F8073-T

                        Might not be getting the signal from the mainboard to turn on the powerboard.

                        Comment

                        • dick_barton
                          Badcaps Legend
                          • Aug 2015
                          • 6643
                          • Wales

                          #13
                          Re: Fault on a Finlux 40F8073-T

                          Some of the voltages on PL200 are missing. Can you put the voltage readings alongside the connector pin numbers.
                          Attached Files

                          if you find these attachements useful please consider making a small donation to the site

                          Last edited by dick_barton; 04-05-2020, 11:26 AM.
                          Willing to help but I'm no expert.

                          Comment

                          • Jason Powell
                            New Member
                            • Apr 2020
                            • 8
                            • UK

                            #14
                            Re: Fault on a Finlux 40F8073-T

                            Originally posted by dick_barton
                            Some of the voltages on PL200 are missing. Can you put the voltage readings alongside the connector pin numbers.
                            Pin 1 0.0
                            Pin 2 0.0
                            Pin 3 0.0
                            Pin 4 0.0
                            Pin 5 23.5
                            Pin 6 0.0
                            Pin 7 12.1
                            Pin 8 12.1
                            Pin 9 - 20 0.0

                            Comment

                            • dick_barton
                              Badcaps Legend
                              • Aug 2015
                              • 6643
                              • Wales

                              #15
                              Re: Fault on a Finlux 40F8073-T

                              Have a read through this post by BudM

                              https://www.badcaps.net/forum/showpo...7&postcount=30
                              Willing to help but I'm no expert.

                              Comment

                              • Jason Powell
                                New Member
                                • Apr 2020
                                • 8
                                • UK

                                #16
                                Re: Fault on a Finlux 40F8073-T

                                Originally posted by dick_barton
                                Have a read through this post by BudM

                                https://www.badcaps.net/forum/showpo...7&postcount=30
                                Thanks for that!
                                Unfortunately it totally confused me. Probably above my Skill-Set.

                                Comment

                                Related Topics

                                Collapse

                                • STKR123
                                  Elitebooks (820, 840 etc. all gens) and those continuously flashing Power LED + flashing CapsLock LED
                                  by STKR123
                                  As the Elitebooks (820, 840 all gens) only show flashing Power LED and flashing CapsLock (continuously) + a very soft "ticking" noise near the DC Jack,
                                  I wonder if re-flashing the BIOS might be of any use here.

                                  As far as I understood, steady flashing either means insufficient power or a CPU/GPU/Motherboard issue. I use the original 65watt power supply.

                                  There are so many threads out there, but most of the solutions involve flashing codes, which I dont have or claim that you MUST use the original power supply, do a hard reset, reseat the RAM, clean the RAM,...
                                  11-03-2024, 06:58 AM
                                • rabbituk
                                  Sony HCD BX7700dbi CMT flashing standby
                                  by rabbituk
                                  I have got a Sony HCD-BX7700dbi that isn't worth a lot but I'm keen to learn how to repair and would appreciate some help with my train of thought. The protection circuit is kicking in and the standby light is blinking. It goes into protection mode within a second of powering it on.

                                  So far the relay on the power board that enables the main transformer clicks on and then off when powering on the unit. Looking at the schematics, the permanently enabled power rail called 'unreg sub' provides about 13.5VDC. Where the power comes into the main board on connector CN303, there is a diode...
                                  02-11-2025, 05:05 PM
                                • 7ony
                                  Samsung plasma - flashing standby light
                                  by 7ony
                                  The TV is a 2013 Samsung plasma, model # PN60F5300AFXZA.

                                  Snagged it up in non-working condition a couple years ago. Previous owner said that sometimes he could get it to come on after repeated tries but other than that he couldn't get it to turn on.

                                  Personally I haven't been able to get it to turn on at all. The standby light comes on solid when plugged in, but pressing the power button results in the standby light flashing once every 4 or so seconds. No "click" noises, no light from the panel at all. Just the flashing standby light.

                                  No visible...
                                  08-31-2020, 05:18 PM
                                • fuxxy
                                  Samsung UN55D6000FXZA - Won't stay on, standby light flashing rapidly
                                  by fuxxy
                                  This is a set I posted about a few years ago. Replaced LED strips and worked fine until now.

                                  Plug the set in, and it will turn on and functions with no issues.

                                  After a while, (sometimes hours, sometimes minutes, sometimes immediately) the tv shuts off. When I approach the TV I notice the standby light is flashing rapidly, but the pulse of each flash is not long enough to notice from afar.

                                  Other than the standby light, the unit is completely unresponsive until the power is removed and reapplied, then the cycle starts over. It does appear that the time it takes...
                                  08-02-2022, 09:44 AM
                                • tvguy12012012120
                                  Zombie Samsung UN55NU6900F dead / no standby voltage - randomly came to life after hours of troubleshooting then died
                                  by tvguy12012012120
                                  This is my first attempt at troubleshooting a board like this, I know I could just buy a new board but I'm curious to figure out how this works. I've been testing different components in the evenings this week and I think the problem is with the IC failing to start up for some reason. When the board is plugged in there is no standby voltage.

                                  Then today it randomly sprung to life like a zombie but shortly died thereafter. I have no idea why it would have done that and its the first time I've seen it running. I discharged capacitors on the board last night, then it was sitting today....
                                  02-07-2025, 05:13 PM
                                • Loading...
                                • No more items.
                                Working...