Vizio XVT472SV No Backlight - 1.0v on LED Driver ON/OFF pin

Collapse
X
 
  • Time
  • Show
Clear All
new posts
  • not-a-real-repairman
    Member
    • Oct 2015
    • 16
    • USA

    #1

    Vizio XVT472SV No Backlight - 1.0v on LED Driver ON/OFF pin

    I picked up a used Vizio XVT472SV TV. Logo goes from orange to white, audio is good, flashlight test shows picture but no backlight.

    The LED Driver on/off pin from the main board is only giving out 1.0v. From another thread someone said this model needs 3.3v. Power supply is putting out all the necessary voltages.

    Only other 3.3v supply I could find was the "PS On" pin that I guess tells the power supply to switch on. I tried to jumper the "PS On" pin to the "On/Off" pin and the backlight turned on and showed the picture.

    I tried plugging the Roku in, but received the dreaded "Purple screen of death". I still had a few ground screws pulled off so I don't know if the main board is fried and the 1.0v is a small symptom, or if the Roku or HDMI cable is the problem.

    My question is ... is there any reason I shouldn't just tap into the PS On signal to run both, or might that overload it? I'm still trying to walk the circuit back to see if it's a faulty voltage regulator that I need to switch out, or if it's something coming from one of the major chips that would need a whole new board.

    Any advise would be greatly appreciated.
  • zacheriaj
    Senior Member
    • Jan 2014
    • 138
    • United States

    #2
    Re: Vizio XVT472SV No Backlight - 1.0v on LED Driver ON/OFF pin

    please take pictures of the tv with the back off. and close up pictures of each board so we can see where your problem may be. Sounds like there is an issue in the power supply board that is preventing your startup voltage to the backlights.
    You Can't Succeed Until You're Willing to Fail

    Comment

    • budm
      Badcaps Legend
      • Feb 2010
      • 40746
      • USA

      #3
      Re: Vizio XVT472SV No Backlight - 1.0v on LED Driver ON/OFF pin

      The BL-ON signal should not be applied to run on the backlights AFTER the power supply is turned on the by the PS-ON signal first, you want the power supply to be stable first before turning on the backlights circuit.
      The BL-ON is generated by the main board and it is routed through the power supply connector (input into one connector and output through another connector that supplies the 24VDC (or what ever the LED drive Voltage requirement is) for running the inverter (or LED driver) board, Dim control signal is also routed through the power supply board for clean wiring between the inverter (in this case the LED driver board)-power supply- main board, power supply does not do anything to the BL-ON signal.
      Please up load good clear pictures as requested.

      http://www.shopjimmy.com/catalogsear...izio+XVT472SV+
      Last edited by budm; 10-13-2015, 05:24 PM.
      Never stop learning
      Basic LCD TV and Monitor troubleshooting guides.
      http://www.badcaps.net/forum/showthr...956#post305956

      Voltage Regulator (LDO) testing:
      http://www.badcaps.net/forum/showthr...999#post300999

      Inverter testing using old CFL:
      http://www.badcaps.net/forum/showthr...er+testing+cfl

      Tear down pictures : Hit the ">" Show Albums and stories" on the left side
      http://s807.photobucket.com/user/budm/library/

      TV Factory reset codes listing:
      http://www.badcaps.net/forum/showthread.php?t=24809

      Comment

      • not-a-real-repairman
        Member
        • Oct 2015
        • 16
        • USA

        #4
        Re: Vizio XVT472SV No Backlight - 1.0v on LED Driver ON/OFF pin

        The power supply is putting out all the right voltages (5v, 12v, 18v, 24v), so I doubt it's that.

        The LED on/off pin is on the main board. It is sent from the main board to the power supply, which then routes it un-altered to the LED driver board.

        I'm trying to trace how it gets 1.0v from the 5v that it gets from the power supply. It's probably a voltage regulator that has gone out controlled from the main chip, but I'm still trying to trace it back to the source.

        I'll try to post pics tomorrow.

        Comment

        • budm
          Badcaps Legend
          • Feb 2010
          • 40746
          • USA

          #5
          Re: Vizio XVT472SV No Backlight - 1.0v on LED Driver ON/OFF pin

          What you can do is to disconnect the BL-ON wire going to the LED driver board, basicially no load to the BL-ON output pin of the main board an see what you get.
          The BL-ON is usually controlled by a switched transistor, there is Collector resistor (1k~5K range) that is connected to VCC, the BL-ON pin is connected to the Collector, when the TV is OFF, the transistor is ON to keep the Vce LO (BL-ON = LO), when power switch is activated, the processor will turn off the transistor which will make the Collector Voltage swing toward VCC so BL-ON is now = HI. So may be the transistor is bad having high leakage, or the VCC is very low. You will have to trace that out.
          Last edited by budm; 10-13-2015, 10:47 PM.
          Never stop learning
          Basic LCD TV and Monitor troubleshooting guides.
          http://www.badcaps.net/forum/showthr...956#post305956

          Voltage Regulator (LDO) testing:
          http://www.badcaps.net/forum/showthr...999#post300999

          Inverter testing using old CFL:
          http://www.badcaps.net/forum/showthr...er+testing+cfl

          Tear down pictures : Hit the ">" Show Albums and stories" on the left side
          http://s807.photobucket.com/user/budm/library/

          TV Factory reset codes listing:
          http://www.badcaps.net/forum/showthread.php?t=24809

          Comment

          • not-a-real-repairman
            Member
            • Oct 2015
            • 16
            • USA

            #6
            Re: Vizio XVT472SV No Backlight - 1.0v on LED Driver ON/OFF pin

            Attached are pics. I'll annotate them later.
            Attached Files

            if you find these attachements useful please consider making a small donation to the site

            Comment

            • not-a-real-repairman
              Member
              • Oct 2015
              • 16
              • USA

              #7
              Re: Vizio XVT472SV No Backlight - 1.0v on LED Driver ON/OFF pin

              Originally posted by budm
              What you can do is to disconnect the BL-ON wire going to the LED driver board, basicially no load to the BL-ON output pin of the main board an see what you get.
              The BL-ON is usually controlled by a switched transistor, there is Collector resistor (1k~5K range) that is connected to VCC, the BL-ON pin is connected to the Collector, when the TV is OFF, the transistor is ON to keep the Vce LO (BL-ON = LO), when power switch is activated, the processor will turn off the transistor which will make the Collector Voltage swing toward VCC so BL-ON is now = HI. So may be the transistor is bad having high leakage, or the VCC is very low. You will have to trace that out.
              When I pull and isolate the "A B C" connector that goes from the main board to the PSU I still get 1.0v on the BL-ON output pin (it's the "B" wire) when the TV is on. No voltage when off.
              Last edited by not-a-real-repairman; 10-14-2015, 12:17 AM.

              Comment

              • stj
                Great Sage 齊天大聖
                • Dec 2009
                • 31298
                • Albion

                #8
                Re: Vizio XVT472SV No Backlight - 1.0v on LED Driver ON/OFF pin

                that big green cap on the main board looks like the top isnt flat!

                Comment

                • not-a-real-repairman
                  Member
                  • Oct 2015
                  • 16
                  • USA

                  #9
                  Re: Vizio XVT472SV No Backlight - 1.0v on LED Driver ON/OFF pin

                  1000uf 35v cap is all good. I think it's just the angle of the picture.

                  I did find that one of the 1117 voltage regulators (U4) doesn't have any voltage on pin 1. Don't know if that's because a feature isn't turned on or because it's fried. I'll try to capture all the voltages from the various pins and try to trace back where it's getting the 1.0v from when I get home tonight.

                  Comment

                  • budm
                    Badcaps Legend
                    • Feb 2010
                    • 40746
                    • USA

                    #10
                    Re: Vizio XVT472SV No Backlight - 1.0v on LED Driver ON/OFF pin

                    Pin 1 is GND for Fixed output, Adj if it is Adjustable reg (it will have two resistors connected to it), pin 2 = output, pin 3 = input.
                    Min out put is 1.25V.
                    So what do you have on the Input pin?
                    Never stop learning
                    Basic LCD TV and Monitor troubleshooting guides.
                    http://www.badcaps.net/forum/showthr...956#post305956

                    Voltage Regulator (LDO) testing:
                    http://www.badcaps.net/forum/showthr...999#post300999

                    Inverter testing using old CFL:
                    http://www.badcaps.net/forum/showthr...er+testing+cfl

                    Tear down pictures : Hit the ">" Show Albums and stories" on the left side
                    http://s807.photobucket.com/user/budm/library/

                    TV Factory reset codes listing:
                    http://www.badcaps.net/forum/showthread.php?t=24809

                    Comment

                    • not-a-real-repairman
                      Member
                      • Oct 2015
                      • 16
                      • USA

                      #11
                      Re: Vizio XVT472SV No Backlight - 1.0v on LED Driver ON/OFF pin

                      Part, Input (Pin 3), Output (Pin 2)
                      ----------------------------------
                      U2, 5.09, 3.33
                      U3, 5.02, 3.27
                      U4, 3.27, 1.24
                      U5, 5.02, 3.25
                      U6, 11.84, 8.23
                      U7, 5.02, 3.32

                      I think I've followed the trace with 1.10v to the underside of the RF shield. There is a jump in component numbering of the regulators on the board; I can't seem to find U8 to U19. I'm assuming they're all under the RF shield and behind a white plastic square. I'll unsolder it tonight and see if I can find the one that's probably giving me trouble.

                      Comment

                      • budm
                        Badcaps Legend
                        • Feb 2010
                        • 40746
                        • USA

                        #12
                        Re: Vizio XVT472SV No Backlight - 1.0v on LED Driver ON/OFF pin

                        We need the DCV of pin 1 if they are adj regulator, the DCV on pin 1 + Vref of 1.25VDC = Vout on pin 2.
                        Never stop learning
                        Basic LCD TV and Monitor troubleshooting guides.
                        http://www.badcaps.net/forum/showthr...956#post305956

                        Voltage Regulator (LDO) testing:
                        http://www.badcaps.net/forum/showthr...999#post300999

                        Inverter testing using old CFL:
                        http://www.badcaps.net/forum/showthr...er+testing+cfl

                        Tear down pictures : Hit the ">" Show Albums and stories" on the left side
                        http://s807.photobucket.com/user/budm/library/

                        TV Factory reset codes listing:
                        http://www.badcaps.net/forum/showthread.php?t=24809

                        Comment

                        • not-a-real-repairman
                          Member
                          • Oct 2015
                          • 16
                          • USA

                          #13
                          Re: Vizio XVT472SV No Backlight - 1.0v on LED Driver ON/OFF pin

                          Originally posted by budm
                          We need the DCV of pin 1 if they are adj regulator, the DCV on pin 1 + Vref of 1.25VDC = Vout on pin 2.
                          I didn't write them down, but I did confirm that the Pin1 to Pin2 voltage on the 1117 IC's was 1.25v.

                          I really think the problem is a component under the RF shield. I'll send what I find after work.

                          Comment

                          • budm
                            Badcaps Legend
                            • Feb 2010
                            • 40746
                            • USA

                            #14
                            Re: Vizio XVT472SV No Backlight - 1.0v on LED Driver ON/OFF pin

                            One thing you should try is to force it on using resistor (330~1K) between the BL-ON lin and the 5VSTBY but you must disconnect the cable going back to the main board first. I f everything else are OK then you should have pictures and full functions of the TV, if not then you have more than just problem with BL-ON signal.
                            Never stop learning
                            Basic LCD TV and Monitor troubleshooting guides.
                            http://www.badcaps.net/forum/showthr...956#post305956

                            Voltage Regulator (LDO) testing:
                            http://www.badcaps.net/forum/showthr...999#post300999

                            Inverter testing using old CFL:
                            http://www.badcaps.net/forum/showthr...er+testing+cfl

                            Tear down pictures : Hit the ">" Show Albums and stories" on the left side
                            http://s807.photobucket.com/user/budm/library/

                            TV Factory reset codes listing:
                            http://www.badcaps.net/forum/showthread.php?t=24809

                            Comment

                            • not-a-real-repairman
                              Member
                              • Oct 2015
                              • 16
                              • USA

                              #15
                              Re: Vizio XVT472SV No Backlight - 1.0v on LED Driver ON/OFF pin

                              Originally posted by budm
                              One thing you should try is to force it on using resistor (330~1K) between the BL-ON lin and the 5VSTBY but you must disconnect the cable going back to the main board first. I f everything else are OK then you should have pictures and full functions of the TV, if not then you have more than just problem with BL-ON signal.
                              Like I said before, I was able to turn on the TV, wait a few seconds for the power supply to stabilize, and then disconnected the BL-On line from the main board to the power supply and jumpered PS-On pin to the BL-On pin. The whole thing lit up. Screen looks good with no cracks / fluttering / fading / etc.

                              My Roku showed the menus and I could queue something up to play, but it gave a purple screen when I hit play; from what I understand that means it couldn't make a secure connection to the HD processor. It could just be the cable I was using, but it could also be that the busted voltage regulator may be connected to other parts that need more juice.
                              Last edited by not-a-real-repairman; 10-15-2015, 11:18 AM.

                              Comment

                              • budm
                                Badcaps Legend
                                • Feb 2010
                                • 40746
                                • USA

                                #16
                                Re: Vizio XVT472SV No Backlight - 1.0v on LED Driver ON/OFF pin

                                Originally posted by not-a-real-repairman
                                Like I said before, I was able to turn on the TV, wait a few seconds for the power supply to stabilize, and then disconnected the BL-On line from the main board to the power supply and jumpered PS-On pin to the BL-On pin. The whole thing lit up. Screen looks good with no cracks / fluttering / fading / etc.

                                My Roku showed the menus and I could queue something up to play, but it gave a purple screen when I hit play; from what I understand that means it couldn't make a secure connection to the HD processor. It could just be the cable I was using, but it could also be that the busted voltage regulator may be connected to other parts that need more juice.
                                OK, I was not sure in post 1 as to what this means "I tried plugging the Roku in, but received the dreaded "Purple screen of death". I do not know much about ROKU, so I thought you are talking about the TV.
                                Never stop learning
                                Basic LCD TV and Monitor troubleshooting guides.
                                http://www.badcaps.net/forum/showthr...956#post305956

                                Voltage Regulator (LDO) testing:
                                http://www.badcaps.net/forum/showthr...999#post300999

                                Inverter testing using old CFL:
                                http://www.badcaps.net/forum/showthr...er+testing+cfl

                                Tear down pictures : Hit the ">" Show Albums and stories" on the left side
                                http://s807.photobucket.com/user/budm/library/

                                TV Factory reset codes listing:
                                http://www.badcaps.net/forum/showthread.php?t=24809

                                Comment

                                • fzabkar
                                  Badcaps Veteran
                                  • Mar 2009
                                  • 772
                                  • Australia

                                  #17
                                  Re: Vizio XVT472SV No Backlight - 1.0v on LED Driver ON/OFF pin

                                  FYI U8 is the 7805 near the tuner.

                                  There also appears to be a switchmode regulator near one corner of the shield. It appears to consist of U10, a 100uH coil, and 1 or 2 electrolytics.

                                  That said, I doubt that any of the regulators are bad.
                                  Last edited by fzabkar; 10-15-2015, 01:36 PM. Reason: extra info

                                  Comment

                                  • not-a-real-repairman
                                    Member
                                    • Oct 2015
                                    • 16
                                    • USA

                                    #18
                                    Re: Vizio XVT472SV No Backlight - 1.0v on LED Driver ON/OFF pin

                                    Originally posted by fzabkar
                                    ...That said, I doubt that any of the regulators are bad.
                                    The regulators I mentioned, or any of them?

                                    Any other theories as to where I should look to figure out why I'm only getting 1.0v instead of 3.3v?

                                    (And is your info coming from personal experience, or some sort of diagram that I could get a copy of?)
                                    Last edited by not-a-real-repairman; 10-15-2015, 02:53 PM.

                                    Comment

                                    • fzabkar
                                      Badcaps Veteran
                                      • Mar 2009
                                      • 772
                                      • Australia

                                      #19
                                      Re: Vizio XVT472SV No Backlight - 1.0v on LED Driver ON/OFF pin

                                      Originally posted by not-a-real-repairman
                                      The regulators I mentioned, or any of them?

                                      Any other theories as to where I should look to figure out why I'm only getting 1.0v instead of 3.3v?

                                      (And is your info coming from personal experience, or some sort of diagram that I could get a copy of?)
                                      I have little experience with flat panel TVs and monitors, but I have repaired thousands of electronic devices, including several hundred CRT based displays. That said, I'm basing my statements on budm's advice. AIUI, he is suggesting that the BL_ON circuit might look like the following:

                                      Code:
                                                      VCC
                                                       +
                                                       |
                                                       |
                                                      .-.
                                                      | |
                                        .------------.       | | Rc
                                        |      |       '-'
                                        |      |        |
                                        |      |    Rb   |-------o BL_ON
                                        |      |    ___  |/
                                        |      |------|___|--| Q
                                        |      |       |>
                                        |      |        |
                                        |      |        |
                                        |  MCU   |       ===
                                        '------------'       GND
                                      
                                      (created by AACircuit v1.28.7 beta 02/28/13 www.tech-chat.de)
                                      He has asked you to trace the circuitry immediately before and after the BL_ON pin, on both boards. You would then measure the voltage into the base resistor (Rb). If the MCU is driving the base correctly, and if the collector is sitting at 1V rather than 0V, then this would suggest that transistor Q is faulty (low gain).

                                      If the Vcc supply were low, then one would expect that the TV would have additional symptoms.
                                      Last edited by fzabkar; 10-15-2015, 03:49 PM.

                                      Comment

                                      • budm
                                        Badcaps Legend
                                        • Feb 2010
                                        • 40746
                                        • USA

                                        #20
                                        Re: Vizio XVT472SV No Backlight - 1.0v on LED Driver ON/OFF pin

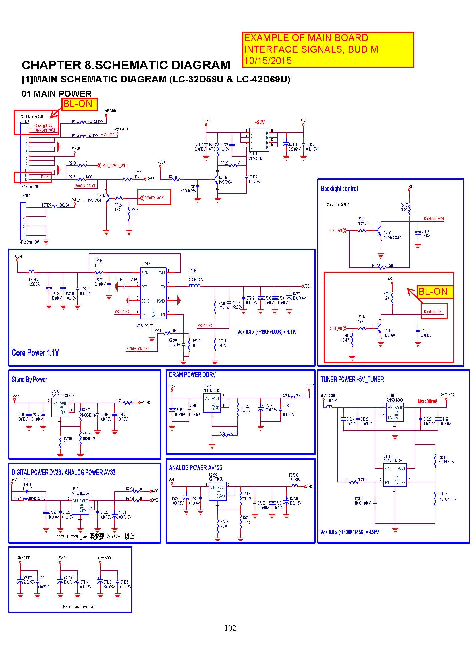
                                        Thanks FZABKAR, that is he typical interface for the BL-ON, PS-ON circuit. It is just a matter of tracing the trace from the BL-ON pin to see where it goes, the switched transistor should be close by the connector, that is what I do when I do not have the schematic of the board, it is time consuming so what else can you do. Some time there will be two transistors if the processor is Active HI. The one you draw is Active LO.
                                        Just need to find that switch. Sometime I spend hours or days or weeks reverse engineering the boards.
                                        See example of how Sharp TV does the interface, very simple. and it also why YOU DO NOT TIE THE PS-ON AND BL-ON pins directly to the 5VSTBY when you still have the main board connected.
                                        The transistors are NORAMALLY ON so when you connected 5V directly to the PS-ON, BL-ON pin you will dump big current through the fully on transistor and it will release the magic smoke. That is why you must disconnect those signal wires back to the main board first before forcing on the power supply board. Always use resistors.
                                        Attached Files

                                        if you find these attachements useful please consider making a small donation to the site

                                        Last edited by budm; 10-15-2015, 04:38 PM.
                                        Never stop learning
                                        Basic LCD TV and Monitor troubleshooting guides.
                                        http://www.badcaps.net/forum/showthr...956#post305956

                                        Voltage Regulator (LDO) testing:
                                        http://www.badcaps.net/forum/showthr...999#post300999

                                        Inverter testing using old CFL:
                                        http://www.badcaps.net/forum/showthr...er+testing+cfl

                                        Tear down pictures : Hit the ">" Show Albums and stories" on the left side
                                        http://s807.photobucket.com/user/budm/library/

                                        TV Factory reset codes listing:
                                        http://www.badcaps.net/forum/showthread.php?t=24809

                                        Comment

                                        Related Topics

                                        Collapse

                                        Working...