Pan TH-50PX80U Dead no Schematic

Collapse
X
 
  • Time
  • Show
Clear All
new posts
  • Ltank
    Badcaps Veteran
    • Jun 2013
    • 776
    • USA

    #1

    Pan TH-50PX80U Dead no Schematic

    The TV is dead no voltages at all on the outputs. There is AC across F002 but no power across any other fuses. I don't hear the relays click. Relays are 5vdc. I can't find a schematic for the
    NOAE6JL00001 MPF7719 Power Supply. Obviously with no 5vdc the 5 volt relays will not turn on AC power to the rest of the supply. What's the best way to trouble shoot the Nec F9232 microprocessor? IC 601. Manuel says IC 701 No schematic
  • Ltank
    Badcaps Veteran
    • Jun 2013
    • 776
    • USA

    #2
    Re: Pan TH-50PX80U Dead no Schematic

    Pics
    Attached Files

    Comment

    • tom66
      EVs Rule
      • Apr 2011
      • 32560
      • UK

      #3
      Re: Pan TH-50PX80U Dead no Schematic

      Any 5V standby at all?
      Please do not PM me with questions! Questions via PM will not be answered. Post on the forums instead!
      For service manual, schematic, boardview (board view), datasheet, cad - use our search.

      Comment

      • kasfamily
        Badcaps Veteran
        • Aug 2014
        • 774
        • Russia

        #4
        Re: Pan TH-50PX80U Dead no Schematic

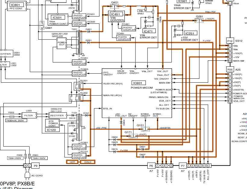
        N0AE6JL00002 Block Diagram IC601
        Attached Files

        Comment

        • Alastair E
          Chief Womble
          • Mar 2013
          • 1963
          • U.K.

          #5
          Re: Pan TH-50PX80U Dead no Schematic

          There's a couple of 7W 10 ohm ceramic surge-limiter resistors on the PSU that fail.....
          TELEFIX

          How PLASMA SCREENS WORK, X-SUS and Y-SUS what they do--
          http://www.irf.com/technical-info/appnotes/an-1088.pdf
          PLEASE DO NOT EMAIL ME PRIVATELY FOR REPAIR ADVICE. QUESTIONS BELONG ON THE FORUM!

          Comment

          • Ltank
            Badcaps Veteran
            • Jun 2013
            • 776
            • USA

            #6
            Re: Pan TH-50PX80U Dead no Schematic

            No 5vdc. All fuses are good. The 5vdc relays don't click. Relays were tested with external P.S. on bench out of the TV.

            Comment

            • kasfamily
              Badcaps Veteran
              • Aug 2014
              • 774
              • Russia

              #7
              Re: Pan TH-50PX80U Dead no Schematic

              Сheck IC120 and PC801

              Comment

              • imraneesa
                New Member
                • Dec 2016
                • 6
                • trinidad & tobago

                #8
                Re: Pan TH-50PX80U Dead no Schematic

                hello everybody,

                i too have the same problem. Dear Sir, have you figured out what is the problem?

                best regards,
                Imran

                Comment

                Related Topics

                Collapse

                • jasonr2000
                  Dell Inspiron All In One 7777 Dead :-( .Anybody have a Schematic
                  by jasonr2000
                  hi guys I have the above dell all in one pc.

                  it was working fine then went dead as a dodo ive checked the PSU and its working perfectly fine

                  it's using a brick PSU.

                  does anybody have a Schematic or a board view of this machine ??


                  the motherboard is model IPCFL-MG / KRJ4N / 0KRJ4N

                  its an Inspiron All in One 7777

                  any help is appreciated.

                  thanks
                  12-21-2022, 02:59 PM
                • double_DD
                  How can I be sure that my EC chip is dead?
                  by double_DD
                  Hi all,

                  As the title suggests, how can I be sure that my EC chip is really dead?

                  I've recently gotten into this hobby of laptop repairs, and have successfully brought back to life a couple with some easy fixes, mostly shorted caps.

                  Now I'm working on HP Probook 455 G8, that had some "devil" run around on 3V line, burning a bunch of stuff. Luckily I have a dead 455G7 (for spare parts) so I managed to fix it (swapped burned parts) to a point that it will charge (both on barrel jack and usb-c), but it doesn't want to turn on. There is a 3V3 on a keyboard...
                  03-12-2025, 07:47 AM
                • TinkerTron
                  Schematic vs. Reality: Where Are the Resistors on My Sharp Clock Radio? Model FY-70CH
                  by TinkerTron
                  Hey everyone,

                  I'm currently working on a mid-70s Sharp Electronic Digital Clock Radio, Model FY-70CH. I found the service manual online, printed it out, and have been studying it for a while. My main reasons for tackling this are: (1) I want to learn electronics and figured I'd start with something I had on hand, and (2) I want to fix its issues. Right now, the radio sounds awful, has about 5V DC at the speaker terminals, and the alarm time setting doesn't work. But I'm not asking how to fix these problems.

                  Instead, here's what's been bugging me so far:
                  The schematic...
                  03-06-2025, 02:03 PM
                • atunguyd
                  Acer x163w Monitor PSU schematic
                  by atunguyd
                  Ii wonder if anyone can help me. I have a Acer x163w monitor which is not powering up. The PSU main capacitor's one leg had completly come off - I replaced it but the PSU is still not outputting DC. I found the monitor in questions service manual here on manuals lib but the schematic in there is a completely different - the schematic shows no mosfet to drive the transformer while the one I have does use a mosfet - also the schematic shows only one optocoupler but mine has two.
                  The PSU board is labelled FM-20A02-AAA made by APD as per the image below. I am trying to find a schematic for this...
                  03-05-2025, 02:08 PM
                • Sharx112
                  Dell XPS 15 7590 audio troubleshooting
                  by Sharx112
                  Hello guys. After googling for 3 days and being unable to resolve the audio issue for some time I was looking for the schematic and I found this wonderful website.
                  It all started from sound just disappearing at some point that I even forgot when. Why did I forget? Because even though speakers and 3.5mm give no reaction whatsoever it works properly with type-c earplugs so I kinda kept using it like that. Now that I was doing an overhaul with repasting, changing pads and battery it struck me, hell, why not look for the sound issue? So here I am, after trying every possible software solution...
                  08-10-2024, 12:46 PM
                • Loading...
                • No more items.
                Working...