Hello all and thanks in advance for all of the help. My Panasonic tc-p50x3 was hit by lightning I am pretty sure. There is no click when plugged in or when pressing the power button. There is no standby light anywhere that I see. I have taken the back cover off and I am getting 120 into the power board (mpf6908) and across both fuses. I am not getting any power at p2 or p11. I am getting 5v from pin 6 on the p6 connector going from the power supply to the A board (tnph0911). Nothing else on that pin shows any voltage. I tried to follow the thread at https://www.badcaps.net/forum/showthread.php?t=32318, but I didn't see a final solution. Any ideas or help would be greatly appreciated. Should I assume the power supply is bad or is it the A board? Is there any way to fix the boards or is the best solution to order another board? Thanks again!
Tc-p50x3 no sign of life
Collapse
X
-
Tags: None
-
Re: Tc-p50x3 no sign of life
Thanks for the reply! Is there anyway to test this to be sure? Thanks!Comment
-
Re: Tc-p50x3 no sign of life
You have 5v stdby at P6, pin6, that feeds IC5000. From that it generates 3.3v stdby, 1.2V stdby for IC8000. 3.3stdby also sent to K board where the front LED is, that's not lit.
The 3.3v and 1.2V runs the processor IC8000 which sends a signal back to the PSU to iC701 which is the PSU MCU and it turns the relays on. You have no clicks, the relays and IC701 would create F15V or 15v Stdby.
This is from a ST30 guide, but should be similar operation.
When the TV is plugged in:
AC is applied to the standby circuit in the power supply to produce STB5V.
The STB5V is provided to the A board via connectors P6 (pin6).
The STB5V from pin6 of connector P6 is applied to the Analog ASIC (IC5000) to power the Main CPU/PEAKS LDA3 (IC8000) on the A board. The Analog ASIC (IC5000) converts the STB5V to STB3.3V and STB1.2V. These 2 voltages energize and prepare the microprocessor (CPU) for program execution.
The STB3.3V from the Analog ASIC (IC5000), besides being applied to the CPU, is also applied to the remote control receiver and the power LED on the K board through connector A1/K1 (pin 3).
When the CPU receives 3.3V and 1.2V, it outputs a command that is provided to the P board. This command triggers the AC relays on the P board and only lasts approximately 15 seconds. The command applied to the P board is called different names, “F-STB-ON,TV-SUB-ON, or TUNER-SUB-ON”. The function of this command is to turn on the circuit that generates the “F15V” in the P board.
The F15V from the P board is applied to the A board through connector A6 (pins 10 and 11). This voltage is applied to several voltage regulators to generates the SUB voltages used by the A board.Comment
-
Re: Tc-p50x3 no sign of life
I have to duck out but you could try a search for TC-P50X3 service manual. If you have no joy I'll try and upload or find links when I get back, or someone else may dive in and get it for you.
Checking for 5v at IC5000 going in and the others out would be a start but you'll need a manual for the pinouts and a multimeter to measure dc volts.Comment
-
Re: Tc-p50x3 no sign of life
This was on another forum. However, 1. I am new to this and pretty techno dumb 2. I haven't had a chance to really read up on it. Is this what I would need to be looking at though? Thanks again!!!Comment
-
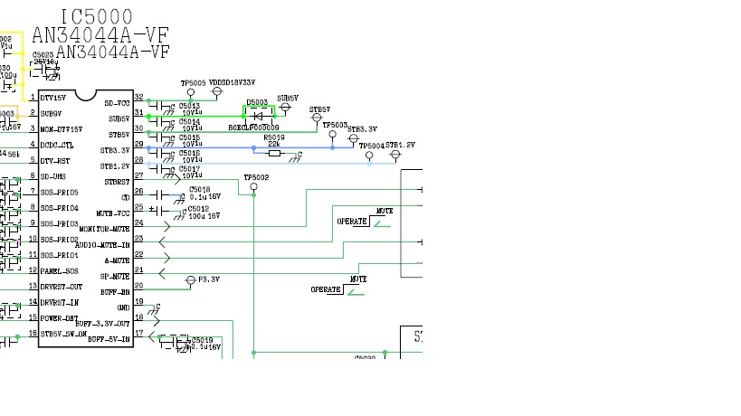
Re: Tc-p50x3 no sign of life
yeah, but the resolution is so bad we're not going to see the schematic well enough , very frustrating.
Need to locate IC5000 on the A board, could be topside or underneath. If underneath, probably gonna be hard to probe with a loose board.
Search IC5000 in the pdf , at least you'll get a good block diagram to see where the 5v goes in and the 3.3 , 1.2 come out , but no pinouts there.Comment
-
Re: Tc-p50x3 no sign of life
Pin 30 is 5Vstdby in, 29 is 3.3v out, 28 is 1.2v out. careful not to short out adjacent pins, blk probe on and earth point like where the screws mount the PCB and red tip on the IC pin you want to measure.
Could be tight , I've never had to check an A board this way, but I reckon if 5v is reaching that chip and no 3.3/1.2 out I think that would confirm A board.
If the 5v was missing then possibly trace back through the cct , not sure if any surface fuse is present on that line or not, have not looked and I 'm about to hit the sack as very late/early here and I work(try to LOL)
Yeah , a bit tricky for a beginner I guess. Just be aware of where the AC goes in and the PSU, don't get casual touching heatsinks etc and zap yourself.Comment
-
Re: Tc-p50x3 no sign of life
Ok. Thank you! I will try this this evening, I am sure I will have more questions. Thanks again!Comment
-
Re: Tc-p50x3 no sign of life
Hey TW. I checked the ic5000 chip. I have 4.9 v on pin # 30. I have .2 v coming out of pin #29. And nothing out of pin # 28. Does this confirm it's the A board? If so, is there a way to track down the culprit of the problem within the board or is the only fix replacing the entire board? Also, does this mean the power board is ok, or is there no way to tell for sure? I want to thank you one more time for being patient and walking a dummy through this! Thanks.Comment
-
Re: Tc-p50x3 no sign of life
Look, I don't know exactly a quick and easy procedure for the PSU as the A switches it on from that IC.
2011 guide for ST30 series and the startup sequence will be similar on X3 has a sequence for dead, no power, no LED.
You've confirmed no relay click at plug in.
You've confirmed 5v stdby is present at A6 pin 6
next step is to disconnect A1 connector which is the lead that feeds the 3.3v we've discussed to the K board which has the front LED and remote receiver.
Then, plug in TV and see if relays click, if NO, then it says replace A-board.
We've even gone to the extreme of confirming 5v is getting to IC5000 and NO output of 3.3 and 1.2 , the same 3.3 that goes to the K board.
Lightning seems to take out the A-boards more than the PSUs. The antenna system can often provide a path for a spike as to HDMI ports from set top boxes.
I've lost a port on mine from a very close strike, lucky me TV still works minus 1 port.
The last step is eliminating the possibility the K-board is short and dragging the 3.3v down and stooping the A board firing up.
I would consider the K as bad as feasible but unlikely, so try that step and confirm.
You may have secondary faults but at this stage your A board is dead.
you could disconnect the SC and SS board power leads just in case and see if anything changes but you said it was working and had lightning, now dead so it would be a coincidence the SC or SS died at the same time.
I can't help you much more than this.
If you replace the A board and still have a fault but the LED is lit then , just bad luck and you then need to fault find from there.Comment
-
Re: Tc-p50x3 no sign of life
Ok I will try and confirm this. My next problem is. I located the model number of the A board and did a search for it. Numerous boards came up that I can order that look just like mine. However, according to one of the sites I have to determine the suffix from a suffix grid on the board in order to get the right part. Is this true? If so, I believe the suffix is "ac". (Tnph0911ac). I attached a picture if you can confirm this.
When I do a search for this, nothing comes up. Do you know where I can find this correct part at? If possible I would like to order it from somewhere that has some type of return policy. Again thanks for all your help!Comment
-
-
Re: Tc-p50x3 no sign of life
Hi
Just picked up the same TV with the same problem from my sister that had lighting strike happened about 2 1/2 years ago. Everything that you wrote has exactly happened while I was trouble shooting. She kept the TV in the garage and I finally picked it up after fixing my TV a week ago from reading this site. I was wondering if you ever replaced the board and where you able to fix your problem? Also, would you still remember where you purchased board. Thank youComment
-
Re: Tc-p50x3 no sign of life
I have no 5V out of the power supply, is there perhaps someone here that has experience with that and knows right where to go? Funny right. I guess the next thing would be to see if i am getting power to the bridge rectifier?39 Soldering Iron burns And CountingComment
-
Re: Tc-p50x3 no sign of life
I have a similar problem. i picked up the TV from the dump so I have 0 into it. I brought it home and first checked for bad capacitors. All checked out well and I plugged it in. I heard the relay click and the standby red led comes on steady. The screen didn't turn on or even prime. If I hold down the power button it clicks once again and when I let go it clicks 3 times. Any help would be awesome. Thanks.Comment
-
Re: Tc-p50x3 no sign of life
You can check each pin on your main a/c plug in or at pins at your line cord to each pin on a/c pins on bridge rectifier for continuity. Should have continuity through each to rectifierI assume no responsibility for any stupid suggestions I might post.Comment
Related Topics
Collapse
-
Vizio e601i-A3 - Has Sound and Display, But No Backlight - Bad Power Supply Board or Bad LED Bulbs ?by Tynan DillI was given this TV from my great uncle. He said it just wouldn't turn on one day out of nowhere, replaced the TV, and gave it to me to possibly fix and use for myself.
Upon bringing it home and plugging it up, it showed a standby light.
I powered it on and without a flashlight, the display showed the "V" but the lighting is very dim, but visible.
The screen seems to blackout and stay black, but with a flashlight I can see the display.
With my Playstation 4 connected via HDMI, and running a game I can hear sound.
Assuming...7 Photos -
by m1ch43lzmHi, this is my personal laptop, which the original board (lets call it Board A) blew up PU8700 (TPS51486), making a hole on the board, i had left the laptop at my desk one day with the battery fully charged and didn't touch it for a week, but when i tried to turn it on it didn't
Thought the battery was dead, so i plugged in the charger then tried to power on, the power LED blinked once, charged LED still orange, unplugged the charger, plugged in again and I noticed the "magic smoke" smell, so i unplugged the charger, removed the back cover and saw the blown IC (the "magic... -
by howardc64All left and right refers to looking from rear of TV (or looking from front with TV upside down)
- TV came with vertical bars and no image. Found faulty TVS on left buffer board. Also replaced T-Con (may have damaged the original while hot air removing components, board has slight warp) and have full image but few horizontal lines on the screen. Some of the lines appears to be 2 pixel tall while others are 1 pixel tall.
- Disconnecting left and right buffer board potentially reveals problems on both sides with different signals (unless this T-Con require jumper like Samsung FB_TRDY1&3) Fault
-
by HakuuHi There,
This TV was auto switching off after few seconds with some vertical lines on the screen, so got a new TCON board and replaced it.
After replacing the TCON board it was working fine and i set it up with everything, used for few hours, then had the bright idea to update the software on it. During the update process, TV switched off and now no audio or video. No relay switch sound.
More Details
TV Model - LG OLED77G1PUA
Got the same exact TCON board from TVPartsToday and replaced it. But didnt transfer the EPPROM data (didnt... -
by SoulzinkHi everyone,
I am trying to fix a samsung washinmachine power supply main board.
I already replaced it with another one to fix the machine but i want to try understand the issue with the old board.
Therefore i hope to be able to get some help to explain what to check in order to troubleshoot.
The power supply board reference is the following: DC41-00189a
I have followed one thread (https://www.badcaps.net/forum/troubl...ingmachine-rel... - Loading...
- No more items.
Comment