Polaroid P40LCD12 SMPS Voltages Help please

Collapse
X
 
  • Time
  • Show
Clear All
new posts
  • NipZ
    Senior Member
    • Jul 2013
    • 106
    • UK

    #1

    Polaroid P40LCD12 SMPS Voltages Help please

    I have acquired a Polaroid P40LCD12 that stopped working today. The Power LED is just constantly blinking and the tv wont turn on. I removed the back but can not see any indication of voltages on any of the connector points. Can anyone point me in the right direction to a service manual or schematic or help me out with the voltages?
    Power supply model number 17PW26-5

    Many Thanks
    Attached Files
    Last edited by NipZ; 07-06-2014, 12:43 PM.
  • tom66
    EVs Rule
    • Apr 2011
    • 32560
    • UK

    #2
    Re: Polaroid P40LCD12 SMPS Voltages Help please

    26-4 is very similar, and this schematic has the voltages on it.


    Set is made by Vestel - so same as Technika, Sanyo, etc.

    Blinking standby light immediately is a protect fault - can be bad firmware or a power supply/main board power supply fault.
    Please do not PM me with questions! Questions via PM will not be answered. Post on the forums instead!
    For service manual, schematic, boardview (board view), datasheet, cad - use our search.

    Comment

    • NipZ
      Senior Member
      • Jul 2013
      • 106
      • UK

      #3
      Re: Polaroid P40LCD12 SMPS Voltages Help please

      Thanks for the info tom66!

      Comment

      • NipZ
        Senior Member
        • Jul 2013
        • 106
        • UK

        #4
        Re: Polaroid P40LCD12 SMPS Voltages Help please

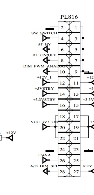
        I've checked voltages from connector PL816 and as soon as I connect the tv to a power outlet voltages are available(see pics) apart from pin13, and this is the same whether I have inverter and mainboard connected or disconnected. Another abnormality is pin 4 SW_SWITCH fluctuates between 8.5v and 8.9v with mainboard connected.

        Any help appreciated
        Attached Files

        Comment

        • NipZ
          Senior Member
          • Jul 2013
          • 106
          • UK

          #5
          Re: Polaroid P40LCD12 SMPS Voltages Help please

          Am I correct in thinking these voltages shouldn't be present until the IR receives a signal which in turn sends a signal from the mainboard to the SMPS to turn on? If so what would I be looking for on the power supply that could be causing this fault, maybe a shorted diode?

          Comment

          • tom66
            EVs Rule
            • Apr 2011
            • 32560
            • UK

            #6
            Re: Polaroid P40LCD12 SMPS Voltages Help please

            That voltage is normal for that line. It's a way for the main board to put the PSU in deep sleep. With the voltage high like that it runs normally.
            Problem probably on main board
            Please do not PM me with questions! Questions via PM will not be answered. Post on the forums instead!
            For service manual, schematic, boardview (board view), datasheet, cad - use our search.

            Comment

            • NipZ
              Senior Member
              • Jul 2013
              • 106
              • UK

              #7
              Re: Polaroid P40LCD12 SMPS Voltages Help please

              Thanks for the info tom66, I hadn't realised some tv's worked by the mainboard putting the psu in a deep sleep. Would my missing 3.3v on pin 13 have something to do with the reason my psu isn't in a deep sleep?

              Comment

              • Daveatfernie
                Senior Member
                • Nov 2013
                • 70
                • UK

                #8
                Re: Polaroid P40LCD12 SMPS Voltages Help please

                I have the same TV with a fault. No LED blinking on mine.
                (was steered here by another helper)

                My PSU when unplugged from the inverter and mainboard only generates 5V on pin 4 and 14 then 3.3V present on pins 15 and 16. None of the other voltages are present (I assume as the mainboard isn't plugged in to ask them to come up)

                It sounds as though yours has powered up without the request from the mainboard?

                Comment

                Related Topics

                Collapse

                • Francesc V.
                  Computer SMPS has voltages from a moment and then disapear
                  by Francesc V.
                  Hi:

                  I am trying to repair a 1000W cheap power supply, but so far, with no much success.

                  The ATX has stable 5V STBY.
                  When shortening PsuON to ground, it triggers all voltages for a fraction of a second and then disapear (I see the leds flashing for a moment from the ATX tester)


                  - I removed and tested the capacitors. They are OK.
                  - Removed and tested the Output rectifiers from the secondary.
                  - Removed and tested the Mosfets from the primary.
                  - Outputs are not shorted.
                  - Overakk review of the solder joins.

                  ...
                  04-15-2025, 01:54 PM
                • Capacitorial
                  Powersupply has all the voltages - Monitor still no power
                  by Capacitorial
                  Hello guys,

                  I have a Philips 240B7QPJEB. The monitor seems completely dead.
                  I opened it and measured the voltages of the powersupply. I found that a mosfet was dead and replaced it.
                  On the connector, that goes to the TCON board, all voltages 15-19V and 5V are present.
                  The small connector on the left of the PSU has two cables with 18V and all the other have 0.2V. It connects on this small connector on the left ontop of the panel. I guess the backlight? Seens fine I guess.
                  The weird thing is, that the Power LED is powered over the TCON board.
                  On The TCON...
                  12-28-2024, 02:12 PM
                • beetle1303
                  Wine Chiller - SMPS issue - fluctuating voltages
                  by beetle1303
                  My wine chiller, TECNO SW-126LCD, is semi-functional - it powers up, can set temperature, and chilled to the set temperature, and cuts off compressor, etc. It however runs very hot.

                  Upon taken out the PSU and did some basic check - 5V output to LCD panel buttons and display is stable, but there is no 12V output to LED lights, and fans.

                  Further checks found the secondary side voltage is fluctuating around 8-15V range, but the 7805 regulator seems ok and producing the stable 5V output.

                  Checking further on the primary side: Incoming line input to bridge...
                  09-04-2023, 10:33 AM
                • dkneyle
                  Onkyo DX-V500 Laser Disc Player - weird SMPS fault
                  by dkneyle
                  This relic from a technology path that came to a dead end (but still has historical interest) was brought in with a dead SMPS, which is based around a MK1210 device. I got it going after a battle. It seems to have a strange design - if it's not getting feedback that the secondary is OK it cause the big FET to go into full conduction and overloads resulting in a blown fuse at best or something worse! I'm using a Dim Bulb Tester (70W/230V) which thankfully has saved the day a number of times whilst repairing.

                  Now, it loads a CD OK. The motor voltage output (which is built onto the SMPS...
                  02-01-2022, 02:08 AM
                • shamsudeen
                  Hi, Can we use SMPS Bench Power Supply for Laptop troubleshooting?
                  by shamsudeen
                  Hi all, I just need to know that, can i use SMPS type power supply to test and short circuit detection on a laptop motherboard?
                  I saw 95% of repair guys are using only Linear bench power supply. linear bench power supply is pricy, thats why i planned to get one SMPS supply.

                  i know that in linear power supply the noise will be very low comparing to SMPS supply....
                  07-19-2025, 07:14 AM
                • Loading...
                • No more items.
                Working...